CN213802662U - 一种用于挖机修理的便携式起重装置 - Google Patents
一种用于挖机修理的便携式起重装置 Download PDFInfo
- Publication number
- CN213802662U CN213802662U CN202121414288.9U CN202121414288U CN213802662U CN 213802662 U CN213802662 U CN 213802662U CN 202121414288 U CN202121414288 U CN 202121414288U CN 213802662 U CN213802662 U CN 213802662U
- Authority
- CN
- China
- Prior art keywords
- fixed plate
- supporting rod
- base
- sets
- mount
- Prior art date
- Legal status (The legal status is an assumption and is not a legal conclusion. Google has not performed a legal analysis and makes no representation as to the accuracy of the status listed.)
- Expired - Fee Related
Links
- 230000008439 repair process Effects 0.000 claims abstract description 14
- 229910000831 Steel Inorganic materials 0.000 claims description 7
- 239000010959 steel Substances 0.000 claims description 7
- 230000005540 biological transmission Effects 0.000 claims description 6
- 238000012423 maintenance Methods 0.000 abstract description 15
- 239000012141 concentrate Substances 0.000 abstract description 3
- 238000010276 construction Methods 0.000 description 3
- 239000000463 material Substances 0.000 description 2
- 239000002689 soil Substances 0.000 description 2
- 230000004075 alteration Effects 0.000 description 1
- 230000009286 beneficial effect Effects 0.000 description 1
- 239000003245 coal Substances 0.000 description 1
- 230000005484 gravity Effects 0.000 description 1
- 238000012986 modification Methods 0.000 description 1
- 230000004048 modification Effects 0.000 description 1
- 239000011435 rock Substances 0.000 description 1
- -1 silt Substances 0.000 description 1
- 238000006467 substitution reaction Methods 0.000 description 1
Images
Landscapes
- Load-Engaging Elements For Cranes (AREA)
Abstract
本实用新型公开了一种用于挖机修理的便携式起重装置,包括底座,所述底座上表面一侧固定连接有固定架,所述固定架顶部居中位置转动插接有旋转轴,所述旋转轴远离固定架一端固定连接有第一支撑杆。底座上部固定连接固定架,利用旋转轴将第一支撑杆和固定架旋转连接,利用销轴将第一支撑杆和第二支撑杆销接,可以进行一定范围的旋转,用于掉起较重的维修件,方便挖掘机的维修,在底座上表面固定架一侧设置两组固定杆,利用两组固定杆支撑顶板,通过销轴将两组固定杆销接,利用液压缸支撑销轴,通过滑块连接固定杆可以实现顶板的升降,用于支撑较重的挖掘机维修件,将两种维修工具集中,方便携带,且省去维修人员频繁更换工具的麻烦。
Description
技术领域
本实用新型涉及机械维修设备技术领域,具体为一种用于挖机修理的便携式起重装置。
背景技术
挖掘机,又称挖掘机械,是用铲斗挖掘高于或低于承机面的物料,并装入运输车辆或卸至堆料场的土方机械。挖掘机挖掘的物料主要是土壤、煤、泥沙以及经过预松后的土壤和岩石。从近几年工程机械的发展来看,挖掘机的发展相对较快,挖掘机已经成为工程建设中最主要的工程机械之一。挖掘机最重要的三个参数:操作重量(质量),发动机功率和铲斗斗容。
现有技术中,挖掘机在修理时,由于挖掘机本身结构,使得挖掘机修理起来很不便,且因挖掘机修理而造成的砸伤和摔伤事故频发,因此对现有的挖掘机修理造成了一定的风险,大大降低了修理的效率和安全性。
且现有的挖机修理装置大都只有单一的功能,在修理时还需要根据不同的需求更换工具,不仅危险,还对维修人员造成不便。
实用新型内容
本实用新型的目的在于提供一种用于挖机修理的便携式起重装置,通过在底座上部固定连接固定架,利用旋转轴将第一支撑杆和固定架旋转连接,利用销轴将第一支撑杆和第二支撑杆销接,可以进行一定范围的旋转,且在底座上表面固定架一侧设置两组固定杆,利用两组固定杆支撑顶板, 通过销轴将两组固定杆销接,利用液压缸支撑销轴,通过滑块连接固定杆可以实现顶板的升降,用于支撑较重的挖掘机维修件,以解决上述背景技术中提出的问题。
为实现上述目的,本实用新型提供如下技术方案:一种用于挖机修理的便携式起重装置,包括底座,所述底座上表面一侧固定连接有固定架,所述固定架顶部居中位置转动插接有旋转轴,所述旋转轴远离固定架一端固定连接有第一支撑杆,所述第一支撑杆一侧侧壁居中位置固定连接有电卷轴架,所述第一支撑杆远离旋转轴一端销接有第二支撑杆,所述第二支撑杆下表面转动连接有液压杆,所述第二支撑杆远离第一支撑杆一端通过钢丝传动连接有自锁钩,所述底座上表面开设有滑槽,所述滑槽内部滑动连接有滑块,所述滑块顶部转动连接有第一固定板,所述第一固定板远离滑块一端滑动连接有顶板,所述第一固定板居中位置插接有销轴,所述销轴外部位于第一固定板一侧插接有第二固定板,所述销轴居中位置固定连接有液压缸,所述底座一侧侧壁开设有定位孔,所述定位孔内部滑动连接有支撑架,所述支撑架上表面固定连接有配重块。
优选的,所述液压杆远离第二支撑杆一端转动连接于第一支撑杆一侧侧壁。
优选的,所述自锁钩通过钢丝传动连接于电卷轴架。
优选的,所述滑槽和滑块均设置为两组,且每组设置为两个,两组所述滑槽和滑块对称设置于液压缸两侧。
优选的,所述第一固定板和第二固定板均设置为两组,且对称设置于液压缸两侧,两组所述第一固定板和第二固定板远离顶板一端均转动连接于两组滑块。
优选的,所述定位孔设置为两组,两组所述定位孔对称开设于底座一侧侧壁。
与现有技术相比,本实用新型的有益效果是:
1、通过在底座上部固定连接固定架,利用旋转轴将第一支撑杆和固定架旋转连接,利用销轴将第一支撑杆和第二支撑杆销接,可以进行一定范围的旋转,用于掉起较重的维修件,方便挖掘机的维修;
2、在底座上表面固定架一侧设置两组固定杆,利用两组固定杆支撑顶板, 通过销轴将两组固定杆销接,利用液压缸支撑销轴,通过滑块连接固定杆可以实现顶板的升降,用于支撑较重的挖掘机维修件,将两种维修工具集中,方便携带,且省去维修人员频繁更换工具的麻烦。
附图说明
图1为本实用新型一种用于挖机修理的便携式起重装置的主视结构示意图;
图2为本实用新型一种用于挖机修理的便携式起重装置的侧视结构示意图;
图3为本实用新型一种用于挖机修理的便携式起重装置的俯视结构示意图。
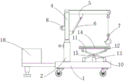
图中:1、底座;2、固定架;3、旋转轴;4、第一支撑杆;5、第二支撑杆;6、液压杆;7、自锁钩;8、电卷轴架;9、滑槽;10、滑块;11、第一固定板;12、第二固定板;13、液压缸;14、顶板;15、销轴;16、定位孔;17、支撑架;18、配重块。
具体实施方式
下面将结合本实用新型实施例中的附图,对本实用新型实施例中的技术方案进行清楚、完整地描述,显然,所描述的实施例仅仅是本实用新型一部分实施例,而不是全部的实施例。基于本实用新型中的实施例,本领域普通技术人员在没有做出创造性劳动前提下所获得的所有其他实施例,都属于本实用新型保护的范围。
请参阅图1-3,本实用新型提供一种技术方案:一种用于挖机修理的便携式起重装置,包括底座1,底座1上表面一侧固定连接有固定架2,用于支撑第一支撑杆4,固定架2顶部居中位置转动插接有旋转轴3,便于第一支撑杆4在固定架2内部旋转调整和移动物件位置,旋转轴3远离固定架2一端固定连接有第一支撑杆4,用于支撑第二支撑杆5,第一支撑杆4一侧侧壁居中位置固定连接有电卷轴架8,用于收起和放下自锁钩7,第一支撑杆4远离旋转轴3一端销接有第二支撑杆5,用于支撑自锁钩7,第二支撑杆5下表面转动连接有液压杆6,用于顶起第二支撑杆5,液压杆6远离第二支撑杆5一端转动连接于第一支撑杆4一侧侧壁,第二支撑杆5远离第一支撑杆4一端通过钢丝传动连接有自锁钩7,用于钓起待维修物件,自锁钩7通过钢丝传动连接于电卷轴架8。
底座1上表面开设有滑槽9,用于滑块10的滑动,滑槽9内部滑动连接有滑块10,便于两组固定杆之间角度的调整,滑槽9和滑块10均设置为两组,且每组设置为两个,两组滑槽9和滑块10对称设置于液压缸13两侧,滑块10顶部转动连接有第一固定板11,用于支撑顶板14,第一固定板11远离滑块10一端滑动连接有顶板14,用于支撑待维修物件,第一固定板11居中位置插接有销轴15,用于固定和液压缸13的受力,销轴15外部位于第一固定板11一侧插接有第二固定板12,用于支撑顶板14,第一固定板11和第二固定板12均设置为两组,且对称设置于液压缸13两侧,两组第一固定板11和第二固定板12远离顶板14一端均转动连接于两组滑块10,销轴15居中位置固定连接有液压缸13,为两组固定杆角度调整提供动力,底座1一侧侧壁开设有定位孔16,定位孔16设置为两组,两组定位孔16对称开设于底座1一侧侧壁,定位孔16内部滑动连接有支撑架17,用于支撑配重块18,支撑架17上表面固定连接有配重块18,使装置两边的重力相等,防止装置发生侧翻。
工作原理:通过在底座1上部固定连接固定架2,利用旋转轴3将第一支撑杆4和固定架2旋转连接,利用销杆将第一支撑杆4和第二支撑杆5销接,可以进行一定范围的旋转,在使用时,利用自锁钩7挂住待钓起物件,启动电卷轴架8将钢丝收卷起,使自锁钩7上升,同时控制液压杆6长度,来调节第一支撑杆4和第二支撑杆5之间的角度,调整好角度后通过转动第一支撑杆4来移动钓起物件,方便挖掘机的维修,同时,在底座1上表面固定架2一侧设置两组固定板,利用两组固定板支撑顶板14, 通过销轴15将两组固定板销接,利用液压缸13支撑销轴15,通过控制液压缸13的伸缩,来顶起销轴15,使销轴15垂直上下运动,通过销轴15带动两组固定板,固定板通过滑块10向中心滑动,减小第一固定板11和第二固定板12的夹角,将顶板14顶起,相反,顶板14下降,通过用于支撑较重的挖掘机维修件,将两种维修工具集中,方便携带,且省去维修人员频繁更换工具的麻烦。
尽管已经示出和描述了本实用新型的实施例,对于本领域的普通技术人员而言,可以理解在不脱离本实用新型的原理和精神的情况下可以对这些实施例进行多种变化、修改、替换和变型,本实用新型的范围由所附权利要求及其等同物限定。
Claims (6)
1.一种用于挖机修理的便携式起重装置,包括底座(1),其特征在于:所述底座(1)上表面一侧固定连接有固定架(2),所述固定架(2)顶部居中位置转动插接有旋转轴(3),所述旋转轴(3)远离固定架(2)一端固定连接有第一支撑杆(4),所述第一支撑杆(4)一侧侧壁居中位置固定连接有电卷轴架(8),所述第一支撑杆(4)远离旋转轴(3)一端销接有第二支撑杆(5),所述第二支撑杆(5)下表面转动连接有液压杆(6),所述第二支撑杆(5)远离第一支撑杆(4)一端通过钢丝传动连接有自锁钩(7),所述底座(1)上表面开设有滑槽(9),所述滑槽(9)内部滑动连接有滑块(10),所述滑块(10)顶部转动连接有第一固定板(11),所述第一固定板(11)远离滑块(10)一端滑动连接有顶板(14),所述第一固定板(11)居中位置插接有销轴(15),所述销轴(15)外部位于第一固定板(11)一侧插接有第二固定板(12),所述销轴(15)居中位置固定连接有液压缸(13),所述底座(1)一侧侧壁开设有定位孔(16),所述定位孔(16)内部滑动连接有支撑架(17),所述支撑架(17)上表面固定连接有配重块(18)。
2.根据权利要求1所述的一种用于挖机修理的便携式起重装置,其特征在于:所述液压杆(6)远离第二支撑杆(5)一端转动连接于第一支撑杆(4)一侧侧壁。
3.根据权利要求1所述的一种用于挖机修理的便携式起重装置,其特征在于:所述自锁钩(7)通过钢丝传动连接于电卷轴架(8)。
4.根据权利要求1所述的一种用于挖机修理的便携式起重装置,其特征在于:所述滑槽(9)和滑块(10)均设置为两组,且每组设置为两个,两组所述滑槽(9)和滑块(10)对称设置于液压缸(13)两侧。
5.根据权利要求1所述的一种用于挖机修理的便携式起重装置,其特征在于:所述第一固定板(11)和第二固定板(12)均设置为两组,且对称设置于液压缸(13)两侧,两组所述第一固定板(11)和第二固定板(12)远离顶板(14)一端均转动连接于两组滑块(10)。
6.根据权利要求1所述的一种用于挖机修理的便携式起重装置,其特征在于:所述定位孔(16)设置为两组,两组所述定位孔(16)对称开设于底座(1)一侧侧壁。
Priority Applications (1)
| Application Number | Priority Date | Filing Date | Title |
|---|---|---|---|
| CN202121414288.9U CN213802662U (zh) | 2021-06-24 | 2021-06-24 | 一种用于挖机修理的便携式起重装置 |
Applications Claiming Priority (1)
| Application Number | Priority Date | Filing Date | Title |
|---|---|---|---|
| CN202121414288.9U CN213802662U (zh) | 2021-06-24 | 2021-06-24 | 一种用于挖机修理的便携式起重装置 |
Publications (1)
| Publication Number | Publication Date |
|---|---|
| CN213802662U true CN213802662U (zh) | 2021-07-27 |
Family
ID=76950355
Family Applications (1)
| Application Number | Title | Priority Date | Filing Date |
|---|---|---|---|
| CN202121414288.9U Expired - Fee Related CN213802662U (zh) | 2021-06-24 | 2021-06-24 | 一种用于挖机修理的便携式起重装置 |
Country Status (1)
| Country | Link |
|---|---|
| CN (1) | CN213802662U (zh) |
-
2021
- 2021-06-24 CN CN202121414288.9U patent/CN213802662U/zh not_active Expired - Fee Related
Similar Documents
| Publication | Publication Date | Title |
|---|---|---|
| CN213478215U (zh) | 一种用于暗挖隧道内挖设注浆孔的设备 | |
| CN116971719B (zh) | 门式桩机及灌注桩施工工法 | |
| CN213802662U (zh) | 一种用于挖机修理的便携式起重装置 | |
| CN214532784U (zh) | 举升锚固护坡钻孔机 | |
| CN112854772A (zh) | 一种建筑装配式墙板安装机 | |
| CN104727817B (zh) | 掘装一体机 | |
| CN113152547B (zh) | 一种基坑快速开挖设备及开挖方法 | |
| CN212463937U (zh) | 一种土壤修复用可调节式翻土装置 | |
| CN210151806U (zh) | 一种板式地锚施工机 | |
| CN217760864U (zh) | 便携式挖孔桩挖土装置 | |
| US1973136A (en) | Excavating machine | |
| WO2025025386A1 (zh) | 门式桩机及灌注桩施工工法 | |
| CN117378455A (zh) | 一种挖树装置及挖树方法 | |
| CN216920487U (zh) | 一种挖掘动臂与斗连接销轴定位安装工装 | |
| CN215256172U (zh) | 矿用巷道开槽机 | |
| CN214657024U (zh) | 一种基坑锚索切割机 | |
| CN220789894U (zh) | 一种可快速组装的挖掘机动臂 | |
| GB2106952A (en) | Improvements relating to auger equipment | |
| CN114933251A (zh) | 一种具有双索抓斗的流动式起重机 | |
| CN218665088U (zh) | 一种吊管机便于拆卸的配重装置 | |
| CN222843420U (zh) | 一种挖斗焊接用固定装置 | |
| JPH0953251A (ja) | 掘削作業車両 | |
| CN216687272U (zh) | 一种新型手护压路机提升机构 | |
| CN221030382U (zh) | 抓斗体和地下连续墙装置 | |
| CN217630169U (zh) | 一种装载机前车架的定位工装 |
Legal Events
| Date | Code | Title | Description |
|---|---|---|---|
| GR01 | Patent grant | ||
| GR01 | Patent grant | ||
| CF01 | Termination of patent right due to non-payment of annual fee | ||
| CF01 | Termination of patent right due to non-payment of annual fee |
Granted publication date: 20210727 |