CN213795592U - 一种加工生产金刚石锯片的打磨设备 - Google Patents

一种加工生产金刚石锯片的打磨设备 Download PDF

Info

Publication number
CN213795592U
CN213795592U CN202022216854.7U CN202022216854U CN213795592U CN 213795592 U CN213795592 U CN 213795592U CN 202022216854 U CN202022216854 U CN 202022216854U CN 213795592 U CN213795592 U CN 213795592U
Authority
CN
China
Prior art keywords
screw rod
motor
grinding
transmission shaft
length direction
Prior art date
Legal status (The legal status is an assumption and is not a legal conclusion. Google has not performed a legal analysis and makes no representation as to the accuracy of the status listed.)
Expired - Fee Related
Application number
CN202022216854.7U
Other languages
English (en)
Inventor
丁建刚
刘勇
葛成奇
张洪涛
Current Assignee (The listed assignees may be inaccurate. Google has not performed a legal analysis and makes no representation or warranty as to the accuracy of the list.)
Jiangsu Naiqi Diamond Tools Co ltd
Original Assignee
Jiangsu Naiqi Diamond Tools Co ltd
Priority date (The priority date is an assumption and is not a legal conclusion. Google has not performed a legal analysis and makes no representation as to the accuracy of the date listed.)
Filing date
Publication date
Application filed by Jiangsu Naiqi Diamond Tools Co ltd filed Critical Jiangsu Naiqi Diamond Tools Co ltd
Priority to CN202022216854.7U priority Critical patent/CN213795592U/zh
Application granted granted Critical
Publication of CN213795592U publication Critical patent/CN213795592U/zh
Expired - Fee Related legal-status Critical Current
Anticipated expiration legal-status Critical

Links

Images

Landscapes

  • Finish Polishing, Edge Sharpening, And Grinding By Specific Grinding Devices (AREA)

Abstract

本实用新型公开了一种加工生产金刚石锯片的打磨设备,涉及金刚石锯片打磨领域,包括机体,所述机体包括桌面板及支撑腿,所述桌面板上端设有机壳,所述桌面板上端设有砂轮磨削组件及送料机构,所述砂轮磨削组件包括第一传动轴、第二传动轴、筒形连接架、砂轮片及从动带轮,所述送料机构包括第一条形凹槽、第一丝杆、第一丝杆滑座、位移座、第二条形凹槽、第二丝杆、第二丝杆滑座、支撑架、圆盘形气缸安装架及定位气缸,所述桌面板位置下方设有辅助支架,所述辅助支架上端设有电机及集尘壳体。该打磨设备实现金刚石锯片内置加工,实现金刚石锯片机械化上下料,实现待磨削加工锯片位置的灵活调控。

Description

一种加工生产金刚石锯片的打磨设备
技术领域
本实用新型涉及金刚石锯片打磨领域,具体涉及一种加工生产金刚石锯片的打磨设备。
背景技术
金刚石锯片在生产过程中需要进行加工打磨操作,现有打磨设备在实现金刚石锯片磨削加工时,会产生大量的粉尘颗粒,粉尘颗粒如若不及时清除,会给操作人员身体健康造成极大的危害。金刚石锯片在实现磨削加工时,通常为人工手持或位置紧固,人工手持锯片或锯片位置紧固进行磨削加工时,不仅会增加人工负担,还会使得锯片磨削加工时存在诸多不便,降低磨削加工效率。因此,现在需要一种新的方案。
发明内容
为解决上述问题,本实用新型公开了一种加工生产金刚石锯片的打磨设备,该打磨设备实现金刚石锯片内置加工,起到环保除尘作用,使得设备操作环境得到有效保障。实现金刚石锯片机械化上下料,实现待磨削加工锯片位置的灵活调控,在方便锯片磨削加工的同时,还大大提高了锯片磨削加工效率。
为了达到以上目的,本实用新型提供如下技术方案:一种加工生产金刚石锯片的打磨设备,包括机体,所述机体包括桌面板及桌面板下端均匀竖直固定设有的支撑腿,所述桌面板上端设有机壳,所述桌面板长度方向一侧上端设有砂轮磨削组件、另一侧上端设有送料机构,所述砂轮磨削组件包括所述桌面板上端中侧且沿其宽度方向设有的第一传动轴、第一传动轴沿其长度方向位置两侧旁均分别设有的第二传动轴、第一传动轴与第二传动轴之间均分别设有的筒形连接架、第二传动轴对应第一传动轴位置另一侧端外部均分别套有的砂轮片及第一传动轴长度方向中侧外部套有的从动带轮,所述送料机构包括所述桌面板上端且对应所述砂轮片位置均分别开有的第一条形凹槽、第一条形凹槽内均设有的第一丝杆及第一丝杆滑座、第一丝杆滑座上端均固定设有的位移座、位移座上端且沿其长度方向均分别开有的第二条形凹槽、第二条形凹槽内均设有的第二丝杆及第二丝杆滑座、第二丝杆滑座长度方向两侧上端均竖直固定设有的支撑架、支撑架沿第二丝杆滑座长度方向相对应端端壁顶侧均活动设有的圆盘形气缸安装架及圆盘形气缸安装架沿第二丝杆滑座长度方向相对应端中部均固定设有的定位气缸,所述桌面板位置下方且位于所述支撑腿之间固定设有辅助支架,所述辅助支架上端设有第一电机及集尘壳体。
作为本实用新型的一种改进,所述机壳对应所述砂轮磨削组件位置另一侧端开口无端板设计,所述筒形连接架内端口径均大于所述第一传动轴、第二传动轴横截面直径,所述筒形连接架长度方向两侧外端壁上均分别等弧度均匀开有连接螺孔,且所述连接螺孔内均分别拧入有连接螺钉,所述第一条形凹槽均沿所述桌面板长度方向开设,所述第一丝杆均活动贯穿所述第一丝杆滑座设置,所述第一丝杆滑座活动贯穿处内端壁与所述第一丝杆外部之间均分别设有第一丝杆传动组件,所述第一丝杆对应所述砂轮磨削组件位置另一侧端端部均活动贯穿所述第一条形凹槽内端壁伸出,且其伸出端端部均外接有第二电机,所述位移座、第二丝杆滑座均沿所述桌面板宽度方向设置,所述第二丝杆均活动贯穿所述第二丝杆滑座设置,所述第二丝杆滑座活动贯穿处内端壁与所述第二丝杆外部之间均分别设有第二丝杆传动组件,所述第二丝杆均长度方向一端端部活动贯穿所述第二条形凹槽内端壁伸出,且其伸出端端部均分别外接有第三电机。第一丝杆传动组件、第二丝杆传动组件均采用现有丝杆传动原理技术设计。
作为本实用新型的一种改进,所述第二丝杆滑座长度方向一侧设有第四电机且所述第四电机输出轴活动贯穿与其相靠近的支撑架底端部设置,所述第四电机输出轴外部且对应圆盘形气缸安装架位置套有传动齿轮,位于传动齿轮位置正上方的圆盘形气缸安装架外侧圆周端壁上等弧度均匀开有传动齿槽,所述传动齿轮外部的轮齿与所述传动齿槽相互之间啮合传动,所述定位气缸伸缩端端部均固定设有定位块。第一电机、第二电机、第三电机、第四电机均为旋转电机。
作为本实用新型的一种改进,所述第一电机输出轴外部套有主动带轮,所述主动带轮与所述从动带轮外部之间套有皮带,所述皮带活动贯穿所述桌面板设置,所述机壳内顶端且对应所述砂轮片位置均分别设有集尘罩体,所述集尘壳体设于所述第一电机位置侧旁,所述集尘壳体对应所述第一电机位置一侧外端壁上设有通风壳体,所述第一电机输出轴伸进所述通风壳体内,所述通风壳体内且位于所述第一电机输出轴外部均匀设有扇叶,所述通风壳体与所述集尘壳体之间开有通风孔,所述集尘壳体内且对应所述通风孔位置设有网罩,所述集尘罩体均通过管道与所述集尘壳体相连通,所述通风壳体对应所述第一电机位置一侧端壁上开有排风口。
相对于现有技术,本实用新型具有如下优点:该打磨设备实现金刚石锯片内置加工,起到环保除尘作用,使得设备操作环境得到有效保障。设有的送料机构可实现锯片机械化上下料及其位置的灵活调控,在方便其磨削加工的同时,还大大提高了磨削加工效率。
附图说明
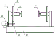
图1为本实用新型一种加工生产金刚石锯片的打磨设备整体结构示意图;
图2为所述桌面板上端结构示意图;
图3为所述第二丝杆滑座上端结构示意图;
图4为所述第一电机传动结构示意图;
附图标记列表:1、桌面板;2、机壳;3、砂轮磨削组件;4、送料机构;5、第一传动轴;6、第二传动轴;7、筒形连接架;8、砂轮片;9、从动带轮;10、第一条形凹槽;11、第一丝杆;12、第一丝杆滑座;13、位移座;14、第二条形凹槽;15、第二丝杆;16、第二丝杆滑座;17、支撑架;18、圆盘形气缸安装架;19、定位气缸;20、辅助支架;21、第一电机;22、集尘壳体;23、第二电机;24、第三电机;25、第四电机;26、传动齿轮;27、定位块;28、主动带轮;29、皮带;30、集尘罩体;31、通风壳体;32、扇叶;33、网罩。
具体实施方式
实施例1:参见图1、图2、图3、图4,现对本实用新型提供的一种加工生产金刚石锯片的打磨设备进行说明,包括机体,所述机体包括桌面板1及桌面板1下端均匀竖直固定设有的支撑腿,所述桌面板1上端设有机壳2,所述桌面板1长度方向一侧上端设有砂轮磨削组件3、另一侧上端设有送料机构4,所述砂轮磨削组件3包括所述桌面板1上端中侧且沿其宽度方向设有的第一传动轴5、第一传动轴5沿其长度方向位置两侧旁均分别设有的第二传动轴6、第一传动轴5与第二传动轴6之间均分别设有的筒形连接架7、第二传动轴6对应第一传动轴5位置另一侧端外部均分别套有的砂轮片8及第一传动轴5长度方向中侧外部套有的从动带轮9,所述送料机构4包括所述桌面板1上端且对应所述砂轮片8位置均分别开有的第一条形凹槽10、第一条形凹槽10内均设有的第一丝杆11及第一丝杆滑座12、第一丝杆滑座12上端均固定设有的位移座13、位移座13上端且沿其长度方向均分别开有的第二条形凹槽14、第二条形凹槽14内均设有的第二丝杆15及第二丝杆滑座16、第二丝杆滑座16长度方向两侧上端均竖直固定设有的支撑架17、支撑架17沿第二丝杆滑座16长度方向相对应端端壁顶侧均活动设有的圆盘形气缸安装架18及圆盘形气缸安装架18沿第二丝杆滑座16长度方向相对应端中部均固定设有的定位气缸19,所述桌面板1位置下方且位于所述支撑腿之间固定设有辅助支架20,所述辅助支架20上端设有第一电机21及集尘壳体22。
实施例2:参见图1、图2,现对本实用新型提供的一种加工生产金刚石锯片的打磨设备进行说明,所述机壳2对应所述砂轮磨削组件3位置另一侧端开口无端板设计,所述筒形连接架7内端口径均大于所述第一传动轴5、第二传动轴6横截面直径,所述筒形连接架7长度方向两侧外端壁上均分别等弧度均匀开有连接螺孔,且所述连接螺孔内均分别拧入有连接螺钉,所述第一条形凹槽10均沿所述桌面板1长度方向开设,所述第一丝杆11均活动贯穿所述第一丝杆滑座12设置,所述第一丝杆滑座12活动贯穿处内端壁与所述第一丝杆11外部之间均分别设有第一丝杆传动组件,所述第一丝杆11对应所述砂轮磨削组件3位置另一侧端端部均活动贯穿所述第一条形凹槽10内端壁伸出,且其伸出端端部均外接有第二电机23,所述位移座13、第二丝杆滑座16均沿所述桌面板1宽度方向设置,所述第二丝杆15均活动贯穿所述第二丝杆滑座16设置,所述第二丝杆滑座16活动贯穿处内端壁与所述第二丝杆15外部之间均分别设有第二丝杆传动组件,所述第二丝杆15均长度方向一端端部活动贯穿所述第二条形凹槽14内端壁伸出,且其伸出端端部均分别外接有第三电机24。
实施例3:参见图1、图3,现对本实用新型提供的一种加工生产金刚石锯片的打磨设备进行说明,所述第二丝杆滑座16长度方向一侧设有第四电机25且所述第四电机25输出轴活动贯穿与其相靠近的支撑架17底端部设置,所述第四电机25输出轴外部且对应圆盘形气缸安装架18位置套有传动齿轮26,位于传动齿轮26位置正上方的圆盘形气缸安装架18外侧圆周端壁上等弧度均匀开有传动齿槽,所述传动齿轮26外部的轮齿与所述传动齿槽相互之间啮合传动,所述定位气缸19伸缩端端部均固定设有定位块27。
实施例4:参见图1、图2、图4,现对本实用新型提供的一种加工生产金刚石锯片的打磨设备进行说明,所述第一电机21输出轴外部套有主动带轮28,所述主动带轮28与所述从动带轮9外部之间套有皮带29,所述皮带29活动贯穿所述桌面板1设置,所述机壳2内顶端且对应所述砂轮片8位置均分别设有集尘罩体30,所述集尘壳体22设于所述第一电机21位置侧旁,所述集尘壳体22对应所述第一电机21位置一侧外端壁上设有通风壳体31,所述第一电机21输出轴伸进所述通风壳体31内,所述通风壳体31内且位于所述第一电机21输出轴外部均匀设有扇叶32,所述通风壳体31与所述集尘壳体22之间开有通风孔,所述集尘壳体22内且对应所述通风孔位置设有网罩33,所述集尘罩体30均通过管道与所述集尘壳体22相连通,所述通风壳体31对应所述第一电机21位置一侧端壁上开有排风口。
本实用新型还可以将实施例2、3、4所述技术特征中的至少一个与实施例1组合形成新的实施方式。
工作原理:待磨削加工的金刚石锯片通过定位气缸带动定位块运动,可实现位置的夹紧紧固。第一电机运作通过主动带轮、皮带、从动带轮、第一传动轴、第二传动轴可带动砂轮片转动,砂轮片的转动实现金刚石锯片磨削加工。第一电机运作通过主动带轮、皮带、从动带轮可带动第一传动轴转动,第一传动轴通过筒形连接架及连接螺钉可实现与第二传动轴的紧固连接,第一传动轴的转动可带动第二传动轴转动,第二传动轴带动砂轮片转动。第二电机运作可带动第一丝杆转动,第一丝杆的转动通过第一丝杆传动组件可带动第一丝杆滑座沿第一丝杆长度方向往返运动,第一丝杆滑座的运动可实现待磨削加工金刚石锯片位置的一次调控。第三电机运作可带动第二丝杆转动,第二丝杆的转动通过第二丝杆传动组件可带动第二丝杆滑座沿第二丝杆长度方向往返运动,第二丝杆滑座的运动可实现待磨削加工金刚石锯片位置的二次调控。第四电机运作通过传动齿轮、传动齿槽可带动圆盘形气缸安装架转动,从而可以带动待磨削加工金刚石锯片的转动。金刚石锯片磨削加工时会产生大量的粉尘颗粒,第一电机运作可带动扇叶转动,扇叶的转动可实现空气导流作用。扇叶的转动可使得集尘壳体内部产生负压,金刚石锯片加工所产生的颗粒会通过管道导入集尘壳体内,再通过网罩实现过滤。扇叶的转动会使得空气对着第一电机吹,还可以实现第一电机散热作用。
本实用新型方案所公开的技术手段不仅限于上述实施方式所公开的技术手段,还包括由以上技术特征任意组合所组成的技术方案。应当指出,对于本技术领域的普通技术人员来说,在不脱离本实用新型原理的前提下,还可以做出若干改进和润饰,这些改进和润饰也视为本实用新型的保护范围。

Claims (4)

1.一种加工生产金刚石锯片的打磨设备,包括机体,所述机体包括桌面板(1)及桌面板(1)下端均匀竖直固定设有的支撑腿,其特征在于,所述桌面板(1)上端设有机壳(2),所述桌面板(1)长度方向一侧上端设有砂轮磨削组件(3)、另一侧上端设有送料机构(4),所述砂轮磨削组件(3)包括所述桌面板(1)上端中侧且沿其宽度方向设有的第一传动轴(5)、第一传动轴(5)沿其长度方向位置两侧旁均分别设有的第二传动轴(6)、第一传动轴(5)与第二传动轴(6)之间均分别设有的筒形连接架(7)、第二传动轴(6)对应第一传动轴(5)位置另一侧端外部均分别套有的砂轮片(8)及第一传动轴(5)长度方向中侧外部套有的从动带轮(9),所述送料机构(4)包括所述桌面板(1)上端且对应所述砂轮片(8)位置均分别开有的第一条形凹槽(10)、第一条形凹槽(10)内均设有的第一丝杆(11)及第一丝杆滑座(12)、第一丝杆滑座(12)上端均固定设有的位移座(13)、位移座(13)上端且沿其长度方向均分别开有的第二条形凹槽(14)、第二条形凹槽(14)内均设有的第二丝杆(15)及第二丝杆滑座(16)、第二丝杆滑座(16)长度方向两侧上端均竖直固定设有的支撑架(17)、支撑架(17)沿第二丝杆滑座(16)长度方向相对应端端壁顶侧均活动设有的圆盘形气缸安装架(18)及圆盘形气缸安装架(18)沿第二丝杆滑座(16)长度方向相对应端中部均固定设有的定位气缸(19),所述桌面板(1)位置下方且位于所述支撑腿之间固定设有辅助支架(20),所述辅助支架(20)上端设有第一电机(21)及集尘壳体(22)。
2.根据权利要求1所述的一种加工生产金刚石锯片的打磨设备,其特征在于:所述机壳(2)对应所述砂轮磨削组件(3)位置另一侧端开口无端板设计,所述筒形连接架(7)内端口径均大于所述第一传动轴(5)、第二传动轴(6)横截面直径,所述筒形连接架(7)长度方向两侧外端壁上均分别等弧度均匀开有连接螺孔,且所述连接螺孔内均分别拧入有连接螺钉,所述第一条形凹槽(10)均沿所述桌面板(1)长度方向开设,所述第一丝杆(11)均活动贯穿所述第一丝杆滑座(12)设置,所述第一丝杆滑座(12)活动贯穿处内端壁与所述第一丝杆(11)外部之间均分别设有第一丝杆传动组件,所述第一丝杆(11)对应所述砂轮磨削组件(3)位置另一侧端端部均活动贯穿所述第一条形凹槽(10)内端壁伸出,且其伸出端端部均外接有第二电机(23),所述位移座(13)、第二丝杆滑座(16)均沿所述桌面板(1)宽度方向设置,所述第二丝杆(15)均活动贯穿所述第二丝杆滑座(16)设置,所述第二丝杆滑座(16)活动贯穿处内端壁与所述第二丝杆(15)外部之间均分别设有第二丝杆传动组件,所述第二丝杆(15)均长度方向一端端部活动贯穿所述第二条形凹槽(14)内端壁伸出,且其伸出端端部均分别外接有第三电机(24)。
3.根据权利要求2所述的一种加工生产金刚石锯片的打磨设备,其特征在于:所述第二丝杆滑座(16)长度方向一侧设有第四电机(25)且所述第四电机(25)输出轴活动贯穿与其相靠近的支撑架(17)底端部设置,所述第四电机(25)输出轴外部且对应圆盘形气缸安装架(18)位置套有传动齿轮(26),位于传动齿轮(26)位置正上方的圆盘形气缸安装架(18)外侧圆周端壁上等弧度均匀开有传动齿槽,所述传动齿轮(26)外部的轮齿与所述传动齿槽相互之间啮合传动,所述定位气缸(19)伸缩端端部均固定设有定位块(27)。
4.根据权利要求1所述的一种加工生产金刚石锯片的打磨设备,其特征在于:所述第一电机(21)输出轴外部套有主动带轮(28),所述主动带轮(28)与所述从动带轮(9)外部之间套有皮带(29),所述皮带(29)活动贯穿所述桌面板(1)设置,所述机壳(2)内顶端且对应所述砂轮片(8)位置均分别设有集尘罩体(30),所述集尘壳体(22)设于所述第一电机(21)位置侧旁,所述集尘壳体(22)对应所述第一电机(21)位置一侧外端壁上设有通风壳体(31),所述第一电机(21)输出轴伸进所述通风壳体(31)内,所述通风壳体(31)内且位于所述第一电机(21)输出轴外部均匀设有扇叶(32),所述通风壳体(31)与所述集尘壳体(22)之间开有通风孔,所述集尘壳体(22)内且对应所述通风孔位置设有网罩(33),所述集尘罩体(30)均通过管道与所述集尘壳体(22)相连通,所述通风壳体(31)对应所述第一电机(21)位置一侧端壁上开有排风口。
CN202022216854.7U 2020-10-09 2020-10-09 一种加工生产金刚石锯片的打磨设备 Expired - Fee Related CN213795592U (zh)

Priority Applications (1)

Application Number Priority Date Filing Date Title
CN202022216854.7U CN213795592U (zh) 2020-10-09 2020-10-09 一种加工生产金刚石锯片的打磨设备

Applications Claiming Priority (1)

Application Number Priority Date Filing Date Title
CN202022216854.7U CN213795592U (zh) 2020-10-09 2020-10-09 一种加工生产金刚石锯片的打磨设备

Publications (1)

Publication Number Publication Date
CN213795592U true CN213795592U (zh) 2021-07-27

Family

ID=76956736

Family Applications (1)

Application Number Title Priority Date Filing Date
CN202022216854.7U Expired - Fee Related CN213795592U (zh) 2020-10-09 2020-10-09 一种加工生产金刚石锯片的打磨设备

Country Status (1)

Country Link
CN (1) CN213795592U (zh)

Cited By (1)

* Cited by examiner, † Cited by third party
Publication number Priority date Publication date Assignee Title
CN113681448A (zh) * 2021-08-18 2021-11-23 无锡钱桥纺机设备有限公司 一种槽筒轴打磨机

Cited By (1)

* Cited by examiner, † Cited by third party
Publication number Priority date Publication date Assignee Title
CN113681448A (zh) * 2021-08-18 2021-11-23 无锡钱桥纺机设备有限公司 一种槽筒轴打磨机

Similar Documents

Publication Publication Date Title
CN213795592U (zh) 一种加工生产金刚石锯片的打磨设备
CN111546258A (zh) 一种车桥加工用夹持装置
CN208913632U (zh) 一种五金拉手钻孔装置
CN213470584U (zh) 一种滑轮机械加工用端面去毛刺装置
CN215942378U (zh) 一种笔记本电脑外壳毛边修理装置
CN112975402A (zh) 用于电机零部件制造加工用钻孔磨光机
CN214817805U (zh) 一种钢化玻璃边角柔性磨边机
CN212144814U (zh) 一种齿轮加工用插齿装置
CN112157514A (zh) 一种滑轮机械加工用端面去毛刺装置
CN213410450U (zh) 一种便于五金工具加工用的钻孔装置
CN208853851U (zh) 一种石油压裂车的压力泵阀箱加工用切割设备
CN112355822B (zh) 一种刹车片用加工设备
CN217492963U (zh) 一种可调节曲线齿轮加工直径的曲线齿轮加工刀具
CN212471736U (zh) 一种自动化裁断机
CN213615918U (zh) 一种环保型砂轮机
CN210307145U (zh) 一种具有除尘功能的磨床
CN213615811U (zh) 一种防爆砂轮机
CN210147725U (zh) 一种环保型砂轮机
CN214869540U (zh) 一种汽车零部件打磨设备
CN210730819U (zh) 一种电线电缆用加工设备
CN209380464U (zh) 钢丝除锈机
CN212470701U (zh) 一种裁断机工作台用清理装置
CN213615622U (zh) 一种砂轮机打磨工作平台
CN222791539U (zh) 一种压缩机轴推力面打磨装置
CN112059819B (zh) 一种便于调节的砂轮机

Legal Events

Date Code Title Description
GR01 Patent grant
GR01 Patent grant
CF01 Termination of patent right due to non-payment of annual fee
CF01 Termination of patent right due to non-payment of annual fee

Granted publication date: 20210727