CN213791069U - Automatic batching system - Google Patents

Automatic batching system Download PDF

Info

Publication number
CN213791069U
CN213791069U CN202021935477.6U CN202021935477U CN213791069U CN 213791069 U CN213791069 U CN 213791069U CN 202021935477 U CN202021935477 U CN 202021935477U CN 213791069 U CN213791069 U CN 213791069U
Authority
CN
China
Prior art keywords
mixing tank
speed mixing
water
pipe
heating
Prior art date
Legal status (The legal status is an assumption and is not a legal conclusion. Google has not performed a legal analysis and makes no representation as to the accuracy of the status listed.)
Expired - Fee Related
Application number
CN202021935477.6U
Other languages
Chinese (zh)
Inventor
赵正达
龚常海
仇晨
Current Assignee (The listed assignees may be inaccurate. Google has not performed a legal analysis and makes no representation or warranty as to the accuracy of the list.)
Yangzhou Changhai Food Machinery Co ltd
Original Assignee
Yangzhou Changhai Food Machinery Co ltd
Priority date (The priority date is an assumption and is not a legal conclusion. Google has not performed a legal analysis and makes no representation as to the accuracy of the date listed.)
Filing date
Publication date
Application filed by Yangzhou Changhai Food Machinery Co ltd filed Critical Yangzhou Changhai Food Machinery Co ltd
Priority to CN202021935477.6U priority Critical patent/CN213791069U/en
Application granted granted Critical
Publication of CN213791069U publication Critical patent/CN213791069U/en
Expired - Fee Related legal-status Critical Current
Anticipated expiration legal-status Critical

Links

Images

Landscapes

  • Accessories For Mixers (AREA)

Abstract

本实用新型提供了一种自动配料系统,涉及食品生产技术领域,包括定量进料装置包括数个定容罐,定容罐上设置有出料口,出料口连接出料管,每根出料管上均设置有计量泵;高速混料罐,高速混料罐上设置数个进料口,所述计量泵上连接的出料管连接至高速混料罐的进料口;循环加热装置包括水加热器,设置在高速混料罐以及定容罐内的加热装置,该加热装置为设置在高速混料罐以及定容罐壳体内的加热管,加热管为金属加热管,所述加热管上设置有进、出水口,所述水加热器上设置有出水口,所述出水口通过水管连接至加热管进水口,且水管上设置有水泵。

Figure 202021935477

The utility model provides an automatic batching system and relates to the technical field of food production. A metering pump is arranged on the material pipe; a high-speed mixing tank is provided with several feeding ports, and the discharge pipe connected to the metering pump is connected to the feeding port of the high-speed mixing tank; a circulating heating device Including a water heater, a heating device arranged in the high-speed mixing tank and the constant volume tank, the heating device is a heating tube arranged in the high-speed mixing tank and the constant volume tank shell, the heating tube is a metal heating tube, and the heating A water inlet and a water outlet are arranged on the pipe, and a water outlet is arranged on the water heater. The water outlet is connected to the water inlet of the heating pipe through a water pipe, and a water pump is arranged on the water pipe.

Figure 202021935477

Description

Automatic batching system
Technical Field
The utility model relates to a food production technical field, concretely relates to automatic batching system.
Background
In food production, need handle the raw materials usually, carry out abundant mixture with different raw materials, the process of this mixture is gone on usually in high-speed blendor, but the joining of the raw materials during compounding still needs the manual work to add, and this process is not only great to the physical demands, and simultaneously, need carry out accurate control to the add volume of raw materials to prevent producing the deviation, in order to improve the efficiency of compounding, generally need design automatic material conveying's device, the efficiency of control compounding.
SUMMERY OF THE UTILITY MODEL
In order to overcome the defects of the prior art, the utility model provides a novel automatic batching system, which can solve the technical problem in the background art.
The utility model discloses a following technical scheme realizes: an automatic batching system comprises a quantitative feeding device, a circulating heating device and a stirring device;
the quantitative feeding device comprises a plurality of constant volume tanks, discharge ports are arranged on the constant volume tanks and connected with discharge pipes, and a metering pump is arranged on each discharge pipe;
the stirring device is a high-speed mixing tank, a stirrer is arranged in the high-speed mixing tank, the stirrer is arranged at the tail of the high-speed mixing tank, the stirrer is fixed on a stirring shaft, the stirring shaft extends out of the high-speed mixing tank, a belt pulley is arranged at the tail of the stirring shaft, and the stirring shaft and an external motor are driven by a belt;
a plurality of feed inlets are formed in the high-speed mixing tank, and a discharge pipe connected to the metering pump is connected to the feed inlets of the high-speed mixing tank;
the circulation heating device comprises a water heater, a heating device is arranged in the high-speed mixing tank and the constant volume tank, the heating device is a heating pipe arranged in the high-speed mixing tank and the constant volume tank shell, the heating pipe is a metal heating pipe, a water inlet and a water outlet are arranged on the heating pipe, a water outlet is arranged on the water heater, the water outlet is connected to a water inlet of the heating pipe through a water pipe, and a water pump is arranged on the water pipe.
Preferably, a cleaning pipe is arranged at the top of the high-speed mixing tank.
Preferably, a manhole is arranged on the high-speed mixing tank, a manhole cover plate is arranged on the manhole, and the manhole cover plate is hinged and fixed.
The utility model discloses for prior art, place in the constant volume jar and wait to mix the raw materials, the constant volume jar can heat, and in the high-speed compounding jar of raw materials suction of rethread measuring pump in with the constant volume jar, the measuring pump can calculate the flow, through controlling the pump time control pump go into the raw materials quality in the compounding jar, accomplishes the batching, has the efficient advantage of batching.
Drawings
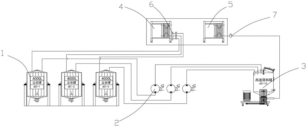
FIG. 1 is a schematic structural view of the present invention;
fig. 2 is a schematic structural diagram of a high-speed mixing tank.
In the figure: 1. a constant volume tank; 2. a metering pump; 3. a high-speed mixing tank; 31. a feed inlet; 32. cleaning the tube; 33. A manhole; 34. an electric motor; 35. a belt; 36. a stirring shaft; 37. a stirrer; 4. a first heater; 6. a second heater; 6. a discharge port; 7. and (4) a water pump.
Detailed Description
The present invention will be further described with reference to the accompanying drawings and the detailed description, and it should be noted that the embodiments or technical features described below can be arbitrarily combined to form a new embodiment without conflict.
An automatic batching system as shown in fig. 1 and fig. 2 comprises a quantitative feeding device, a circulating heating device and a stirring device;
the quantitative feeding device comprises a plurality of constant volume tanks 1, wherein discharge ports 6 are formed in the constant volume tanks 1, the discharge ports 6 are connected with discharge pipes, and each discharge pipe is provided with a metering pump 2;
the stirring device is a high-speed mixing tank 3, a stirrer 37 is arranged inside the high-speed mixing tank 3, the stirrer 37 is arranged at the tail of the high-speed mixing tank 3, the stirrer 37 is fixed on a stirring shaft 36, the stirring shaft 36 extends out of the high-speed mixing tank 3, a belt 35 wheel is arranged at the tail of the stirring shaft 36, and the stirring shaft 36 and an external motor 34 are driven by the belt 35;
a plurality of feed inlets 31 are formed in the high-speed mixing tank 3, and a discharge pipe connected to the metering pump 2 is connected to the feed inlets 31 of the high-speed mixing tank 3;
the circulation heating device comprises a water heater, wherein the water heater is divided into a first heater 4 and a second heater 6, the first heater and the second heater respectively heat the high-speed mixing tank 3 and the constant volume tank 1, the circulation heating device further comprises a heating device arranged in the high-speed mixing tank 3 and the constant volume tank 1, the heating device is a heating pipe arranged in the high-speed mixing tank 3 and the constant volume tank 1, the heating pipe is a metal heating pipe, a water inlet and a water outlet are arranged on the heating pipe, a water outlet is arranged on the water heater, the water outlet is connected to a water inlet of the heating pipe through a water pipe, and a water pump 7 is arranged on the water pipe.
The water heating device in the high-speed mixing tank 3 and the constant volume tank 1 of this part is the water heating device among the prior art, generally through the surface at the device or the inside water pipe that is used for rivers to pass through that sets up of device, and the water pipe adopts metal water pipe and device to fully laminate, heats the device through heat transfer, because the device is comparatively conventional, so do not show in the picture.
The principle of the device is as follows: place in the constant volume jar 1 and wait to mix the raw materials, constant volume jar 1 can heat, in rethread measuring pump 2 with the high-speed compounding jar 3 of raw materials suction in the constant volume jar 1, the flow can be calculated to measuring pump 2, through controlling the raw materials quality of pump time control pump income in the compounding jar, accomplish the batching, simultaneously, heat constant volume jar 1 and high-speed compounding jar 3 respectively through water heating device for the material mixes under suitable temperature.
Further, a cleaning pipe 32 is arranged at the top of the high-speed mixing tank 3. The cleaning tank can be filled with water to spray and spray the inside of the high-speed mixing tank 3.
Further, a manhole 33 is arranged on the high-speed mixing tank 3, a manhole 33 cover plate is arranged on the manhole 33, and the manhole 33 cover plate is hinged and fixed. The manhole 33 is arranged to facilitate the maintenance of the high-speed mixing tank 3.
The above embodiments are only preferred embodiments of the present invention, and the protection scope of the present invention cannot be limited thereby, and any insubstantial changes and substitutions made by those skilled in the art based on the present invention are all within the protection scope of the present invention.

Claims (3)

1. An automatic batching system which characterized in that: comprises a quantitative feeding device, a circulating heating device and a stirring device;
the quantitative feeding device comprises a plurality of constant volume tanks, discharge ports are arranged on the constant volume tanks and connected with discharge pipes, and a metering pump is arranged on each discharge pipe;
the stirring device is a high-speed mixing tank, a stirrer is arranged in the high-speed mixing tank, the stirrer is arranged at the tail of the high-speed mixing tank, the stirrer is fixed on a stirring shaft, the stirring shaft extends out of the high-speed mixing tank, a belt pulley is arranged at the tail of the stirring shaft, and the stirring shaft and an external motor are driven by a belt;
a plurality of feed inlets are formed in the high-speed mixing tank, and a discharge pipe connected to the metering pump is connected to the feed inlets of the high-speed mixing tank;
the circulation heating device comprises a water heater, a heating device is arranged in the high-speed mixing tank and the constant volume tank, the heating device is a heating pipe arranged in the high-speed mixing tank and the constant volume tank shell, the heating pipe is a metal heating pipe, a water inlet and a water outlet are arranged on the heating pipe, a water outlet is arranged on the water heater, the water outlet is connected to a water inlet of the heating pipe through a water pipe, and a water pump is arranged on the water pipe.
2. An automated compounding system according to claim 1, wherein: and a cleaning pipe is arranged at the top of the high-speed mixing tank.
3. An automated compounding system according to claim 1, wherein: the high-speed mixing tank is provided with a manhole, the manhole is provided with a manhole cover plate, and the manhole cover plate is hinged and fixed.
CN202021935477.6U 2020-09-07 2020-09-07 Automatic batching system Expired - Fee Related CN213791069U (en)

Priority Applications (1)

Application Number Priority Date Filing Date Title
CN202021935477.6U CN213791069U (en) 2020-09-07 2020-09-07 Automatic batching system

Applications Claiming Priority (1)

Application Number Priority Date Filing Date Title
CN202021935477.6U CN213791069U (en) 2020-09-07 2020-09-07 Automatic batching system

Publications (1)

Publication Number Publication Date
CN213791069U true CN213791069U (en) 2021-07-27

Family

ID=76952709

Family Applications (1)

Application Number Title Priority Date Filing Date
CN202021935477.6U Expired - Fee Related CN213791069U (en) 2020-09-07 2020-09-07 Automatic batching system

Country Status (1)

Country Link
CN (1) CN213791069U (en)

Cited By (1)

* Cited by examiner, † Cited by third party
Publication number Priority date Publication date Assignee Title
CN115646346A (en) * 2022-12-28 2023-01-31 南京伊扬化妆品有限公司 Facial mask production is with facial mask device of soaking

Cited By (2)

* Cited by examiner, † Cited by third party
Publication number Priority date Publication date Assignee Title
CN115646346A (en) * 2022-12-28 2023-01-31 南京伊扬化妆品有限公司 Facial mask production is with facial mask device of soaking
CN115646346B (en) * 2022-12-28 2024-03-01 南京伊扬化妆品有限公司 Mask soaking device for mask production

Similar Documents

Publication Publication Date Title
CN104258780B (en) A kind of mixed liquid concentration device for formulating
CN212395933U (en) Spiral stirring formula crystallization kettle
CN206008688U (en) A kind of circular response kettle
CN109351314A (en) A kind of novel reaction kettle
CN213791069U (en) Automatic batching system
CN204051598U (en) A kind of mixed liquid concentration device for formulating
CN209901211U (en) Full-automatic guniting system of mixing machine
CN109012454A (en) A kind of water treatment agent material high-efficiency mixing arrangement
CN208320772U (en) The automated production equipment of silicone oil
CN207576400U (en) A kind of reaction kettle
CN211026029U (en) Glue production system
CN210079514U (en) Solid-liquid circulation reaction device
CN210159603U (en) Amberginone condensation kettle capable of automatically metering and adding materials
CN213434255U (en) Asphalt stirring tank
CN209771943U (en) a agitating unit for rubber protective wax
CN210115032U (en) A smart material manufacturing equipment
CN114789013A (en) Multi-component full-automatic glue mixer
CN208003789U (en) A kind of novel fodder mixing arrangement
CN207694640U (en) A kind of automated material mixing plant with temperature control function
CN222239695U (en) A cobalt sulfate extraction device
CN206823250U (en) A kind of new Alcohol-settling tank
CN213966638U (en) Temperature-controllable chemical raw material reaction tank
CN221989019U (en) Asphalt mixing device for municipal road maintenance
CN222900798U (en) A stirring device for processing polyurethane adhesive
CN222057346U (en) A highly efficient mixing smoothing agent reactor

Legal Events

Date Code Title Description
GR01 Patent grant
GR01 Patent grant
CF01 Termination of patent right due to non-payment of annual fee

Granted publication date: 20210727