CN213726767U - 一种环保型建筑废料再生装置 - Google Patents

一种环保型建筑废料再生装置 Download PDF

Info

Publication number
CN213726767U
CN213726767U CN202022551614.2U CN202022551614U CN213726767U CN 213726767 U CN213726767 U CN 213726767U CN 202022551614 U CN202022551614 U CN 202022551614U CN 213726767 U CN213726767 U CN 213726767U
Authority
CN
China
Prior art keywords
crushing
wall
motor
belt
environment
Prior art date
Legal status (The legal status is an assumption and is not a legal conclusion. Google has not performed a legal analysis and makes no representation as to the accuracy of the status listed.)
Expired - Fee Related
Application number
CN202022551614.2U
Other languages
English (en)
Inventor
陈礼婧
Current Assignee (The listed assignees may be inaccurate. Google has not performed a legal analysis and makes no representation or warranty as to the accuracy of the list.)
Individual
Original Assignee
Individual
Priority date (The priority date is an assumption and is not a legal conclusion. Google has not performed a legal analysis and makes no representation as to the accuracy of the date listed.)
Filing date
Publication date
Application filed by Individual filed Critical Individual
Priority to CN202022551614.2U priority Critical patent/CN213726767U/zh
Application granted granted Critical
Publication of CN213726767U publication Critical patent/CN213726767U/zh
Expired - Fee Related legal-status Critical Current
Anticipated expiration legal-status Critical

Links

Images

Landscapes

  • Disintegrating Or Milling (AREA)

Abstract

本实用新型公开了一种环保型建筑废料再生装置,包括传送带、粉碎箱、搅拌罐和固定架,所述粉碎箱内设有两个粉碎辊,且两个粉碎辊外壁均焊接有等距离分布的粉碎块,所述粉碎箱顶部外壁安装有第一电机,且第一电机输出轴通过皮带机构与两个粉碎辊传动连接,所述搅拌罐顶部外壁中心位置处通过支架安装有第二电机。本实用新型可通过雾化喷头喷出水雾,对废料粉碎时从进料斗内扬起的粉尘进行尘降,保护了周围环境,同时挡板的设计可以使废料在上料的过程中不会滚落下来,可先通过粉碎辊对废料进行一次粉碎,经过一次粉碎后的废料再落入搅拌罐内进行二次粉碎,使得废料粉碎出来的效果更好。

Description

一种环保型建筑废料再生装置
技术领域
本实用新型涉及建筑废料处理技术领域,尤其涉及一种环保型建筑废料再生装置。
背景技术
建筑废料是指建设、施工单位或个人对各类建筑物、构筑物、管网等进行建设、铺设或拆除、修缮过程中所产生的渣土、弃土、弃料、淤泥及其他废弃物,建筑废料可以收集起来,经过粉碎后回收二次利用,传统的粉碎装置粉碎的效果较差,粉碎的不够完全,同时在粉碎的过程中会扬起较大的灰尘,不够环保。
为此,我们提出一种环保型建筑废料再生装置。
发明内容
本实用新型的目的是为了解决现有技术中存在的缺点,而提出的一种环保型建筑废料再生装置。
为了实现上述目的,本实用新型采用了如下技术方案:
一种环保型建筑废料再生装置,包括传送带、粉碎箱、搅拌罐和固定架,所述粉碎箱内设有两个粉碎辊,且两个粉碎辊外壁均焊接有等距离分布的粉碎块,所述粉碎箱顶部外壁安装有第一电机,且第一电机输出轴通过皮带机构与两个粉碎辊传动连接,所述搅拌罐顶部外壁中心位置处通过支架安装有第二电机,且第二电机输出轴通过联轴器连接有位于搅拌罐内的绞龙,所述绞龙两侧外壁均焊接有等距离分布的搅拌杆,且搅拌杆上下两侧外壁均螺接有等距离分布的粉碎刀片,所述粉碎箱底部内壁通过连接管与搅拌罐顶部内壁一端相连通,且固定架靠近粉碎箱一侧外壁安装有雾化喷头。
优选的,所述皮带机构包括套机在第一电机输出轴上的第一皮带轮和套机在两个粉碎辊上的第二皮带轮,且第一皮带轮和其中一个第二皮带轮通过皮带“O”字型连接,所述第一皮带轮和另一个第二皮带轮通过皮带“8”字型连接。
优选的,所述雾化喷头顶部连接有进水管,且进水管顶部内壁连接有进气管,所述进水管远离雾化喷头一端连接有抽水泵,且进气管远离雾化喷头一端连接有抽气泵。
优选的,所述粉碎箱顶部内壁焊接有进料斗,且搅拌罐底部内壁焊接有出料管。
优选的,所述传送带外壁螺接有等距离分布的挡板。
优选的,所述传送带、第一电机和第二电机均通过导线连接有开关,且开关连接有外部电源。
本实用新型的有益效果为:
1、本设计的环保型建筑废料再生装置,可通过雾化喷头喷出水雾,对废料粉碎时从进料斗内扬起的粉尘进行尘降,保护了周围环境,同时挡板的设计可以使废料在上料的过程中不会滚落下来;
2、本设计的环保型建筑废料再生装置,可先通过粉碎辊对废料进行一次粉碎,经过一次粉碎后的废料再落入搅拌罐内进行二次粉碎,使得废料粉碎出来的效果更好。
附图说明
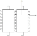
图1为本实用新型提出的一种环保型建筑废料再生装置的整体结构示意图;
图2为本实用新型提出的一种环保型建筑废料再生装置的正视图;
图3为本实用新型提出的一种环保型建筑废料再生装置的粉碎辊结构示意图。
图中:1传送带、2粉碎箱、3搅拌罐、4固定架、5粉碎辊、6粉碎块、7第一电机、8第二电机、9绞龙、10搅拌杆、11粉碎刀片、12连接管、13雾化喷头、14进水管、15进气管、16进料斗、17挡板。
具体实施方式
下面将结合本实用新型实施例中的附图,对本实用新型实施例中的技术方案进行清楚、完整地描述,显然,所描述的实施例仅仅是本实用新型一部分实施例,而不是全部的实施例。
参照图1-3,一种环保型建筑废料再生装置,包括传送带1、粉碎箱2、搅拌罐3和固定架4,传送带1、第一电机7和第二电机8均通过导线连接有开关,且开关连接有外部电源,传送带1外壁螺接有等距离分布的挡板17,粉碎箱2顶部内壁焊接有进料斗16,且搅拌罐3底部内壁焊接有出料管,粉碎箱2内设有两个粉碎辊5,且两个粉碎辊5外壁均焊接有等距离分布的粉碎块6,粉碎箱2顶部外壁安装有第一电机7,且第一电机7输出轴通过皮带机构与两个粉碎辊5传动连接,皮带机构包括套机在第一电机7输出轴上的第一皮带轮和套机在两个粉碎辊5上的第二皮带轮,且第一皮带轮和其中一个第二皮带轮通过皮带“O”字型连接,第一皮带轮和另一个第二皮带轮通过皮带“8”字型连接,搅拌罐3顶部外壁中心位置处通过支架安装有第二电机8,且第二电机8输出轴通过联轴器连接有位于搅拌罐3内的绞龙9,绞龙9两侧外壁均焊接有等距离分布的搅拌杆10,且搅拌杆10上下两侧外壁均螺接有等距离分布的粉碎刀片11,粉碎箱2底部内壁通过连接管12与搅拌罐3顶部内壁一端相连通,且固定架4靠近粉碎箱2一侧外壁安装有雾化喷头13,雾化喷头13顶部连接有进水管14,且进水管14顶部内壁连接有进气管15,进水管14远离雾化喷头13一端连接有抽水泵,且进气管15远离雾化喷头13一端连接有抽气泵。
工作原理:将废料通过传送带1输送到进料斗16上方,再落下通过进料斗16进入粉碎箱2内,通过第一电机7带动两个粉碎辊5转动利用粉碎块6的挤压对废料进行第一次粉碎,经过第一次粉碎后的废料通过连接管12进入搅拌罐3内,通过第二电机8带动绞龙9和搅拌杆10转动,通过搅拌杆10上的粉碎刀片11对废料进行二次粉碎,进行二次粉碎的过程中绞龙9可将先落入搅拌罐3内,位于搅拌罐3内底部的废料输送上来,再落下,使得对废料的粉碎效果更加好,在粉碎箱2粉碎的过程中,会有扬起粉尘从进料斗16溢出,这时可通过雾化喷头13喷出水雾进行尘降。
以上所述,仅为本实用新型较佳的具体实施方式,但本实用新型的保护范围并不局限于此,任何熟悉本技术领域的技术人员在本实用新型揭露的技术范围内,根据本实用新型的技术方案及其实用新型构思加以等同替换或改变,都应涵盖在本实用新型的保护范围之内。

Claims (6)

1.一种环保型建筑废料再生装置,包括传送带(1)、粉碎箱(2)、搅拌罐(3)和固定架(4),其特征在于,所述粉碎箱(2)内设有两个粉碎辊(5),且两个粉碎辊(5)外壁均焊接有等距离分布的粉碎块(6),所述粉碎箱(2)顶部外壁安装有第一电机(7),且第一电机(7)输出轴通过皮带机构与两个粉碎辊(5)传动连接,所述搅拌罐(3)顶部外壁中心位置处通过支架安装有第二电机(8),且第二电机(8)输出轴通过联轴器连接有位于搅拌罐(3)内的绞龙(9),所述绞龙(9)两侧外壁均焊接有等距离分布的搅拌杆(10),且搅拌杆(10)上下两侧外壁均螺接有等距离分布的粉碎刀片(11),所述粉碎箱(2)底部内壁通过连接管(12)与搅拌罐(3)顶部内壁一端相连通,且固定架(4)靠近粉碎箱(2)一侧外壁安装有雾化喷头(13)。
2.根据权利要求1所述的一种环保型建筑废料再生装置,其特征在于,所述皮带机构包括套机在第一电机(7)输出轴上的第一皮带轮和套机在两个粉碎辊(5)上的第二皮带轮,且第一皮带轮和其中一个第二皮带轮通过皮带“O”字型连接,所述第一皮带轮和另一个第二皮带轮通过皮带“8”字型连接。
3.根据权利要求1所述的一种环保型建筑废料再生装置,其特征在于,所述雾化喷头(13)顶部连接有进水管(14),且进水管(14)顶部内壁连接有进气管(15),所述进水管(14)远离雾化喷头(13)一端连接有抽水泵,且进气管(15)远离雾化喷头(13)一端连接有抽气泵。
4.根据权利要求1所述的一种环保型建筑废料再生装置,其特征在于,所述粉碎箱(2)顶部内壁焊接有进料斗(16),且搅拌罐(3)底部内壁焊接有出料管。
5.根据权利要求1所述的一种环保型建筑废料再生装置,其特征在于,所述传送带(1)外壁螺接有等距离分布的挡板(17)。
6.根据权利要求1所述的一种环保型建筑废料再生装置,其特征在于,所述传送带(1)、第一电机(7)和第二电机(8)均通过导线连接有开关,且开关连接有外部电源。
CN202022551614.2U 2020-11-06 2020-11-06 一种环保型建筑废料再生装置 Expired - Fee Related CN213726767U (zh)

Priority Applications (1)

Application Number Priority Date Filing Date Title
CN202022551614.2U CN213726767U (zh) 2020-11-06 2020-11-06 一种环保型建筑废料再生装置

Applications Claiming Priority (1)

Application Number Priority Date Filing Date Title
CN202022551614.2U CN213726767U (zh) 2020-11-06 2020-11-06 一种环保型建筑废料再生装置

Publications (1)

Publication Number Publication Date
CN213726767U true CN213726767U (zh) 2021-07-20

Family

ID=76820928

Family Applications (1)

Application Number Title Priority Date Filing Date
CN202022551614.2U Expired - Fee Related CN213726767U (zh) 2020-11-06 2020-11-06 一种环保型建筑废料再生装置

Country Status (1)

Country Link
CN (1) CN213726767U (zh)

Cited By (1)

* Cited by examiner, † Cited by third party
Publication number Priority date Publication date Assignee Title
CN114522960A (zh) * 2022-04-09 2022-05-24 中山市高地科技有限公司 一种新型工业垃圾处理生产线

Cited By (1)

* Cited by examiner, † Cited by third party
Publication number Priority date Publication date Assignee Title
CN114522960A (zh) * 2022-04-09 2022-05-24 中山市高地科技有限公司 一种新型工业垃圾处理生产线

Similar Documents

Publication Publication Date Title
CN212915807U (zh) 一种建筑垃圾处理装置
CN114849837A (zh) 一种建筑施工用建筑垃圾回收装置
CN213726767U (zh) 一种环保型建筑废料再生装置
CN210010299U (zh) 带有除尘装置的建筑垃圾破碎装置
CN112756056A (zh) 建筑废弃物的回收再利用装置
CN215277604U (zh) 一种建筑工程用垃圾粉碎设备
CN216911498U (zh) 一种用于生产微纤维废玻璃棉的回收装置
CN208599919U (zh) 一种工业机械加工用废料粉碎回收装置
CN219377455U (zh) 一种建筑垃圾用粉碎机
CN216261070U (zh) 建筑废弃物精破碎装置
CN214974690U (zh) 一种建筑垃圾再生骨料输送用除尘装置
CN214700716U (zh) 一种秸秆再利用资源能源化燃烧装置
CN212681134U (zh) 一种建筑垃圾粉碎装置
CN212397606U (zh) 一种环保用垃圾粉碎装置
CN212120139U (zh) 一种建筑垃圾自动化处理装置
CN116237114A (zh) 一种土木工程绿色建筑废料处理装置
CN205308545U (zh) 硅粉生产线氮气充入式防爆系统
CN218048134U (zh) 一种建筑垃圾处理破碎装置
CN220835864U (zh) 一种自动除尘的破碎机
CN217341713U (zh) 一种土木工程房屋建筑废料处理装置
CN215234735U (zh) 一种用于固废处理的具有粉碎功能的环保设备
CN217615212U (zh) 一种新型土木工程建筑废料处理设备
CN222076717U (zh) 一种用于土建工程的建筑垃圾粉碎装置
CN217699469U (zh) 一种垃圾处理用的破碎机
CN215655675U (zh) 一种新型高效土木工程建筑废料粉碎处理设备

Legal Events

Date Code Title Description
GR01 Patent grant
GR01 Patent grant
CF01 Termination of patent right due to non-payment of annual fee

Granted publication date: 20210720

CF01 Termination of patent right due to non-payment of annual fee