CN213717438U - Box-type power distribution cabinet with good heat dissipation performance - Google Patents
Box-type power distribution cabinet with good heat dissipation performance Download PDFInfo
- Publication number
- CN213717438U CN213717438U CN202022774457.1U CN202022774457U CN213717438U CN 213717438 U CN213717438 U CN 213717438U CN 202022774457 U CN202022774457 U CN 202022774457U CN 213717438 U CN213717438 U CN 213717438U
- Authority
- CN
- China
- Prior art keywords
- cabinet
- lifting
- cabinet body
- switch board
- lifting screw
- Prior art date
- Legal status (The legal status is an assumption and is not a legal conclusion. Google has not performed a legal analysis and makes no representation as to the accuracy of the status listed.)
- Expired - Fee Related
Links
- 230000017525 heat dissipation Effects 0.000 title description 5
- 239000000428 dust Substances 0.000 claims abstract description 24
- 239000006185 dispersion Substances 0.000 claims abstract description 11
- 206010010904 Convulsion Diseases 0.000 abstract description 8
- 238000004140 cleaning Methods 0.000 abstract description 8
- 230000036461 convulsion Effects 0.000 abstract description 8
- 230000000694 effects Effects 0.000 abstract description 7
- 230000003028 elevating effect Effects 0.000 abstract description 3
- 238000000034 method Methods 0.000 description 6
- 238000012986 modification Methods 0.000 description 2
- 230000004048 modification Effects 0.000 description 2
- 238000010586 diagram Methods 0.000 description 1
- 239000012535 impurity Substances 0.000 description 1
- 238000009423 ventilation Methods 0.000 description 1
Images
Landscapes
- Cooling Or The Like Of Electrical Apparatus (AREA)
Abstract
The utility model relates to a box switch board that heat dispersion is good, include: the cabinet body and set up a plurality of air discharge fans on the same cabinet wall of the cabinet body, box switch board still includes: the lifting motor is vertically arranged on the lifting screw rod of the cabinet body and drives the lifting screw rod to rotate, the lifting plate is sleeved on the lifting screw rod, the fixing plate is arranged on the lifting plate, the rotating roller is rotatably arranged on the fixing plate, and the cleaning hairbrush is sleeved on the rotating roller and used for cleaning dust on the exhaust fan. The utility model discloses a box switch board is provided with the clean brush that is used for dust on the clean air discharge fan, and rotatory roller is located to clean brush cover, and is rotatory through elevator motor drive lifting screw, drives lifter plate and fixed plate and carries out the elevating movement to it is clean repeatedly to the air discharge fan to drive rotatory roller and clean brush, guarantees the air discharge fan and improves the internal convulsions radiating effect of cabinet the utility model discloses a heat dispersion of box switch board.
Description
Technical Field
The utility model relates to a switch board technical field, concretely relates to box switch board that heat dispersion is good.
Background
The power distribution cabinet is primary power distribution equipment and is collectively called as a power distribution center. They are installed centrally in substations of enterprises to distribute electric energy to subordinate distribution equipment at different sites. The ventilation hole has generally been seted up on the cabinet wall to current box switch board and be provided with a plurality of air discharge fans in the switch board, carries out convulsions through the air discharge fan to the internal convulsions that carries out of cabinet to realize the internal circulation of air of cabinet, realize the heat dissipation to box switch board.
However, after the box-type power distribution cabinet is put into service for a long time, the exhaust fan accumulates dust easily on the filter screen on the inner side of the exhaust fan, the exhaust fan is blocked, the exhaust heat dissipation effect of the exhaust fan on the power distribution cabinet is seriously affected, the temperature in the cabinet is continuously raised easily, and the normal operation of equipment is affected.
SUMMERY OF THE UTILITY MODEL
In order to solve the easy backlog dust of above-mentioned box switch board air discharge fan and influence radiating technical problem, the utility model provides a box switch board that heat dispersion is good.
The utility model discloses a box switch board that heat dispersion is good, include: the cabinet body and set up a plurality of air discharge fans on the same cabinet wall of the cabinet body, box switch board still includes: the lifting motor is vertically arranged on the lifting screw rod of the cabinet body and drives the lifting screw rod to rotate, the lifting plate is sleeved on the lifting screw rod, the fixing plate is arranged on the lifting plate, the rotating roller is rotatably arranged on the fixing plate, and the cleaning hairbrush is sleeved on the rotating roller and used for cleaning dust on the exhaust fan.
According to the utility model discloses an embodiment, box-type switch board still includes: the guide rod is arranged in parallel with the lifting screw rod, and the two ends of the lifting plate are respectively sleeved on the lifting screw rod and the guide rod.
According to the utility model discloses an embodiment, box-type switch board still includes: can dismantle the collecting vat that sets up in cabinet body inner wall, the collecting vat is located a plurality of exhaust fans under.
According to the utility model discloses an embodiment, box-type switch board still includes: the lifting cylinder is arranged on the lifting plate, the top end of the lifting cylinder is connected with the bottom of the fixing plate, and the lifting cylinder drives the fixing plate to vertically move back and forth.
According to the utility model discloses an embodiment, box-type switch board still includes: the air exhaust pipe is arranged at the top of the cabinet body and the air exhaust pump is communicated with the air exhaust pipe through a pipeline.
According to the utility model discloses an embodiment, box-type switch board still includes: the air curtain machine is arranged in the cabinet body and provides an air curtain and forms a dust removal space with the inner wall of the cabinet body.
The utility model discloses a box switch board is provided with the clean brush that is used for dust on the clean air discharge fan, and rotatory roller is located to clean brush cover, and is rotatory through elevator motor drive lifting screw, drives lifter plate and fixed plate and carries out the elevating movement to it is clean repeatedly to the air discharge fan to drive rotatory roller and clean brush, guarantees the air discharge fan and improves the internal convulsions radiating effect of cabinet the utility model discloses a heat dispersion of box switch board.
Drawings
Fig. 1 is the utility model discloses well box-type switch board that heat dispersion is good's schematic structure diagram.
Detailed Description
It is right to combine specific embodiment and attached drawing below the utility model discloses box switch board that heat dispersion is good does further detailed description.
Please refer to fig. 1.
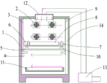
The utility model provides a box switch board that heat dispersion is good mainly includes: the cabinet body 1 and set up a plurality of air discharge fan 2 on the same cabinet wall of the cabinet body 1, carry out convulsions heat dissipation through a plurality of air discharge fan 2 in to the cabinet body 1. Box switch board still includes: set up perpendicularly in the lifting screw 3 of the cabinet body 1, the rotatory elevator motor 4 of drive lifting screw 3, the lifter plate 5 of lifting screw 3 is located to the cover, set up fixed plate 6 on lifter plate 5, the rotatory cleaning brush 8 that locates on rotatory roller 7 of fixed plate 6 and cover, rotatory roller 7 is rotatory through motor drive, it is rotatory to drive cleaning brush 8, elevator motor 4 drive lifting screw 3 is rotatory, drive lifter plate 5 goes up and down on lifting screw 3, it goes up and down to drive fixed plate 6, and clean the dust on the air discharge fan 2 through cleaning brush 8.
Wherein, in order to improve the stability of lifter plate 5 at the lift process, box-type switch board still includes the guide bar 9 with lifter screw 3 parallel arrangement, and lifter screw 3 and guide bar 9 are located to the cover respectively at lifter screw 5's both ends, and so, carry out lift drive to lifter plate 5 through lifter screw 3, effectively prevent lifter plate 5 to take place to rotate at the lift in-process through lifter screw 3 and the cooperation of guide bar 9 simultaneously, effectively improve lifter plate 5 at the stability of lift process.
Further, box switch board is still including setting up lift cylinder 10 on lifter plate 5, and lift cylinder 10 top is connected with 6 bottoms of fixed plate, and lift cylinder 5's quantity adopts a plurality ofly in this application, and at clean in-process, lift cylinder 5 drive fixed plate 6 come and go removal perpendicularly for clean brush 8 possesses rotation and the come and go removal from top to bottom simultaneously at clean in-process, improves the clean effect to dust on the air discharge fan greatly.
Further, box-type switch board is still including dismantling the collecting vat 11 that sets up in 1 inner wall of the cabinet body, and wherein collecting vat 11 is located under a plurality of air discharge fans 2, can collect the dust of clearing up the whereabouts on by a plurality of air discharge fans 2 through collecting vat 11, and wherein collecting vat 11 mainly used collects the great impurity dust of dead weight. During specific application, in order to produce the dust that drifts away in the cleaning process, box-type switch board is still including setting up in the exhaust column 12 at cabinet body 1 top and passing through the aspiration pump 13 of pipeline intercommunication with exhaust column 12, and wherein aspiration pump 13 provides convulsions for exhaust column 12, utilizes exhaust column 12 to take out from cabinet body 1 top to the dust that drifts away, prevents effectively that the dust from drifting to causing the short circuit on the circuit board of the internal 1 of cabinet.
Still further, in order to guarantee the dust removal effect to the dust of the internal 1 of cabinet, box-type switch board is still including setting up the air curtain machine 14 in the internal 1 of cabinet, and wherein air curtain machine 14 is located a lateral wall of the internal 1 of cabinet, and air curtain machine 14 provides the air curtain and forms the dust removal space of one with the internal wall of cabinet 1 for drifting away the dust limits in this dust removal space, and the convulsions of cooperation exhaust column 12 improve the dust removal effect greatly, further prevent that the dust from drifting to the circuit board of the internal 1 of cabinet, effectively improve the utility model discloses a box-type switch board reliability.
To sum up, the utility model discloses a box switch board is provided with the clean brush that is used for dust on the clean air discharge fan, and rotatory roller is located to clean brush cover, and is rotatory through elevator motor drive lifting screw, drives lifter plate and fixed plate and carries out elevating movement to it is clean repeatedly to the air discharge fan to drive rotatory roller and clean brush, guarantees the air discharge fan and improves to the internal convulsions radiating effect of cabinet the utility model discloses a heat dispersion of box switch board.
In the description of the present invention, it is to be understood that the terms such as "upper", "lower", "front", "rear", "left", "right", "vertical", "horizontal", "top", "bottom", "inner", "outer", and the like, indicate orientations or positional relationships based on the orientations or positional relationships shown in the drawings, and are only for convenience of description and simplicity of description, and do not indicate or imply that the device or element referred to must have a particular orientation, be constructed and operated in a particular orientation, and therefore, should not be construed as limiting the present invention.
While the invention has been described in conjunction with the specific embodiments set forth above, it is evident that many alternatives, modifications, and variations will be apparent to those skilled in the art in light of the foregoing description. Accordingly, all such alternatives, modifications, and variations are intended to be included within the spirit and scope of the present invention.
Claims (6)
1. The utility model provides a box-type power distribution cabinet that heat dispersion is good, includes: the cabinet body and set up in a plurality of air discharge fans on the same cabinet wall of the cabinet body, its characterized in that, box-type switch board still includes: set up perpendicularly in the lifting screw, the drive of the cabinet body lifting screw rotatory elevator motor, cover are located lifting screw's lifter plate, set up in fixed plate on the lifter plate, rotatory set up in rotatory roller and the cover of fixed plate are located clean brush on the rotatory roller, clean brush is used for the cleanness dust on the air discharge fan.
2. The cabinet of claim 1, further comprising: the guide rod is arranged in parallel with the lifting screw rod, and two ends of the lifting plate are respectively sleeved on the lifting screw rod and the guide rod.
3. The cabinet of claim 1, further comprising: the collecting groove is detachably arranged on the inner wall of the cabinet body and is positioned under the exhaust fan.
4. The cabinet of claim 1, further comprising: the lifting cylinder is arranged on the lifting plate, the top end of the lifting cylinder is connected with the bottom of the fixed plate, and the lifting cylinder drives the fixed plate to vertically move back and forth.
5. The cabinet according to any one of claims 1 to 4, wherein the cabinet further comprises: the air exhaust pump is arranged on the top of the cabinet body and communicated with the air exhaust pipe through a pipeline.
6. The cabinet of claim 5, further comprising: the air curtain machine is arranged in the cabinet body and provides an air curtain and forms a dust removal space with the inner wall of the cabinet body.
Priority Applications (1)
| Application Number | Priority Date | Filing Date | Title |
|---|---|---|---|
| CN202022774457.1U CN213717438U (en) | 2020-11-26 | 2020-11-26 | Box-type power distribution cabinet with good heat dissipation performance |
Applications Claiming Priority (1)
| Application Number | Priority Date | Filing Date | Title |
|---|---|---|---|
| CN202022774457.1U CN213717438U (en) | 2020-11-26 | 2020-11-26 | Box-type power distribution cabinet with good heat dissipation performance |
Publications (1)
| Publication Number | Publication Date |
|---|---|
| CN213717438U true CN213717438U (en) | 2021-07-16 |
Family
ID=76784872
Family Applications (1)
| Application Number | Title | Priority Date | Filing Date |
|---|---|---|---|
| CN202022774457.1U Expired - Fee Related CN213717438U (en) | 2020-11-26 | 2020-11-26 | Box-type power distribution cabinet with good heat dissipation performance |
Country Status (1)
| Country | Link |
|---|---|
| CN (1) | CN213717438U (en) |
-
2020
- 2020-11-26 CN CN202022774457.1U patent/CN213717438U/en not_active Expired - Fee Related
Similar Documents
| Publication | Publication Date | Title |
|---|---|---|
| CN213717438U (en) | Box-type power distribution cabinet with good heat dissipation performance | |
| CN111211491A (en) | Convenient to use's electric power distribution network automation equipment is with management cabinet | |
| CN216048350U (en) | High-efficient air can heat pump device | |
| CN216750941U (en) | Multifunctional power equipment operation maintenance device | |
| CN207534538U (en) | A kind of plank polissoir | |
| CN216259668U (en) | Cooling tower speed reducer with heat sink | |
| CN216598674U (en) | Switch board with heat dissipation function | |
| CN213936999U (en) | Energy-saving and environmentally friendly low-voltage cabinet device | |
| CN209948681U (en) | Intelligent capacitance compensation cabinet | |
| CN212966081U (en) | Three-phase power supply of electric server | |
| CN210536040U (en) | Detachable electric power cabinet | |
| CN211151189U (en) | An energy storage cabinet with a quick-plug structure | |
| CN210628881U (en) | Multi-channel integrated constant-current power supply protection box | |
| CN218104049U (en) | Heat dissipation rack for switch | |
| CN220368330U (en) | Power supply control cabinet with high working stability | |
| CN220878181U (en) | Self-cleaning device of dustproof net of high-voltage cabinet | |
| CN112993828B (en) | Dustproof high-frequency switch direct-current power supply integrated cabinet with multidirectional efficient heat dissipation | |
| CN217523119U (en) | Concatenation formula PLC switch board based on forced air cooling heat dissipation | |
| CN219357236U (en) | Dust removing and cleaning device for ventilation panel of data center equipment | |
| CN220440238U (en) | Heat abstractor for building regulator cubicle | |
| CN219780640U (en) | Multifunctional temperature control device for power dispatching workbench | |
| CN219086504U (en) | Dust type block terminal | |
| CN221632363U (en) | Dry-type iron core reactor with dustproof function | |
| CN222127406U (en) | A new type of distribution box | |
| CN220431977U (en) | Household elevator fan base |
Legal Events
| Date | Code | Title | Description |
|---|---|---|---|
| GR01 | Patent grant | ||
| GR01 | Patent grant | ||
| CF01 | Termination of patent right due to non-payment of annual fee |
Granted publication date: 20210716 |
|
| CF01 | Termination of patent right due to non-payment of annual fee |