CN213678955U - 一种摆动给料机 - Google Patents
一种摆动给料机 Download PDFInfo
- Publication number
- CN213678955U CN213678955U CN202022478654.9U CN202022478654U CN213678955U CN 213678955 U CN213678955 U CN 213678955U CN 202022478654 U CN202022478654 U CN 202022478654U CN 213678955 U CN213678955 U CN 213678955U
- Authority
- CN
- China
- Prior art keywords
- fixedly connected
- spring
- hopper
- rotating shaft
- motor
- Prior art date
- Legal status (The legal status is an assumption and is not a legal conclusion. Google has not performed a legal analysis and makes no representation as to the accuracy of the status listed.)
- Expired - Fee Related
Links
- 239000000463 material Substances 0.000 claims abstract description 41
- 230000000694 effects Effects 0.000 claims abstract description 5
- 238000007599 discharging Methods 0.000 claims description 40
- 239000004744 fabric Substances 0.000 claims description 6
- 238000007664 blowing Methods 0.000 claims description 4
- 239000007787 solid Substances 0.000 claims description 4
- 238000000034 method Methods 0.000 abstract description 15
- 230000007246 mechanism Effects 0.000 abstract description 5
- 238000004519 manufacturing process Methods 0.000 abstract description 4
- 230000006872 improvement Effects 0.000 abstract description 2
- 230000008569 process Effects 0.000 description 8
- 230000000903 blocking effect Effects 0.000 description 5
- 230000009471 action Effects 0.000 description 4
- 230000009286 beneficial effect Effects 0.000 description 3
- 238000009825 accumulation Methods 0.000 description 2
- 239000011435 rock Substances 0.000 description 2
- 230000004075 alteration Effects 0.000 description 1
- 230000008901 benefit Effects 0.000 description 1
- 238000010586 diagram Methods 0.000 description 1
- 238000002474 experimental method Methods 0.000 description 1
- 238000012986 modification Methods 0.000 description 1
- 230000004048 modification Effects 0.000 description 1
- 238000010079 rubber tapping Methods 0.000 description 1
- 238000006467 substitution reaction Methods 0.000 description 1
- 238000003466 welding Methods 0.000 description 1
- 239000008207 working material Substances 0.000 description 1
Images
Landscapes
- Filling Or Emptying Of Bunkers, Hoppers, And Tanks (AREA)
Abstract
本实用新型公开了一种摆动给料机,包括给料机本体,给料机本体左侧的两端均固定安装有固定支架,两个固定支架中端相互靠近的一侧固定安装有操作箱,操作箱外表面的顶部固定安装有电机,电机的输出端固定连接有转轴,且转轴的底部通过轴承活动连接于操作箱内腔的底部。本实用新型通过电机、转轴、敲击棒、排料斗、放料斗与第一弹簧以及第二弹簧之间相互配合的作用下,极大的提高了排料过程中的流畅性,有效的防止了排料过程中出现堵塞的现象,给生产加工带来极大的便利,解决了现有的给料机上的下料机构在供料过程中易出现堵塞的现象,此时需要停机进行疏通,降低了工作效率的同时,给工作带来一定影响的问题。
Description
技术领域
本实用新型涉及给料机技术领域,具体为一种摆动给料机。
背景技术
给料机就是一般意义上说的喂料机,只是因为各个地方的叫法不同,所以产生了不同的名字,而其本质和作用,基本上是一样的,给料机分敞开型和封闭型两种,常见的给料机有电磁振动给料机、棒条振动给料机、螺旋给料机,然而现有的给料机上的下料机构在供料过程中易出现堵塞的现象,此时需要停机进行疏通,降低了工作效率的同时,给工作带来一定的影响。
发明内容
本实用新型的目的在于提供一种摆动给料机,具备防堵塞效果好的优点,解决了现有的给料机上的下料机构在供料过程中易出现堵塞的现象,此时需要停机进行疏通,降低了工作效率的同时,给工作带来一定影响的问题。
为实现上述目的,本实用新型提供如下技术方案:一种摆动给料机,包括给料机本体,所述给料机本体左侧的两端均固定安装有固定支架,两个所述固定支架中端相互靠近的一侧固定安装有操作箱,所述操作箱外表面的顶部固定安装有电机,所述电机的输出端固定连接有转轴,且转轴的底部通过轴承活动连接于操作箱内腔的底部,所述转轴的表面固定安装有敲击棒,两个所述固定支架的上端之间固定连接有连接环,所述连接环的内表面固定连接有放料斗,所述放料斗外表面下端的四周均固定连接有第一弹簧,所述放料斗外表面下端的四周且位于第一弹簧的下方均固定连接有第二弹簧,所述第一弹簧的另一侧与第二弹簧的另一侧之间固定连接有排料斗。
优选的,所述给料机本体底部的四周均固定连接有支撑块,所述支撑块的底部固定连接有橡胶板。
优选的,所述给料机本体正表面的中端通过合页活动安装有箱门,所述箱门的右端固定安装有把手。
优选的,所述给料机本体底部右端的两侧均固定安装有挡板,所述挡板的宽度为二十厘米。
优选的,所述放料斗的顶部通过活动销活动连接有盖板,所述盖板的左侧固定连接有扶手。
优选的,所述放料斗的底部固定连接有挡料环,所述挡料环的底部固定连接有挡料布帘。
优选的,所述放料斗外表面的下端且位于第一弹簧的下方与第二弹簧的上方固定连接有固定环,所述排料斗内腔上端的四周且位于第一弹簧的下方与第二弹簧的上方均固定连接有固定块,所述固定块的底部通过轴承活动连接有导向轮,且导向轮的底部活动连接于固定环的顶部。
与现有技术相比,本实用新型的有益效果如下:
1、本实用新型通过启动电机进行工作能够带动转轴进行快速旋转,转轴快速旋转的同时带动敲击棒快速旋转,使得敲击棒对排料斗进行快速不断的敲击,使得排料斗不断地产生震动,在震动的作用下,有效的避免物料与排料斗的内壁粘连而造成堆积与堵塞,同时通过放料斗与排料斗之间第一弹簧与第二弹簧的设置,在敲击棒敲击的过程中排料斗会对第一弹簧与第二弹簧进行挤压的同时,排料斗会左右晃动,更加有利于排料斗内部的物料排出,在整体配合的作用下,极大的提高了排料过程中的流畅性,有效的防止了排料过程中出现堵塞的现象,给生产加工带来极大的便利,解决了现有的给料机上的下料机构在供料过程中易出现堵塞的现象,此时需要停机进行疏通,降低了工作效率的同时,给工作带来一定影响的问题。
2、本实用新型通过放料斗底部挡料环与挡料布帘的设置,能够对物料进行有效的遮挡,有效的防止物料外泄,通过盖板的设置,在放料斗的顶部形成有效的防护,避免加工过程中物料向外界迸溅,通过箱门的设置,便于使用者对给料机本体的内部进行维护,通过挡板的设置,能够对输送的物料进行遮挡。
附图说明
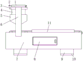
图1为本实用新型实施例结构示意图;
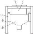
图2为本实用新型实施例中放料斗与固定支架连接关系示意图;
图3为本实用新型实施例中操作箱内部结构示意图;
图4为本实用新型实施例中放料斗与排料斗连接关系示意图。
图中:1、盖板;2、扶手;3、连接环;4、放料斗;5、排料斗;6、固定支架;7、给料机本体;8、箱门;9、支撑块;10、橡胶板;11、挡板;12、操作箱;13、电机;14、敲击棒;15、转轴;16、第一弹簧;17、固定块;18、导向轮;19、第二弹簧;20、挡料环;21、挡料布帘;22、固定环。
具体实施方式
下面将结合本实用新型实施例中的附图,对本实用新型实施例中的技术方案进行清楚、完整地描述,显然,所描述的实施例仅仅是本实用新型一部分实施例,而不是全部的实施例。基于本实用新型中的实施例,本领域普通技术人员在没有做出创造性劳动前提下所获得的所有其他实施例,都属于本实用新型保护的范围。
在本申请文件的描述中,需要理解的是,术语“中心”、“上”、“下”、“前”、“后”、“左”、“右”、“竖直”、“水平”、“顶”、“底”、“内”、“外”等指示的方位或位置关系为基于附图所示的方位或位置关系,仅是为了便于描述本专利和简化描述,而不是指示或暗示所指的装置或元件必须具有特定的方位、以特定的方位构造和操作,因此不能理解为对本专利的限制。在本申请文件的描述中,需要说明的是,除非另有明确的规定和限定,术语“安装”、“相连”、“连接”、“设置”应做广义理解,例如,可以是固定相连、设置,也可以是可拆卸连接、设置,或一体地连接、设置。对于本领域的普通技术人员而言,可以根据具体情况理解上述术语在本专利中的具体含义。
请参阅图1-4,一种摆动给料机,包括给料机本体7,给料机本体7底部的四周均固定连接有支撑块9,支撑块9的底部固定连接有橡胶板10,给料机本体7正表面的中端通过合页活动安装有箱门8,通过箱门8的设置,便于使用者对给料机本体7的内部进行维护,箱门8的右端固定安装有把手,给料机本体7底部右端的两侧均固定安装有挡板11,通过挡板11的设置,能够对输送的物料进行遮挡,挡板11的宽度为二十厘米,给料机本体7左侧的两端均固定安装有固定支架6,两个固定支架6中端相互靠近的一侧固定安装有操作箱12,操作箱12外表面的顶部固定安装有电机13,电机13的输出端固定连接有转轴15,且转轴15的底部通过轴承活动连接于操作箱12内腔的底部,转轴15的表面固定安装有敲击棒14,两个固定支架6的上端之间固定连接有连接环3,连接环3的内表面固定连接有放料斗4,放料斗4的顶部通过活动销活动连接有盖板1,通过盖板1的设置,在放料斗4的顶部形成有效的防护,避免加工过程中物料向外界迸溅,盖板1的左侧固定连接有扶手2,放料斗4的底部固定连接有挡料环20,挡料环20的底部固定连接有挡料布帘21,通过放料斗4底部挡料环20与挡料布帘21的设置,能够对物料进行有效的遮挡,有效的防止物料外泄,放料斗4外表面下端的四周均固定连接有第一弹簧16,放料斗4外表面下端的四周且位于第一弹簧16的下方均固定连接有第二弹簧19,第一弹簧16的另一侧与第二弹簧19的另一侧之间固定连接有排料斗5,放料斗4外表面的下端且位于第一弹簧16的下方与第二弹簧19的上方固定连接有固定环22,排料斗5内腔上端的四周且位于第一弹簧16的下方与第二弹簧19的上方均固定连接有固定块17,固定块17的底部通过轴承活动连接有导向轮18,且导向轮18的底部活动连接于固定环22的顶部,通过启动电机13进行工作能够带动转轴15进行快速旋转,转轴15快速旋转的同时带动敲击棒14快速旋转,使得敲击棒14对排料斗5进行快速不断的敲击,使得排料斗5不断地产生震动,在震动的作用下,有效的避免物料与排料斗5的内壁粘连而造成堆积与堵塞,同时通过放料斗4与排料斗5之间第一弹簧16与第二弹簧19的设置,在敲击棒14敲击的过程中排料斗5会对第一弹簧16与第二弹簧19进行挤压的同时,排料斗5会左右晃动,更加有利于排料斗5内部的物料排出,在整体配合的作用下,极大的提高了排料过程中的流畅性,有效的防止了排料过程中出现堵塞的现象,给生产加工带来极大的便利,解决了现有的给料机上的下料机构在供料过程中易出现堵塞的现象,此时需要停机进行疏通,降低了工作效率的同时,给工作带来一定影响的问题。
本实用新型中的所有部件均为通用标准件或本领域技术人员知晓的部件,其结构和原理都为本技术人员均可通过技术手册得知或通过常规实验方法获知,同时本申请文件中使用到的标准零件均可以从市场上购买,本申请文件中各部件根据说明书和附图的记载均可以进行订制,各个零件的具体连接方式均采用现有技术中成熟的螺栓、铆钉、焊接等常规手段,机械、零件和设备均采用现有技术中常规的型号,控制方式是通过控制器来自动控制,控制器的控制电路通过本领域的技术人员简单编程即可实现,属于本领域的公知常识,并且本申请文件主要用来保护机械装置,所以本申请文件不再详细解释控制方式和电路连接,在此不再作出具体叙述。
使用时,通过启动电机13进行工作能够带动转轴15进行快速旋转,转轴15快速旋转的同时带动敲击棒14快速旋转,使得敲击棒14对排料斗5进行快速不断的敲击,使得排料斗5不断地产生震动,在震动的作用下,有效的避免物料与排料斗5的内壁粘连而造成堆积与堵塞,同时通过放料斗4与排料斗5之间第一弹簧16与第二弹簧19的设置,在敲击棒14敲击的过程中排料斗5会对第一弹簧16与第二弹簧19进行挤压的同时,排料斗5会左右晃动,更加有利于排料斗5内部的物料排出,在整体配合的作用下,极大的提高了排料过程中的流畅性,有效的防止了排料过程中出现堵塞的现象,给生产加工带来极大的便利。
尽管已经示出和描述了本实用新型的实施例,对于本领域的普通技术人员而言,可以理解在不脱离本实用新型的原理和精神的情况下可以对这些实施例进行多种变化、修改、替换和变型,本实用新型的范围由所附权利要求及其等同物限定。
Claims (7)
1.一种摆动给料机,包括给料机本体(7),其特征在于:所述给料机本体(7)左侧的两端均固定安装有固定支架(6),两个所述固定支架(6)中端相互靠近的一侧固定安装有操作箱(12),所述操作箱(12)外表面的顶部固定安装有电机(13),所述电机(13)的输出端固定连接有转轴(15),且转轴(15)的底部通过轴承活动连接于操作箱(12)内腔的底部,所述转轴(15)的表面固定安装有敲击棒(14),两个所述固定支架(6)的上端之间固定连接有连接环(3),所述连接环(3)的内表面固定连接有放料斗(4),所述放料斗(4)外表面下端的四周均固定连接有第一弹簧(16),所述放料斗(4)外表面下端的四周且位于第一弹簧(16)的下方均固定连接有第二弹簧(19),所述第一弹簧(16)的另一侧与第二弹簧(19)的另一侧之间固定连接有排料斗(5)。
2.根据权利要求1所述的一种摆动给料机,其特征在于:所述给料机本体(7)底部的四周均固定连接有支撑块(9),所述支撑块(9)的底部固定连接有橡胶板(10)。
3.根据权利要求1所述的一种摆动给料机,其特征在于:所述给料机本体(7)正表面的中端通过合页活动安装有箱门(8),所述箱门(8)的右端固定安装有把手。
4.根据权利要求1所述的一种摆动给料机,其特征在于:所述给料机本体(7)底部右端的两侧均固定安装有挡板(11),所述挡板(11)的宽度为二十厘米。
5.根据权利要求1所述的一种摆动给料机,其特征在于:所述放料斗(4)的顶部通过活动销活动连接有盖板(1),所述盖板(1)的左侧固定连接有扶手(2)。
6.根据权利要求1所述的一种摆动给料机,其特征在于:所述放料斗(4)的底部固定连接有挡料环(20),所述挡料环(20)的底部固定连接有挡料布帘(21)。
7.根据权利要求1所述的一种摆动给料机,其特征在于:所述放料斗(4)外表面的下端且位于第一弹簧(16)的下方与第二弹簧(19)的上方固定连接有固定环(22),所述排料斗(5)内腔上端的四周且位于第一弹簧(16)的下方与第二弹簧(19)的上方均固定连接有固定块(17),所述固定块(17)的底部通过轴承活动连接有导向轮(18),且导向轮(18)的底部活动连接于固定环(22)的顶部。
Priority Applications (1)
| Application Number | Priority Date | Filing Date | Title |
|---|---|---|---|
| CN202022478654.9U CN213678955U (zh) | 2020-11-02 | 2020-11-02 | 一种摆动给料机 |
Applications Claiming Priority (1)
| Application Number | Priority Date | Filing Date | Title |
|---|---|---|---|
| CN202022478654.9U CN213678955U (zh) | 2020-11-02 | 2020-11-02 | 一种摆动给料机 |
Publications (1)
| Publication Number | Publication Date |
|---|---|
| CN213678955U true CN213678955U (zh) | 2021-07-13 |
Family
ID=76726678
Family Applications (1)
| Application Number | Title | Priority Date | Filing Date |
|---|---|---|---|
| CN202022478654.9U Expired - Fee Related CN213678955U (zh) | 2020-11-02 | 2020-11-02 | 一种摆动给料机 |
Country Status (1)
| Country | Link |
|---|---|
| CN (1) | CN213678955U (zh) |
Cited By (3)
| Publication number | Priority date | Publication date | Assignee | Title |
|---|---|---|---|---|
| CN114620427A (zh) * | 2022-05-17 | 2022-06-14 | 山东博佳华彩高分子材料有限公司 | 一种粉末涂料加工生产用原料输送装置 |
| CN115625878A (zh) * | 2022-11-23 | 2023-01-20 | 刘小东 | 一种塑料母粒的成型装置 |
| CN117568610A (zh) * | 2023-10-27 | 2024-02-20 | 安徽富凯特材有限公司 | 一种重熔电渣炉均匀加渣装置 |
-
2020
- 2020-11-02 CN CN202022478654.9U patent/CN213678955U/zh not_active Expired - Fee Related
Cited By (4)
| Publication number | Priority date | Publication date | Assignee | Title |
|---|---|---|---|---|
| CN114620427A (zh) * | 2022-05-17 | 2022-06-14 | 山东博佳华彩高分子材料有限公司 | 一种粉末涂料加工生产用原料输送装置 |
| CN114620427B (zh) * | 2022-05-17 | 2022-07-29 | 山东博佳华彩高分子材料有限公司 | 一种粉末涂料加工生产用原料输送装置 |
| CN115625878A (zh) * | 2022-11-23 | 2023-01-20 | 刘小东 | 一种塑料母粒的成型装置 |
| CN117568610A (zh) * | 2023-10-27 | 2024-02-20 | 安徽富凯特材有限公司 | 一种重熔电渣炉均匀加渣装置 |
Similar Documents
| Publication | Publication Date | Title |
|---|---|---|
| CN213678955U (zh) | 一种摆动给料机 | |
| CN213000252U (zh) | 一种便于使用的石料破碎机 | |
| CN215157636U (zh) | 一种便于下料的加气块生产用氧化镁粉仓 | |
| CN214021921U (zh) | 一种羊养殖用饲料筛选装置 | |
| CN211586815U (zh) | 一种用于隧道爆破碎石再利用的均匀碎石机 | |
| CN110919899A (zh) | 一种食品用塑料包装桶吹塑机构 | |
| CN113895979B (zh) | 一种转向角度可调节的转向式装仓机 | |
| CN106410311A (zh) | 一种电池生产用废弃垃圾快速回收处理设备 | |
| CN219836576U (zh) | 一种废旧石膏破碎机 | |
| CN219248863U (zh) | 带弹簧振动器的饲喂站料仓 | |
| CN216686248U (zh) | 一种便于调节功能的称重给料机 | |
| CN215649037U (zh) | 一种面皮成型机 | |
| CN215029880U (zh) | 一种防止堵料的立磨进料仓 | |
| CN212580633U (zh) | 一种螺栓生产用上料装置 | |
| CN115715529A (zh) | 带弹簧振动器的饲喂站料仓 | |
| CN220920231U (zh) | 超声波清洗机进料装置 | |
| CN222739347U (zh) | 一种用于水泥生产原料的磨料装置 | |
| CN222469628U (zh) | 一种植绒设备用的自动送料机构 | |
| CN112871337A (zh) | 一种便于上料的自动控制生产设备 | |
| CN109499854B (zh) | 一种棕刚玉生产用筛选机 | |
| CN215703569U (zh) | 一种注塑机进料装置 | |
| CN218689780U (zh) | 一种便于调节的撕碎机 | |
| CN109230590B (zh) | 一种中药药材自动包装生产线 | |
| CN219926504U (zh) | 一种混凝土搅拌站砂石给料机构 | |
| CN223475545U (zh) | 一种矿用高炉上料筛分装置 |
Legal Events
| Date | Code | Title | Description |
|---|---|---|---|
| GR01 | Patent grant | ||
| GR01 | Patent grant | ||
| CF01 | Termination of patent right due to non-payment of annual fee | ||
| CF01 | Termination of patent right due to non-payment of annual fee |
Granted publication date: 20210713 |