CN213644601U - Painting equipment - Google Patents
Painting equipment Download PDFInfo
- Publication number
- CN213644601U CN213644601U CN202021600489.3U CN202021600489U CN213644601U CN 213644601 U CN213644601 U CN 213644601U CN 202021600489 U CN202021600489 U CN 202021600489U CN 213644601 U CN213644601 U CN 213644601U
- Authority
- CN
- China
- Prior art keywords
- varnish
- brush
- wheel
- painting
- pipeline
- Prior art date
- Legal status (The legal status is an assumption and is not a legal conclusion. Google has not performed a legal analysis and makes no representation as to the accuracy of the status listed.)
- Active
Links
- 238000010422 painting Methods 0.000 title claims abstract description 58
- 239000002966 varnish Substances 0.000 claims abstract description 108
- 230000007246 mechanism Effects 0.000 claims abstract description 52
- 238000003860 storage Methods 0.000 claims abstract description 21
- 239000007921 spray Substances 0.000 claims description 25
- 239000012530 fluid Substances 0.000 claims description 15
- XLYOFNOQVPJJNP-UHFFFAOYSA-N water Substances O XLYOFNOQVPJJNP-UHFFFAOYSA-N 0.000 claims description 13
- 239000003973 paint Substances 0.000 claims description 12
- 230000001680 brushing effect Effects 0.000 claims description 4
- 238000010276 construction Methods 0.000 claims description 2
- 238000005096 rolling process Methods 0.000 description 23
- 238000010586 diagram Methods 0.000 description 12
- 230000009467 reduction Effects 0.000 description 6
- 238000003466 welding Methods 0.000 description 5
- 235000017166 Bambusa arundinacea Nutrition 0.000 description 4
- 235000017491 Bambusa tulda Nutrition 0.000 description 4
- 241001330002 Bambuseae Species 0.000 description 4
- 235000015334 Phyllostachys viridis Nutrition 0.000 description 4
- 239000011425 bamboo Substances 0.000 description 4
- 238000005507 spraying Methods 0.000 description 4
- 229910000831 Steel Inorganic materials 0.000 description 3
- 238000004140 cleaning Methods 0.000 description 3
- JEIPFZHSYJVQDO-UHFFFAOYSA-N iron(III) oxide Inorganic materials O=[Fe]O[Fe]=O JEIPFZHSYJVQDO-UHFFFAOYSA-N 0.000 description 3
- 239000004922 lacquer Substances 0.000 description 3
- 239000010959 steel Substances 0.000 description 3
- 230000009471 action Effects 0.000 description 2
- 239000011248 coating agent Substances 0.000 description 2
- 238000000576 coating method Methods 0.000 description 2
- 230000001276 controlling effect Effects 0.000 description 2
- 239000007788 liquid Substances 0.000 description 2
- 238000012423 maintenance Methods 0.000 description 2
- 230000000149 penetrating effect Effects 0.000 description 2
- 238000007789 sealing Methods 0.000 description 2
- 230000003068 static effect Effects 0.000 description 2
- 229920000742 Cotton Polymers 0.000 description 1
- 230000003796 beauty Effects 0.000 description 1
- 125000004122 cyclic group Chemical group 0.000 description 1
- 238000007599 discharging Methods 0.000 description 1
- 230000000694 effects Effects 0.000 description 1
- 230000003203 everyday effect Effects 0.000 description 1
- 239000000446 fuel Substances 0.000 description 1
- 230000036541 health Effects 0.000 description 1
- 238000004519 manufacturing process Methods 0.000 description 1
- 238000000034 method Methods 0.000 description 1
- 230000004048 modification Effects 0.000 description 1
- 238000012986 modification Methods 0.000 description 1
- 238000007591 painting process Methods 0.000 description 1
- 238000000746 purification Methods 0.000 description 1
- 238000011084 recovery Methods 0.000 description 1
- 230000001105 regulatory effect Effects 0.000 description 1
- 230000029058 respiratory gaseous exchange Effects 0.000 description 1
- 238000006467 substitution reaction Methods 0.000 description 1
- 239000002699 waste material Substances 0.000 description 1
Images
Landscapes
- Spray Control Apparatus (AREA)
Abstract
The utility model relates to a painting equipment, including the painting device, the painting device includes lift cylinder, connecting hole, varnish pond, layer board, brush supporting mechanism, varnish driving system, shower nozzle subassembly, wherein, the flexible end through connection hole of lift cylinder and with layer board fixed connection, the connecting hole is fixed to be set up in varnish pond bottom, it is provided with two locating holes still to symmetry on the layer board, the locating hole is located between two lift cylinders, just the locating hole is run through to brush supporting mechanism's one end, brush supporting mechanism's the other end and the bottom fixed connection of brush, varnish driving system is linked together with the shower nozzle subassembly in order to spout the varnish. The varnish power system works, and the varnish enters the varnish storage cavity and is sprayed onto the wheel set, so that the wheel set can be ensured to contact the varnish in a larger range because the wheel set rotates, and meanwhile, the brush is in contact with the wheel set, so that the wheel set can be uniformly smeared, and manpower is saved.
Description
Technical Field
The utility model relates to a wheel pair mopping technical field especially relates to a mopping equipment.
Background
The wheel set is the part of the rolling stock contacting with the rail and consists of left and right wheels firmly pressed on the same axle, and has the functions of ensuring the running and steering of the rolling stock on the rail, bearing all static and dynamic loads from the rolling stock, transmitting the static and dynamic loads to the rail and transmitting the loads generated by the unsmooth lines to the parts of the rolling stock.
Referring to fig. 1, fig. 1 is a schematic structural diagram of a conventional wheel pair, which generally includes a wheel pair connecting shaft 1011 and a wheel hub 1012, wherein both ends of the wheel pair connecting shaft 1011 penetrate through the wheel hub 1012 and extend to the other side of the wheel hub 1012, the wheel pair connecting shaft 1011 and the wheel hub 1012 are fixedly connected into a whole, and one side of the two wheel hubs 1012 close to each other is provided with a wheel hub flange 10121.
And the maintenance workshop axletree group in the colliery does not have the professional equipment to the wheel pair japanning, adopt artifical handheld cotton and brush to dip in the lacquer completely and carry out the japanning operation, need the operating personnel promote the wheel pair on one side at the japanning in-process, carry out the japanning to whole wheel pair on the other side, intensity of labour is very big when the operation like this, and ten minutes are no less than in the time spent, and according to the production progress in current maintenance workshop, the japanning operation of twenty wheel pairs will be accomplished at least every day, single completion this task, it is extremely long consuming time, low efficiency.
In addition, the worker wears thick and heavy breathing mask and paint for a long time to contact, causes very big harm to worker's health, still needs the paint in clearance operation place at any time, and the possibility of rubbing simultaneously still has certain potential safety hazard.
The utility model discloses a utility model patent that application number is "CN 201520802516.8" discloses a steel pipe alignment rust cleaning brush lacquer purifier, including alignment device one, upper wheel, lower wheel, control screw, switch, motor, brush section of thick bamboo bearing frame, brush section of thick bamboo, wire brush, alignment device two, mopping device, fuel sprayer, oil pump, oil tank, oil-out, entry flange, coating cloud filter, equipment box, access door and export flange, steel pipe alignment rust cleaning brush lacquer machine is become by alignment device, rust cleaning device, mopping device and coating cloud purifier four bibliographic categories branch groups, and this patent scheme mainly carries out the mopping to the steel pipe to be not applicable to the wheel pair, exist moreover and paint varnish and inhomogeneous problem.
Also, as the utility model with the application number "CN 200720092195.2", a full-automatic vehicle wheel pair paint spraying machine is disclosed, which comprises a PLC programming controller and a motor, wherein electrical connection terminals and pneumatic control devices are installed in the left and right upright posts of a gantry type frame, a main paint spraying device is installed in a cross beam, end paint spraying devices are hung on both sides of the gantry, wind and electric pipelines are installed on the inner side of the frame, and a turning wheel mechanism and a wheel feeding and discharging device are installed on a base; however, the patent solution has a problem that the varnish is not uniformly applied.
SUMMERY OF THE UTILITY MODEL
The utility model aims to solve the technical problem that overcome and paint varnish and inhomogeneous problem.
The utility model discloses a following technical means realizes solving above-mentioned technical problem:
the utility model provides a painting equipment, includes the painting device, the painting device includes lift cylinder, connecting hole, varnish pond, layer board, brush supporting mechanism, varnish driving system, shower nozzle subassembly, wherein, the flexible end through connection hole of lift cylinder and with layer board fixed connection, the connecting hole is fixed to be set up in varnish pond bottom, it is provided with two locating holes still to symmetry on the layer board, the locating hole is located between two lift cylinders, just the one end of brush supporting mechanism runs through the locating hole, the other end of brush supporting mechanism and the bottom fixed connection of brush, varnish driving system is linked together with the shower nozzle subassembly in order to spout the varnish.
The varnish power system works, and the varnish enters the varnish storage cavity and is sprayed onto the wheel set, so that the wheel set can be ensured to contact the varnish in a larger range because the wheel set rotates, and meanwhile, the brush is in contact with the wheel set, so that the wheel set can be uniformly smeared, and manpower is saved.
As a further aspect of the present invention: the brush supporting mechanism comprises a positioning pin, an expansion spring and a spring fixing pipe, wherein the positioning pin is inserted into the positioning hole and extends to the upper side of the connecting hole, the expansion spring is sleeved on a part, higher than the supporting plate, of the positioning pin, one end of the expansion spring is fixedly connected with the brush, the other end of the expansion spring is fixedly connected with the top of the supporting plate, the spring fixing pipe is further arranged on the outer side of the expansion spring, the bottom of the spring fixing pipe is fixedly connected with the supporting plate, and the inner diameter of the spring fixing pipe is matched with the expansion spring to accommodate the expansion spring.
As a further aspect of the present invention: and a space is reserved between the top of the spring fixing tube and the bottom of the brush.
As a further aspect of the present invention: the painting device further comprises a varnish power system, the varnish power system comprises a varnish cylinder, a water pump and a first pipeline, the varnish cylinder is of a shell structure with a top being uncovered, the water pump is fixedly arranged inside the varnish cylinder and communicated with one end of the first pipeline, and the other end of the first pipeline is connected into the varnish pool and connected with the spray head assembly.
As a further aspect of the present invention: the shower nozzle subassembly includes varnish storage cavity, shower nozzle, bracing piece, wherein, the bottom of bracing piece is fixed to be set up in the middle of the layer board top, the top and the varnish storage cavity fixed connection of bracing piece, varnish storage cavity is the shell structure of a cavity, varnish storage cavity's top is provided with the shower nozzle of a plurality of intercommunication, the open setting of one end that varnish storage cavity was kept away from to the shower nozzle.
As a further aspect of the present invention: the bottom of the varnish pool further comprises a varnish outlet and a second pipeline, the varnish outlet is connected with one end of the second pipeline, and the other end of the second pipeline is connected into the varnish cylinder.
As a further aspect of the present invention: the first pipeline is provided with a fluid valve to control the on-off of the first pipeline; and the second pipeline is also provided with a fluid valve to control the on-off of the second pipeline.
The utility model has the advantages that:
1. the utility model discloses in, varnish driving system work, the varnish gets into in the varnish storage cavity and spouts to the wheel pair on, because wheel pair self is the pivoted, can guarantee like this that the wheel pair contacts the varnish to the wider, the brush contacts with the wheel pair simultaneously, can paint even, uses manpower sparingly with especially on the wheel pair like this.
2. The utility model discloses in, thereby the mopping device carries out the mopping and does not need the worker to carry out the mopping operation near, effectively guarantees worker safety.
3. The utility model discloses in, varnish bottom of the pool portion still includes the varnish export, the second pipeline, the varnish export is connected with the one end of second pipeline, the other end of second pipeline is connected to in the varnish section of thick bamboo, and all be provided with the fluid valve on first pipeline, the second pipeline, just so can control first pipeline, the break-make of second pipeline through controlling the fluid valve, it is very convenient, and the second pipeline can be with the varnish recovery in the varnish pool to a varnish section of thick bamboo in, realize cyclic utilization, the problem of wasting of resources has been avoided.
Drawings
Fig. 1 is a schematic structural diagram of a conventional wheel pair.
Fig. 2 is a schematic structural diagram of an automatic wheel set painting device provided in embodiment 1 of the present invention.
Fig. 3 is a left side view of the automatic wheel set painting device provided in embodiment 1 of the present invention.
Fig. 4 is a schematic view of a painting device connected to a frame structure in an automatic wheel set painting device provided in embodiment 1 of the present invention.
Fig. 5 is a partial schematic perspective view of a rack structure in an automatic wheel set painting device provided in embodiment 1 of the present invention.
Fig. 6 is an enlarged view of the part a in fig. 5.
Fig. 7 is a schematic view of a state of a slide rail in an automatic wheel set painting device according to an embodiment of the present invention.
Fig. 8 is a schematic view of another state of a slide rail in an automatic wheel set painting device according to an embodiment of the present invention.
Fig. 9 is a schematic view of an operating state of the second driving mechanism in the automatic wheel set painting device according to the embodiment of the present invention.
Fig. 10 is a schematic view of another operating state of the second driving mechanism in the automatic wheel set painting device according to the embodiment of the present invention.
Fig. 11 is a schematic structural diagram of a painting device in an automatic wheel set painting device according to an embodiment of the present invention.
Fig. 12 is a pneumatic schematic diagram of an automatic wheel set painting device according to an embodiment of the present invention.
Fig. 13 is a schematic circuit diagram of an automatic wheel set painting device according to an embodiment of the present invention.
In the figure, 1, a first driving mechanism; 101. a reduction motor; 102. mounting a plate; 103. a first sprocket; 2. a rotating mechanism; 201. a second sprocket; 202. a first rotating shaft; 203. a first bearing; 204. A third sprocket; 3. a fixing assembly; 301. a first fixed structure; 3011. a transverse plate; 3012. a first longitudinal plate; 3013. a second longitudinal plate; 302. a second fixed structure; 4. a wheel set rolling mechanism; 401. A second bearing; 402. a fourth sprocket; 403 main rotating shaft; 404. a driven rotating shaft; 405. rotating the roller; 4051. a first roller; 4052. a second roller; 5. a rocker arm assembly; 501. a disc; 502. A limiting rod; 503. a slide rail; 5031. a first connecting plate; 5032. a support plate; 5033. a second connecting plate; 5034. a third rotating shaft; 5035. a first connecting lug; 5036. a fourth bearing; cylindrical connector 5037, cylindrical; 6. a chute; 7. a frame structure; 701. a first frame enclosure; 7011. a groove; 702. a frame support leg; 703. a second frame coaming plate; 704. a frame connecting plate; 8. a second drive mechanism; 801. a push wheel cylinder; 802. a second engaging lug; 803. a fixed seat 9 and a painting device; 901. a lifting cylinder; 902. connecting holes; 903. a varnish pool; 904. a support plate; 905. a brush; 906. a brush support mechanism; 9061. positioning pins; 9062. a tension spring; 9063. a spring fixing tube; 907. a varnish power system; 9071. a varnish cylinder; 9072. a water pump; 9073. a first conduit; 908. A showerhead assembly; 9081. a varnish storage cavity; 9082. a spray head; 9083. a support bar; 1011. a wheel set connecting shaft; 1012, a wheel hub; 10121. a hub flange.
Detailed Description
To make the purpose, technical solution and advantages of the embodiments of the present invention clearer, the embodiments of the present invention are combined to clearly and completely describe the technical solution in the embodiments of the present invention, and obviously, the described embodiments are some embodiments of the present invention, not all embodiments. Based on the embodiments in the present invention, all other embodiments obtained by a person skilled in the art without creative efforts belong to the protection scope of the present invention.
Example 1
As shown in fig. 2, fig. 2 is a schematic structural diagram of an automatic wheel set painting device provided in embodiment 1 of the present invention; an automatic wheel pair painting device comprises a first driving mechanism 1, a rotating mechanism 2, a fixing assembly 3, a wheel pair rolling mechanism 4 and the fixing assembly 3; the device comprises a rocker arm component 5, a chute 6, a rack structure 7, a second driving mechanism 8 and a painting device 9; wherein:
sliding grooves 6 for accommodating wheel sets are symmetrically formed in two sides of the top of the rack structure 7; a first driving mechanism 1 is fixedly arranged at the bottom of the rack structure 7 through a bolt, and the first driving mechanism 1 is connected with a rotating mechanism 2 which is fixed on the rack structure 7 through a bolt and drives the rotating mechanism 2 to rotate; the fixed assembly 3 is fixed on the side surface of the frame structure 7 and supports the wheel pair rolling mechanism 4; the wheel set rolling mechanism 4 is connected with the rotating mechanism 2, and the rotating mechanism 2 rotates to drive the wheel set rolling mechanism 4 to rotate; the wheel set rolling mechanisms 4 are symmetrically arranged on two sides of the rack structure 7, and the wheel set rolling mechanisms 4 are in contact with wheel sets and drive the wheel sets to rotate;
a plurality of second driving mechanisms 8 are symmetrically arranged on one side, far away from the first driving mechanism 1, of the bottom of the rack structure 7, the second driving mechanisms 8 are hinged to the rocker arm assembly 5, the rocker arm assembly 5 is rotatably connected with the side wall of the rack structure 7, the second driving mechanisms 8 work to drive the rocker arm assembly 5 to rotate around the rotating connection position of the rocker arm assembly and the rack structure 7, and the rocker arm assembly 5 rotates to push the wheel pair to roll to the position above the wheel pair rolling mechanism 4;
the bottom of the frame structure 7 is provided with a painting device 9, and the painting device 9 is arranged between the wheel pair rolling mechanisms 4 which are symmetrical left and right.
It should be noted that the painting device 9 of fig. 2 in this embodiment is shown as a part of the structure, since the rest is located at the bottom of the frame structure 7 (which, if shown, would make the frame structure 7 invisible), and is shown separately in fig. 11 for better ease of viewing.
Further, in this embodiment, in fig. 2, the first driving mechanism 1 includes a speed reduction motor 101, a mounting plate 102, and a first sprocket 103, wherein the speed reduction motor 101 is fixed on the mounting plate 102 by bolts, an output shaft of the speed reduction motor 101 is fixedly connected with a mounting hole of the first sprocket 103, and when the output shaft of the speed reduction motor 101 rotates, the first sprocket 103 is driven to rotate.
Further, in this embodiment, referring to fig. 2 and fig. 3, fig. 3 is a left side view of an automatic wheel set painting device provided in embodiment 1 of the present invention, where the rotating mechanism 2 includes a second sprocket 201, a first rotating shaft 202, a first bearing 203, and a third sprocket 204; second sprocket 201 links to each other with first sprocket 103 through the chain, and when first sprocket 103 rotated, can drive second sprocket 201 and rotate like this, second sprocket 201 is fixed to be set up on first axis of rotation 202, first axis of rotation 202's both ends run through first bearing 203 and rotate with first bearing 203 and be connected, just first axis of rotation 202 extends to the outside of rack construction 7, first axis of rotation 202's both ends still respectively with third sprocket 204's mounting hole fixed connection.
In fig. 2, the fixing assembly 3 includes a first fixing structure 301 symmetrically disposed on two sides of the frame structure 7; the first fixing structure 301 plays a role of supporting the wheel pair rolling mechanism 4; the first fixing structure 301 comprises a transverse plate 3011, a first longitudinal plate 3012 and a second longitudinal plate 3013, and the top of the transverse plate 3011 is symmetrically welded with the first longitudinal plate 3012 and the second longitudinal plate 3013.
Further, in fig. 2, the wheelset rolling mechanism 4 includes a second bearing 401, a fourth sprocket 402, a main rotating shaft 403, a secondary rotating shaft 404, a rolling roller 405, wherein, one end of the main rotating shaft 403 is fixedly connected with the mounting hole of the fourth chain wheel 402, the other end of the main rotating shaft 403 is rotatably connected with a second bearing 401, the second bearing 401 is fixedly installed on the first fixing structure 301 through bolts or welding, the first and second longitudinal plates 3012 and 3013 are penetrated from both ends of the rotating shaft 404 and rotated with respect to the first and second longitudinal plates 3012 and 3013, and one end of the secondary rotating shaft 404 penetrating through the first longitudinal plate 3012 and the second longitudinal plate 3013 passes through the second bearing 401 and is fixedly connected with the primary rotating shaft 403, the other end of the secondary rotating shaft 404 is fixedly connected with the mounting hole of the rotating roller 405 and drives the rotating roller 405 to rotate.
Further, the rotating roller 405 includes a first roller 4051 and a second roller 4052, wherein the first roller 4051 is fixedly connected to the slave rotating shaft 404, the first roller 4051 contacts with the second roller 4052, the second roller 4052 is fixedly connected to the fourth rotating shaft, the fourth rotating shaft is rotatably connected to the third bearing, and the third bearing is fixed to the second longitudinal plate 3011 by a bolt, so that when the first roller 4051 rolls, the second roller 4052 is driven to rotate.
The speed reducing motor 101 is fixed on the mounting plate 102 through bolts, an output shaft of the speed reducing motor 101 is fixedly connected with a mounting hole of the first chain wheel 103, and when the output shaft of the speed reducing motor 101 rotates, the first chain wheel 103 is driven to rotate; the first chain wheel 103 drives the second chain wheel 201 to rotate; the second chain wheel 201 drives the first rotating shaft 202 to rotate, and the first rotating shaft 202 drives the fourth chain wheel 402 to rotate through the third chain wheel 204; the fourth chain wheel 402 drives the first roller 4051 and the second roller 4052 to rotate, so that the wheel pair can roll on the first roller 4051 and the second roller 4052;
further, refer to fig. 5, fig. 6, and fig. 7, fig. 5 is a partial schematic perspective view of a rack structure in a wheel set automatic painting device provided in embodiment 1 of the present invention, fig. 6 is an enlarged structural schematic view of a part a in fig. 5, fig. 7 is a schematic view of a state of a slide rail in a wheel set automatic painting device provided in an embodiment of the present invention, the rocker arm assembly 5 includes a disc 501, a stop lever 502, and a slide rail 503, a stop lever 502 is welded at two ends of the slide rail 503, the stop lever 502 is preferably a cylindrical structure, the disc 501 is welded at the other end of the stop lever 502, and the middle position of the slide rail 503 is rotatably connected with a side wall of the rack structure 7;
further, referring to fig. 7, the slide rail 503 includes a first connecting plate 5031, a supporting plate 5032, a second connecting plate 5033, a third rotating shaft 5034, and a first connecting lug 5035, wherein the first connecting plate 5031 and the second connecting plate 5033 are rectangular structures, the first connecting plate 5031 and the second connecting plate 5033 are welded to form a connecting structure, and an included angle between the first connecting plate 5031 and the second connecting plate 5033 is 45-75 degrees, preferably 60 degrees; a supporting plate 5032 is welded on one side of each of the first connecting plate 5031 and the second connecting plate 5033, which is opposite to the rack structure 7, the supporting plate 5032 is used for supporting the wheel pair to roll on the surface of the supporting plate 5032, a third rotating shaft 5034 is welded on the side of the joint of the first connecting plate 5031 and the second connecting plate 5033, the third rotating shaft 5034 and the supporting plate 5032 are not in the same plane, so that the wheel pair can roll on the supporting plate 5032, and a first connecting lug 5035 is welded on one end of the first connecting plate 5031, which is far from the second connecting plate 5033.
Further, for the sake of beauty and better conformity to practical applications, refer to fig. 8, fig. 8 is another schematic state diagram of a slide rail in an automatic wheel set painting device provided by an embodiment of the present invention; cylindrical connectors 5037 are arranged at the ends of the second connecting plate 5033 and the first connecting plate 5031 away from each other, and the limiting rod 502 is connected with the cylindrical connectors 5037 by welding.
Referring to fig. 3, 6 and 7, the frame structure 7 includes a first frame enclosing plate 701, frame supporting legs 702, a second frame enclosing plate 703 and frame connecting plates 704, wherein the number of the first frame enclosing plate 701 and the second frame enclosing plate 703 is two, the inner surfaces of the two ends of the first frame enclosing plate 701 are respectively connected with the two second frame enclosing plates 703 in a welding manner, the other ends of the two second frame enclosing plates 703 are connected with the other first frame enclosing plate 701 in a welding manner, so as to form a frame structure, and a plurality of frame connecting plates 704 are symmetrically arranged between the top and the bottom of the two symmetrical first frame enclosing plates 701; in this embodiment, the number of the rack connecting plates 704 is six, and the upper and lower positions are three, and the upper and lower heights of each rack connecting plate 704 can be set according to actual conditions, for example, 5cm in this embodiment;
the bottoms of the first frame enclosing plates 701 on the two sides are respectively connected with a plurality of frame supporting legs 702 in a welding mode, preferably, sliding grooves 6 are formed in the tops of the two first frame enclosing plates 701 (of course, the sliding grooves 6 can be formed in the tops of two symmetrically arranged second frame enclosing plates 703), hubs 1012 at the two ends of the wheel pair roll on the tops of the first frame enclosing plates 701, and meanwhile, hub convex edges 10121 roll in the sliding grooves 6; a second longitudinal plate 3013 is fixedly arranged on the outer side surface of the first rack enclosure plate 701 close to the second rack enclosure plate 703 through bolts, a groove 7011 for accommodating a first roller 4051 and a second roller 4052 is further arranged on the first rack enclosure plate 701, the groove 7011 is located above the first fixing structure 301, a second fixing structure 302 is further fixed on the side wall of the first rack enclosure plate 701 below the first fixing structure 301 through bolts, the second fixing structure 302 is the same as the first fixing structure 301 in structure, and detailed description is omitted here; the side wall of the second fixing structure 302 is fixedly connected with the first bearing 203 through bolts;
referring to fig. 5 and 6, a fourth bearing 5036 is further bolted on the inner side surface of the first frame enclosure 701, and the fourth bearing 5036 is rotatably connected to a third rotating shaft 5034; the mounting plate 102 may be fixedly connected to any one of the frame connection plates 704 at the bottom by bolts.
In order to ensure that the sliding rail 503 can rotate around the rotation connection, the first frame enclosing plate 701 is further provided with a rotation cavity for accommodating the sliding rail 503, one end of the rotation cavity extends to one end of the sliding groove 6, and the other end of the rotation cavity is close to the front side of the first frame enclosing plate 701, so that when the sliding rail 503 rotates, the supporting plate 5032 abuts against the hub convex edge 10121 of the wheel pair, thereby pushing the wheel pair to roll forward.
Further, referring to fig. 9 and 10, fig. 9 is a schematic diagram of an operating state of the second driving mechanism in the automatic wheel set painting device according to the embodiment of the present invention; fig. 10 is a schematic view illustrating another working state of the second driving mechanism in the automatic wheel set painting device according to the embodiment of the present invention; the second driving mechanism 8 includes a push wheel cylinder 801, a second connecting lug 802, and a fixing seat 803, the number of the push wheel cylinders 801 is preferably one, the fixing seat 803 is fixed on a rack connecting plate 704 far away from the speed reduction motor 101 by bolts, the fixing seat 803 is hinged to the bottom of the push wheel cylinder 801, the second connecting lug 802 is fixedly installed at the telescopic end of the push wheel cylinder 801, and the second connecting lug 802 is connected to the first connecting lug 5035 by a pin shaft, so that when the push wheel cylinder 801 extends or shortens in operation, the first connecting lug 5035 is pushed to drive the sliding rail 503 to make circular motion around the third rotating shaft 5034; when the wheel pushing cylinder 801 is in an initial state, the first connecting plate 5031 is located below the wheel set, then the wheel pushing cylinder 801 operates, the sliding rail 503 moves circularly around the third rotating shaft 5034, the first connecting plate 5031 drives the wheel set to roll forward, the wheel set stops when rolling to the positions above the first roller 4051 and the second roller 4052, then the wheel pushing cylinder shortens, and the end of the wheel set 5033 far away from the 5031 is higher than the top of the wheel set 701, so that the disc 501 and the limiting rod 502 can play a certain limiting role, and the wheel set is prevented from rolling towards the front side when rolling.
Further, the thickness between the disc 501, the limiting rod 502 and the first connecting plate 5031 is smaller than the width of the sliding slot 6, so that the sliding rail 503 can rotate around the rotating connection.
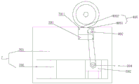
Further, referring to fig. 11, fig. 11 is a schematic structural diagram of a painting device in an automatic wheel set painting device according to an embodiment of the present invention; the painting device 9 comprises a lifting cylinder 901, a connecting hole 902, a varnish pool 903, a supporting plate 904, a brush 905 and a brush supporting mechanism 906, wherein the bottom of the lifting cylinder 901 can be directly and symmetrically fixed on the ground through bolts or on a rack connecting plate 704 right below a wheel pair rolling on a first roller 4051 and a rotating roller 4053, and the lifting cylinder 901 and the speed reducing motor 101 are staggered (for example, the two lifting cylinders 901 are both arranged on the left side of the speed reducing motor 101); the telescopic end of each lifting cylinder 901 penetrates through a connecting hole 902 and is fixedly connected with a support plate 904 through a bolt, the connecting holes 902 are fixedly arranged on two sides of the bottom of the varnish pool 903, two positioning holes 9041 are symmetrically arranged on the support plate 904, the positioning holes 9041 are located between the two lifting cylinders 901, one end of the brush supporting mechanism 906 penetrates through the positioning holes 9041, and the other end of the brush supporting mechanism 906 is fixedly connected with the bottom of the brush 905 through a bolt or a screw.
Further, the brush supporting mechanism 906 comprises a positioning pin 9061, a telescopic spring 9062 and a spring fixing tube 9063, wherein the positioning pin 9061 is inserted into the positioning hole 9041 and extends to the position above the connecting hole 902, the part, higher than the supporting plate 904, of the positioning pin 9061 is sleeved with the positioning pin 9061, one end of the telescopic spring 9062 is fixedly connected with the brush 905, the other end of the telescopic spring 9062 is fixedly connected with the top of the supporting plate 904, the spring fixing tube 9063 is further arranged on the outer side of the telescopic spring 9062, the bottom of the spring fixing tube 9063 is fixedly connected with the supporting plate 904 in a welded mode through bolts or screws, the inner diameter of the spring fixing tube 9063 is matched with the telescopic spring 9062 to accommodate the telescopic spring 9062, and a distance is reserved between the top of the spring fixing tube 9063 and the bottom of the brush 905.
One end of the locating round pin 9061 is fixedly connected with the brush 905, the other end of the locating round pin 9061 penetrates through the telescopic spring 9062 and the locating hole 9041 of the supporting plate 904 to prevent the mechanism from inclining due to the fact that one side of the locating round pin is heavier, the telescopic spring 9062 is arranged in the spring fixing pipe 9063, a certain space is reserved, the requirement of wheel pair painting of different wheel diameter sizes is met, the brush 905 is used for painting sprayed varnish evenly, residual varnish on the wheel pair after painting is removed, and pollution to an operation field is avoided.
Further, in this embodiment, a sealing strip is further disposed at a position where the connecting hole 902 is connected to the telescopic end of the lifting cylinder 901, so that the varnish can be prevented from falling to the ground.
Further, the painting device 9 further includes a varnish power system 907, and the varnish power system 907 includes a varnish cylinder 9071, a water pump 9072, and a first pipeline 9073, where the varnish cylinder 9071 is a shell structure without a cover on the top, the shell structure may be a cuboid, a cylinder, a cube, or the like, and may be selected according to actual conditions, the varnish cylinder 9071 is placed at a short distance from the rack structure 7, the water pump 9072 is fixedly disposed in the varnish cylinder 9071 by bolts, the water pump 9072 is communicated with one end of the first pipeline 9073, and the other end of the first pipeline 9073 is connected to the varnish pool 903 and is connected to the spray head assembly 908.
It should be noted that the first pipe 9073 may penetrate through the bottom of the varnish pool 903 and communicate with the spray head assembly 908, and a sealing ring is also disposed at a position where the first pipe 9073 penetrates through the varnish pool 903, and similarly, the first pipe 9073 may also directly extend through the outside (not penetrating through the bottom of the varnish pool 903 at this time) to the inside of the varnish pool 903 and communicate with the spray head assembly 908;
the spray head assembly 908 comprises a varnish storage cavity 9081, spray heads 9082 and a supporting rod 9083, wherein the bottom of the supporting rod 9083 is fixedly arranged in the middle of the top of the supporting plate 904 through bolts, and can be detached when not used, the top of the supporting rod 9083 is fixedly connected with the varnish storage cavity 9081 through bolts or screws, the varnish storage cavity 9081 is of a hollow shell structure, a plurality of communicated spray heads 9082 are arranged at the top of the varnish storage cavity 9081, one end, far away from the varnish storage cavity 9081, of each spray head 9082 is arranged in an open mode, so that when the water pump 9072 works, varnish can enter the varnish storage cavity 9081 through a first pipeline 9073, and then is sprayed onto the wheel pair under the action of the water pump 9072 and the spray heads 9082, and the wheel pair rotates, so that the wheel pair can be in contact with the varnish to a larger extent, and the brush 905 is in contact with the wheel pair, therefore, the wheel pair can be particularly and uniformly coated, and labor is saved.
Further, in order to improve the working efficiency, in this embodiment, a plurality of spray holes are formed in the top of the spray head 9082, so that the sprayed varnish and the wheel pair can have a larger contact area, and the working efficiency is improved.
Meanwhile, in order to save varnish and prevent waste, in this embodiment, the bottom of the varnish pool 903 further includes a varnish outlet and a second pipeline, the varnish outlet is connected with one end of the second pipeline, and the other end of the second pipeline is connected into the varnish cylinder 9071, so that the varnish in the varnish pool 903 can be reused.
Further, the present embodiment further includes a plurality of fluid valves, preferably a group, where one of the fluid valves is disposed on the first conduit 9073 and is used to control on/off of the first conduit 9073; and the other fluid valve is arranged on the second pipeline and used for controlling the on-off of the second pipeline.
Also, in order to remotely operate the opening and closing of the fluid valves, a solenoid directional valve Y2 is further included in the embodiment, and the solenoid directional valve Y2 is communicated with the two fluid valves; and the battery valve is connected with the external control chip.
The working principle is as follows: when the wheel pushing cylinder 801 is in an initial state, the first connecting plate 5031 is located below the wheel set, then the wheel pushing cylinder 801 extends to work, the sliding rail 503 moves circularly around the third rotating shaft 5034, the first connecting plate 5031 drives the wheel set to roll forward upwards, and stops when rolling to the positions above the first roller 4051 and the second roller 4052, and at this time, paint brushing is performed; meanwhile, the disc 501 and the limiting rod 502 arranged at one end of the second connecting plate 5033 far away from the first connecting plate 5031 can be higher than the top of the first frame enclosing plate 701, so that the disc 501 and the limiting rod 502 can play a certain limiting role to prevent the wheel pair from rolling towards the front side in the painting process;
after the painting operation is completed, the wheel pushing cylinder 801 is shortened, the sliding rail 503 reversely makes a circular motion around the third rotating shaft 5034, and the second connecting plate 5033 drives the wheel pair to roll backwards, so that the wheel pair after painting is conveniently recycled;
the speed reducing motor 101 is fixed on the mounting plate 102 through bolts, an output shaft of the speed reducing motor 101 is fixedly connected with a mounting hole of the first chain wheel 103, and when the output shaft of the speed reducing motor 101 rotates, the first chain wheel 103 is driven to rotate; the first chain wheel 103 drives the second chain wheel 201 to rotate; the second chain wheel 201 drives the first rotating shaft 202 to rotate, and the first rotating shaft 202 drives the fourth chain wheel 402 to rotate through the third chain wheel 204; the fourth chain wheel 402 drives the first roller 4051 and the second roller 4052 to rotate, so that the wheel pair can roll on the first roller 4051 and the second roller 4052;
the water pump 9072 is controlled to work, varnish can enter the varnish storage cavity 9081 through the first pipeline 9073, and then the varnish is sprayed onto the wheel pair under the action of the water pump 9072 and the spray head 9082, the wheel pair rotates, so that the wheel pair can be guaranteed to be in contact with the varnish in a larger range, meanwhile, the brush 905 is in contact with the wheel pair, the wheel pair can be particularly uniformly coated, and manpower is saved.
Example 2
Referring to fig. 13, fig. 13 is a schematic circuit diagram of an automatic wheel set painting device according to an embodiment of the present invention; the utility model also comprises a painting control circuit, wherein the painting control circuit comprises a chip control module and a motor control module, and the chip control module is electrically connected with the motor control module;
the model of the chip control module is CP1E-E40 SDR-A; an L1 pin of the chip control module is connected with a zero line N;
the motor control module comprises a push-button switch S0, a fuse FU1, a fuse FU2, a fuse FU3, an alternating current contactor KM0, an alternating current contactor KM1, an alternating current contactor KM2, a motor M1 and a motor M2, wherein the alternating current contactor KM0 comprises a coil KM01 and a normally open contact KM 02; the alternating current contactor KM1 comprises a coil KM11 and a normally open contact KM 12; the alternating current contactor KM2 comprises a coil KM21 and a normally open contact KM 22; the live wire L3 is electrically connected with one end of a fuse FU1, the other end of the fuse FU1 is electrically connected with one end of a coil KM01, and the other end of the coil KM01 is electrically connected with a push-button switch S0;
the normally open contact KM02 comprises an M1 contact, an M2 contact and an M3 contact, wherein the M1 contact, the M2 contact and the M3 contact are electrically connected with a live wire L1, a live wire L2 and a live wire L3 respectively, and the M3 contact is also electrically connected with an L2 pin of the chip control module;
one end of the fuse FU2 is electrically connected with the M3 contact; the other end of the fuse FU2 is electrically connected with one end of a coil KM12, the other end of the coil KM12 is electrically connected with a switch K1, and the other end of the switch K1 is electrically connected with a zero line N; one end of the normally open contact KM11 is electrically connected with the M1 contact, the M2 contact and the M3 contact of the normally open contact KM02, and the other end of the normally open contact KM11 is electrically connected with the motor M2;
one end of the fuse FU3 is electrically connected with the M3 contact, the other end of the fuse FU3 is electrically connected with one end of the coil KM22, the other end of the coil KM22 is electrically connected with one end of the switch K2, and the other end of the switch K2 is electrically connected with the zero line N; one end of the normally open contact KM21 is electrically connected with the M1 contact, the M2 contact and the M3 contact of the normally open contact KM02, and the other end of the normally open contact KM21 is electrically connected with the motor M1.
Preferably, in this embodiment, the motor M1 is a liquid spraying motor, and the motor M2 is a rolling motor.
Further, in this embodiment, a coil is disposed in the chip control module, and pins 004 and 005 of the chip control module are further connected to a switch K2, so as to remotely control the switch K2 to be turned on or off;
the 006 pin and 007 pin of the chip control module are also connected with the switch K2, so that the switch K2 is remotely controlled to be turned on or off.
Example 3
Referring to fig. 12, fig. 12 is a pneumatic schematic diagram of an automatic wheel set painting device according to an embodiment of the present invention; the pneumatic system comprises a pneumatic triple piece, an electromagnetic reversing valve Y1, an electromagnetic reversing valve Y2 and an electromagnetic reversing valve Y3; the pneumatic triple piece is respectively communicated with an air inlet P1 of an electromagnetic directional valve Y1, an air inlet P2 of an electromagnetic directional valve Y2 and an air inlet P3 of an electromagnetic directional valve Y3;
an air outlet A1 of the electromagnetic directional valve Y1 is communicated with air inlets of a group of lifting cylinders 901; the air outlet of the lifting cylinder and the air inlet B1 of the electromagnetic directional valve Y1 are electrically connected with the Lina Jie
The air outlet A2 of the electromagnetic directional valve Y2 is respectively communicated with the air inlets of a group of fluid valves, and the air outlet of the fluid valves is communicated with the air inlet B2 of the electromagnetic directional valve Y2;
an air outlet A3 of the electromagnetic directional valve Y3 is communicated with an air inlet of a group of push wheel cylinders, and an air outlet of the push wheel cylinders is communicated with an air inlet B3 of an electromagnetic directional valve Y3;
the electromagnetic reversing valve Y1, the electromagnetic reversing valve Y2 and the electromagnetic reversing valve Y3 are two-position five-way 4V210-08 pneumatic control electromagnetic reversing valves respectively.
Preferably, in this embodiment, an air pressure regulating valve is further installed on the first pipeline connected to the air inlet of the electromagnetic directional valve Y1.
After the air source is subjected to the purification and pressure regulation effects of the pneumatic triple piece, the air source is connected to air inlets P (namely air inlets P of the electromagnetic directional valve Y1, the electromagnetic directional valve Y2 and the electromagnetic directional valve Y3) of the three two-position five-way 4V210-08 pneumatic control electromagnetic directional valves through air pipes.
Furthermore, in this embodiment, the electromagnetic directional valve Y1, the electromagnetic directional valve Y2, and the electromagnetic directional valve Y3 are further electrically connected to pins 01000, 01001, and 01003 of the chip control module, so that the electromagnetic directional valve Y1, the electromagnetic directional valve Y2, and the electromagnetic directional valve Y3 can be remotely controlled;
when the electromagnetic directional valve Y1 is electrified, the valve core moves to the right valve position, the piston rod of the lifting cylinder 901 extends out to drive the brush 905 spray head component 908 to ascend, when the electromagnetic directional valve is electrified, the valve core moves to the left valve position, the piston rod of the lifting cylinder 901 retracts, and the brush 905 and the spray head component 908 descend; when the electromagnetic directional valve Y2 is electrified, the valve core moves to the right valve position, the fluid valve on the second pipeline is closed, and the fluid valve on the first pipeline is opened to spray liquid; when the electromagnetic directional valve Y3 is electrified, the valve core moves to the right valve position, the wheel outlet cylinder 801 extends out, the rotating arm 5 is driven to rotate, and the wheel pair is pushed out.
The above embodiments are only used to illustrate the technical solution of the present invention, and not to limit it; although the present invention has been described in detail with reference to the foregoing embodiments, it should be understood by those skilled in the art that: the technical solutions described in the foregoing embodiments may still be modified, or some technical features may be equivalently replaced; such modifications and substitutions do not depart from the spirit and scope of the present invention in its corresponding aspects.
Claims (10)
1. A paint brushing device is characterized by comprising a paint brushing device (9), wherein the paint brushing device (9) comprises a lifting cylinder (901), a connecting hole (902), a varnish pool (903), a supporting plate (904), a brush (905), a brush supporting mechanism (906), a varnish power system (907) and a spray head assembly (908), wherein the telescopic end of the lifting cylinder (901) penetrates through the connecting hole (902) and is fixedly connected with the supporting plate (904), the connecting hole (902) is fixedly arranged at the bottom of the varnish pool (903), the supporting plate (904) is also symmetrically provided with two positioning holes (9041), the positioning holes (9041) are positioned between the two lifting cylinders (901), one end of the brush supporting mechanism (906) penetrates through the positioning hole (9041), the other end of the brush supporting mechanism (906) is fixedly connected with the bottom of the brush (905), the varnish power system (907) is in communication with the spray head assembly (908) to spray varnish.
2. The painting equipment according to claim 1, wherein the brush support mechanism (906) comprises a positioning pin (9061), a telescopic spring (9062) and a spring fixing pipe (9063), wherein the positioning pin (9061) is inserted into the positioning hole (9041) and extends above the connecting hole (902), the part, higher than the supporting plate (904), of the positioning pin (9061) is sleeved with the telescopic spring (9062), one end of the telescopic spring (9062) is fixedly connected with the brush (905), the other end of the telescopic spring (9062) is fixedly connected with the top of the supporting plate (904), the spring fixing pipe (9063) is further arranged on the outer side of the telescopic spring (9062), and the bottom of the spring fixing pipe (9063) is fixedly connected with the supporting plate (904).
3. A painting apparatus according to claim 2, characterised in that the spring retaining tube (9063) has an internal diameter which cooperates with the telescopic spring (9062) to accommodate the telescopic spring (9062).
4. A painting apparatus according to claim 2, characterised in that the top of the spring retaining tube (9063) is spaced from the bottom of the brush (905).
5. The painting equipment according to claim 1, wherein the painting device (9) further comprises a varnish power system (907), the varnish power system (907) comprises a varnish cylinder (9071), a water pump (9072) and a first pipeline (9073), the water pump (9072) is fixedly arranged inside the varnish cylinder (9071), the water pump (9072) is communicated with one end of the first pipeline (9073), and the other end of the first pipeline (9073) is connected into the varnish pool (903) and is connected with the spray head assembly (908).
6. A painting apparatus according to claim 5, characterised in that the varnish cartridge (9071) is of a shell construction with no lid on top.
7. The painting equipment according to claim 1, wherein the spray head assembly (908) comprises a varnish storage cavity (9081), a spray head (9082) and a support rod (9083), wherein the bottom of the support rod (9083) is fixedly arranged in the middle of the top of the supporting plate (904), the top of the support rod (9083) is fixedly connected with the varnish storage cavity (9081), a plurality of communicated spray heads (9082) are arranged at the top of the varnish storage cavity (9081), and one end, far away from the varnish storage cavity (9081), of each spray head (9082) is arranged in an open mode to spray varnish.
8. Painting equipment according to claim 7, characterised in that the varnish storage chamber (9081) is a hollow shell structure.
9. The painting equipment according to claim 5, characterized in that the bottom of the varnish pool (903) further comprises a varnish outlet, a second conduit, the varnish outlet being connected with one end of the second conduit, the other end of the second conduit being connected into the varnish cylinder (9071).
10. A painting apparatus according to claim 9, characterised in that the first conduit (9073) is provided with a fluid valve to control the make and break of the first conduit (9073); and the second pipeline is also provided with a fluid valve to control the on-off of the second pipeline.
Priority Applications (1)
| Application Number | Priority Date | Filing Date | Title |
|---|---|---|---|
| CN202021600489.3U CN213644601U (en) | 2020-08-04 | 2020-08-04 | Painting equipment |
Applications Claiming Priority (1)
| Application Number | Priority Date | Filing Date | Title |
|---|---|---|---|
| CN202021600489.3U CN213644601U (en) | 2020-08-04 | 2020-08-04 | Painting equipment |
Publications (1)
| Publication Number | Publication Date |
|---|---|
| CN213644601U true CN213644601U (en) | 2021-07-09 |
Family
ID=76691903
Family Applications (1)
| Application Number | Title | Priority Date | Filing Date |
|---|---|---|---|
| CN202021600489.3U Active CN213644601U (en) | 2020-08-04 | 2020-08-04 | Painting equipment |
Country Status (1)
| Country | Link |
|---|---|
| CN (1) | CN213644601U (en) |
-
2020
- 2020-08-04 CN CN202021600489.3U patent/CN213644601U/en active Active
Similar Documents
| Publication | Publication Date | Title |
|---|---|---|
| CN111871642B (en) | Automatic wheel set painting device | |
| CN102874228B (en) | Full-automatic computer car washing machine | |
| CN111889262A (en) | Wheel set painting method | |
| CN213435246U (en) | Protective equipment capable of painting wheel pair | |
| CN213644601U (en) | Painting equipment | |
| CN111282762A (en) | Large-scale integral removal spray booth | |
| CN213435172U (en) | Rocker arm equipment for driving wheel pair to roll forwards and backwards | |
| CN110694435A (en) | Alarm device for heavy truck longitudinal beam stamping type production line | |
| CN201042706Y (en) | Machine for cleaning internal thread non-penetrated hole of main reducing gear shell | |
| CN104117454A (en) | Primer paint spraying chamber | |
| CN214515481U (en) | Robot paint spraying system | |
| CN207076597U (en) | A kind of automatic paint-spraying machine | |
| CN220861797U (en) | Be used for steel construction japanning device | |
| CN103386408A (en) | Automatic oil storage tank overturning and cleaning device | |
| CN211397778U (en) | Wall-climbing robot with fan tower drum cleaning strip brushing function | |
| CN114405739B (en) | Flush coater with cleaning function | |
| CN210646964U (en) | Three-dimensional quick paint spraying mechanism | |
| CN213825448U (en) | Paint spraying device for opening steel drum | |
| CN211801811U (en) | Security protection subassembly is with high-efficient paint spraying apparatus | |
| CN211397779U (en) | Oil sludge cleaning and wall climbing robot for fan tower cylinder | |
| CN215354182U (en) | Building material's spraying device | |
| CN221453052U (en) | Coating device for power equipment | |
| CN217527905U (en) | Magnetic wall-climbing spraying robot | |
| CN214559812U (en) | Steel construction anticorrosive paint's spraying device | |
| CN218610074U (en) | Electrostatic powder spraying production equipment for lorry |
Legal Events
| Date | Code | Title | Description |
|---|---|---|---|
| GR01 | Patent grant | ||
| GR01 | Patent grant |