CN213564704U - 一种浸胶纸用压平装置 - Google Patents
一种浸胶纸用压平装置 Download PDFInfo
- Publication number
- CN213564704U CN213564704U CN202022137769.1U CN202022137769U CN213564704U CN 213564704 U CN213564704 U CN 213564704U CN 202022137769 U CN202022137769 U CN 202022137769U CN 213564704 U CN213564704 U CN 213564704U
- Authority
- CN
- China
- Prior art keywords
- roller
- hot pressing
- fixedly connected
- conveying
- hot
- Prior art date
- Legal status (The legal status is an assumption and is not a legal conclusion. Google has not performed a legal analysis and makes no representation as to the accuracy of the status listed.)
- Active
Links
- 238000007731 hot pressing Methods 0.000 claims abstract description 81
- 230000006835 compression Effects 0.000 claims abstract description 7
- 238000007906 compression Methods 0.000 claims abstract description 7
- 238000009423 ventilation Methods 0.000 claims description 11
- XLYOFNOQVPJJNP-UHFFFAOYSA-N water Substances O XLYOFNOQVPJJNP-UHFFFAOYSA-N 0.000 claims description 11
- 238000003825 pressing Methods 0.000 claims description 10
- 238000003860 storage Methods 0.000 claims description 10
- 238000007598 dipping method Methods 0.000 claims description 8
- 238000000034 method Methods 0.000 abstract description 7
- 230000000694 effects Effects 0.000 abstract description 3
- 239000000123 paper Substances 0.000 description 38
- 230000037303 wrinkles Effects 0.000 description 6
- 229920000877 Melamine resin Polymers 0.000 description 3
- 230000008901 benefit Effects 0.000 description 2
- 230000002349 favourable effect Effects 0.000 description 2
- 239000011094 fiberboard Substances 0.000 description 2
- 238000010409 ironing Methods 0.000 description 2
- JDSHMPZPIAZGSV-UHFFFAOYSA-N melamine Chemical compound NC1=NC(N)=NC(N)=N1 JDSHMPZPIAZGSV-UHFFFAOYSA-N 0.000 description 2
- 239000004640 Melamine resin Substances 0.000 description 1
- 239000000853 adhesive Substances 0.000 description 1
- 230000001070 adhesive effect Effects 0.000 description 1
- 230000009286 beneficial effect Effects 0.000 description 1
- 239000003086 colorant Substances 0.000 description 1
- 238000001035 drying Methods 0.000 description 1
- 238000004519 manufacturing process Methods 0.000 description 1
- 239000003595 mist Substances 0.000 description 1
- 239000011120 plywood Substances 0.000 description 1
- 238000002791 soaking Methods 0.000 description 1
- 238000007711 solidification Methods 0.000 description 1
- 230000008023 solidification Effects 0.000 description 1
- 239000007921 spray Substances 0.000 description 1
- 238000003892 spreading Methods 0.000 description 1
- 239000002023 wood Substances 0.000 description 1
Images
Landscapes
- Paper (AREA)
Abstract
本实用新型公开了一种浸胶纸用压平装置,包括工作台,所述工作台顶部固定连接有热压箱,所述热压箱内部设有热压室,所述热压室内设有热压辊,所述热压辊顶部设有电动推杆,所述电动推杆一端与热压箱内壁顶部固定连接,所述电动推杆输出端固定连接有连接杆,所述热压辊两端分别与连接杆两端转动连接。本实用新型通过夹持上辊和夹持下辊对浸胶纸进行夹持固定,浸胶纸依次经过上抬辊和下压辊,浸胶纸在传送过程中形成V字形路径,浸胶纸表面的褶皱在不同方向力的作用下得到拉伸扯平,热压辊转动并对浸胶纸表面的褶皱进行热压熨平,浸胶纸在热压前经过牵拉装置的V字形拉扯作用,使得热压后的平整度得到有效提升。
Description
技术领域
本实用新型涉及浸胶纸生产技术领域,具体涉及一种浸胶纸用压平装置。
背景技术
三聚氰胺板,简称三氰板,行业内比较喜欢叫生态板,全称是三聚氰胺浸渍胶膜纸饰面人造板,是将带有不同颜色或纹理的纸放入三聚氰胺树脂胶粘剂中浸泡,得到浸胶纸,然后干燥到一定固化程度,将其铺装在刨花板、防潮板、中密度纤维板、胶合板、细木工板、多层板或其他硬质纤维板表面,经热压而成的装饰板,在生产过程中,一般是由数层纸张组合而成,数量多少根据用途而定,由于是经过防火、抗磨、防水浸泡处理的,使用效果雷同于复合木地板。浸胶纸在使用前需要对其进行压平,以避免浸胶纸表面的褶皱影响后续产品质量。
但是在实际使用时,市面上大多数的压平装置只能进行简单的竖直热压,浸胶纸表面的褶皱很难得到有效压平。
因此,发明一种浸胶纸用压平装置来解决上述问题很有必要。
实用新型内容
本实用新型的目的是提供一种浸胶纸用压平装置,以解决技术中市面上大多数的压平装置只能进行简单的竖直热压,浸胶纸表面的褶皱很难得到有效压平的问题。
为了实现上述目的,本实用新型提供如下技术方案:一种浸胶纸用压平装置,包括工作台,所述工作台顶部固定连接有热压箱,所述热压箱内部设有热压室,所述热压室内设有热压辊,所述热压辊顶部设有电动推杆,所述电动推杆一端与热压箱内壁顶部固定连接,所述电动推杆输出端固定连接有连接杆,所述热压辊两端分别与连接杆两端转动连接,所述工作台顶部远离热压箱的一侧设有牵拉装置,所述牵拉装置包括夹持辊,所述夹持辊由夹持上辊和夹持下辊组成,所述夹持上辊设置于夹持下辊顶部,所述夹持上辊与夹持下辊相匹配,所述夹持上辊一侧设有上抬辊,所述上抬辊远离夹持上辊的一侧设有下压辊,所述热压箱远离下压辊的一侧设有传送辊,所述传送辊由传送上辊和传送下辊组成,所述传送上辊设置于传送下辊顶部,所述传送上辊与传送下辊相匹配,所述传送上辊两侧均设有支撑柱,所述支撑柱底部与工作台固定连接,所述传送上辊和传送下辊两端分别与相靠近的支撑柱转动连接。
优选的,所述夹持上辊两侧均设有第一固定柱,所述第一固定柱底部与工作台固定连接,所述夹持上辊和夹持下辊两端分别与相靠近的第一固定柱转动连接。
优选的,所述上抬辊两侧均设有第二固定柱,所述第二固定柱底部与工作台固定连接,所述上抬辊两端分别与相靠近的第二固定柱转动连接。
优选的,所述下压辊两侧均设有第三固定柱,所述第三固定柱底部与工作台固定连接,所述下压辊两端分别与相靠近的第三固定柱转动连接。
优选的,所述热压箱两侧均开设有通槽,所述通槽内设有滑辊,所述滑辊两端分别与热压箱两侧转动连接。
优选的,所述热压箱靠近下压辊的一侧固定连接有储水箱,所述储水箱一侧固定连接有进水管,所述储水箱底部固定连接有雾化喷头,所述雾化喷头的数量设置为多个,多个所述雾化喷头呈直线阵列分布。
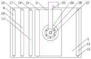
优选的,所述热压箱一侧开设有通风孔,所述通风孔内设有排气扇,所述热压箱靠近通风孔的一侧固定连接有通风管。
优选的,所述热压箱顶部固定连接有固定座,所述固定座顶部通过螺丝固定连接有净化器,所述通风管一端与热压室相连通,所述通风管另一端与净化器相连通,所述净化器顶部固定连接有排气管。
在上述技术方案中,本实用新型提供的技术效果和优点:
通过夹持上辊和夹持下辊对浸胶纸进行夹持固定,防止浸胶纸在传送过程中发生位置偏移,浸胶纸依次经过上抬辊和下压辊,浸胶纸在传送过程中形成V字形路径,浸胶纸表面的褶皱在不同方向力的作用下得到拉伸扯平,雾化喷头对浸胶纸表面进行一定程度的润湿,电动推杆输出端推动连接杆和热压辊进行下压,热压辊转动并对浸胶纸表面的褶皱进行热压熨平,浸胶纸在热压前经过牵拉装置的V字形拉扯作用,使得热压后的平整度得到有效提升。
附图说明
为了更清楚地说明本申请实施例或现有技术中的技术方案,下面将对实施例中所需要使用的附图作简单地介绍,显而易见地,下面描述中的附图仅仅是本实用新型中记载的一些实施例,对于本领域普通技术人员来讲,还可以根据这些附图获得其他的附图。
图1为本实用新型的整体结构示意图;
图2为本实用新型的剖视图;
图3为本实用新型的左视图;
图4为本实用新型的俯视图;
图5为本实用新型的电动推杆与热压辊连接结构示意图;
图6为本实用新型的滑辊与热压箱连接结构示意图。
附图标记说明:
1工作台、2热压箱、3热压室、4热压辊、5电动推杆、6连接杆、7夹持辊、8夹持上辊、9夹持下辊、10上抬辊、11下压辊、12传送辊、13传送上辊、14传送下辊、15支撑柱、16第一固定柱、17第二固定柱、18第三固定柱、19通槽、20滑辊、21储水箱、22雾化喷头、23通风孔、24排气扇、25通风管、26固定座、27净化器、28排气管。
具体实施方式
为了使本领域的技术人员更好地理解本实用新型的技术方案,下面将结合附图对本实用新型作进一步的详细介绍。
本实用新型提供了如图1-6所示的一种浸胶纸用压平装置,包括工作台1,所述工作台1顶部固定连接有热压箱2,所述热压箱2内部设有热压室3,所述热压室3内设有热压辊4,所述热压辊4顶部设有电动推杆5,所述电动推杆5一端与热压箱2内壁顶部固定连接,所述电动推杆5输出端固定连接有连接杆6,所述热压辊4两端分别与连接杆6两端转动连接,所述工作台1顶部远离热压箱2的一侧设有牵拉装置,所述牵拉装置包括夹持辊7,所述夹持辊7由夹持上辊8和夹持下辊9组成,所述夹持上辊8设置于夹持下辊9顶部,所述夹持上辊8与夹持下辊9相匹配,所述夹持上辊8一侧设有上抬辊10,所述上抬辊10远离夹持上辊8的一侧设有下压辊11,所述热压箱2远离下压辊11的一侧设有传送辊12,所述传送辊12由传送上辊13和传送下辊14组成,所述传送上辊13设置于传送下辊14顶部,所述传送上辊13与传送下辊14相匹配,所述传送上辊13两侧均设有支撑柱15,所述支撑柱15底部与工作台1固定连接,所述传送上辊13和传送下辊14两端分别与相靠近的支撑柱15转动连接。
进一步的,在上述技术方案中,所述夹持上辊8两侧均设有第一固定柱16,所述第一固定柱16底部与工作台1固定连接,所述夹持上辊8和夹持下辊9两端分别与相靠近的第一固定柱16转动连接。
进一步的,在上述技术方案中,所述上抬辊10两侧均设有第二固定柱17,所述第二固定柱17底部与工作台1固定连接,所述上抬辊10两端分别与相靠近的第二固定柱17转动连接。
进一步的,在上述技术方案中,所述下压辊11两侧均设有第三固定柱18,所述第三固定柱18底部与工作台1固定连接,所述下压辊11两端分别与相靠近的第三固定柱18转动连接。
进一步的,在上述技术方案中,所述热压箱2两侧均开设有通槽19,所述通槽19内设有滑辊20,所述滑辊20两端分别与热压箱2两侧转动连接,滑辊20的设置有利于防止浸胶纸在传送过程中与通槽19发生摩擦。
进一步的,在上述技术方案中,所述热压箱2靠近下压辊11的一侧固定连接有储水箱21,所述储水箱21一侧固定连接有进水管,所述储水箱21底部固定连接有雾化喷头22,所述雾化喷头22的数量设置为多个,多个所述雾化喷头22呈直线阵列分布,雾化喷头22的设置有利于对浸胶纸表面进行润湿,以便于后续进行热压。
进一步的,在上述技术方案中,所述热压箱2一侧开设有通风孔23,所述通风孔23内设有排气扇24,所述热压箱2靠近通风孔23的一侧固定连接有通风管25,通风孔23、排气扇24和通风管25的设置有利于将浸胶纸热压时产生的有害气体从热压室3导入净化器27内。
进一步的,在上述技术方案中,所述热压箱2顶部固定连接有固定座26,所述固定座26顶部通过螺丝固定连接有净化器27,所述通风管25一端与热压室3相连通,所述通风管25另一端与净化器27相连通,所述净化器27顶部固定连接有排气管28,净化器27的设置有利于对浸胶纸热压时产生的有害气体进行吸收。
本实用工作原理:
参照说明书附图1-6,将干燥后的浸胶纸一端穿过夹持辊7,然后依次绕过上抬辊10上方和下压辊11下方,并经由热压箱2两侧的通槽19穿过热压室3,最后将浸胶纸的一端穿过传送辊12,启动传送辊12,传送上辊13和传送下辊14将浸胶纸的一端夹紧并向前牵引,夹持上辊8和夹持下辊9对浸胶纸进行夹持固定,防止浸胶纸在传送过程中发生位置偏移,浸胶纸依次经过上抬辊10和下压辊11,浸胶纸在传送过程中形成V字形路径,浸胶纸表面的褶皱在不同方向力的作用下得到拉伸扯平,在浸胶纸进入热压室3前启动雾化喷头22,雾化喷头22将薄薄的水雾喷洒向浸胶纸表面并对浸胶纸进行一定程度的润湿,启动电动推杆5和热压辊4,电动推杆5输出端推动连接杆6和热压辊4进行下压,热压辊4转动并对浸胶纸表面的褶皱进行热压熨平,经过压平的浸胶纸由传送辊12传送至下一道操作线上。
以上只通过说明的方式描述了本实用新型的某些示范性实施例,毋庸置疑,对于本领域的普通技术人员,在不偏离本实用新型的精神和范围的情况下,可以用各种不同的方式对所描述的实施例进行修正。因此,上述附图和描述在本质上是说明性的,不应理解为对本实用新型权利要求保护范围的限制。
Claims (8)
1.一种浸胶纸用压平装置,包括工作台(1),其特征在于:所述工作台(1)顶部固定连接有热压箱(2),所述热压箱(2)内部设有热压室(3),所述热压室(3)内设有热压辊(4),所述热压辊(4)顶部设有电动推杆(5),所述电动推杆(5)一端与热压箱(2)内壁顶部固定连接,所述电动推杆(5)输出端固定连接有连接杆(6),所述热压辊(4)两端分别与连接杆(6)两端转动连接,所述工作台(1)顶部远离热压箱(2)的一侧设有牵拉装置,所述牵拉装置包括夹持辊(7),所述夹持辊(7)由夹持上辊(8)和夹持下辊(9)组成,所述夹持上辊(8)设置于夹持下辊(9)顶部,所述夹持上辊(8)与夹持下辊(9)相匹配,所述夹持上辊(8)一侧设有上抬辊(10),所述上抬辊(10)远离夹持上辊(8)的一侧设有下压辊(11),所述热压箱(2)远离下压辊(11)的一侧设有传送辊(12),所述传送辊(12)由传送上辊(13)和传送下辊(14)组成,所述传送上辊(13)设置于传送下辊(14)顶部,所述传送上辊(13)与传送下辊(14)相匹配,所述传送上辊(13)两侧均设有支撑柱(15),所述支撑柱(15)底部与工作台(1)固定连接,所述传送上辊(13)和传送下辊(14)两端分别与相靠近的支撑柱(15)转动连接。
2.根据权利要求1所述的一种浸胶纸用压平装置,其特征在于:所述夹持上辊(8)两侧均设有第一固定柱(16),所述第一固定柱(16)底部与工作台(1)固定连接,所述夹持上辊(8)和夹持下辊(9)两端分别与相靠近的第一固定柱(16)转动连接。
3.根据权利要求1所述的一种浸胶纸用压平装置,其特征在于:所述上抬辊(10)两侧均设有第二固定柱(17),所述第二固定柱(17)底部与工作台(1)固定连接,所述上抬辊(10)两端分别与相靠近的第二固定柱(17)转动连接。
4.根据权利要求1所述的一种浸胶纸用压平装置,其特征在于:所述下压辊(11)两侧均设有第三固定柱(18),所述第三固定柱(18)底部与工作台(1)固定连接,所述下压辊(11)两端分别与相靠近的第三固定柱(18)转动连接。
5.根据权利要求1所述的一种浸胶纸用压平装置,其特征在于:所述热压箱(2)两侧均开设有通槽(19),所述通槽(19)内设有滑辊(20),所述滑辊(20)两端分别与热压箱(2)两侧转动连接。
6.根据权利要求1所述的一种浸胶纸用压平装置,其特征在于:所述热压箱(2)靠近下压辊(11)的一侧固定连接有储水箱(21),所述储水箱(21)一侧固定连接有进水管,所述储水箱(21)底部固定连接有雾化喷头(22),所述雾化喷头(22)的数量设置为多个,多个所述雾化喷头(22)呈直线阵列分布。
7.根据权利要求1所述的一种浸胶纸用压平装置,其特征在于:所述热压箱(2)一侧开设有通风孔(23),所述通风孔(23)内设有排气扇(24),所述热压箱(2)靠近通风孔(23)的一侧固定连接有通风管(25)。
8.根据权利要求7所述的一种浸胶纸用压平装置,其特征在于:所述热压箱(2)顶部固定连接有固定座(26),所述固定座(26)顶部通过螺丝固定连接有净化器(27),所述通风管(25)一端与热压室(3)相连通,所述通风管(25)另一端与净化器(27)相连通,所述净化器(27)顶部固定连接有排气管(28)。
Priority Applications (1)
| Application Number | Priority Date | Filing Date | Title |
|---|---|---|---|
| CN202022137769.1U CN213564704U (zh) | 2020-09-25 | 2020-09-25 | 一种浸胶纸用压平装置 |
Applications Claiming Priority (1)
| Application Number | Priority Date | Filing Date | Title |
|---|---|---|---|
| CN202022137769.1U CN213564704U (zh) | 2020-09-25 | 2020-09-25 | 一种浸胶纸用压平装置 |
Publications (1)
| Publication Number | Publication Date |
|---|---|
| CN213564704U true CN213564704U (zh) | 2021-06-29 |
Family
ID=76579897
Family Applications (1)
| Application Number | Title | Priority Date | Filing Date |
|---|---|---|---|
| CN202022137769.1U Active CN213564704U (zh) | 2020-09-25 | 2020-09-25 | 一种浸胶纸用压平装置 |
Country Status (1)
| Country | Link |
|---|---|
| CN (1) | CN213564704U (zh) |
Cited By (1)
| Publication number | Priority date | Publication date | Assignee | Title |
|---|---|---|---|---|
| CN118578681A (zh) * | 2024-06-06 | 2024-09-03 | 威海华福轿车内饰有限公司 | 一种汽车脚垫生产用贴合设备 |
-
2020
- 2020-09-25 CN CN202022137769.1U patent/CN213564704U/zh active Active
Cited By (2)
| Publication number | Priority date | Publication date | Assignee | Title |
|---|---|---|---|---|
| CN118578681A (zh) * | 2024-06-06 | 2024-09-03 | 威海华福轿车内饰有限公司 | 一种汽车脚垫生产用贴合设备 |
| CN118578681B (zh) * | 2024-06-06 | 2024-11-19 | 威海华福轿车内饰有限公司 | 一种汽车脚垫生产用贴合设备 |
Similar Documents
| Publication | Publication Date | Title |
|---|---|---|
| CN107322985B (zh) | 防爆裂的瓦楞纸双压线装置 | |
| CN111854390A (zh) | 一种用于瓦楞纸加工的烘干机及其操作方法 | |
| CN213564704U (zh) | 一种浸胶纸用压平装置 | |
| CN107638996A (zh) | 一种双面涂布机 | |
| CN112109469B (zh) | 一种财务用智能装订装置 | |
| CN210980701U (zh) | 一种纸质包装箱烘干装置 | |
| CN111501407A (zh) | 一种铝箔纸抗菌涂层制备设备及制备工艺 | |
| CN210684214U (zh) | 一种提高面料定型效果的定型机装置 | |
| CN204109544U (zh) | 一种印刷机的下料装置 | |
| CN220519718U (zh) | 一种全自动带材高压清洗机 | |
| CN111974608A (zh) | 一种保温板加工用涂胶装置 | |
| CN206663862U (zh) | 瓦楞纸复合干燥装置 | |
| CN207958856U (zh) | 一种纸板上光装置 | |
| CN212374564U (zh) | 一种预涂感光版在线敷纸装置 | |
| CN212888084U (zh) | 一种胶合板快速涂胶装置 | |
| CN213670227U (zh) | 一种家用防霉防潮spc地板的表面处理装置 | |
| CN212247655U (zh) | 纸板自动干燥装置 | |
| CN211663865U (zh) | 一种美术作品保存装置 | |
| CN219187568U (zh) | 一种胶合板快速涂胶装置 | |
| CN210458761U (zh) | 一种造纸机网部纸页脱水成型装置 | |
| CN206500330U (zh) | 一种铝板表面涂层自动涂布装置 | |
| CN217764380U (zh) | 全面烘干的瓦楞纸生产用去湿装置 | |
| CN112406198A (zh) | 纸平板纸护角生产线 | |
| CN220841693U (zh) | 一种浸胶纸用热压熨平装置 | |
| CN222287737U (zh) | 一种铝板双面快速负压涂布的装置 |
Legal Events
| Date | Code | Title | Description |
|---|---|---|---|
| GR01 | Patent grant | ||
| GR01 | Patent grant |