CN213533685U - Circuit device for allowing cooling water to enter and exit from one side of injection mold - Google Patents
Circuit device for allowing cooling water to enter and exit from one side of injection mold Download PDFInfo
- Publication number
- CN213533685U CN213533685U CN202022469095.5U CN202022469095U CN213533685U CN 213533685 U CN213533685 U CN 213533685U CN 202022469095 U CN202022469095 U CN 202022469095U CN 213533685 U CN213533685 U CN 213533685U
- Authority
- CN
- China
- Prior art keywords
- cooling water
- fixedly connected
- device main
- main part
- main body
- Prior art date
- Legal status (The legal status is an assumption and is not a legal conclusion. Google has not performed a legal analysis and makes no representation as to the accuracy of the status listed.)
- Active
Links
- 239000000498 cooling water Substances 0.000 title claims abstract description 49
- 238000002347 injection Methods 0.000 title claims abstract description 23
- 239000007924 injection Substances 0.000 title claims abstract description 23
- 238000001816 cooling Methods 0.000 claims abstract description 20
- 230000007306 turnover Effects 0.000 claims abstract description 7
- XLYOFNOQVPJJNP-UHFFFAOYSA-N water Substances O XLYOFNOQVPJJNP-UHFFFAOYSA-N 0.000 claims description 15
- 230000005855 radiation Effects 0.000 claims description 2
- 230000000694 effects Effects 0.000 description 7
- 239000012535 impurity Substances 0.000 description 7
- 230000017525 heat dissipation Effects 0.000 description 6
- 238000000034 method Methods 0.000 description 4
- 239000000110 cooling liquid Substances 0.000 description 2
- 125000004122 cyclic group Chemical group 0.000 description 2
- 239000011324 bead Substances 0.000 description 1
- 230000009286 beneficial effect Effects 0.000 description 1
- 239000002826 coolant Substances 0.000 description 1
- 230000007547 defect Effects 0.000 description 1
- 238000010586 diagram Methods 0.000 description 1
- 238000003780 insertion Methods 0.000 description 1
- 230000037431 insertion Effects 0.000 description 1
- 238000009434 installation Methods 0.000 description 1
- 239000007788 liquid Substances 0.000 description 1
- 239000000243 solution Substances 0.000 description 1
Images
Landscapes
- Moulds For Moulding Plastics Or The Like (AREA)
Abstract
The utility model discloses a return circuit device of injection mold unilateral business turn over cooling water, including device main part, mould main part and fly leaf, the intermediate position fixedly connected with second heat transfer case on device main part top, and the inside top of second heat transfer incasement portion is provided with second heat conduction fin, the first heat conduction fin of the equal fixedly connected with in both sides of first heat transfer case outside, the intermediate position of the outside one side of device main part is provided with the cooling tube, and the inside swing joint of cooling tube has the fly leaf. The utility model discloses an at the both sides fixed connection's on device main part top fixed block, the device main part can be placed in the bottom of mould main part, then the fixed block can block into the inboard of fixture block, can rotate spacing bolt in fixation nut is inside this moment, then spacing bolt can be at the inside removal of fixation nut to make inside spacing bolt can insert the jack, thereby realized the fixed of fixed block, make the bottom of installing in the mould main part that the device main part can be stable, then made things convenient for the use of device.
Description
Technical Field
The utility model relates to a cooling device technical field specifically is a return circuit device of injection mold unilateral business turn over cooling water.
Background
As is well known, the loop device for cooling water to enter and exit from one side of the injection mold is an auxiliary device for cooling the injection mold to make it work better, and is widely used in the field of injection molds, and the existing loop device for cooling water to enter and exit from one side of the injection mold still has many problems in the using process, and the specific problems are as follows:
1. the existing loop device for the single-side inlet and outlet of cooling water of the injection mold has more cooling requirements in the using process, so that the cooling effect is poor;
2. the existing loop device for the cooling water to enter and exit from the single side of the injection mold cannot be conveniently disassembled and assembled in the using process, so that the installation and the use of the existing loop device are inconvenient;
3. the existing loop device for the cooling water to enter and exit from the single side of the injection mold has the defects that in the using process, external impurities easily enter the device, and the using effect of the device is influenced.
Disclosure of Invention
An object of the utility model is to provide an injection mold unilateral business turn over return circuit device of cooling water to the cooling effect who proposes in solving above-mentioned background art is not good, can not be convenient carry out the dismouting, the inside scheduling problem of external impurity easy access device.
In order to achieve the above object, the utility model provides a following technical scheme: a loop device for the single-side inlet and outlet of cooling water of an injection mold comprises a device main body, a first heat exchange box, a mold main body and a movable plate, wherein a second heat exchange box is fixedly connected at the middle position of the top end of the device main body, and the top end of the interior of the second heat exchange box is provided with a second heat conduction fin, the top end of the device main body is provided with a mould main body, and the two sides of the bottom end of the main body of the die are fixedly connected with clamping blocks, the bottom end in the main body of the device is fixedly connected with a cooling water tank, a first heat exchange box is arranged inside the cooling water tank, first heat conduction fins are fixedly connected with both sides of the outer part of the first heat exchange box, a water inlet pipe is fixedly connected with the top end of one side of the first heat exchange box, and the bottom fixedly connected with outlet pipe of first heat transfer case one side, the intermediate position of the outside one side of device main part is provided with the cooling tube, and the inside swing joint of cooling tube has the fly leaf.
Preferably, cooling fan is installed to the intermediate position on the inside top of device main part, and one side of the inside of device main part is provided with the water pump, the both sides on the outside top of device main part all fixedly connected with fixed block, and the inside both sides of fixed block all are provided with the jack.
Preferably, one side fixedly connected with fixed plate of cooling tube, and the inside both sides of fixed plate all are provided with first logical groove.
Preferably, the inside both sides of radiator pipe all are provided with the spout, and the inside swing joint of spout has the sliding ball, and the sliding ball can slide in the spout is inside, improves fly leaf pivoted smoothness nature.
Preferably, one side of the clamping block is fixedly connected with a fixing nut, and the inside of the fixing nut is movably connected with a limiting bolt.
Preferably, both sides of the interior of the movable plate are provided with second through grooves, and the middle position of one side of the movable plate is fixedly connected with a connecting rod.
Compared with the prior art, the beneficial effects of the utility model are that:
(1) this kind of return circuit device of injection mold unilateral business turn over cooling water, through the second heat transfer case of top fixed connection at the device main part, the water pump can be with inside coolant liquid input second heat transfer incasement portion of cooling water tank, then send back inside the cooling water tank once more, realize the circulation, and the heat that the mould main part produced can be absorbed to the second heat conduction fin, then absorb by the cooling water and take away, external cooling water can get into first heat transfer incasement portion through the oral siphon, then discharge through the outlet pipe, and heat in the inside cooling water of cooling water tank can be absorbed to first heat conduction fin, then absorb by the water that gets into first heat transfer incasement portion and take away, and cooling fan can carry out the forced air cooling heat dissipation to cooling water tank, thereby make the inside cooling water of cooling water tank can cyclic utilization, the radiating effect has been improved.
(2) This kind of return circuit device of injection mold unilateral business turn over cooling water, fixed block through the both sides fixed connection on device main part top, the device main part can be placed in the bottom of mould main part, then the fixed block can block the inboard of fixture block, can rotate spacing bolt in fixation nut inside this moment, then spacing bolt can be at the inside removal of fixation nut, and make inside spacing bolt can insert the jack, thereby realized the fixed of fixed block, make the bottom in the mould main part of installing that the device main part can be stable, then made things convenient for the use of device.
(3) This kind of return circuit arrangement of injection mold unilateral business turn over cooling water, through the cooling tube that sets up in one side of device main part, during the device uses, can drive the fly leaf through rotating the connecting rod and rotate in the cooling tube is inside, thereby make the second lead to the groove and coincide with first logical groove, then the inside heat of device main part just can discharge through first logical groove, after the use, rotate the fly leaf once more, make the second lead to the groove and misplace with first logical groove, then outside impurity just can not get into inside the device main part, thereby inside having avoided outside impurity entering device, influence the result of use of device.
Drawings
FIG. 1 is a schematic front sectional view of the present invention;
FIG. 2 is an enlarged structural view of the heat dissipating tube of the present invention;
FIG. 3 is a schematic side view of the heat dissipating tube of the present invention;
fig. 4 is a schematic side view of the movable plate of the present invention;
fig. 5 is an enlarged schematic structural diagram of a in fig. 1 according to the present invention.
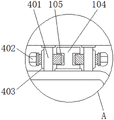
In the figure: 1. a device main body; 101. a water pump; 102. a heat radiation fan; 103. a cooling water tank; 104. a fixed block; 105. a jack; 2. a radiating pipe; 201. a fixing plate; 202. a chute; 203. a sliding bead; 204. a first through groove; 3. a first heat exchange tank; 301. a first heat-conducting fin; 302. a water inlet pipe; 303. a water outlet pipe; 4. a mold body; 401. a clamping block; 402. a limit bolt; 403. fixing a nut; 5. a second heat exchange tank; 501. a second heat-conducting fin; 6. a movable plate; 601. a connecting rod; 602. a second through slot.
Detailed Description
The technical solutions in the embodiments of the present invention will be described clearly and completely with reference to the accompanying drawings in the embodiments of the present invention, and it is obvious that the described embodiments are only some embodiments of the present invention, not all embodiments. Based on the embodiments in the present invention, all other embodiments obtained by a person skilled in the art without creative work belong to the protection scope of the present invention.
Referring to fig. 1-5, the present invention provides an embodiment: a loop device for allowing cooling water to enter and exit from one side of an injection mold comprises a device main body 1, a first heat exchange box 3, a mold main body 4 and a movable plate 6, wherein a second heat exchange box 5 is fixedly connected to the middle position of the top end of the device main body 1, a heat dissipation fan 102 is installed at the middle position of the top end inside the device main body 1, a water pump 101 is arranged on one side inside the device main body 1, fixed blocks 104 are fixedly connected to two sides of the top end outside the device main body 1, jacks 105 are formed in two sides inside the fixed blocks 104, and the heat dissipation fan 102 blows out heat dissipated from the cooling water in the cooling water tank 103 to achieve partial heat dissipation;
the top end of the inside of the second heat exchange box 5 is provided with a second heat conduction fin 501, the top end of the device main body 1 is provided with a die main body 4, two sides of the bottom end of the die main body 4 are fixedly connected with clamping blocks 401, one side of each clamping block 401 is fixedly connected with a fixing nut 403, a limiting bolt 402 is movably connected inside each fixing nut 403, the limiting bolt 402 can rotate inside each fixing nut 403, the limiting bolt 402 can move inside each fixing nut 403, and the limiting bolt 402 can be inserted into the corresponding insertion hole 105, so that the fixing of the fixing block 104 is realized, and the device main body 1 can be stably installed at the bottom end of the die main body 4;
the bottom end inside the device main body 1 is fixedly connected with a cooling water tank 103, a first heat exchange box 3 is arranged inside the cooling water tank 103, two sides of the outside of the first heat exchange box 3 are fixedly connected with first heat conducting fins 301, the top end of one side of the first heat exchange box 3 is fixedly connected with a water inlet pipe 302, and the bottom end of one side of the first heat exchange box 3 is fixedly connected with a water outlet pipe 303, so that cooling water inside the cooling water tank 103 can be recycled, and the heat dissipation effect is improved;
the radiating pipe 2 is arranged in the middle of one side of the outer part of the device main body 1, the fixing plate 201 is fixedly connected to one side of the radiating pipe 2, the first through grooves 204 are formed in two sides of the inner part of the fixing plate 201, the movable plate 6 is movably connected to the inner part of the radiating pipe 2, the second through grooves 602 are formed in two sides of the inner part of the movable plate 6, and the connecting rod 601 is fixedly connected to the middle of one side of the movable plate 6, so that external impurities are prevented from entering the device and affecting the use effect of the;
the inside both sides of cooling tube 2 all are provided with spout 202, and the inside swing joint of spout 202 has sliding ball 203, and sliding ball 203 can be inside the slip of spout 202, can increase the pivoted smoothness nature of fly leaf 6.
The working principle is as follows: when the device is used, the device body 1 can be placed at the bottom end of the die body 4, the fixing block 104 can be clamped into the inner side of the clamping block 401, the limiting bolt 402 can be rotated in the fixing nut 403 at the moment, the limiting bolt 402 can move in the fixing nut 403, and the limiting bolt 402 can be inserted into the jack 105, so that the fixing of the fixing block 104 is realized, the device body 1 can be stably installed at the bottom end of the die body 4, the device is convenient to use, the water pump 101 can input cooling liquid in the cooling water tank 103 into the second heat exchange box 5 and then send the cooling liquid back into the cooling water tank 103 again to realize circulation, the second heat conduction fins 501 can absorb heat generated by the die body 4 and then be absorbed and taken away by cooling water, external cooling water can enter the first heat exchange box 3 through the water inlet pipe 302 and then be discharged through the water outlet pipe 303, and the first heat conduction fins 301 can absorb heat in the cooling water tank 103, then absorbed by the inside water that gets into first heat exchange case 3 and taken away, and radiator fan 102 can carry out the forced air cooling heat dissipation to cooling water tank 103, thereby make the inside cooling water of cooling water tank 103 can cyclic utilization, the radiating effect has been improved, when the device used, can drive fly leaf 6 through rotating connecting rod 601 and rotate inside cooling tube 2, thereby make second through-groove 602 and the coincidence of first logical groove 204, then the inside heat of device main part 1 just can discharge through first logical groove 204, after the use, rotate fly leaf 6 once more, make second through-groove 602 and the dislocation of first logical groove 204, then outside impurity just can not get into inside device main part 1, thereby inside having avoided outside impurity entering device, influence the result of use of device.
It is obvious to a person skilled in the art that the invention is not restricted to details of the above-described exemplary embodiments, but that it can be implemented in other specific forms without departing from the spirit or essential characteristics of the invention. The present embodiments are therefore to be considered in all respects as illustrative and not restrictive, the scope of the invention being indicated by the appended claims rather than by the foregoing description, and all changes which come within the meaning and range of equivalency of the claims are therefore intended to be embraced therein. Any reference sign in a claim should not be construed as limiting the claim concerned.
Claims (6)
1. The utility model provides a return circuit device of injection mold unilateral business turn over cooling water, includes device main part (1), first heat transfer case (3), mould main part (4) and fly leaf (6), its characterized in that: the device comprises a device main body (1), a second heat exchange box (5) is fixedly connected to the middle position of the top end of the device main body (1), a second heat conduction fin (501) is arranged on the top end of the interior of the second heat exchange box (5), a mold main body (4) is arranged on the top end of the device main body (1), clamping blocks (401) are fixedly connected to two sides of the bottom end of the mold main body (4), a cooling water tank (103) is fixedly connected to the bottom end of the interior of the device main body (1), a first heat exchange box (3) is arranged inside the cooling water tank (103), first heat conduction fins (301) are fixedly connected to two sides of the exterior of the first heat exchange box (3), an inlet pipe (302) is fixedly connected to the top end of one side of the first heat exchange box (3), an outlet pipe (303) is fixedly connected to the bottom end of one side of the first heat exchange box (3), a, and a movable plate (6) is movably connected inside the radiating pipe (2).
2. The circuit device for the single-side inlet and outlet of cooling water of an injection mold according to claim 1, wherein: the device is characterized in that a heat radiation fan (102) is installed in the middle of the top end inside the device main body (1), a water pump (101) is arranged on one side inside the device main body (1), fixing blocks (104) are fixedly connected to the two sides of the top end outside the device main body (1), and inserting holes (105) are formed in the two sides inside the fixing blocks (104).
3. The circuit device for the single-side inlet and outlet of cooling water of an injection mold according to claim 1, wherein: one side fixedly connected with fixed plate (201) of cooling tube (2), and the inside both sides of fixed plate (201) all are provided with first logical groove (204).
4. The circuit device for the single-side inlet and outlet of cooling water of an injection mold according to claim 1, wherein: the inside both sides of cooling tube (2) all are provided with spout (202), and the inside swing joint of spout (202) has sliding ball (203).
5. The circuit device for the single-side inlet and outlet of cooling water of an injection mold according to claim 1, wherein: one side of the clamping block (401) is fixedly connected with a fixing nut (403), and a limiting bolt (402) is movably connected inside the fixing nut (403).
6. The circuit device for the single-side inlet and outlet of cooling water of an injection mold according to claim 1, wherein: the two sides in the movable plate (6) are provided with second through grooves (602), and the middle position of one side of the movable plate (6) is fixedly connected with a connecting rod (601).
Priority Applications (1)
| Application Number | Priority Date | Filing Date | Title |
|---|---|---|---|
| CN202022469095.5U CN213533685U (en) | 2020-10-30 | 2020-10-30 | Circuit device for allowing cooling water to enter and exit from one side of injection mold |
Applications Claiming Priority (1)
| Application Number | Priority Date | Filing Date | Title |
|---|---|---|---|
| CN202022469095.5U CN213533685U (en) | 2020-10-30 | 2020-10-30 | Circuit device for allowing cooling water to enter and exit from one side of injection mold |
Publications (1)
| Publication Number | Publication Date |
|---|---|
| CN213533685U true CN213533685U (en) | 2021-06-25 |
Family
ID=76502455
Family Applications (1)
| Application Number | Title | Priority Date | Filing Date |
|---|---|---|---|
| CN202022469095.5U Active CN213533685U (en) | 2020-10-30 | 2020-10-30 | Circuit device for allowing cooling water to enter and exit from one side of injection mold |
Country Status (1)
| Country | Link |
|---|---|
| CN (1) | CN213533685U (en) |
Cited By (1)
| Publication number | Priority date | Publication date | Assignee | Title |
|---|---|---|---|---|
| CN116252445A (en) * | 2023-03-09 | 2023-06-13 | 南通超达装备股份有限公司 | Automotive interior spare injection mold with cooling structure |
-
2020
- 2020-10-30 CN CN202022469095.5U patent/CN213533685U/en active Active
Cited By (2)
| Publication number | Priority date | Publication date | Assignee | Title |
|---|---|---|---|---|
| CN116252445A (en) * | 2023-03-09 | 2023-06-13 | 南通超达装备股份有限公司 | Automotive interior spare injection mold with cooling structure |
| CN116252445B (en) * | 2023-03-09 | 2023-11-21 | 南通超达装备股份有限公司 | Automotive interior spare injection mold with cooling structure |
Similar Documents
| Publication | Publication Date | Title |
|---|---|---|
| CN217258017U (en) | Precise injection mold with cooling effect | |
| CN213533685U (en) | Circuit device for allowing cooling water to enter and exit from one side of injection mold | |
| CN215833855U (en) | Computer based on artificial intelligence data processing | |
| CN213094741U (en) | Computer network switch heat abstractor | |
| CN214293991U (en) | Water cooling device for plastic mold | |
| CN209158801U (en) | An injection mold for lampshade processing with cooling function | |
| CN220140011U (en) | Radiator of servo driver | |
| CN203024110U (en) | Composite type light-emitting diode (LED) integrated optical source radiator | |
| CN219457867U (en) | New energy battery installation device with heat radiation structure | |
| CN222001299U (en) | Cooling device for wire drawing eye die | |
| CN209594132U (en) | A cooling device for a liquid-cooled charging power supply, and a charging power supply | |
| CN222655600U (en) | Electronic element radiator | |
| CN221476038U (en) | Injection mold cooling mechanism | |
| CN208596347U (en) | A multifunctional computer case | |
| CN220460727U (en) | Cooling device for high-temperature solution | |
| CN214960799U (en) | Integrated heat radiator of communication terminal equipment | |
| CN219741134U (en) | Real-time dynamic early warning device of perception system | |
| CN217721874U (en) | Good heat dissipation's electric mounting panel | |
| CN219352163U (en) | Radiating assembly for power electronics | |
| CN218068767U (en) | Computer CPU heat abstractor | |
| CN210835983U (en) | A convenient external cooling device for electronic communication equipment | |
| CN218675965U (en) | Air-cooled radiator for host computer | |
| CN217522796U (en) | Photovoltaic module back heat sink | |
| CN219748845U (en) | Lithium battery support die base with heat dissipation cooling structure | |
| CN215825891U (en) | Easy radiating cosmetic bottle injection mold |
Legal Events
| Date | Code | Title | Description |
|---|---|---|---|
| GR01 | Patent grant | ||
| GR01 | Patent grant | ||
| CP03 | Change of name, title or address |
Address after: 518107 101-401, building B, No. 1, datianyang Industrial Zone, Shiwei community, Matian street, Guangming District, Shenzhen, Guangdong Patentee after: Shenzhen Xingdong Precision Technology Co.,Ltd. Address before: 518100 the first and second floors of building 7, datianyang Industrial Zone, Shiwei, Jiangshi community, Gongming office, Guangming New District, Shenzhen City, Guangdong Province Patentee before: Shenzhen Xingdong plastic mould Co.,Ltd. |
|
| CP03 | Change of name, title or address |