CN213325754U - A dustless material station of throwing for masterbatch processing - Google Patents

A dustless material station of throwing for masterbatch processing Download PDF

Info

Publication number
CN213325754U
CN213325754U CN202022285732.3U CN202022285732U CN213325754U CN 213325754 U CN213325754 U CN 213325754U CN 202022285732 U CN202022285732 U CN 202022285732U CN 213325754 U CN213325754 U CN 213325754U
Authority
CN
China
Prior art keywords
dust
driving
screen
shell
motor
Prior art date
Legal status (The legal status is an assumption and is not a legal conclusion. Google has not performed a legal analysis and makes no representation as to the accuracy of the status listed.)
Active
Application number
CN202022285732.3U
Other languages
Chinese (zh)
Inventor
郭树峰
杨洪梅
Current Assignee (The listed assignees may be inaccurate. Google has not performed a legal analysis and makes no representation or warranty as to the accuracy of the list.)
Wudi Ningyan Plastic Masterbatch Co ltd
Original Assignee
Wudi Ningyan Plastic Masterbatch Co ltd
Priority date (The priority date is an assumption and is not a legal conclusion. Google has not performed a legal analysis and makes no representation as to the accuracy of the date listed.)
Filing date
Publication date
Application filed by Wudi Ningyan Plastic Masterbatch Co ltd filed Critical Wudi Ningyan Plastic Masterbatch Co ltd
Priority to CN202022285732.3U priority Critical patent/CN213325754U/en
Application granted granted Critical
Publication of CN213325754U publication Critical patent/CN213325754U/en
Active legal-status Critical Current
Anticipated expiration legal-status Critical

Links

Images

Landscapes

  • Auxiliary Devices For Machine Tools (AREA)

Abstract

The utility model discloses a dust-free feeding station for color master batch processing, which relates to a dust-free feeding station and mainly aims to solve the problems that the dust absorption range of the existing equipment is small and insufficient; the dust collection device comprises a shell, a screen and a dust collection unit, wherein the screen is arranged below a feed port in the inner cavity of the shell, the dust collection unit is arranged at the top of the inner cavity of the shell and comprises a dust collection assembly and a dust collector, the dust collection assembly is connected with the dust collector through an air pipe and comprises a rotary disc, a sleeve, a driving sleeve, a connecting pipe, a dust collection pipe and a driving mechanism for driving the connecting pipe to rotate, the middle part of the screen is rotatably connected with the shell through a mounting shaft, a power mechanism for driving the screen to swing back and forth is arranged below the screen in the shell, the power mechanism comprises a third motor, a crankshaft, a connecting rod journal, a driving rod and an ejector rod, and the dust; be equipped with power unit, drive the reciprocal swing of screen cloth, improved screening efficiency.

Description

A dustless material station of throwing for masterbatch processing
Technical Field
The utility model relates to a dustless material station of throwing specifically is a dustless material station of throwing for masterbatch processing.
Background
Dustless material station of throwing is applicable to unpacking, input, screening and unloading of pouch material among food, pharmacy, chemical industry, metallurgical industry, and specially adapted powder is artifical throws the material and sieves in advance, because the effect of collection dirt fan during unpacking, can avoid the material dust to fly upward everywhere, when the pouch material need be unpacked and pour into next process, only need artifical direct unpack after input this system, produced material dust is collected by collection dirt fan when throwing the material. The material can intercept large materials and foreign matters through a vibrating screen (a safety screen), so that finished products (qualified materials) meeting the requirements are ensured to enter the next process.
The existing dust-free feeding station only sucks dust through the suction inlet at a fixed position, and when the space of an inner cavity is large, the dust suction range is small and insufficient, so that the dust removal efficiency is reduced.
SUMMERY OF THE UTILITY MODEL
An object of the utility model is to provide a dustless material station of throwing for masterbatch processing to solve above-mentioned problem.
In order to achieve the above object, the utility model provides a following technical scheme:
a dust-free feeding station for color masterbatch processing comprises a shell, a screen and a dust absorption unit, wherein the screen is arranged below a feeding port in an inner cavity of the shell, the dust absorption unit is arranged at the top of the inner cavity of the shell and comprises a dust absorption component and a dust collector, the dust absorption component is connected with the dust collector through an air pipe and comprises a turntable, a sleeve, a driving sleeve, a connecting pipe, a dust absorption pipe and a driving mechanism for driving the connecting pipe to rotate, a second motor is fixedly arranged at the top of the inner cavity of the shell, the turntable is fixedly arranged on an output shaft of the second motor, the sleeve is hinged to the outer ring of the end face of the turntable, the driving sleeve is movably arranged in the sleeve in a penetrating manner, the driving sleeve penetrates through the top of the shell and extends to the upper part of the driving sleeve, the connecting pipe is rotatably arranged in the driving sleeve in a penetrating manner, a driving mechanism is connected between the connecting pipe and the driving sleeve, one end of the air pipe penetrates through the top of the connecting pipe and is rotatably connected with the connecting pipe, and the other end of the air pipe is connected with a dust suction port of the dust collector.
On the basis of the technical scheme, the utility model discloses still provide following optional technical scheme:
in one alternative: the dust collector is fixedly arranged on the shell.
In one alternative: the bottom of the shell is symmetrically fixed with supporting legs, and the bottom ends of the supporting legs are provided with self-locking universal wheels.
In one alternative: the driving mechanism comprises a first motor and a gear pair, the first motor is fixedly installed on the driving sleeve, and the first motor is connected with the connecting pipe through the gear pair in a driving mode.
In one alternative: the gear pair is a straight gear pair.
In one alternative: the screen cloth middle part is rotated through installation axle and shell and is connected, and the shell internal bit screen cloth below is equipped with the power unit that is used for driving its reciprocating swing, power unit includes third motor, bent axle, rod journal, actuating lever and ejector pin, the bent axle rotates to be installed in the screen cloth below, and third motor fixed mounting just drives on the shell and connects bent axle one end, and the bent axle both ends all are equipped with the rod journal, and the cooperation is connected with the actuating lever on the rod journal, sets up the logical groove that supplies the rod journal to pass and move on the actuating lever, and fixed mounting has the ejector pin on the actuating lever, and the ejector pin top contacts bottom the screen cloth, and fixed mounting has the deflector that supplies the ejector pin.
In one alternative: and the bottom of the shell is in threaded connection with a positioning drill rod.
Compared with the prior art, the beneficial effects of the utility model are as follows:
1. the dust collection device is provided with a dust collection unit, the dust collection unit comprises a dust collection assembly and a dust collector, the dust collection assembly is connected with the dust collector through an air pipe, the dust collection assembly comprises a rotary table, a sleeve, a driving sleeve, a connecting pipe, a dust collection pipe and a driving mechanism for driving the connecting pipe to rotate, the dust collector works and sucks dust through the air pipe, the connecting pipe and the dust collection pipe, a first motor drives the connecting pipe to rotate through a gear pair, the connecting pipe drives the dust collection pipe to rotate, meanwhile, a second motor drives the rotary table to rotate, the rotary table drives the sleeve to revolve, the sleeve drives the driving sleeve to swing, and the driving sleeve drives the connecting pipe and the dust collection pipe to swing, so;
2. a power mechanism for driving the screen to swing in a reciprocating mode is arranged below the screen in the shell and comprises a third motor, a crankshaft, a connecting rod journal, a driving rod and ejector rods, the third motor drives the crankshaft to rotate, the connecting rod journal of the crankshaft drives the driving rod and the ejector rods on the driving rod to move up and down, the two ejector rods are matched to drive the screen to swing in a reciprocating mode, and screening efficiency is improved.
Drawings
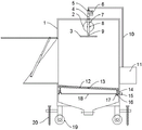
Fig. 1 is a schematic structural diagram of a first embodiment of the present invention.
Fig. 2 is a schematic structural view of the driving rod and the carrier rod according to the first embodiment of the present invention.
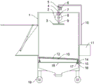
Fig. 3 is a schematic structural diagram of a second embodiment of the present invention.
Notations for reference numerals: the device comprises a shell, a 2-rotating disc, a 3-dust suction pipe, a 4-driving sleeve, a 5-gear pair, a 6-first motor, a 7-sleeve, a 8-second motor, a 9-connecting pipe, a 10-air pipe, a 11-dust collector, a 12-screen, a 13-mounting shaft, a 14-ejector rod, a 15-third motor, a 16-driving rod, a 17-connecting rod shaft neck, an 18-crankshaft, a 19-self-locking universal wheel and a 20-positioning drill rod.
Detailed Description
The present invention will be described in detail with reference to the following embodiments, wherein like or similar elements are designated by like reference numerals throughout the drawings or description, and wherein the shape, thickness or height of the various elements may be expanded or reduced in practical applications. The embodiments of the present invention are provided only for illustration, and not for limiting the scope of the present invention. Any obvious and obvious modifications or alterations to the present invention can be made without departing from the spirit and scope of the present invention.
Example 1
Referring to fig. 1-2, in the embodiment of the present invention, a dust-free feeding station for color masterbatch processing includes a housing 1, a screen 12 and a dust absorption unit, where the housing 1 has the same structure as that of a conventional dust-free feeding station, and is not described herein again, supporting legs are symmetrically fixed to the bottom of the housing 1, self-locking universal wheels 19 are installed at the bottom ends of the supporting legs, so as to facilitate movement of the device, the screen 12 is installed below a feeding port in the inner cavity of the housing 1, the dust absorption unit is installed at the top of the inner cavity of the housing 1 and includes a dust absorption component and a dust collector 11, the dust absorption component is connected to the dust collector 11 through an air pipe 10, the dust absorption component includes a turntable 2, a sleeve 7, a driving sleeve 4, a connecting pipe 9, a dust absorption pipe 3 and a driving mechanism for driving the connecting pipe 9 to rotate, a second motor 8 is fixedly installed at the top of the, the outer ring of the end face of the turntable 2 is hinged with a sleeve 7, a driving sleeve 4 is arranged in the sleeve 7 in a movable manner, the driving sleeve 4 penetrates through the top of the housing 1 and extends to the upper part of the housing, the driving sleeve 4 is hinged with the top of the housing 1, a connecting pipe 9 is arranged in the driving sleeve 4 in a rotating manner, a dust suction pipe 3 is fixed at the bottom end of the connecting pipe 9, a dust suction nozzle is uniformly arranged on the dust suction pipe 3, a driving mechanism is connected between the connecting pipe 9 and the driving sleeve 4 and comprises a first motor 6 and a gear pair 5, the first motor 6 is fixedly arranged on the driving sleeve 4, the first motor 6 is connected with the connecting pipe 9 through the gear pair 5 in a driving manner, the gear pair 5 is preferably a straight gear pair, one end of the air pipe 10 penetrates through the top of the connecting pipe 9 and is rotatably connected with the air pipe 10, the other, when the dust collector works, dust is sucked in through the air pipe 10, the connecting pipe 9 and the dust suction pipe 3, the first motor 6 drives the connecting pipe 9 to rotate through the gear pair 5, the connecting pipe 9 drives the dust suction pipe 3 to rotate, meanwhile, the second motor 8 drives the rotary table 2 to rotate, the rotary table 2 drives the sleeve 7 to revolve, the sleeve 7 drives the driving sleeve 4 to swing, and the driving sleeve 4 drives the connecting pipe 9 and the dust suction pipe 3 to swing, so that the dust suction range is expanded, and the dust suction efficiency is improved;
further, the middle part of the screen 12 is rotatably connected with the housing 1 through a mounting shaft 13, a power mechanism for driving the screen 12 to swing back and forth is arranged below the screen 1, the power mechanism comprises a third motor 15, a crankshaft 18, a connecting rod journal 17, a driving rod 16 and a push rod 14, the crankshaft 18 is rotatably mounted below the screen 12, the third motor 15 is fixedly mounted on the housing 1 and is in driving connection with one end of the crankshaft 18, in this embodiment, an output shaft of the third motor 15 is preferably fixedly connected with the crankshaft 18 through a coupler, both ends of the crankshaft 18 are provided with the connecting rod journal 17, the connecting rod journal 17 is in matching connection with the driving rod 16, the driving rod 16 is provided with a through groove for the connecting rod journal 17 to pass through and move, the push rod 14 is fixedly mounted on the driving rod 16, the top end of the push rod 14 is in contact with the bottom of the screen 12, and a guide, when the screening machine works, the third motor 15 is started, the third motor 15 drives the crankshaft 18 to rotate, the connecting rod journal 17 of the crankshaft 18 drives the driving rod 16 and the ejector rods 14 on the driving rod to move up and down, and the two ejector rods 14 are matched to drive the screen 12 to swing back and forth, so that the screening efficiency is improved.
Example 2
Referring to fig. 3, the embodiment of the present invention is different from embodiment 1 in that a positioning drill rod 20 is connected to the bottom of the housing 1 through a thread, and when the housing does not need to be moved, the positioning drill rod 20 is used for positioning, so as to improve stability.
The utility model discloses a theory of operation is: when the dust collector works, dust is sucked in through the air pipe 10, the connecting pipe 9 and the dust suction pipe 3, the first motor 6 drives the connecting pipe 9 to rotate through the gear pair 5, the connecting pipe 9 drives the dust suction pipe 3 to rotate, meanwhile, the second motor 8 drives the rotary table 2 to rotate, the rotary table 2 drives the sleeve 7 to revolve, the sleeve 7 drives the driving sleeve 4 to swing, and the driving sleeve 4 drives the connecting pipe 9 and the dust suction pipe 3 to swing, so that the dust suction range is expanded, and the dust suction efficiency is improved; the third motor 15 is started, the third motor 15 drives the crankshaft 18 to rotate, the connecting rod journal 17 of the crankshaft 18 drives the driving rod 16 and the ejector rods 14 on the driving rod to move up and down, and the two ejector rods 14 are matched to drive the screen 12 to swing back and forth, so that the screening efficiency is improved.
The above description is only for the specific embodiments of the present disclosure, but the scope of the present disclosure is not limited thereto, and any person skilled in the art can easily conceive of the changes or substitutions within the technical scope of the present disclosure, and all the changes or substitutions should be covered within the scope of the present disclosure. Therefore, the protection scope of the present disclosure shall be subject to the protection scope of the claims.

Claims (7)

1. A dustless material station of throwing for masterbatch processing, includes shell (1), screen cloth (12) and dust absorption unit, screen cloth (12) are installed to shell (1) inner chamber below being located the dog-house, and dust absorption unit is installed at shell (1) inner chamber top, its characterized in that, the dust absorption unit includes dust absorption subassembly and dust catcher (11), is connected through trachea (10) between dust absorption subassembly and the dust catcher (11), and the dust absorption subassembly includes carousel (2), sleeve (7), drive cover (4), connecting pipe (9), dust absorption pipe (3) and is used for driving the actuating mechanism of connecting pipe (9) rotation, shell (1) inner chamber top fixed mounting has second motor (8), and fixed mounting has carousel (2) on the output shaft of second motor (8), and carousel (2) terminal surface outer lane is articulated to be installed sleeve (7), drive cover (4) are worn to be equipped with in sleeve (7) internalization, drive cover (4) run through shell (1) top and extend to its top, and drive cover (4) are articulated with shell (1) top, and drive cover (4) internal rotation is worn to establish and is installed connecting pipe (9), and connecting pipe (9) bottom mounting has dust absorption pipe (3), evenly is equipped with the dust absorption mouth on dust absorption pipe (3), is connected with actuating mechanism between connecting pipe (9) and drive cover (4), trachea (10) one end penetrates connecting pipe (9) top and rotates with it to be connected, and trachea (10) other end is connected with the dust absorption mouth of dust catcher (11).
2. A dust-free dosing station for color masterbatch processing according to claim 1, characterized in that the dust collector (11) is fixedly mounted on the housing (1).
3. The dust-free feeding station for color masterbatch processing according to claim 1, characterized in that the bottom of the housing (1) is symmetrically fixed with supporting legs, and the bottom ends of the supporting legs are provided with self-locking universal wheels (19).
4. The dust-free feeding station for color masterbatch processing according to claim 1, wherein the driving mechanism comprises a first motor (6) and a gear pair (5), the first motor (6) is fixedly installed on the driving sleeve (4), and the first motor (6) is in driving connection with the connecting pipe (9) through the gear pair (5).
5. A dust-free dosing station for color masterbatch processing according to claim 4, characterized in that the gear wheel pair (5) is a spur gear wheel pair.
6. The dust-free feeding station for color masterbatch processing according to any one of claims 1 to 5, wherein the middle of the screen (12) is rotatably connected with the housing (1) through a mounting shaft (13), a power mechanism for driving the screen (12) to swing back and forth is arranged below the screen (12) in the housing (1), the power mechanism comprises a third motor (15), a crankshaft (18), a connecting rod journal (17), a driving rod (16) and a push rod (14), the crankshaft (18) is rotatably mounted below the screen (12), the third motor (15) is fixedly mounted on the housing (1) and is in driving connection with one end of the crankshaft (18), the connecting rod journal (17) is arranged at both ends of the crankshaft (18), the driving rod (16) is connected to the connecting rod journal (17) in a matching manner, a through groove for the connecting rod journal (17) to pass through and move is formed on the driving rod (16), an ejector rod (14) is fixedly installed on the driving rod (16), the top end of the ejector rod (14) is contacted with the bottom of the screen (12), and a guide plate for the ejector rod (14) to penetrate through and guide the ejector rod is fixedly installed on the inner wall of the shell (1).
7. A dust-free dosing station for color masterbatch processing according to claim 1, characterized in that a positioning drill rod (20) is screwed to the bottom of the housing (1).
CN202022285732.3U 2020-10-14 2020-10-14 A dustless material station of throwing for masterbatch processing Active CN213325754U (en)

Priority Applications (1)

Application Number Priority Date Filing Date Title
CN202022285732.3U CN213325754U (en) 2020-10-14 2020-10-14 A dustless material station of throwing for masterbatch processing

Applications Claiming Priority (1)

Application Number Priority Date Filing Date Title
CN202022285732.3U CN213325754U (en) 2020-10-14 2020-10-14 A dustless material station of throwing for masterbatch processing

Publications (1)

Publication Number Publication Date
CN213325754U true CN213325754U (en) 2021-06-01

Family

ID=76071934

Family Applications (1)

Application Number Title Priority Date Filing Date
CN202022285732.3U Active CN213325754U (en) 2020-10-14 2020-10-14 A dustless material station of throwing for masterbatch processing

Country Status (1)

Country Link
CN (1) CN213325754U (en)

Cited By (1)

* Cited by examiner, † Cited by third party
Publication number Priority date Publication date Assignee Title
CN113844903A (en) * 2021-09-24 2021-12-28 厦门聚行智能科技有限公司 Make things convenient for garbage collection's automation line

Cited By (2)

* Cited by examiner, † Cited by third party
Publication number Priority date Publication date Assignee Title
CN113844903A (en) * 2021-09-24 2021-12-28 厦门聚行智能科技有限公司 Make things convenient for garbage collection's automation line
CN113844903B (en) * 2021-09-24 2024-10-01 厦门聚行智能科技有限公司 Automatic production line convenient for waste collection

Similar Documents

Publication Publication Date Title
CN205323890U (en) Planet high -energy ball milling machine
CN213325754U (en) A dustless material station of throwing for masterbatch processing
CN220663954U (en) Resin ration conveying equipment with dustproof construction
CN111318334A (en) Nano-material produces grinder
CN110813909A (en) Logistics transportation line dust removal integrated device of weighing
CN114029116A (en) A milling equipment for powder photocatalysis material
CN118751402B (en) A magnetic separation and treatment device and method for construction waste
CN205684143U (en) Double-deck Dual Drive vertical type ring mill
CN208345359U (en) One kind producing dustless feeder based on solid waste steam pressure sand-lime reincarnation
CN219482023U (en) A dust removal and exhaust device for liquid medicine processing
CN208244827U (en) A kind of dust suction pulverizer
CN110585996A (en) Reation kettle throws material device
CN206980868U (en) A kind of colliery reducing mechanism
CN209668114U (en) A kind of Coal Mine Electromechanical Equipment transport transmission device
CN215388199U (en) Ash removal device of dust remover
CN222931242U (en) Special high-efficient fine grinding screening machine of production polishing powder
CN208853430U (en) A kind of mining equiment dedusting collecting device
CN213922454U (en) Inside heavy industry hopper of tilting clearance
CN219363894U (en) A cotton cleaning and impurity removal device
CN206405003U (en) A kind of UV gloss oil is coated with retracting device
CN222606485U (en) Concentrated feed processor
CN218638143U (en) Beverage bottle cleaning device
CN215277790U (en) A small grinding machine for ceramic glass glaze
CN220424861U (en) Paint mist waste gas treatment device for spraying of power flywheel of agricultural machine
CN217371980U (en) Novel sand blasting machine that wear resistance is strong

Legal Events

Date Code Title Description
GR01 Patent grant
GR01 Patent grant