CN213288924U - Positioning cutting device is used in chuck production and processing - Google Patents
Positioning cutting device is used in chuck production and processing Download PDFInfo
- Publication number
- CN213288924U CN213288924U CN202021952640.XU CN202021952640U CN213288924U CN 213288924 U CN213288924 U CN 213288924U CN 202021952640 U CN202021952640 U CN 202021952640U CN 213288924 U CN213288924 U CN 213288924U
- Authority
- CN
- China
- Prior art keywords
- cutting
- lower extreme
- driving motor
- chuck
- locating
- Prior art date
- Legal status (The legal status is an assumption and is not a legal conclusion. Google has not performed a legal analysis and makes no representation as to the accuracy of the status listed.)
- Expired - Fee Related
Links
- 238000005520 cutting process Methods 0.000 title claims abstract description 98
- 238000004519 manufacturing process Methods 0.000 title claims abstract description 18
- 230000007246 mechanism Effects 0.000 claims abstract description 52
- 230000006835 compression Effects 0.000 claims description 13
- 238000007906 compression Methods 0.000 claims description 13
- 239000007787 solid Substances 0.000 claims description 7
- 238000006243 chemical reaction Methods 0.000 claims description 3
- 230000008878 coupling Effects 0.000 claims description 3
- 238000010168 coupling process Methods 0.000 claims description 3
- 238000005859 coupling reaction Methods 0.000 claims description 3
- 239000002699 waste material Substances 0.000 description 5
- 238000000034 method Methods 0.000 description 4
- 230000009471 action Effects 0.000 description 3
- 238000010586 diagram Methods 0.000 description 2
- 230000004048 modification Effects 0.000 description 2
- 238000012986 modification Methods 0.000 description 2
- 230000008569 process Effects 0.000 description 2
- 239000011435 rock Substances 0.000 description 2
- 230000009286 beneficial effect Effects 0.000 description 1
- 230000007547 defect Effects 0.000 description 1
- 238000005553 drilling Methods 0.000 description 1
- 238000005516 engineering process Methods 0.000 description 1
- 230000006872 improvement Effects 0.000 description 1
- 238000009434 installation Methods 0.000 description 1
- 239000007788 liquid Substances 0.000 description 1
- 238000003801 milling Methods 0.000 description 1
Images
Landscapes
- Jigs For Machine Tools (AREA)
Abstract
The utility model discloses a chuck production and processing is with location cutting device, including frame and workstation, the through-hole has been seted up to the central point of frame position, the upper end of frame is provided with the pneumatic cylinder through the jar case, the output of pneumatic cylinder is provided with the actuating lever through the through-hole, the lower extreme of actuating lever is provided with the mounting panel, the lower extreme of mounting panel is provided with cutting mechanism, the lower extreme both sides of mounting panel are provided with positioning mechanism, the workstation sets up under the frame, be provided with actuating mechanism on the workstation, one side of actuating mechanism is provided with cuts cut groove, it is located cutting mechanism to cut groove under, cut and be provided with collection mechanism under the cut groove. The utility model discloses a set up cutting mechanism, positioning mechanism, actuating mechanism and orienting mechanism to realized the location cutting of chuck production and processing, and improved the device's suitability, and then improved the cutting efficiency and the cutting quality of chuck.
Description
Technical Field
The utility model relates to a dish production and processing technology field specifically is a positioning and cutting device is used in chuck production and processing.
Background
Chucks are mechanical devices used to clamp workpieces on machine tools. The machine tool accessory clamps and positions a workpiece by utilizing the radial movement of movable clamping jaws uniformly distributed on a chuck body. The chuck generally comprises a chuck body, movable jaws and a jaw driving mechanism 3. The diameter of the chuck body is 65 mm at least and can reach 1500 mm at most, and a through hole is formed in the center of the chuck body so as to facilitate the workpiece or bar stock to pass through; the back part is provided with a cylindrical or short conical structure and is connected with the end part of a main shaft of the machine tool directly or through a flange plate. Chucks are commonly used in lathes, cylindrical grinders and internal grinders, and may also be used in conjunction with various indexing devices for milling and drilling machines.
However, the existing chuck cutting device has the following defects:
1. in the existing cutting device for chuck production and processing, when the chuck is cut, the cutting tool can shake and cannot cut the chuck directionally, so that the cutting quality is influenced, and the production efficiency is reduced.
2. Among present chuck production processing cutting device, when seeing the dish to the chuck difference and fixing, need use different fixing device, waste time and energy, and work efficiency is low.
SUMMERY OF THE UTILITY MODEL
An object of the utility model is to provide a chuck is location cutting device for production and processing to solve the problem that proposes among the above-mentioned background art.
In order to solve the technical problem, the utility model provides a following technical scheme: the utility model provides a chuck production and processing is with location cutting device, includes frame and workstation, the central point of frame puts and has seted up the through-hole, the upper end of frame is provided with the pneumatic cylinder through the jar case, the output of pneumatic cylinder is provided with the actuating lever through the through-hole, the lower extreme of actuating lever is provided with the mounting panel, the lower extreme of mounting panel is provided with cutting mechanism, the lower extreme both sides of mounting panel are provided with positioning mechanism, the workstation sets up under the frame, be provided with actuating mechanism on the workstation, one side of actuating mechanism is provided with cuts cut groove, it is located cutting mechanism to cut groove under, cut and be provided with collection mechanism under the cut groove.
Further, cutting mechanism includes a driving motor and a cutting disc, a driving motor passes through the fixed lower extreme that sets up at the mounting panel of motor case, just a driving motor is three-phase asynchronous motor, the cutting disc is provided with the connecting rod through the cutting seat, the upper end and the output of a driving motor of connecting rod are connected.
Further, positioning mechanism includes locating lever and reference column, the fixed lower extreme that sets up at the mounting panel of reference column, the inside of reference column is the cavity form, the spout has been seted up to the both sides inner wall of reference column, the inside of reference column is provided with compression spring, the lower extreme butt of movable plate and locating lever is passed through to compression spring's upper end, compression spring's lower extreme and the inside bottom fixed connection of reference column, the movable plate passes through the slider and is sliding connection with the spout.
Further, actuating mechanism includes second driving motor and bearing frame, second driving motor passes through the support frame and sets up on the workstation, second driving motor is frequency conversion accommodate motor, second driving motor's output shaft has the axis of rotation through the coupling joint, the one end tip of axis of rotation is provided with solid fixed ring, gu fixed ring's both sides are provided with the spacing ring through expanding spring, one side of spacing ring is provided with the protection pad, the bearing frame passes through the mount setting on the workstation, the bearing frame is connected for the bearing with the axis of rotation.
Furthermore, the collecting mechanism comprises a collecting box and a collecting plate, the collecting box is arranged between the supporting legs of the workbench through a supporting plate, the collecting plate is obliquely arranged below the cutting groove, the upper end of the collecting plate is connected with the lower port of the cutting groove, and the lower end of the collecting plate is arranged inside the collecting box.
Further, cutting seat lower extreme both sides are provided with orienting mechanism, orienting mechanism includes locating rack and locating plate, the fixed lower extreme both sides that set up at the cutting seat of locating rack, the fixed inside that sets up at the cutting groove of locating plate, just the locating hole has been seted up on the locating plate, locating hole and locating rack cooperation joint.
Compared with the prior art, the utility model discloses the beneficial effect who reaches is:
1. the utility model discloses a set up cutting mechanism and orienting mechanism, when first driving motor passed through the cutting seat and drives the cutting dish and remove, locating hole cooperation joint on locating plate in locating rack and the cutting groove has avoided the cutting seat to take place to rock under the drive of first motor, and liquid has avoided the cutting dish to take place to remove when cutting the chuck to the cutting quality of cutting dish to the chuck has been improved.
2. The utility model discloses again through setting up positioning mechanism, the mounting panel is under the drive of pneumatic cylinder, and the locating lever is to the compression spring of reference column to realized the cutting dish and to the location cutting of chuck, also avoided cutting dish emergence skew in cutting process, improved the cutting efficiency of chuck simultaneously.
3. The utility model discloses still through setting up actuating mechanism, second driving motor drive axis of rotation rotates on the bearing frame, and the spacing ring extrudees solid fixed ring's expanding spring simultaneously to realized the cutting of the not big or small chuck of length, carried on spacingly to the chuck simultaneously, and then improved the device's suitability.
Drawings
The accompanying drawings are included to provide a further understanding of the invention, and are incorporated in and constitute a part of this specification, illustrate embodiments of the invention, and together with the description serve to explain the invention and not to limit the invention. In the drawings:
fig. 1 is a schematic view of the overall structure of the present invention;
fig. 2 is a schematic structural view of the driving mechanism of the present invention;
fig. 3 is an enlarged schematic structural diagram of a point a in fig. 1 according to the present invention;
fig. 4 is an enlarged schematic structural diagram of the present invention at B in fig. 1.
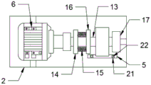
In the figure: 1. a frame; 2. a work table; 3. a hydraulic cylinder; 4. mounting a plate; 5. cutting the groove; 6. a first drive motor; 7. cutting the disc; 8. a cutting seat; 9. positioning a rod; 10. a positioning column; 11. a compression spring; 12. a second drive motor; 13. a rotating shaft; 14. a fixing ring; 15. a tension spring; 16. a limiting ring; 17. a bearing seat; 18. a collection box; 19. a collection plate; 20. a positioning frame; 21. positioning a plate; 22. and (7) positioning the holes.
Detailed Description
The technical solutions in the embodiments of the present invention will be described clearly and completely with reference to the accompanying drawings in the embodiments of the present invention, and it is obvious that the described embodiments are only some embodiments of the present invention, not all embodiments. Based on the embodiments in the present invention, all other embodiments obtained by a person skilled in the art without creative work belong to the protection scope of the present invention.
Referring to fig. 1-4, the present invention provides a technical solution: the utility model provides a chuck production and processing is with location cutting device, includes frame 1 and workstation 2, the through-hole has been seted up to the central point of frame 1 puts, the upper end of frame 1 is provided with pneumatic cylinder 3 through the jar case, the output of pneumatic cylinder 3 is provided with the actuating lever through the through-hole, the lower extreme of actuating lever is provided with mounting panel 4, the lower extreme of mounting panel 4 is provided with cutting mechanism, the lower extreme both sides of mounting panel 4 are provided with positioning mechanism, workstation 2 sets up under frame 1, be provided with actuating mechanism on the workstation 2, one side of actuating mechanism is provided with cuts cut groove 5, cut groove 5 and be located cutting mechanism under, cut and be provided with collection mechanism under cut groove 5.
Cutting mechanism includes first driving motor 6 and cutting disc 7, first driving motor 6 passes through the fixed lower extreme that sets up at mounting panel 4 of motor case, just first driving motor 6 is three-phase asynchronous machine, cutting disc 7 is provided with the connecting rod through cutting seat 8, the upper end of connecting rod is connected with first driving motor 6's output, and first driving motor 6 drives cutting disc 7 through cutting seat 8 and removes, can realize cutting disc 7 and cut the chuck.
Positioning mechanism includes locating lever 9 and reference column 10, the fixed lower extreme that sets up at mounting panel 4 of reference column 10, the inside of reference column 10 is the cavity form, the spout has been seted up to the both sides inner wall of reference column 10, the inside of reference column 10 is provided with compression spring 11, the lower extreme butt of movable plate and locating lever 9 is passed through to compression spring 11's upper end, the lower extreme of compression spring 11 and the inside bottom fixed connection of reference column 10, the movable plate passes through the slider and is sliding connection with the spout, and mounting panel 4 is under the drive of pneumatic cylinder 3, and locating lever 9 can realize the location cutting of chuck to the compression spring 11 of reference column 10, has avoided cutting dish 7 to take place the skew in cutting process.
Actuating mechanism includes second driving motor 12 and bearing frame 17, second driving motor 12 passes through the support frame setting on workstation 2, second driving motor 12 is frequency conversion accommodate motor, second driving motor 12's output shaft has axis of rotation 13 through the coupling joint, the one end tip of axis of rotation 13 is provided with solid fixed ring 14, gu fixed ring 14's both sides are provided with spacing ring 16 through expanding spring 15, one side of spacing ring 16 is provided with the protection pad, bearing frame 17 passes through the mount setting on workstation 2, bearing frame 17 is connected for the bearing with axis of rotation 13, and second driving motor 12 drive axis of rotation 13 rotates on bearing frame 17, and spacing ring 16 extrudees solid fixed ring 14's expanding spring 15 simultaneously, can realize the cutting of the not big or small chuck of length.
The collecting mechanism comprises a collecting box 18 and a collecting plate 19, the collecting box 18 is arranged between the supporting legs of the workbench 2 through a supporting plate, the collecting plate 19 is obliquely arranged below the cutting groove 5, the upper end of the collecting plate 19 is connected with the lower port of the cutting groove 5, the lower end of the collecting plate 19 is arranged inside the collecting box 18, waste materials in the cutting groove 5 are conveyed to the collecting box 18 through the collecting plate 19, and therefore collection of the waste materials can be achieved.
8 lower extreme both sides of cutting seat are provided with orienting mechanism, orienting mechanism includes locating rack 20 and locating plate 21, the fixed lower extreme both sides that set up at cutting seat 8 of locating rack 20, locating plate 21 is fixed to be set up in the inside of cutting groove 5, just locating hole 22 has been seted up on locating plate 21, locating hole 22 and locating rack 20 cooperation joint, cutting seat 8 under the drive 6 of first motor, locating rack 20 and the locating hole 22 cooperation joint on the locating plate 21 in cutting groove 5 can have avoided cutting seat 8 to take place to rock under the drive 6 of first motor, have also avoided 7 cutting disks to take place to remove when cutting the chuck to the cutting quality of chuck has been improved.
The utility model discloses a theory of operation: the cutter cup joints the chuck in the axis of rotation 13, second driving motor 12 drive axis of rotation 13 rotates on bearing frame 17, spacing ring 16 extrudees solid fixed ring 14's expanding spring 15 simultaneously, can realize the cutting of different length size chucks, pneumatic cylinder drive installation 4 boards go up and down this moment, mounting panel 4 is under the drive of pneumatic cylinder 3, locating lever 9 is to reference column 10's compression spring 11, can realize the location cutting of chuck, at this moment first driving motor 6 drives cutting disc 7 through cutting seat 8 and removes, cutting seat 8 is under the drive 6 of first motor, locating rack 20 and the cooperation joint of locating hole 22 on the locating plate 21 in the cutting groove 5, can realize cutting disc 7 to the cutting of chuck, the waste material passes through collecting plate 19 and carries to collecting box 18 in the cutting groove 5, the collection of waste material can be realized.
It is noted that, herein, relational terms such as first and second, and the like may be used solely to distinguish one entity or action from another entity or action without necessarily requiring or implying any actual such relationship or order between such entities or actions. Also, the terms "comprises," "comprising," or any other variation thereof, are intended to cover a non-exclusive inclusion, such that a process, method, article, or apparatus that comprises a list of elements does not include only those elements but may include other elements not expressly listed or inherent to such process, method, article, or apparatus.
Finally, it should be noted that: although the present invention has been described in detail with reference to the foregoing embodiments, it will be apparent to those skilled in the art that modifications may be made to the embodiments described in the foregoing embodiments, or equivalents may be substituted for elements thereof. Any modification, equivalent replacement, or improvement made within the spirit and principle of the present invention should be included in the protection scope of the present invention.
Claims (6)
1. The utility model provides a chuck production and processing is with location cutting device, includes frame (1) and workstation (2), its characterized in that: the central point of frame (1) puts and has seted up the through-hole, the upper end of frame (1) is provided with pneumatic cylinder (3) through the jar case, the output of pneumatic cylinder (3) is provided with the actuating lever through the through-hole, the lower extreme of actuating lever is provided with mounting panel (4), the lower extreme of mounting panel (4) is provided with cutting mechanism, the lower extreme both sides of mounting panel (4) are provided with positioning mechanism, workstation (2) set up under frame (1), be provided with actuating mechanism on workstation (2), one side of actuating mechanism is provided with cuts cut groove (5), cut groove (5) and be located cutting mechanism under, cut and be provided with collection mechanism under cut groove (5).
2. The positioning and cutting device for chuck production and processing according to claim 1, characterized in that: cutting mechanism includes first driving motor (6) and cutting disc (7), first driving motor (6) are through the fixed lower extreme that sets up in mounting panel (4) of motor case, just first driving motor (6) are three-phase asynchronous motor, cutting disc (7) are provided with the connecting rod through cutting seat (8), the upper end of connecting rod is connected with the output of first driving motor (6).
3. The positioning and cutting device for chuck production and processing according to claim 1, characterized in that: positioning mechanism includes locating lever (9) and reference column (10), the fixed lower extreme that sets up at mounting panel (4) in reference column (10), the inside of reference column (10) is the cavity form, the spout has been seted up to the both sides inner wall of reference column (10), the inside of reference column (10) is provided with compression spring (11), the lower extreme butt of movable plate and locating lever (9) is passed through to the upper end of compression spring (11), the lower extreme of compression spring (11) and the inside bottom fixed connection of reference column (10), the movable plate passes through the slider and is sliding connection with the spout.
4. The positioning and cutting device for chuck production and processing according to claim 1, characterized in that: actuating mechanism includes second driving motor (12) and bearing frame (17), second driving motor (12) pass through the support frame setting on workstation (2), second driving motor (12) are frequency conversion accommodate motor, the output shaft of second driving motor (12) has axis of rotation (13) through the coupling joint, the one end tip of axis of rotation (13) is provided with solid fixed ring (14), the both sides of solid fixed ring (14) are provided with spacing ring (16) through expanding spring (15), one side of spacing ring (16) is provided with the protection pad, bearing frame (17) set up on workstation (2) through the mount, bearing frame (17) are connected for the bearing with axis of rotation (13).
5. The positioning and cutting device for chuck production and processing according to claim 1, characterized in that: the collecting mechanism comprises a collecting box (18) and a collecting plate (19), the collecting box (18) is arranged between the supporting legs of the workbench (2) through a supporting plate, the collecting plate (19) is obliquely arranged below the cutting groove (5), the upper end of the collecting plate (19) is connected with the lower port of the cutting groove (5), and the lower end of the collecting plate (19) is arranged inside the collecting box (18).
6. The positioning and cutting device for chuck production and processing according to claim 2, characterized in that: cutting seat (8) lower extreme both sides are provided with orienting mechanism, orienting mechanism includes locating rack (20) and locating plate (21), the fixed lower extreme both sides that set up at cutting seat (8) of locating rack (20), locating plate (21) are fixed to be set up in the inside of cutting groove (5), just locating hole (22) have been seted up on locating plate (21), locating hole (22) and locating rack (20) cooperation joint.
Priority Applications (1)
| Application Number | Priority Date | Filing Date | Title |
|---|---|---|---|
| CN202021952640.XU CN213288924U (en) | 2020-09-09 | 2020-09-09 | Positioning cutting device is used in chuck production and processing |
Applications Claiming Priority (1)
| Application Number | Priority Date | Filing Date | Title |
|---|---|---|---|
| CN202021952640.XU CN213288924U (en) | 2020-09-09 | 2020-09-09 | Positioning cutting device is used in chuck production and processing |
Publications (1)
| Publication Number | Publication Date |
|---|---|
| CN213288924U true CN213288924U (en) | 2021-05-28 |
Family
ID=76030024
Family Applications (1)
| Application Number | Title | Priority Date | Filing Date |
|---|---|---|---|
| CN202021952640.XU Expired - Fee Related CN213288924U (en) | 2020-09-09 | 2020-09-09 | Positioning cutting device is used in chuck production and processing |
Country Status (1)
| Country | Link |
|---|---|
| CN (1) | CN213288924U (en) |
-
2020
- 2020-09-09 CN CN202021952640.XU patent/CN213288924U/en not_active Expired - Fee Related
Similar Documents
| Publication | Publication Date | Title |
|---|---|---|
| CN208005146U (en) | A fully automatic turning and milling compound equipment | |
| CN210877599U (en) | A turning equipment of adjusting in convenient for machining | |
| CN114310545B (en) | Automatic chamfering equipment | |
| CN213288924U (en) | Positioning cutting device is used in chuck production and processing | |
| CN114918669A (en) | Industrial small nine-axis five-link turning and milling compound machine tool | |
| CN112059622B (en) | Double-spindle turning and milling center composite equipment | |
| CN212704816U (en) | Turning device of long and thin threaded shaft | |
| CN211758489U (en) | Double-spindle numerical control horizontal lathe | |
| CN217474859U (en) | Can collect numerical control lathe for parts machining of smear metal | |
| CN108161462A (en) | A kind of full-automatic turnning and milling equipment complex | |
| CN212885110U (en) | Numerical control machine tool | |
| CN214443207U (en) | Multi-station high-precision alloy drilling machine | |
| CN216176937U (en) | Vertical milling machine convenient for clamping workpiece | |
| CN215509050U (en) | A small radial drilling machine | |
| CN217254462U (en) | Rear axle involucrum body boring grab | |
| CN213916150U (en) | Double-cutter-frame vertical lathe for machining metal shaft wheel | |
| CN216989949U (en) | Diamond hydraulic press hinge beam boring equipment | |
| CN219925173U (en) | Composite turning and milling integrated machine tool | |
| CN221560013U (en) | Metal cutting machine tool convenient to fix | |
| CN217832036U (en) | Cutting tool head adjusting device for milling machine | |
| CN217799376U (en) | Cutting equipment is used in jackscrew production | |
| CN217800314U (en) | Numerical control lathe fixed station convenient to fixed work piece | |
| CN220659232U (en) | Automatic turning machine for outer ring of annular workpiece | |
| CN222627030U (en) | Quick tool changing type clamping device for machine tool, optical machine and tool | |
| CN222856840U (en) | Special cutting angle frock |
Legal Events
| Date | Code | Title | Description |
|---|---|---|---|
| GR01 | Patent grant | ||
| GR01 | Patent grant | ||
| CF01 | Termination of patent right due to non-payment of annual fee | ||
| CF01 | Termination of patent right due to non-payment of annual fee |
Granted publication date: 20210528 |