CN213239971U - 一种tp屏生产用外观检测装置 - Google Patents
一种tp屏生产用外观检测装置 Download PDFInfo
- Publication number
- CN213239971U CN213239971U CN202022093771.3U CN202022093771U CN213239971U CN 213239971 U CN213239971 U CN 213239971U CN 202022093771 U CN202022093771 U CN 202022093771U CN 213239971 U CN213239971 U CN 213239971U
- Authority
- CN
- China
- Prior art keywords
- fixed mounting
- screen
- diaphragm
- limiting
- spacing groove
- Prior art date
- Legal status (The legal status is an assumption and is not a legal conclusion. Google has not performed a legal analysis and makes no representation as to the accuracy of the status listed.)
- Active
Links
- 238000001514 detection method Methods 0.000 title claims abstract description 33
- 238000004519 manufacturing process Methods 0.000 title claims abstract description 23
- 238000007689 inspection Methods 0.000 claims description 12
- 238000003825 pressing Methods 0.000 claims description 8
- 238000009434 installation Methods 0.000 claims 1
- 230000003139 buffering effect Effects 0.000 abstract description 5
- 230000000694 effects Effects 0.000 description 4
- 238000010586 diagram Methods 0.000 description 3
- 238000000034 method Methods 0.000 description 3
- 230000009286 beneficial effect Effects 0.000 description 1
- 230000005540 biological transmission Effects 0.000 description 1
- 230000007547 defect Effects 0.000 description 1
- 230000005489 elastic deformation Effects 0.000 description 1
- 238000012986 modification Methods 0.000 description 1
- 230000004048 modification Effects 0.000 description 1
- 238000005096 rolling process Methods 0.000 description 1
Images
Landscapes
- Investigating Materials By The Use Of Optical Means Adapted For Particular Applications (AREA)
Abstract
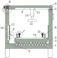
本实用新型公开了一种TP屏生产用外观检测装置,包括第一横板与第一横板底部两侧固定安装的支撑腿,所述第一横板顶部的两侧均固定安装有竖板,所述第一横板的顶部开设有若干个第三限位槽,所述第三限位槽内部的两侧均开设有第四限位槽,两个所述第四限位槽的内部均滑动安装有第二限位块。该一种TP屏生产用外观检测装置,本实用通过第一横板、竖板、检测板、电机、第二横板、第一滑槽、电动推杆、电动滑块、检测仪、刻度条、第一限位槽、第二滑槽、滚轮、第二限位槽、第一限位块、齿条、齿轮、第三限位槽、第四限位槽、第二限位块、弹簧和滑动柱的配合使用,从而避免了检测仪与TP屏会产生硬性的接触,通过弹簧的缓冲,增加装置的缓冲性。
Description
技术领域
本实用新型涉及TP屏生产技术领域,具体是一种TP屏生产用外观检测装置。
背景技术
TP屏广泛应用于家电、机械和计算机等领域,是现在适用范围最广的一种显示屏,人们对TP屏的要求也越来越高,为了满足制造工艺的要求,一种TP屏外观检测装置应运而生,但是现有的TP屏外观检测装置存在很多问题或缺陷。
但是,目前市面上传统的一种TP屏生产用外观检测装置,不具备缓冲效果,使检测装置与TP屏硬性接触,从而容易会发生TP屏在检测过程中,因检测装置的震动,而导致TP屏产生破碎,影响检测的结果。
实用新型内容
本实用新型的目的在于提供一种TP屏生产用外观检测装置,以解决上述背景技术中提出的问题。
为实现上述目的,本实用新型提供如下技术方案:
一种TP屏生产用外观检测装置,包括第一横板与第一横板底部两侧固定安装的支撑腿,所述第一横板顶部的两侧均固定安装有竖板,所述第一横板的顶部开设有若干个第三限位槽,所述第三限位槽内部的两侧均开设有第四限位槽,两个所述第四限位槽的内部均滑动安装有第二限位块,两个所述第二限位块之间固定安装有滑动柱,所述滑动柱的外壁上套接有弹簧,所述滑动柱的顶端固定安装有检测板,一个所述竖板的顶部开设有第二滑槽,所述第二滑槽的内部滚动安装有滚轮,所述滚轮上固定安装有第二横板,所述第二横板的底部开设有第一滑槽,所述第一滑槽的内部滑动安装有电动滑块,所述电动滑块的底部固定安装有电动推杆,所述电动推杆的驱动端固定安装有检测仪,一个所述第二横板的一侧固定安装有电机,所述电机的驱动端固定安装有齿轮,所述电机通过其上安装的支撑板固定安装有第一限位块,另一个所述竖板的顶部开设有第二限位槽,另一个所述竖板通过其一侧安装的固定块固定安装有齿条。
作为本实用新型进一步的方案:所述检测板的顶部开设有滑道,所述滑道内部的两侧均滑动安装有滑块,两个所述滑块的顶部均固定安装有限位架,所述限位架的顶部开设有螺纹孔,所述螺纹孔上螺纹连接有蝶形螺栓,所述蝶形螺栓的底端固定安装有活动柱,所述活动柱的底端转动安装有压板。
作为本实用新型再进一步的方案:两个所述竖板的相对侧均固定安装有刻度条,另一个所述竖板的一侧开设有第一限位槽,所述第一限位槽的内部滑动安装有第三限位块,所述第三限位块的一侧固定安装有红外线定位仪,所述红外线定位仪上固定安装有刻度针。
作为本实用新型再进一步的方案:所述压板的底部粘接有橡胶垫。
作为本实用新型再进一步的方案:所述第一限位块的形状为T型,且第一限位块与第二限位槽相适配。
作为本实用新型再进一步的方案:所述限位架的形状为倒L型。
与现有技术相比,本实用新型的有益效果是:
1、本实用通过第一横板、竖板、检测板、电机、第二横板、第一滑槽、电动推杆、电动滑块、检测仪、刻度条、第一限位槽、第二滑槽、滚轮、第二限位槽、第一限位块、齿条、齿轮、第三限位槽、第四限位槽、第二限位块、弹簧和滑动柱的配合使用,从而避免了检测仪与TP屏会产生硬性的接触,通过弹簧的缓冲,增加装置的缓冲性,避免检测时TP屏产生破碎,增加检测结果的权威性和准确性。
2、本实用通过压板、活动柱、限位架、滑块、滑道、蝶形螺栓、螺纹孔、红外线定位仪、刻度针和第三限位块的配合使用,通过对TP屏位置的固定,以及对TP屏水平位置的确定,使得TP屏的后期检测结果更加准确,避免了人工手动扶持对TP屏进行固定,使得固定的效果更佳,大大增加了检测装置的实用性。
附图说明
图1为一种TP屏生产用外观检测装置的结构示意图;
图2为一种TP屏生产用外观检测装置的图1中A处放大结构示意图;
图3为一种TP屏生产用外观检测装置的图1中B处放大结构示意图;
图4为一种TP屏生产用外观检测装置的图1中C处放大结构示意图;
图5为一种TP屏生产用外观检测装置的图1中D处放大结构示意图;
图6为一种TP屏生产用外观检测装置的图1中E处放大结构示意图。
图中:第一横板1、压板2、竖板3、检测板4、活动柱5、限位架6、电机7、第二横板8、第一滑槽9、电动推杆10、电动滑块11、检测仪12、滑块13、滑道14、刻度条15、第一限位槽16、第二滑槽17、滚轮18、第二限位槽19、第一限位块20、齿条21、齿轮22、第三限位槽23、第四限位槽24、第二限位块25、弹簧26、滑动柱27、蝶形螺栓28、螺纹孔29、红外线定位仪30、刻度针31、第三限位块32。
具体实施方式
下面将结合本实用新型实施例中的附图,对本实用新型实施例中的技术方案进行清楚、完整地描述,显然,所描述的实施例仅仅是本实用新型一部分实施例,而不是全部的实施例。基于本实用新型中的实施例,本领域普通技术人员在没有做出创造性劳动前提下所获得的所有其他实施例,都属于本实用新型保护的范围。
请参阅图1~6,本实用新型实施例中,一种TP屏生产用外观检测装置,包括第一横板1与第一横板1底部两侧固定安装的支撑腿,第一横板1顶部的两侧均固定安装有竖板3,第一横板1的顶部开设有若干个第三限位槽23,第三限位槽23内部的两侧均开设有第四限位槽24,两个第四限位槽24的内部均滑动安装有第二限位块25,两个第二限位块25之间固定安装有滑动柱27,滑动柱27的外壁上套接有弹簧26,滑动柱27的顶端固定安装有检测板4,一个竖板3的顶部开设有第二滑槽17,第二滑槽17的内部滚动安装有滚轮18,滚轮18上固定安装有第二横板8,第二横板8的底部开设有第一滑槽9,第一滑槽9的内部滑动安装有电动滑块11,电动滑块11的底部固定安装有电动推杆10,电动推杆10的驱动端固定安装有检测仪12,一个第二横板8的一侧固定安装有电机7,电机7的驱动端固定安装有齿轮22,电机7通过其上安装的支撑板固定安装有第一限位块20,另一个竖板3的顶部开设有第二限位槽19,且第二限位槽19与第一限位块20滑动连接,另一个竖板3通过其一侧安装的固定块固定安装有齿条21,且齿条21与齿轮22啮合,检测板4的顶部开设有滑道14,滑道14内部的两侧均滑动安装有滑块13,两个滑块13的顶部均固定安装有限位架6,限位架6的顶部开设有螺纹孔29,螺纹孔29上螺纹连接有蝶形螺栓28,蝶形螺栓28的底端固定安装有活动柱5,活动柱5的底端转动安装有压板2,两个竖板3的相对侧均固定安装有刻度条15,另一个竖板3的一侧开设有第一限位槽16,第一限位槽16的内部滑动安装有第三限位块32,第三限位块32的一侧固定安装有红外线定位仪30,红外线定位仪30上固定安装有刻度针31,压板2的底部粘接有橡胶垫,第一限位块20的形状为T型,且第一限位块20与第二限位槽19相适配,限位架6的形状为倒L型,另一个竖板3的一侧固定安装有开关,开关、电机7、电动推杆10、电动滑块11和检测仪12均通过导线电性连接有电源,且开关通过导线分别与电机7、电动推杆10、电动滑块11和检测仪12电性连接。
本实用新型的工作原理是:
使用时,当需要对TP屏进行检测的时候,将TP屏放置在检测板4的顶部并进行固定,然后通过开关控制电动推杆10开始工作,电动推杆10的驱动端带动检测仪12进行竖向的移动,使检测仪12向下移动,然后检测仪12与TP屏进行接触,并使检测仪12开始工作,此时检测仪12对TP屏的外观进行检测,在检测的过程中,可通过电动滑块11在第一滑槽9的内部进行水平方向上的横向滑动,电动推杆10跟随电动滑块11进行移动,从而带动检测仪12进行水平方向上横向的移动,与此同时,可使电机7的驱动端带动齿轮22进行旋转,通过齿轮22与齿条21的啮合,因齿条21是固定不动的,会使电机7通过第一限位块20在第二限位槽19上进行水平方向上前后的移动,第二横板8跟随电机7进行移动,第二横板8在进行移动的时候会带动滚轮18在第二滑槽17的内部滚动,滚动摩擦摩擦力小,使第二横板8在水平方向上前后移动更加顺畅,从而使得检测仪12可进行水平方向的前后左右运动,在检测仪12对TP屏进行检测的过程中,会与TP屏进行接触并产生震动,这个震动会传输到检测板4上从而会带动滑动柱27在第三限位槽23的内部滑动,滑动柱27在滑动的时候会带动第二限位块25在第四限位槽24的内部滑动,滑动柱27在滑动的时候会对弹簧26进行挤压,弹簧26在产生弹性形变的时候,对检测板4顶部的TP屏进行缓冲,从而避免了检测仪12与TP屏会产生硬性的接触,通过弹簧26的缓冲,增加装置的缓冲性,避免检测时TP屏产生破碎,增加检测结果的权威性和准确性,在对TP屏进行检测之前,要对TP屏进行固定,并对TP屏固定后,要处于水平位置,便于TP屏的进行检测,提高检测的准确性,将TP屏放置在检测板4的顶部两个限位架6之间,然后通过旋转蝶形螺栓28,通过蝶形螺栓28与螺纹孔29的螺纹传动,使螺纹孔29进行竖向的移动,使蝶形螺栓28带动活动柱5和压板2向下移动,使压板2与TP屏进行接触,然后稍微拧紧蝶形螺栓28,使压板2与TP屏紧密接触,通过压板2底部的橡胶垫,使得压板2与TP屏的接触为软接触,避免了在检测过程中对TP屏造成损坏,当TP屏固定好后,通过手动控制红外线定位仪30带动第三限位块32在第一限位槽16的内部滑动,位移到指定的位置,使刻度针31对应刻度条15上刻度,然后使红外线定位仪30开使工作,使红外线紧贴着TP屏顶部照射过去,照射在另一个刻度条15上,在另一个刻度条15上看到红外线光点,并对应相应的刻度,此时,便可证明TP屏处于水平位置,若不在水平位置,可通过旋转蝶形螺栓28,对TP屏的位置进行调整,通过对TP屏位置的固定,以及对TP屏水平位置的确定,使得TP屏的后期检测结果更加准确,避免了人工手动扶持对TP屏进行固定,使得固定的效果更佳,大大增加了检测装置的实用性。
尽管参照前述实施例对本实用新型进行了详细的说明,对于本领域的技术人员来说,其依然可以对前述各实施例所记载的技术方案进行修改,或者对其中部分技术特征进行等同替换,凡在本实用新型的精神和原则之内,所作的任何修改、等同替换、改进等,均应包含在本实用新型的保护范围之内。
Claims (6)
1.一种TP屏生产用外观检测装置,包括第一横板(1)与第一横板(1)底部两侧固定安装的支撑腿,其特征在于:所述第一横板(1)顶部的两侧均固定安装有竖板(3),所述第一横板(1)的顶部开设有若干个第三限位槽(23),所述第三限位槽(23)内部的两侧均开设有第四限位槽(24),两个所述第四限位槽(24)的内部均滑动安装有第二限位块(25),两个所述第二限位块(25)之间固定安装有滑动柱(27),所述滑动柱(27)的外壁上套接有弹簧(26),所述滑动柱(27)的顶端固定安装有检测板(4),一个所述竖板(3)的顶部开设有第二滑槽(17),所述第二滑槽(17)的内部滚动安装有滚轮(18),所述滚轮(18)上固定安装有第二横板(8),所述第二横板(8)的底部开设有第一滑槽(9),所述第一滑槽(9)的内部滑动安装有电动滑块(11),所述电动滑块(11)的底部固定安装有电动推杆(10),所述电动推杆(10)的驱动端固定安装有检测仪(12),一个所述第二横板(8)的一侧固定安装有电机(7),所述电机(7)的驱动端固定安装有齿轮(22),所述电机(7)通过其上安装的支撑板固定安装有第一限位块(20),另一个所述竖板(3)的顶部开设有第二限位槽(19),另一个所述竖板(3)通过其一侧安装的固定块固定安装有齿条(21)。
2.根据权利要求1所述的一种TP屏生产用外观检测装置,其特征在于:所述检测板(4)的顶部开设有滑道(14),所述滑道(14)内部的两侧均滑动安装有滑块(13),两个所述滑块(13)的顶部均固定安装有限位架(6),所述限位架(6)的顶部开设有螺纹孔(29),所述螺纹孔(29)上螺纹连接有蝶形螺栓(28),所述蝶形螺栓(28)的底端固定安装有活动柱(5),所述活动柱(5)的底端转动安装有压板(2)。
3.根据权利要求1所述的一种TP屏生产用外观检测装置,其特征在于:两个所述竖板(3)的相对侧均固定安装有刻度条(15),另一个所述竖板(3)的一侧开设有第一限位槽(16),所述第一限位槽(16)的内部滑动安装有第三限位块(32),所述第三限位块(32)的一侧固定安装有红外线定位仪(30),所述红外线定位仪(30)上固定安装有刻度针(31)。
4.根据权利要求2所述的一种TP屏生产用外观检测装置,其特征在于:所述压板(2)的底部粘接有橡胶垫。
5.根据权利要求1所述的一种TP屏生产用外观检测装置,其特征在于:所述第一限位块(20)的形状为T型,且第一限位块(20)与第二限位槽(19)相适配。
6.根据权利要求2所述的一种TP屏生产用外观检测装置,其特征在于:所述限位架(6)的形状为倒L型。
Priority Applications (1)
| Application Number | Priority Date | Filing Date | Title |
|---|---|---|---|
| CN202022093771.3U CN213239971U (zh) | 2020-09-22 | 2020-09-22 | 一种tp屏生产用外观检测装置 |
Applications Claiming Priority (1)
| Application Number | Priority Date | Filing Date | Title |
|---|---|---|---|
| CN202022093771.3U CN213239971U (zh) | 2020-09-22 | 2020-09-22 | 一种tp屏生产用外观检测装置 |
Publications (1)
| Publication Number | Publication Date |
|---|---|
| CN213239971U true CN213239971U (zh) | 2021-05-18 |
Family
ID=75876793
Family Applications (1)
| Application Number | Title | Priority Date | Filing Date |
|---|---|---|---|
| CN202022093771.3U Active CN213239971U (zh) | 2020-09-22 | 2020-09-22 | 一种tp屏生产用外观检测装置 |
Country Status (1)
| Country | Link |
|---|---|
| CN (1) | CN213239971U (zh) |
Cited By (2)
| Publication number | Priority date | Publication date | Assignee | Title |
|---|---|---|---|---|
| CN113883985A (zh) * | 2021-09-10 | 2022-01-04 | 浙江工业大学之江学院 | 一种触摸屏厚度检测装置及使用方法 |
| CN115629083A (zh) * | 2022-10-28 | 2023-01-20 | 江苏省建筑工程质量检测中心有限公司 | 一种混凝土微裂缝检测系统 |
-
2020
- 2020-09-22 CN CN202022093771.3U patent/CN213239971U/zh active Active
Cited By (3)
| Publication number | Priority date | Publication date | Assignee | Title |
|---|---|---|---|---|
| CN113883985A (zh) * | 2021-09-10 | 2022-01-04 | 浙江工业大学之江学院 | 一种触摸屏厚度检测装置及使用方法 |
| CN113883985B (zh) * | 2021-09-10 | 2023-08-15 | 浙江工业大学之江学院 | 一种触摸屏厚度检测装置及使用方法 |
| CN115629083A (zh) * | 2022-10-28 | 2023-01-20 | 江苏省建筑工程质量检测中心有限公司 | 一种混凝土微裂缝检测系统 |
Similar Documents
| Publication | Publication Date | Title |
|---|---|---|
| CN213239971U (zh) | 一种tp屏生产用外观检测装置 | |
| CN115046450B (zh) | 一种机器传动轴杆测试用的接触式径向跳动检测装置 | |
| CN112667028B (zh) | 一种大数据展示装置 | |
| CN215179332U (zh) | 一种用于紧固件硬度的测试装置 | |
| CN117269615B (zh) | 一种化成铝箔电导率测试装置及其测试方法 | |
| CN218108913U (zh) | 一种汽车用五金产品校正及检测设备 | |
| CN218822189U (zh) | 一种便于对中间位置检测的铜板带厚度检测装置 | |
| CN221078297U (zh) | 一种玻璃幕墙结构承载性能测试装置 | |
| CN217236758U (zh) | 一种检测离合器片厚度的装置 | |
| CN210261821U (zh) | 一种用于沙发革生产的压延机 | |
| CN211779915U (zh) | 一种多角度电子信息展示装置 | |
| CN223613383U (zh) | 一种手机显示屏触摸灵敏度检测装置 | |
| CN223037581U (zh) | 一种铝单板质量检测装置 | |
| CN215526642U (zh) | 一种电容触摸屏Sensor功能测试装置 | |
| CN217110763U (zh) | 一种汽车保险杠生产用内径测量装置 | |
| CN222188160U (zh) | 一种建筑工程用测量设备 | |
| CN215355523U (zh) | 一种用于生产船的卷板装置 | |
| CN220602785U (zh) | 一种地铁屏蔽门齿形皮带张力检测装置 | |
| CN223596846U (zh) | 一种锂电池轧辊表面磨损度检测装置 | |
| CN216483186U (zh) | 一种具有自动定位功能的镜像仪检测设备 | |
| CN213336585U (zh) | 一种可调节的扭矩测试仪 | |
| CN222269235U (zh) | Lcd自动传感变距压合装置 | |
| CN214584634U (zh) | 一种无刀口设计的全洛氏数显硬度计 | |
| CN215832700U (zh) | 一种智能化地面施工平整度检测仪 | |
| CN219890979U (zh) | 一种pvb膜体延展性测试机 |
Legal Events
| Date | Code | Title | Description |
|---|---|---|---|
| GR01 | Patent grant | ||
| GR01 | Patent grant |