CN213233522U - Column base connecting device of steel column applied to underground mechanical garage - Google Patents

Column base connecting device of steel column applied to underground mechanical garage Download PDF

Info

Publication number
CN213233522U
CN213233522U CN202021319326.8U CN202021319326U CN213233522U CN 213233522 U CN213233522 U CN 213233522U CN 202021319326 U CN202021319326 U CN 202021319326U CN 213233522 U CN213233522 U CN 213233522U
Authority
CN
China
Prior art keywords
anchor plate
vertical
bolt
column
vertical anchor
Prior art date
Legal status (The legal status is an assumption and is not a legal conclusion. Google has not performed a legal analysis and makes no representation as to the accuracy of the status listed.)
Active
Application number
CN202021319326.8U
Other languages
Chinese (zh)
Inventor
张主温
高占阳
陈罡
邓尤贵
袁霓绯
田伟华
Current Assignee (The listed assignees may be inaccurate. Google has not performed a legal analysis and makes no representation or warranty as to the accuracy of the list.)
Beijing Shougang International Engineering Technology Co Ltd
Original Assignee
Beijing Shougang International Engineering Technology Co Ltd
Priority date (The priority date is an assumption and is not a legal conclusion. Google has not performed a legal analysis and makes no representation as to the accuracy of the date listed.)
Filing date
Publication date
Application filed by Beijing Shougang International Engineering Technology Co Ltd filed Critical Beijing Shougang International Engineering Technology Co Ltd
Priority to CN202021319326.8U priority Critical patent/CN213233522U/en
Application granted granted Critical
Publication of CN213233522U publication Critical patent/CN213233522U/en
Active legal-status Critical Current
Anticipated expiration legal-status Critical

Links

Images

Landscapes

  • Foundations (AREA)
  • Joining Of Building Structures In Genera (AREA)

Abstract

A column base connecting device of a steel column applied to an underground mechanical garage belongs to the technical field of building structure engineering. The device comprises anchor bars, a horizontal anchor plate, a vertical anchor plate, a transverse bolt, a longitudinal bolt and a stand column; the embedded part consisting of the anchor bars, the horizontal anchor plate and the vertical anchor plate is connected with the foundation of the underground mechanical garage, the horizontal projection of the vertical anchor plate is swastika-shaped, the vertical anchor plate is provided with a bolt hole, and the vertical column is provided with a slot at the joint with the vertical anchor plate; the upright post is connected with the vertical anchor plate through the slot, and the upright post is fixed with the anchor plate through the transverse bolt and the longitudinal bolt. The device has the advantages of convenient installation and small occupied area.

Description

Column base connecting device of steel column applied to underground mechanical garage
Technical Field
The utility model belongs to the technical field of building structure engineering, in particular to column base connecting device of steel column of using in secret mechanical garage.
Background
At present, the state is popularizing mechanical garages, the mechanical garages are greatly developed due to the natural characteristic of the mechanical garages which are unique, and underground mechanical garages are popularized in large cities with tight land. At present, a column base node for connecting a mechanical garage column and a foundation is still in a traditional embedded anchor bolt and a mode of a rib column base with more strengthening, construction efficiency is low, and occupied space is large. Therefore, the column base connecting structure of the steel column, which is convenient to install and small in occupied area and can be applied to an underground mechanical garage, is developed.
Disclosure of Invention
An object of the utility model is to provide a stand and foundation column base connecting device who uses in secret mechanical garage has solved the problem that current column mouting technology is complicated, area is big.
A device for connecting a stand column and a foundation column base applied to an underground mechanical garage comprises anchor bars 1, horizontal anchor plates 2, vertical anchor plates 3, transverse bolts 4, longitudinal bolts 5 and stand columns 6; an embedded part consisting of anchor bars 1, horizontal anchor plates 2 and vertical anchor plates 3 is connected with the foundation of the underground mechanical garage, the horizontal projection of the vertical anchor plates 3 is swastika-shaped, bolt holes are formed in the vertical anchor plates 3, slots are formed in the butt joint positions of the vertical posts 6 and the vertical anchor plates 3, the lengths of the slots are equal to the height of the vertical anchor plates 3, and the bolt holes are formed in the corresponding positions; the upright post 6 is connected with the vertical anchor plate 3 through a slot, and the upright post 6 is fixed with the anchor plate 3 through a transverse bolt 4 and a longitudinal bolt 5.
The utility model has the advantages that: the installation is convenient, and the floor area is small.
Drawings
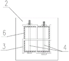
Fig. 1 is an elevation view of the present device. The anchor bar comprises anchor bars 1, horizontal anchor plates 2, vertical anchor plates 3, transverse bolts 4, longitudinal bolts 5 and upright posts 6.
FIG. 2 is a sectional view taken along line A-A of the apparatus. Wherein, horizontal anchor plate 2, vertical anchor plate 3, stand 6.
FIG. 3 is a sectional view taken along line B-B of the apparatus. Wherein, horizontal anchor plate 2, vertical anchor plate 3, horizontal bolt 4, stand 6.
FIG. 4 is a cross-sectional view taken along line C-C of the apparatus. The device comprises a horizontal anchor plate 2, a vertical anchor plate 3, a transverse bolt 4, a longitudinal bolt 5 and a vertical column 6.
Detailed Description
The utility model discloses an anchor bar 1(9 root diameter are 18 mm's HRB400 reinforcing bar), horizontal anchor slab 2 (geometric dimensions is 350x350x20, the material is Q345B steel), 3 high 300mm of vertical anchor slab, thickness 10mm, reserve the bolt hole, hole diameter 21.5mm, the material is Q345B steel, transverse bolt 4 (diameter 20mm), vertical bolt 5 (diameter 20mm) and stand 6(200x200x10 square steel pipe, slot length 300mm, reserve the bolt hole, hole diameter 21.5 mm.
When an upright column in the underground mechanical garage is connected with a foundation, an embedded part consisting of an anchor bar 1, a horizontal anchor plate 2 and a vertical anchor plate 3 is connected with the foundation of the underground mechanical garage, the horizontal projection of the vertical anchor plate 3 is swastika-shaped, a bolt hole is formed in the vertical anchor plate 3, a slot is formed in the butt joint position of the upright column 6 and the vertical anchor plate 3, the length of the slot is equal to the height of the vertical anchor plate 3, and the bolt hole is formed in the corresponding position; the upright post 6 is connected with the vertical anchor plate 3 through a slot, and the upright post 6 is fixed with the anchor plate 3 through a transverse bolt 4 and a longitudinal bolt 5.

Claims (1)

1. A column foot connecting device of a steel column applied to an underground mechanical garage is characterized by comprising anchor bars (1), horizontal anchor plates (2), vertical anchor plates (3), transverse bolts (4), longitudinal bolts (5) and upright columns (6); the embedded part consisting of the anchor bars (1), the horizontal anchor plate (2) and the vertical anchor plate (3) is connected with the foundation of the underground mechanical garage, the horizontal projection of the vertical anchor plate (3) is swastika-shaped, the vertical anchor plate (3) is provided with a bolt hole, the upright post (6) is provided with a slot at the joint with the vertical anchor plate (3), the length of the slot is equal to the height of the vertical anchor plate (3), and the bolt hole is arranged at the corresponding position; the upright post (6) is connected with the vertical anchor plate (3) through a slot, and the upright post (6) is fixed with the anchor plate (3) through a transverse bolt (4) and a longitudinal bolt (5).
CN202021319326.8U 2020-07-07 2020-07-07 Column base connecting device of steel column applied to underground mechanical garage Active CN213233522U (en)

Priority Applications (1)

Application Number Priority Date Filing Date Title
CN202021319326.8U CN213233522U (en) 2020-07-07 2020-07-07 Column base connecting device of steel column applied to underground mechanical garage

Applications Claiming Priority (1)

Application Number Priority Date Filing Date Title
CN202021319326.8U CN213233522U (en) 2020-07-07 2020-07-07 Column base connecting device of steel column applied to underground mechanical garage

Publications (1)

Publication Number Publication Date
CN213233522U true CN213233522U (en) 2021-05-18

Family

ID=75887451

Family Applications (1)

Application Number Title Priority Date Filing Date
CN202021319326.8U Active CN213233522U (en) 2020-07-07 2020-07-07 Column base connecting device of steel column applied to underground mechanical garage

Country Status (1)

Country Link
CN (1) CN213233522U (en)

Similar Documents

Publication Publication Date Title
CN204510467U (en) A kind of cap node for basement flat slab structure
CN201546227U (en) Steel support beam for supporting foundation pit bracing piling wall and basement structure outer wall
CN110847699A (en) High performance concrete prefabricated fence
CN203049788U (en) Novel dual-base-plate rigid connection column base joint of concrete filled steel tubular column
CN105350503B (en) Hydropower station underground powerhouse plant-to-traffic-hole structure and construction method thereof
CN104153374A (en) Combined foundation pit supporting structure with inclined strut and pull anchor
CN108824475A (en) A kind of transmission line of electricity equilateral triangle cushion cap stake assembling type base
CN213233522U (en) Column base connecting device of steel column applied to underground mechanical garage
CN207619987U (en) A kind of prefabricated foundation pit enclosure structure of environment-friendly type underground garage
CN205636751U (en) Assembled forming structures system towards secret building of multilayer
CN210684727U (en) Construction safety supporting construction
CN205259353U (en) Warehouse in portable increase storage space
CN203729605U (en) Inter-column reinforcing structure for preventing historic building from collapsing continuously
CN217400103U (en) Steel member for building steel structure factory building
CN212052821U (en) A two-layer equation cofferdam for hydraulic engineering construction
CN201460373U (en) Bracing wire bar tower foundation
CN211736681U (en) Prefabricated enclosure of pin-connected panel
CN202247931U (en) Power tower base
CN214425262U (en) Pipeline is advanced with assembled back
CN223089061U (en) An assembly base for building enclosure
CN219862931U (en) Semi-assembled arch retaining wall
CN204186120U (en) The vertical rod of prefabricated deadweight type roofing
CN223202763U (en) Temporary protective railings for prefabricated curved stand panels in comprehensive sports stadiums
CN223634150U (en) Ultra-high cantilever structure SPS support system
CN222333357U (en) Old room reinforced structure of concrete

Legal Events

Date Code Title Description
GR01 Patent grant
GR01 Patent grant