CN213091845U - 一种ups功能验证装置 - Google Patents
一种ups功能验证装置 Download PDFInfo
- Publication number
- CN213091845U CN213091845U CN202021945639.4U CN202021945639U CN213091845U CN 213091845 U CN213091845 U CN 213091845U CN 202021945639 U CN202021945639 U CN 202021945639U CN 213091845 U CN213091845 U CN 213091845U
- Authority
- CN
- China
- Prior art keywords
- ups
- resistor
- switch unit
- module
- power supply
- Prior art date
- Legal status (The legal status is an assumption and is not a legal conclusion. Google has not performed a legal analysis and makes no representation as to the accuracy of the status listed.)
- Active
Links
- 238000012795 verification Methods 0.000 title claims abstract description 20
- 238000004891 communication Methods 0.000 claims description 4
- 238000012360 testing method Methods 0.000 abstract description 3
- 238000011897 real-time detection Methods 0.000 abstract description 2
- 238000010586 diagram Methods 0.000 description 4
- 230000001276 controlling effect Effects 0.000 description 3
- 230000000875 corresponding effect Effects 0.000 description 3
- 230000009286 beneficial effect Effects 0.000 description 1
- 238000000034 method Methods 0.000 description 1
- 238000012986 modification Methods 0.000 description 1
- 230000004048 modification Effects 0.000 description 1
- 238000012545 processing Methods 0.000 description 1
Images
Landscapes
- Programmable Controllers (AREA)
Abstract
本实用新型公开了一种UPS功能验证装置,包括供电电源、UPS模块、电压传感器、电流传感器、可调节负载、PLC模块和上位机。本申请通过增设可变负载可以实时验证UPS不同模式的工作情况,电流电压传感器实时检测电压电流增加了线下检测隐性故障的能力,避免在线测试影响生产设备的机率,同时可通过PLC切换线路,无需手动切换,为验证测试人员提供安全保障。
Description
技术领域
本实用新型涉及备用电源设备领域,具体涉及一种UPS功能验证装置。
背景技术
目前线下对UPS验证检测都以直接上电观察输出为正常为准,上线工作一段时间后重复出现故障,没有切换不同负载能力的条件下隐性故障难以检测,隐性故障浪费大量人力处理,如若手动直接更换不同负载存在隐性安全风险。
实用新型内容
本实用新型的目的提供一种UPS功能验证装置,解决上述现有技术问题中的一个或者多个。
根据本实用新型的一种UPS功能验证装置,包括供电电源、UPS模块、电压传感器、电流传感器、可调节负载、PLC模块和上位机,所述UPS模块的输入端与所述供电电源连接,所述UPS模块的输出端与所述可调节负载连接,所述电压传感器设置于所述UPS模块的输入端的线路上,所述电流传感器设置于所述UPS模块的输出端的线路上,所述供电电源和所述可调节负载均与所述PLC模块连接,所述PLC模块分别与所述电压传感器、所述电流传感器和所述上位机通讯连接。
在一些实施方式中,所述供电电源包括第一开关单元,所述第一开关单元用于控制所述供电电源的通断。
在一些实施方式中,所述可调节负载包括一号电阻、二号电阻和三号电阻,所述一号电阻、所述二号电阻和所述三号电阻并联连接于所述UPS模块的输出端。
在一些实施方式中,所述一号电阻设置有第二开关单元,所述二号电阻设置有第三开关单元,所述三号电阻设置有第四开关单元。
在一些实施方式中,所述一号电阻、所述二号电阻和所述三号电阻的负载大小都不相同。
在一些实施方式中,所述PLC模块的信号输出端口Y0~Y4分别连接所述第一开关单元、所述第二开关单元、所述第三开关单元和所述第四开关单元,所述PLC模块可根据所述上位机的指令控制所述第一开关单元、所述第二开关单元、所述第三开关单元和所述第四开关单元的通断。
在一些实施方式中,所述PLC模块可定时采集保存所述电压传感器采集的电压数值、所述电流传感器采集的电流数值和所述可调节负载的负载数值。
本实用新型提供的一种UPS功能验证装置,其有益效果在于通过增设可变负载可以实时验证UPS不同模式的工作情况,电流电压传感器实时检测电压电流增加了线下检测隐性故障的能力,避免在线测试影响生产设备的机率,同时可通过PLC切换线路,无需手动切换,为验证测试人员提供安全保障。
附图说明
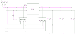
图1为本实用新型的一种实施方式的一种UPS功能验证装置的结构框图;
图2为本实用新型的一种实施方式的一种UPS功能验证装置的可调节负载的结构框图;
图3为本实用新型的一种实施方式的一种UPS功能验证装置的UPS供电回路的电路图;
图4为本实用新型的一种实施方式的一种UPS功能验证装置的PLC模块的电路图。
具体实施方式
下面结合说明书附图,对本实用新型进行进一步详细的说明。
如图1所示,根据本实用新型的一种UPS功能验证装置,包括供电电源1、UPS模块2、电压传感器3、电流传感器4、可调节负载5、PLC模块6和上位机7,UPS模块2的输入端与供电电源1连接,UPS模块2的输出端与可调节负载5连接,电压传感器3设置于UPS模块2的输入端的线路上,电流传感器4设置于UPS模块2的输出端的线路上,供电电源1和可调节负载5均与PLC模块6连接,PLC模块6分别与电压传感器3、电流传感器4和上位机7通讯连接。
如图2所示,供电电源1包括第一开关单元11,第一开关单元11用于控制供电电源1的通断。
可调节负载5包括一号电阻51、二号电阻52和三号电阻53,一号电阻51、二号电阻52和三号电阻53并联连接于UPS模块2的输出端。
一号电阻51设置有第二开关单元12,二号电阻52设置有第三开关单元13,三号电阻53设置有第四开关单元14,PLC模块分别控制第一开关单元11、第二开关单元12、第三开关单元13和第四开关单元14的通断以控制回路通断。
一号电阻51、二号电阻52和三号电阻53的负载大小都不相同。
PLC模块6可定时采集保存电压传感器3采集的电压数值、电流传感器4采集的电流数值和可调节负载5的负载数值。
实施例1
在本实施例中,如图3所示,供电电源1是UPS供电总闸F3,为UPS模块2提供220V电源,第一开关单元11为交流接触器KM1用于控制UPS供电总闸F3的通断;电参仪1为电压传感器4,电参仪2为电力传感器5,分别接入到UPS模块2输入端和输出端,一号电阻51、二号电阻52和三号电阻53对应负载R1、R2和R3,分别并联连接到UPS模块2的输出端;第二开关单元12、第三开关单元13和第四开关单元4对应交流接触器KM2、KM3和KM4,分别接入一号电R1、二号电阻R2和三号电阻R3的并联电路上。
如图4所示,PLC模块6的型号是DVP16ES200R,L和N端口分别接入电源,X0是紧急停止信号断电保护;Y0~Y3输出控制切换部分的组合,分别连接第一开关单元KM1、第二开关单元KM2、第三开关单元KM3和第四开关单元KM4;A,B端口通过RS485通信总线连接读取两台电能参数仪实时参数。
本实施中,上位机7为计算机,PLC模块6接收计算机发出的RS485总线的控制命令而执行相应的动作。
可变负载5工作原理是将三个不同负载R1、R2和R3并接到UPS输出电路中,经过不同的给合来形成不同的负载大小。切换部分工作原理是接收PLC模块6控制部分发出的电平信号控制交流接触器KM2-KM4,通过不同的通断组合而达到相应的UPS正常模式、后备模式,低负载供电、中负载供电、高负载供电的目的。
具体控过程,PLC模块6通过输出端口Y0~Y3分别控制着UPS供电总闸F3、一号电阻R1,二号电阻R2和三号电阻R3的交流接触器KM1-KM4,PLC模块6接收到计算机合闸命令后,控制UPS供电总闸F3闭合,UPS模块2受电并开始启动自检进入工作模块;PLC模块6接收到切换负载命令后,切换相对应的负载(R1-1KW,R2-2KW,R3-5KW)电组到UPS模块2的输出端,根据不同的组合可支持1KW~8KW的负载能力。PLC模块6工作期间间隔1秒轮询输入与输出参数据的数据,保存到内部寄存器以便计算机查询并返回数据。PLC模块6接收到逆变测试命令数后,控制UPS总闸F3断开,UPS模块2进入后备模式,通过输出参数仪检测逆变功能。PLC模块6接收到恢复正常模式后,将UPS总闸闭合,此时通过UPS模块2自带的指示来确认电池充电功能是否正常。
以上所述仅是本实用新型的优选方式,应当指出,对于本领域普通技术人员来说,在不脱离本实用新型创造构思的前提下,还可以做出若干相似的变形和改进,这些也视为实用新型保护之内。
Claims (7)
1.一种UPS功能验证装置,其特征在于,包括:供电电源(1)、UPS模块(2)、电压传感器(3)、电流传感器(4)、可调节负载(5)、PLC模块(6)和上位机(7),所述UPS模块(2)的输入端与所述供电电源(1)连接,所述UPS模块(2)的输出端与所述可调节负载(5)连接,所述电压传感器(3)设置于所述UPS模块(2)的输入端的线路上,所述电流传感器(4)设置于所述UPS模块(2)的输出端的线路上,所述供电电源(1)和所述可调节负载(5)均与所述PLC模块(6)连接,所述PLC模块(6)分别与所述电压传感器(3)、所述电流传感器(4)和所述上位机(7)通讯连接。
2.根据权利要求1所述的一种UPS功能验证装置,其特征在于,所述供电电源(1)包括第一开关单元(11),所述第一开关单元(11)用于控制所述供电电源(1)的通断。
3.根据权利要求2所述的一种UPS功能验证装置,其特征在于,所述可调节负载(5)包括一号电阻(51)、二号电阻(52)和三号电阻(53),所述一号电阻(51)、所述二号电阻(52)和所述三号电阻(53)并联连接于所述UPS模块(2)的输出端。
4.根据权利要求3所述的一种UPS功能验证装置,其特征在于,所述一号电阻(51)设置有第二开关单元(12),所述二号电阻(52)设置有第三开关单元(13),所述三号电阻(53)设置有第四开关单元(14)。
5.根据权利要求4所述的一种UPS功能验证装置,其特征在于,所述一号电阻(51)、所述二号电阻(52)和所述三号电阻(53)的负载大小都不相同。
6.根据权利要求4所述的一种UPS功能验证装置,其特征在于,所述PLC模块(6)的信号输出端口Y0~Y3分别连接所述第一开关单元(11)、所述第二开关单元(12)、所述第三开关单元(13)和所述第四开关单元(14),所述PLC模块(6)可根据所述上位机(7)的指令控制所述第一开关单元(11)、所述第二开关单元(12)、所述第三开关单元(13)和所述第四开关单元(14)的通断。
7.根据权利要求1所述的一种UPS功能验证装置,其特征在于,所述PLC模块(6)可定时采集保存所述电压传感器(3)采集的电压数值、所述电流传感器(4)采集的电流数值和所述可调节负载(5)的负载数值。
Priority Applications (1)
| Application Number | Priority Date | Filing Date | Title |
|---|---|---|---|
| CN202021945639.4U CN213091845U (zh) | 2020-09-08 | 2020-09-08 | 一种ups功能验证装置 |
Applications Claiming Priority (1)
| Application Number | Priority Date | Filing Date | Title |
|---|---|---|---|
| CN202021945639.4U CN213091845U (zh) | 2020-09-08 | 2020-09-08 | 一种ups功能验证装置 |
Publications (1)
| Publication Number | Publication Date |
|---|---|
| CN213091845U true CN213091845U (zh) | 2021-04-30 |
Family
ID=75634477
Family Applications (1)
| Application Number | Title | Priority Date | Filing Date |
|---|---|---|---|
| CN202021945639.4U Active CN213091845U (zh) | 2020-09-08 | 2020-09-08 | 一种ups功能验证装置 |
Country Status (1)
| Country | Link |
|---|---|
| CN (1) | CN213091845U (zh) |
Cited By (1)
| Publication number | Priority date | Publication date | Assignee | Title |
|---|---|---|---|---|
| CN120370209A (zh) * | 2025-06-27 | 2025-07-25 | 潍坊高源电气有限公司 | 一种电力ups专用智能测试设备及测试方法 |
-
2020
- 2020-09-08 CN CN202021945639.4U patent/CN213091845U/zh active Active
Cited By (1)
| Publication number | Priority date | Publication date | Assignee | Title |
|---|---|---|---|---|
| CN120370209A (zh) * | 2025-06-27 | 2025-07-25 | 潍坊高源电气有限公司 | 一种电力ups专用智能测试设备及测试方法 |
Similar Documents
| Publication | Publication Date | Title |
|---|---|---|
| CN201532590U (zh) | 一种温湿度控制器 | |
| CN101504449B (zh) | 备自投装置的试验测试仪 | |
| CN105301381B (zh) | 自动浪涌测试系统及测试方法 | |
| CN202737576U (zh) | 一种用于低压配电网的智能测控装置 | |
| CN203232115U (zh) | 一种采用蓄电池供电的ftu现场测试仪 | |
| CN109449944B (zh) | 变电站双向型直流电源控制系统和方法 | |
| CN103457301B (zh) | 一种电池活化装置及其控制方法 | |
| CN206684228U (zh) | 一种高压断路器分合闸线圈电阻通用测试装置 | |
| CN209673945U (zh) | 一种igbt功率模块测试系统 | |
| CN213091845U (zh) | 一种ups功能验证装置 | |
| CN103474966B (zh) | 一种电容器谐波谐振过电压检测方法及保护装置 | |
| CN104600662A (zh) | 一种三相四线电源自动纠相保护装置 | |
| CN103869197B (zh) | 电动汽车充放电装置双馈能测试系统 | |
| CN103604977B (zh) | 一种基于大气湿度的雷电流监测系统 | |
| CN105785169A (zh) | 一种电池系统预充电管理检测装置及其检测方法 | |
| CN202949204U (zh) | 断路器的智能故障检测排除系统 | |
| CN105371969A (zh) | 一种轨道板温度远程监测系统 | |
| CN201639336U (zh) | 分布式全在线蓄电池组充放电测试设备 | |
| CN101957401A (zh) | 配电电能综合测量仪及测量方法 | |
| CN207819550U (zh) | 一种便携回馈式蓄电池维护控制系统 | |
| CN111799890A (zh) | 一种电力智能运维测控装置 | |
| CN102237709A (zh) | 备用电源快速切换装置 | |
| CN205157066U (zh) | 一种轨道板温度监测装置 | |
| CN210835636U (zh) | 一种换相开关型三相不平衡治理装置闭环仿真测试平台 | |
| CN209894945U (zh) | 一种变电站直流系统应急监控仪 |
Legal Events
| Date | Code | Title | Description |
|---|---|---|---|
| GR01 | Patent grant | ||
| GR01 | Patent grant |