CN213089235U - 一种带有保护结构的智能消防火灾报警控制器 - Google Patents
一种带有保护结构的智能消防火灾报警控制器 Download PDFInfo
- Publication number
- CN213089235U CN213089235U CN202021634606.8U CN202021634606U CN213089235U CN 213089235 U CN213089235 U CN 213089235U CN 202021634606 U CN202021634606 U CN 202021634606U CN 213089235 U CN213089235 U CN 213089235U
- Authority
- CN
- China
- Prior art keywords
- alarm controller
- fire alarm
- protecting sheathing
- intelligent
- fire
- Prior art date
- Legal status (The legal status is an assumption and is not a legal conclusion. Google has not performed a legal analysis and makes no representation as to the accuracy of the status listed.)
- Active
Links
- 230000001681 protective effect Effects 0.000 claims abstract description 20
- 230000007246 mechanism Effects 0.000 claims abstract description 17
- 238000009434 installation Methods 0.000 claims abstract description 11
- 238000012423 maintenance Methods 0.000 description 6
- 230000008439 repair process Effects 0.000 description 2
- 230000004075 alteration Effects 0.000 description 1
- 230000009286 beneficial effect Effects 0.000 description 1
- 230000004048 modification Effects 0.000 description 1
- 238000012986 modification Methods 0.000 description 1
- 238000006467 substitution reaction Methods 0.000 description 1
- 239000002699 waste material Substances 0.000 description 1
Images
Landscapes
- Fire Alarms (AREA)
Abstract
本实用新型公开了一种带有保护结构的智能消防火灾报警控制器,包括保护外壳和风机,所述保护外壳的前方安装有合页,所述盖板的前方安装有锁扣,所述风机位于保护外壳的右侧,且保护外壳的后方设置有壁挂安装机构,所述保护外壳的内部安装有智能消防火灾报警控制器本体,且智能消防火灾报警控制器本体的左右两侧固定有固定螺栓,所述智能消防火灾报警控制器本体的下方设置有收纳机构。该带有保护结构的智能消防火灾报警控制器,与现有的普通智能消防火灾报警控制器相比,该设备能够对工具进行储放,从而便于工人更加快速的对设备进行维修,同时该设备便于进行壁挂安装,从而减少设备安装所需的时间,提高设备安装的效率。
Description
技术领域
本实用新型涉及消防火灾报警控制器技术领域,具体为一种带有保护结构的智能消防火灾报警控制器。
背景技术
火灾报警控制器是火灾自动报警系统的心脏,可向探测器供电,用来接收火灾信号并启动火灾报警装置,该设备也可用来指示着火部位和记录有关信息,也能通过火警发送装置启动火灾报警信号或通过自动消防灭火控制装置启动自动灭火设备和消防联动控制设备,也能自动的监视系统的正确运行和对特定故障给出声、光报警。
现阶段的智能消防火灾报警控制器不便于对设备进行壁挂安装,安装时往往会浪费大量的时间,同时现阶段的智能消防火灾报警控制器维修时还要去拿取大量的工具,使设备不能够及时维修,所以现阶段的智能消防火灾报警控制器不能很好的满足人们的使用需求,针对上述情况,在现有的智能消防火灾报警控制器基础上进行技术创新。
实用新型内容
本实用新型的目的在于提供一种带有保护结构的智能消防火灾报警控制器,以解决上述背景技术中提出一般的智能消防火灾报警控制器不便于对设备进行壁挂安装,安装时往往会浪费大量的时间,同时现阶段的智能消防火灾报警控制器维修时还要去拿取大量的工具,使设备不能够及时维修,所以现阶段的智能消防火灾报警控制器不能很好的满足人们的使用需求问题。
为实现上述目的,本实用新型提供如下技术方案:一种带有保护结构的智能消防火灾报警控制器,包括保护外壳和风机,所述保护外壳的前方安装有合页,且保护外壳的左侧连接有盖板,所述盖板的前方安装有锁扣,且盖板的内部设置有透明观察板,所述风机位于保护外壳的右侧,且保护外壳的后方设置有壁挂安装机构,所述保护外壳的内部安装有智能消防火灾报警控制器本体,且智能消防火灾报警控制器本体的左右两侧固定有固定螺栓,所述智能消防火灾报警控制器本体的下方设置有收纳机构。
优选的,所述盖板通过合页与保护外壳之间构成旋转结构,且盖板与透明观察板之间为粘接。
优选的,所述壁挂安装机构包括定位卡块、安装螺栓、连接滑块和支撑卡块,且定位卡块的前方设置有安装螺栓,所述定位卡块的内部设置哟连接滑块,且连接滑块的下方安装有支撑卡块。
优选的,所述定位卡块与连接滑块之间构成滑动结构,且连接滑块与保护外壳之间为焊接。
优选的,所述收纳机构包括工具收纳箱、定位滑轨和固定把手,且工具收纳箱的左右两侧固定有定位滑轨,所述工具收纳箱的前方安装有固定把手。
优选的,所述工具收纳箱与定位滑轨之间构成抽拉结构,且工具收纳箱与固定把手之间为固定连接。
与现有技术相比,本实用新型的有益效果如下:
1、本实用新型通过保护外壳、合页、盖板、风机和智能消防火灾报警控制器本体,该设备的盖板通过合页与保护外壳之间构成旋转结构,通过旋转结构便于工作人员控制盖板开关,从而便于工作人员对智能消防火灾报警控制器本体进行操作和维护,风机能够对智能消防火灾报警控制器本体进行散热,从而提高智能消防火灾报警控制器本体的使用寿命;
2、本实用新型通过保护外壳、定位卡块、连接滑块和支撑卡块,该设备的定位卡块与连接滑块之间构成滑动结构,通过滑动结构便于保护外壳的安装和固定,从而能够提高设备的安装效率,支撑卡块与连接滑块起到支撑的功能;
3、本实用新型通过工具收纳箱和定位滑轨,该设备的工具收纳箱与定位滑轨之间构成抽拉结构,通过抽拉结构便于工作人员把工具收纳箱打开,从而使设备能够储放设备的维修工具,当设备损坏时可以直接进行维修,从而提高设备的维修效率。
附图说明
图1为本实用新型正视结构示意图;
图2为本实用新型侧视结构示意图;
图3为本实用新型俯视结构示意图。
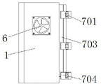
图中:1、保护外壳;2、合页;3、盖板;4、锁扣;5、透明观察板;6、风机;7、壁挂安装机构;701、定位卡块;702、安装螺栓;703、连接滑块;704、支撑卡块;8、智能消防火灾报警控制器本体;9、固定螺栓;10、收纳机构;1001、工具收纳箱;1002、定位滑轨;1003、固定把手。
具体实施方式
下面将结合本实用新型实施例中的附图,对本实用新型实施例中的技术方案进行清楚、完整地描述,显然,所描述的实施例仅仅是本实用新型一部分实施例,而不是全部的实施例。基于本实用新型中的实施例,本领域普通技术人员在没有做出创造性劳动前提下所获得的所有其他实施例,都属于本实用新型保护的范围。
请参阅图1-3,本实用新型提供一种技术方案:一种带有保护结构的智能消防火灾报警控制器,包括保护外壳1和风机6,保护外壳1的前方安装有合页2,且保护外壳1的左侧连接有盖板3,盖板3通过合页2与保护外壳1之间构成旋转结构,且盖板3与透明观察板5之间为粘接,通过保护外壳1、合页2、盖板3、风机6和智能消防火灾报警控制器本体8,该设备的盖板3通过合页2与保护外壳1之间构成旋转结构,通过旋转结构便于工作人员控制盖板3开关,从而便于工作人员对智能消防火灾报警控制器本体8进行操作和维护,风机6能够对智能消防火灾报警控制器本体8进行散热,从而提高智能消防火灾报警控制器本体8的使用寿命。
盖板3的前方安装有锁扣4,且盖板3的内部设置有透明观察板5,风机6位于保护外壳1的右侧,且保护外壳1的后方设置有壁挂安装机构7,壁挂安装机构7包括定位卡块701、安装螺栓702、连接滑块703和支撑卡块704,且定位卡块701的前方设置有安装螺栓702,定位卡块701的内部设置哟连接滑块703,且连接滑块703的下方安装有支撑卡块704,定位卡块701与连接滑块703之间构成滑动结构,且连接滑块703与保护外壳1之间为焊接,通过保护外壳1、定位卡块701、连接滑块703和支撑卡块704,该设备的定位卡块701与连接滑块703之间构成滑动结构,通过滑动结构便于保护外壳1的安装和固定,从而能够提高设备的安装效率,支撑卡块704与连接滑块703起到支撑的功能。
保护外壳1的内部安装有智能消防火灾报警控制器本体8,且智能消防火灾报警控制器本体8的左右两侧固定有固定螺栓9,智能消防火灾报警控制器本体8的下方设置有收纳机构10,收纳机构10包括工具收纳箱1001、定位滑轨1002和固定把手1003,且工具收纳箱1001的左右两侧固定有定位滑轨1002,工具收纳箱1001的前方安装有固定把手1003,工具收纳箱1001与定位滑轨1002之间构成抽拉结构,且工具收纳箱1001与固定把手1003之间为固定连接,通过工具收纳箱1001和定位滑轨1002,该设备的工具收纳箱1001与定位滑轨1002之间构成抽拉结构,通过抽拉结构便于工作人员把工具收纳箱1001打开,从而使设备能够储放设备的维修工具,当设备损坏时可以直接进行维修,从而提高设备的维修效率。
工作原理:在使用该带有保护结构的智能消防火灾报警控制器时,首先通过固定螺栓9把智能消防火灾报警控制器本体8安装到保护外壳1的内部,依靠盖板3通过合页2与保护外壳1之间构成的旋转结构把盖板3关闭,通过锁扣4对盖板3进行固定,然后通过安装螺栓702把定位卡块701和支撑卡块704固定到墙体上,然后通过定位卡块701与连接滑块703之间构成的滑动机构把保护外壳1安装到墙体上,工作人员可以通过透明观察板5观察到智能消防火灾报警控制器本体8上面的数据,当设备损坏时可以打开盖板3,拉动固定把手1003,通过工具收纳箱1001与定位滑轨1002之间构成的抽拉结构便于工作人员取出工具收纳箱1001内部的维修工具,对智能消防火灾报警控制器本体8及时的进行维修。
尽管已经示出和描述了本实用新型的实施例,对于本领域的普通技术人员而言,可以理解在不脱离本实用新型的原理和精神的情况下可以对这些实施例进行多种变化、修改、替换和变型,本实用新型的范围由所附权利要求及其等同物限定。
Claims (6)
1.一种带有保护结构的智能消防火灾报警控制器,包括保护外壳(1)和风机(6),其特征在于:所述保护外壳(1)的前方安装有合页(2),且保护外壳(1)的左侧连接有盖板(3),所述盖板(3)的前方安装有锁扣(4),且盖板(3)的内部设置有透明观察板(5),所述风机(6)位于保护外壳(1)的右侧,且保护外壳(1)的后方设置有壁挂安装机构(7),所述保护外壳(1)的内部安装有智能消防火灾报警控制器本体(8),且智能消防火灾报警控制器本体(8)的左右两侧固定有固定螺栓(9),所述智能消防火灾报警控制器本体(8)的下方设置有收纳机构(10)。
2.根据权利要求1所述的一种带有保护结构的智能消防火灾报警控制器,其特征在于:所述盖板(3)通过合页(2)与保护外壳(1)之间构成旋转结构,且盖板(3)与透明观察板(5)之间为粘接。
3.根据权利要求1所述的一种带有保护结构的智能消防火灾报警控制器,其特征在于:所述壁挂安装机构(7)包括定位卡块(701)、安装螺栓(702)、连接滑块(703)和支撑卡块(704),且定位卡块(701)的前方设置有安装螺栓(702),所述定位卡块(701)的内部设置哟连接滑块(703),且连接滑块(703)的下方安装有支撑卡块(704)。
4.根据权利要求3所述的一种带有保护结构的智能消防火灾报警控制器,其特征在于:所述定位卡块(701)与连接滑块(703)之间构成滑动结构,且连接滑块(703)与保护外壳(1)之间为焊接。
5.根据权利要求1所述的一种带有保护结构的智能消防火灾报警控制器,其特征在于:所述收纳机构(10)包括工具收纳箱(1001)、定位滑轨(1002)和固定把手(1003),且工具收纳箱(1001)的左右两侧固定有定位滑轨(1002),所述工具收纳箱(1001)的前方安装有固定把手(1003)。
6.根据权利要求5所述的一种带有保护结构的智能消防火灾报警控制器,其特征在于:所述工具收纳箱(1001)与定位滑轨(1002)之间构成抽拉结构,且工具收纳箱(1001)与固定把手(1003)之间为固定连接。
Priority Applications (1)
| Application Number | Priority Date | Filing Date | Title |
|---|---|---|---|
| CN202021634606.8U CN213089235U (zh) | 2020-08-08 | 2020-08-08 | 一种带有保护结构的智能消防火灾报警控制器 |
Applications Claiming Priority (1)
| Application Number | Priority Date | Filing Date | Title |
|---|---|---|---|
| CN202021634606.8U CN213089235U (zh) | 2020-08-08 | 2020-08-08 | 一种带有保护结构的智能消防火灾报警控制器 |
Publications (1)
| Publication Number | Publication Date |
|---|---|
| CN213089235U true CN213089235U (zh) | 2021-04-30 |
Family
ID=75628879
Family Applications (1)
| Application Number | Title | Priority Date | Filing Date |
|---|---|---|---|
| CN202021634606.8U Active CN213089235U (zh) | 2020-08-08 | 2020-08-08 | 一种带有保护结构的智能消防火灾报警控制器 |
Country Status (1)
| Country | Link |
|---|---|
| CN (1) | CN213089235U (zh) |
Cited By (1)
| Publication number | Priority date | Publication date | Assignee | Title |
|---|---|---|---|---|
| CN118678603A (zh) * | 2024-08-19 | 2024-09-20 | 江苏港安消防科技有限公司 | 智能消防火灾报警控制器的安装结构 |
-
2020
- 2020-08-08 CN CN202021634606.8U patent/CN213089235U/zh active Active
Cited By (1)
| Publication number | Priority date | Publication date | Assignee | Title |
|---|---|---|---|---|
| CN118678603A (zh) * | 2024-08-19 | 2024-09-20 | 江苏港安消防科技有限公司 | 智能消防火灾报警控制器的安装结构 |
Similar Documents
| Publication | Publication Date | Title |
|---|---|---|
| CN213089235U (zh) | 一种带有保护结构的智能消防火灾报警控制器 | |
| CN112203446B (zh) | 一种具有防盗功能的信息安全监控储存设备 | |
| CN101692532A (zh) | 电力移动工作站 | |
| CN205665288U (zh) | 一种新型改进结构的防窃电低压计量柜 | |
| CN212966784U (zh) | 一种用于教学的安全数控机床 | |
| CN210468392U (zh) | 一种变电站使用的安全管理控制系统 | |
| CN203911324U (zh) | 新型二次终端箱 | |
| CN217182699U (zh) | 一种消防配电箱安装结构 | |
| CN214175699U (zh) | 一种智慧医疗用智能问诊导流服务机 | |
| CN212784403U (zh) | 一种便于墙面固定的视频监控智能安防箱 | |
| CN209805138U (zh) | 一种便于户外使用的防水配电柜 | |
| CN211046035U (zh) | 一种改进型户外智能开关 | |
| CN219779601U (zh) | 一种便于检修的低压控制柜 | |
| CN221353421U (zh) | 一种具有多种布线通道的电气控制柜 | |
| CN220253816U (zh) | 一种防尘的自封闭式自动灭火电气柜 | |
| CN210693192U (zh) | 一种可自动报警的配电柜 | |
| CN210129672U (zh) | 用于强弱电管理的电气箱 | |
| CN218293828U (zh) | 一种多功能真空泵控制柜 | |
| CN218334869U (zh) | 多功能变电箱 | |
| CN110720763A (zh) | 一种多数据分析用餐饮类数据信息展示装置 | |
| CN222445268U (zh) | 琴台式站控消防主机 | |
| CN222261827U (zh) | 一种弱电工程控制柜 | |
| CN213989840U (zh) | 一种可远程检测的配电柜 | |
| CN213546819U (zh) | 一种方便检修的密度继电器防尘保护罩 | |
| CN221806204U (zh) | 一种冷库用智能安全防护的控制柜 |
Legal Events
| Date | Code | Title | Description |
|---|---|---|---|
| GR01 | Patent grant | ||
| GR01 | Patent grant |