CN213020713U - 一种用于农业肥料生产的烘干设备 - Google Patents

一种用于农业肥料生产的烘干设备 Download PDF

Info

Publication number
CN213020713U
CN213020713U CN202021060142.4U CN202021060142U CN213020713U CN 213020713 U CN213020713 U CN 213020713U CN 202021060142 U CN202021060142 U CN 202021060142U CN 213020713 U CN213020713 U CN 213020713U
Authority
CN
China
Prior art keywords
box
fixedly connected
inner cavity
pipe
drying
Prior art date
Legal status (The legal status is an assumption and is not a legal conclusion. Google has not performed a legal analysis and makes no representation as to the accuracy of the status listed.)
Expired - Fee Related
Application number
CN202021060142.4U
Other languages
English (en)
Inventor
彭期亮
Current Assignee (The listed assignees may be inaccurate. Google has not performed a legal analysis and makes no representation or warranty as to the accuracy of the list.)
Henan Bodejiahui Fertilizer Technology Co ltd
Original Assignee
Individual
Priority date (The priority date is an assumption and is not a legal conclusion. Google has not performed a legal analysis and makes no representation as to the accuracy of the date listed.)
Filing date
Publication date
Application filed by Individual filed Critical Individual
Priority to CN202021060142.4U priority Critical patent/CN213020713U/zh
Application granted granted Critical
Publication of CN213020713U publication Critical patent/CN213020713U/zh
Expired - Fee Related legal-status Critical Current
Anticipated expiration legal-status Critical

Links

Images

Landscapes

  • Drying Of Solid Materials (AREA)
  • Fertilizers (AREA)

Abstract

本实用新型公开了一种用于农业肥料生产的烘干设备,包括烘干箱,所述烘干箱的底部固定连接有筛选箱,所述烘干箱顶部的中心处固定连接有电机,所述电机的输出端贯穿至烘干箱内腔的顶部并固定连接有转杆。本实用新型通过设置烘干箱、加热箱、风机主体、滤板、收集箱、振动电机、筛选箱、第二排料管、漏斗、支撑杆、弹簧、通孔、第一排料管、湿度传感器、第一出气管、搅拌杆、排气管、转杆、电机、温度传感器、进料管和电加热管配合使用,解决了现有的烘干机不具有烘干后快速冷却和筛选的功能,在烘干完成后取出并冷却,从而再进行筛选,大大增加了使用者的工作量和工作时间,降低了烘干设备工作效率的问题。

Description

一种用于农业肥料生产的烘干设备
技术领域
本实用新型涉及肥料技术领域,具体为一种用于农业肥料生产的烘干设备。
背景技术
肥料是指提供一种或一种以上植物必需的营养元素,改善土壤性质、提高土壤肥力水平的一类物质,是农业生产的物质基础之一,主要包括磷酸铵类肥料、大量元素水溶性肥料、中量元素肥料、生物肥料、有机肥料、多维场能浓缩有机肥等。
在农业肥料生产加工过程中,在原料造粒完成后需对肥料进行烘干,现有的烘干设备不具有烘干后快速冷却和筛选的功能,在烘干完成后取出并冷却,从而再进行筛选,大大增加了使用者的工作量和工作时间,降低了烘干设备的工作效率。
实用新型内容
本实用新型的目的在于提供一种用于农业肥料生产的烘干设备,具备烘干后快速冷却和筛选的优点,解决了现有的烘干设备不具有烘干后快速冷却和筛选的功能,在烘干完成后取出并冷却,从而再进行筛选,大大增加了使用者的工作量和工作时间,降低了烘干设备工作效率的问题。
为实现上述目的,本实用新型提供如下技术方案:一种用于农业肥料生产的烘干设备,包括烘干箱,所述烘干箱的底部固定连接有筛选箱,所述烘干箱顶部的中心处固定连接有电机,所述电机的输出端贯穿至烘干箱内腔的顶部并固定连接有转杆,所述转杆的两侧均固定连接有搅拌杆,所述烘干箱内腔顶部的左侧连通有进料管,所述烘干箱内腔顶部的右侧连通有排气管,所述烘干箱内腔顶部的左侧固定安装有温度传感器,所述烘干箱内腔右侧的底部固定安装有湿度传感器,所述烘干箱内腔底部的右侧连通有第一排料管,所述第一排料管的底部贯穿至筛选箱内腔顶部的右侧,所述筛选箱顶部的两侧均固定连接有加热箱,两个加热箱相反一侧的中心处固定连接有风机主体,所述加热箱内腔的中心处竖向固定连接有电加热管,两个加热箱内腔相对的一侧连通有第一出气管,所述第一出气管远离加热箱的一侧与烘干箱内腔的两侧连通,所述筛选箱的左侧固定连接有收集箱,所述筛选箱内腔的顶部横向设置有滤板,所述滤板的左侧贯穿筛选箱并延伸至收集箱内腔右侧的顶部,所述筛选箱两侧的顶部与收集箱右侧的顶部均开设有与滤板配合使用的通孔,所述筛选箱内腔底部的两侧均固定连接有支撑杆,所述支撑杆的顶部固定连接有弹簧,所述弹簧远离支撑杆的一侧与滤板底部的两侧固定连接,所述筛选箱底部的中心处贯穿设置有第二排料管,所述滤板底部的固定连接有漏斗,所述漏斗的底部贯穿第二排料管内腔的顶部,所述漏斗的两侧均固定连接有振动电机。
优选的,所述收集箱的正表面通过铰链活动连接有箱门,所述筛选箱底部的四角均固定连接有支撑腿,所述漏斗表面的底部与第二排料管内腔的顶部滑动连接。
优选的,所述进料管的顶部通过转轴活动连接有进料盖,所述烘干箱内腔的底部固定连接有导流板。
优选的,所述风机主体包括风机、进气管和第二出气管,两个第二出气管相对的一侧与加热箱的内腔连通,两个进气管相反的一侧固定连接有第一过滤网,横向两个第一出气管相对的一侧固定连接有第二过滤网,所述排气管内腔的顶部固定连接有第三滤网。
优选的,所述第一排料管与第二排料管的表面均固定安装有电磁阀,右侧加热箱右侧的顶部固定连接有时间控制器,时间控制器的输出端分别与电机、风机主体、振动电机、电加热管和电磁阀的输入端电性连接,时间控制器分别与温度传感器和湿度传感器双向电连接。
优选的,所述烘干箱底部的中心处镶嵌有与转杆配合使用的稳定轴承,所述滤板的左侧且位于筛选箱右侧的顶部固定连接有挡板,所述第一出气管的数量为若干个。
与现有技术相比,本实用新型的有益效果如下:
1、本实用新型通过设置烘干箱、加热箱、风机主体、滤板、收集箱、振动电机、筛选箱、第二排料管、漏斗、支撑杆、弹簧、通孔、第一排料管、湿度传感器、第一出气管、搅拌杆、排气管、转杆、电机、温度传感器、进料管和电加热管配合使用,解决了现有的烘干机不具有烘干后快速冷却和筛选的功能,在烘干完成后取出并冷却,从而再进行筛选,大大增加了使用者的工作量和工作时间,降低了烘干设备工作效率的问题。
2、本实用新型通过设置排气管,能够便于烘干箱内的空气流通,通过设置导流板,能够便于将烘干箱内完成烘干和冷却的肥料排入筛选箱内,通过设置收集箱,能够便于对不合格的肥料进行收集,通过设置支撑杆和弹簧配合使用,能够对滤板起到辅助缓冲的作用,通过设置稳定轴承,能够对转杆进行稳定转动,通过设置挡板,能够防止滤板顶部的肥料从通孔内飞溅出。
附图说明
图1为本实用新型结构示意图;
图2为本实用新型加热箱结构剖视示意图;
图3为本实用新型烘干箱结构俯视剖视示意图。
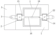
图中:1烘干箱、2加热箱、3风机主体、4滤板、5收集箱、6振动电机、7筛选箱、8第二排料管、9漏斗、10支撑杆、11弹簧、12通孔、13第一排料管、14湿度传感器、15第一出气管、16搅拌杆、17排气管、18转杆、19电机、20温度传感器、21进料管、22电加热管。
具体实施方式
下面将结合本实用新型实施例中的附图,对本实用新型实施例中的技术方案进行清楚、完整地描述,显然,所描述的实施例仅仅是本实用新型一部分实施例,而不是全部的实施例。基于本实用新型中的实施例,本领域普通技术人员在没有做出创造性劳动前提下所获得的所有其他实施例,都属于本实用新型保护的范围。
在实用新型的描述中,需要说明的是,术语“上”、“下”、“内”、“外”“前端”、“后端”、“两端”、“一端”、“另一端”等指示的方位或位置关系为基于附图所示的方位或位置关系,仅是为了便于描述本实用新型和简化描述,而不是指示或暗示所指的装置或元件必须具有特定的方位、以特定的方位构造和操作,因此不能理解为对本实用新型的限制。此外,术语“第一”、“第二”仅用于描述目的,而不能理解为指示或暗示相对重要性。
在实用新型的描述中,需要说明的是,除非另有明确的规定和限定,术语“安装”、“设置有”、“连接”等,应做广义理解,例如“连接”,可以是固定连接,也可以是可拆卸连接,或一体地连接;可以是机械连接,也可以是电连接;可以是直接相连,也可以通过中间媒介间接相连,可以是两个元件内部的连通。对于本领域的普通技术人员而言,可以具体情况理解上述术语在本实用新型中的具体含义。
本实用新型中的烘干箱1、加热箱2、风机主体3、滤板4、收集箱5、振动电机6、筛选箱7、第二排料管8、漏斗9、支撑杆10、弹簧11、通孔12、第一排料管13、湿度传感器14、第一出气管15、搅拌杆16、排气管17、转杆18、电机19、温度传感器20、进料管21和电加热管22等部件均为通用标准件或本领域技术人员知晓的部件,其结构和原理都为本领域技术人员均可通过技术手册得知或通过常规实验方法获知。
请参阅图1-3,用于农业肥料生产的烘干设备,包括烘干箱1,筛选箱7底部的四角均固定连接有支撑腿,烘干箱1内腔的底部固定连接有导流板,通过设置导流板,能够便于将烘干箱1内完成烘干和冷却的肥料排入筛选箱7内,烘干箱1的底部固定连接有筛选箱7,烘干箱1顶部的中心处固定连接有电机19,电机19的输出端贯穿至烘干箱1内腔的顶部并固定连接有转杆18,烘干箱1底部的中心处镶嵌有与转杆18配合使用的稳定轴承,通过设置稳定轴承,能够对转杆18进行稳定转动,转杆18的两侧均固定连接有搅拌杆16,烘干箱1内腔顶部的左侧连通有进料管21,进料管21的顶部通过转轴活动连接有进料盖,烘干箱1内腔顶部的右侧连通有排气管17,排气管17内腔的顶部固定连接有第三滤网,通过设置排气管17,能够便于烘干箱1内的空气流通,烘干箱1内腔顶部的左侧固定安装有温度传感器20,烘干箱1内腔右侧的底部固定安装有湿度传感器14,烘干箱1内腔底部的右侧连通有第一排料管13,第一排料管13的底部贯穿至筛选箱7内腔顶部的右侧,筛选箱7顶部的两侧均固定连接有加热箱2,两个加热箱2相反一侧的中心处固定连接有风机主体3,风机主体3包括风机、进气管和第二出气管,两个第二出气管相对的一侧与加热箱2的内腔连通,两个进气管相反的一侧固定连接有第一过滤网,加热箱2内腔的中心处竖向固定连接有电加热管22,两个加热箱2内腔相对的一侧连通有第一出气管15,横向两个第一出气管15相对的一侧固定连接有第二过滤网,第一出气管15的数量为若干个,第一出气管15远离加热箱2的一侧与烘干箱1内腔的两侧连通,筛选箱7的左侧固定连接有收集箱5,收集箱5的正表面通过铰链活动连接有箱门,通过设置收集箱5,能够便于对不合格的肥料进行收集,筛选箱7内腔的顶部横向设置有滤板4,滤板4的左侧且位于筛选箱7右侧的顶部固定连接有挡板,通过设置挡板,能够防止滤板4顶部的肥料从通孔12内飞溅出,滤板4的左侧贯穿筛选箱7并延伸至收集箱5内腔右侧的顶部,筛选箱7两侧的顶部与收集箱5右侧的顶部均开设有与滤板4配合使用的通孔12,筛选箱7内腔底部的两侧均固定连接有支撑杆10,支撑杆10的顶部固定连接有弹簧11,通过设置支撑杆10和弹簧11配合使用,能够对滤板4起到辅助缓冲的作用,弹簧11远离支撑杆10的一侧与滤板4底部的两侧固定连接,筛选箱7底部的中心处贯穿设置有第二排料管8,第一排料管13与第二排料管8的表面均固定安装有电磁阀,滤板4底部的固定连接有漏斗9,漏斗9表面的底部与第二排料管8内腔的顶部滑动连接,漏斗9的底部贯穿第二排料管8内腔的顶部,漏斗9的两侧均固定连接有振动电机6,右侧加热箱2右侧的顶部固定连接有时间控制器,时间控制器的输出端分别与电机19、风机主体3、振动电机6、电加热管22和电磁阀的输入端电性连接,时间控制器分别与温度传感器20和湿度传感器14双向电连接,通过设置烘干箱1、加热箱2、风机主体3、滤板4、收集箱5、振动电机6、筛选箱7、第二排料管8、漏斗9、支撑杆10、弹簧11、通孔12、第一排料管13、湿度传感器14、第一出气管15、搅拌杆16、排气管17、转杆18、电机19、温度传感器20、进料管21和电加热管22配合使用,解决了现有的烘干机不具有烘干后快速冷却和筛选的功能,在烘干完成后取出并冷却,从而再进行筛选,大大增加了使用者的工作量和工作时间,降低了烘干设备工作效率的问题。
使用时,设定温度传感器20的最高温度与最低温度、设定湿度传感器14检测湿度和设定冷却时间,通过时间控制器控制风机主体3、电加热管22和电机19工作并将温度传感器20和湿度传感器14开启,使用者打开进料盖,将造粒完成的肥料通过进料管21排入烘干箱1内,电加热管22工作对周围的温度进行升高,同时风机主体3工作将外界空气依次通过风机主体3、加热箱2、电加热管22、第一出气管15、烘干箱1和排气管17流出进行换气,同时风机主体3因工作,带动气流流动将电加热管22周围的热量传导至烘干箱1内,对烘干箱1内的肥料进行烘干,在第一过滤网的辅助作用下,能够起到防尘的作用,在第二过滤网的辅助作用下,能够防止烘干箱1内的肥料进入加热箱2内,在第三过滤网的辅助作用下,能够防止肥料从排气管17内飞溅出,同时因电机19工作,使得电机19的输出端转动,带动转杆18进行转动,从而带动转杆18上的搅拌杆16进行转动对烘干箱1内的肥料进行搅拌均匀烘干,当温度传感器20检测到烘干箱1内的温度高于设定烘干温度时,温度传感器20将信号传输至时间控制器,时间控制器控制电加热管22关闭,防止烘干箱1内的温度因过高而导致肥料损坏,而当湿度传感器14检测到烘干箱1内的湿度低于设定湿度时,湿度传感器14将信号传输至时间控制器,时间控制器控制温度传感器20和电加热管22关闭,同时风机主体3和电机19继续工作并开启计时,对烘干箱1内进行降温,当达到设定冷却时间后,时间控制器控制风机主体3和电机19关闭,并控制振动电机6工作和第一排料管13与第二排料管8上的电磁阀开启,在导流板的辅助下,将烘干箱1内完成烘干的肥料通过第一排料管13排入滤板4的顶部,同时因振动电机6工作进行上下抖动,在支撑杆10和弹簧11的辅助下,使得振动电机6带动漏斗9进行上下抖动从而带动滤板4在通孔12内进行上下抖动,合格的肥料依次通过滤板4和第二排料管8排出,同时不合格的肥料通过滤板4向左滑落至收集箱5内进行收集,当需要对收集箱5内的不合格的肥料进行清理时,打开箱门,使用者对收集箱5内的不合格的肥料进行清理即可。
综上所述:该用于农业肥料生产的烘干设备,通过设置烘干箱1、加热箱2、风机主体3、滤板4、收集箱5、振动电机6、筛选箱7、第二排料管8、漏斗9、支撑杆10、弹簧11、通孔12、第一排料管13、湿度传感器14、第一出气管15、搅拌杆16、排气管17、转杆18、电机19、温度传感器20、进料管21和电加热管22配合使用,解决了现有的烘干机不具有烘干后快速冷却和筛选的功能,在烘干完成后取出并冷却,从而再进行筛选,大大增加了使用者的工作量和工作时间,降低了烘干设备工作效率的问题。
尽管已经示出和描述了本实用新型的实施例,对于本领域的普通技术人员而言,可以理解在不脱离本实用新型的原理和精神的情况下可以对这些实施例进行多种变化、修改、替换和变型,本实用新型的范围由所附权利要求及其等同物限定。

Claims (6)

1.一种用于农业肥料生产的烘干设备,包括烘干箱(1),其特征在于:所述烘干箱(1)的底部固定连接有筛选箱(7),所述烘干箱(1)顶部的中心处固定连接有电机(19),所述电机(19)的输出端贯穿至烘干箱(1)内腔的顶部并固定连接有转杆(18),所述转杆(18)的两侧均固定连接有搅拌杆(16),所述烘干箱(1)内腔顶部的左侧连通有进料管(21),所述烘干箱(1)内腔顶部的右侧连通有排气管(17),所述烘干箱(1)内腔顶部的左侧固定安装有温度传感器(20),所述烘干箱(1)内腔右侧的底部固定安装有湿度传感器(14),所述烘干箱(1)内腔底部的右侧连通有第一排料管(13),所述第一排料管(13)的底部贯穿至筛选箱(7)内腔顶部的右侧,所述筛选箱(7)顶部的两侧均固定连接有加热箱(2),两个加热箱(2)相反一侧的中心处固定连接有风机主体(3),所述加热箱(2)内腔的中心处竖向固定连接有电加热管(22),两个加热箱(2)内腔相对的一侧连通有第一出气管(15),所述第一出气管(15)远离加热箱(2)的一侧与烘干箱(1)内腔的两侧连通,所述筛选箱(7)的左侧固定连接有收集箱(5),所述筛选箱(7)内腔的顶部横向设置有滤板(4),所述滤板(4)的左侧贯穿筛选箱(7)并延伸至收集箱(5)内腔右侧的顶部,所述筛选箱(7)两侧的顶部与收集箱(5)右侧的顶部均开设有与滤板(4)配合使用的通孔(12),所述筛选箱(7)内腔底部的两侧均固定连接有支撑杆(10),所述支撑杆(10)的顶部固定连接有弹簧(11),所述弹簧(11)远离支撑杆(10)的一侧与滤板(4)底部的两侧固定连接,所述筛选箱(7)底部的中心处贯穿设置有第二排料管(8),所述滤板(4)底部的固定连接有漏斗(9),所述漏斗(9)的底部贯穿第二排料管(8)内腔的顶部,所述漏斗(9)的两侧均固定连接有振动电机(6)。
2.根据权利要求1所述的一种用于农业肥料生产的烘干设备,其特征在于:所述收集箱(5)的正表面通过铰链活动连接有箱门,所述筛选箱(7)底部的四角均固定连接有支撑腿,所述漏斗(9)表面的底部与第二排料管(8)内腔的顶部滑动连接。
3.根据权利要求1所述的一种用于农业肥料生产的烘干设备,其特征在于:所述进料管(21)的顶部通过转轴活动连接有进料盖,所述烘干箱(1)内腔的底部固定连接有导流板。
4.根据权利要求1所述的一种用于农业肥料生产的烘干设备,其特征在于:所述风机主体(3)包括风机、进气管和第二出气管,两个第二出气管相对的一侧与加热箱(2)的内腔连通,两个进气管相反的一侧固定连接有第一过滤网,横向两个第一出气管(15)相对的一侧固定连接有第二过滤网,所述排气管(17)内腔的顶部固定连接有第三滤网。
5.根据权利要求1所述的一种用于农业肥料生产的烘干设备,其特征在于:所述第一排料管(13)与第二排料管(8)的表面均固定安装有电磁阀,右侧加热箱(2)右侧的顶部固定连接有时间控制器,时间控制器的输出端分别与电机(19)、风机主体(3)、振动电机(6)、电加热管(22)和电磁阀的输入端电性连接,时间控制器分别与温度传感器(20)和湿度传感器(14)双向电连接。
6.根据权利要求1所述的一种用于农业肥料生产的烘干设备,其特征在于:所述烘干箱(1)底部的中心处镶嵌有与转杆(18)配合使用的稳定轴承,所述滤板(4)的左侧且位于筛选箱(7)右侧的顶部固定连接有挡板,所述第一出气管(15)的数量为若干个。
CN202021060142.4U 2020-06-11 2020-06-11 一种用于农业肥料生产的烘干设备 Expired - Fee Related CN213020713U (zh)

Priority Applications (1)

Application Number Priority Date Filing Date Title
CN202021060142.4U CN213020713U (zh) 2020-06-11 2020-06-11 一种用于农业肥料生产的烘干设备

Applications Claiming Priority (1)

Application Number Priority Date Filing Date Title
CN202021060142.4U CN213020713U (zh) 2020-06-11 2020-06-11 一种用于农业肥料生产的烘干设备

Publications (1)

Publication Number Publication Date
CN213020713U true CN213020713U (zh) 2021-04-20

Family

ID=75493993

Family Applications (1)

Application Number Title Priority Date Filing Date
CN202021060142.4U Expired - Fee Related CN213020713U (zh) 2020-06-11 2020-06-11 一种用于农业肥料生产的烘干设备

Country Status (1)

Country Link
CN (1) CN213020713U (zh)

Cited By (6)

* Cited by examiner, † Cited by third party
Publication number Priority date Publication date Assignee Title
CN113294988A (zh) * 2021-05-31 2021-08-24 安徽华谷机械科技有限公司 一种节能粮食烘干系统
CN113304990A (zh) * 2021-04-28 2021-08-27 湖南禾众谷农业科技有限公司 一种杂粮加工用除湿筛选装置
CN115137085A (zh) * 2022-06-29 2022-10-04 内蒙古农业大学 一种摆动式文冠果杀青装置
CN115183555A (zh) * 2022-06-22 2022-10-14 安徽省农业科学院棉花研究所 一种生物肥料加工过程中的变温干燥装置
CN115212833A (zh) * 2022-07-26 2022-10-21 湖南华日制药有限公司 一种安全型苯甲酸钠的制备装置及其制备方法
CN116294483A (zh) * 2023-03-30 2023-06-23 赣榆县金中韩肥业有限公司 集干燥、冷却和筛分于一体的肥料制备装置及使用方法

Cited By (9)

* Cited by examiner, † Cited by third party
Publication number Priority date Publication date Assignee Title
CN113304990A (zh) * 2021-04-28 2021-08-27 湖南禾众谷农业科技有限公司 一种杂粮加工用除湿筛选装置
CN113294988A (zh) * 2021-05-31 2021-08-24 安徽华谷机械科技有限公司 一种节能粮食烘干系统
CN113294988B (zh) * 2021-05-31 2022-06-07 安徽华谷机械科技有限公司 一种节能粮食烘干系统
CN115183555A (zh) * 2022-06-22 2022-10-14 安徽省农业科学院棉花研究所 一种生物肥料加工过程中的变温干燥装置
CN115183555B (zh) * 2022-06-22 2023-06-09 安徽省农业科学院棉花研究所 一种生物肥料加工过程中的变温干燥装置
CN115137085A (zh) * 2022-06-29 2022-10-04 内蒙古农业大学 一种摆动式文冠果杀青装置
CN115212833A (zh) * 2022-07-26 2022-10-21 湖南华日制药有限公司 一种安全型苯甲酸钠的制备装置及其制备方法
CN116294483A (zh) * 2023-03-30 2023-06-23 赣榆县金中韩肥业有限公司 集干燥、冷却和筛分于一体的肥料制备装置及使用方法
CN116294483B (zh) * 2023-03-30 2024-06-04 赣榆县金中韩肥业有限公司 集干燥、冷却和筛分于一体的肥料制备装置及使用方法

Similar Documents

Publication Publication Date Title
CN213020713U (zh) 一种用于农业肥料生产的烘干设备
CN206064479U (zh) 一种带干燥功能的谷物除杂机械设备
CN212842631U (zh) 一种农产品初级干燥加工设备
CN214792467U (zh) 一种盘式干燥机
CN208653177U (zh) 一种茶子加工装置
CN206637969U (zh) 一种鼓风干燥箱
CN211185723U (zh) 一种茶叶加工用高效干燥装置
CN220517255U (zh) 一种塑料粒子定型用冷却装置
CN112741349A (zh) 一种用于南瓜子新型翻炒装置
CN218869360U (zh) 一种姜片脱水烘干装置
CN207662083U (zh) 电热鼓风干燥箱
CN218033904U (zh) 一种食品加工用通风降温装置
CN206989639U (zh) 一种农副产品科技烘干装置
CN213273565U (zh) 一种环保用土壤干燥箱
CN116067137A (zh) 一种蚕茧干燥装置及使用方法
CN111820210A (zh) 一种西瓜花粉的低温贮存装置
CN218898240U (zh) 一种红枣加工用烘干设备
CN220648867U (zh) 一种金银花烘干放置平台
CN206169270U (zh) 一种铸造件冷却室通风装置
CN218993829U (zh) 一种代森锰锌用干燥装置
CN223339408U (zh) 一种pc过滤器清洗用存放柜
CN217236332U (zh) 一种微生物菌剂干燥设备
CN217031919U (zh) 一种猕猴桃花粉干燥箱
CN218230217U (zh) 一种试剂瓶存放装置
CN218924714U (zh) 一种换气式老化试验箱

Legal Events

Date Code Title Description
GR01 Patent grant
GR01 Patent grant
TR01 Transfer of patent right

Effective date of registration: 20221031

Address after: 453600 West College Road, Huixian Industrial Cluster District, Xinxiang City, Henan Province

Patentee after: Henan Bodejiahui Fertilizer Technology Co.,Ltd.

Address before: 402560 No. 55, Xiaonan street, Anju Town, Tongliang County, Tongliang District, Chongqing

Patentee before: Peng Qiliang

TR01 Transfer of patent right
CF01 Termination of patent right due to non-payment of annual fee

Granted publication date: 20210420

CF01 Termination of patent right due to non-payment of annual fee