CN213003828U - Size-adjustable machine tool clamp - Google Patents

Size-adjustable machine tool clamp Download PDF

Info

Publication number
CN213003828U
CN213003828U CN202020728357.2U CN202020728357U CN213003828U CN 213003828 U CN213003828 U CN 213003828U CN 202020728357 U CN202020728357 U CN 202020728357U CN 213003828 U CN213003828 U CN 213003828U
Authority
CN
China
Prior art keywords
plate
machine tool
arc
size adjustable
adjustable machine
Prior art date
Legal status (The legal status is an assumption and is not a legal conclusion. Google has not performed a legal analysis and makes no representation as to the accuracy of the status listed.)
Expired - Fee Related
Application number
CN202020728357.2U
Other languages
Chinese (zh)
Inventor
王莉萍
Current Assignee (The listed assignees may be inaccurate. Google has not performed a legal analysis and makes no representation or warranty as to the accuracy of the list.)
Kunshan Depth Precision Hardware Co ltd
Original Assignee
Kunshan Depth Precision Hardware Co ltd
Priority date (The priority date is an assumption and is not a legal conclusion. Google has not performed a legal analysis and makes no representation as to the accuracy of the date listed.)
Filing date
Publication date
Application filed by Kunshan Depth Precision Hardware Co ltd filed Critical Kunshan Depth Precision Hardware Co ltd
Priority to CN202020728357.2U priority Critical patent/CN213003828U/en
Application granted granted Critical
Publication of CN213003828U publication Critical patent/CN213003828U/en
Expired - Fee Related legal-status Critical Current
Anticipated expiration legal-status Critical

Links

Images

Landscapes

  • Jigs For Machine Tools (AREA)

Abstract

本实用新型公开了一种尺寸可调节式机床夹具,具体涉及机床夹具技术领域,包括安装圆座,所述安装圆座内部的上方设有支撑板,所述支撑板包括板体,所述板体的中部设有支撑部,所述板体与支撑部之间设有若干个连杆,若干个所述连杆的两端分别与板体的内侧壁和支撑部的外侧壁固定连接,所述支撑部的中部开设有通孔,所述安装圆座内部的下侧设有驱动板,所述驱动板的上端开设有若干个弧形通槽,若干个所述连杆的外侧均活动套设有滑板。本实用新型通过驱动板和弧形通槽带动滑板向中部或外侧移动的方式,可以实现对工件的装夹,同时可以适应不同大小的工件,装夹速度快且较为稳定,灵活性高,结构简单。

Figure 202020728357

The utility model discloses a size-adjustable machine tool clamp, which particularly relates to the technical field of machine tool clamps. The middle part of the body is provided with a support part, a number of connecting rods are arranged between the plate body and the support part, and the two ends of the several connecting rods are respectively fixedly connected with the inner side wall of the plate body and the outer side wall of the support part, so A through hole is opened in the middle of the support part, a drive plate is arranged on the lower side of the inside of the installation circular seat, a plurality of arc-shaped through grooves are opened on the upper end of the drive plate, and the outer sides of the several connecting rods are movable sleeves. Features a skateboard. The utility model drives the sliding plate to move to the middle or the outer side through the driving plate and the arc through groove, so that the clamping of the workpiece can be realized, and at the same time, it can adapt to the workpieces of different sizes, the clamping speed is fast and relatively stable, the flexibility is high, and the structure is high. Simple.

Figure 202020728357

Description

Size-adjustable machine tool clamp
Technical Field
The utility model relates to a machine tool clamp technical field, more specifically say, the utility model relates to a size adjustable machine tool clamp.
Background
The process of positioning and clamping a workpiece on a machine tool or a clamp is called clamping of the workpiece, a device for clamping the workpiece is called a machine tool clamp, the clamp is called for short, and the clamp has the characteristics of compact structure and convenience in operation.
The existing machine tool clamp is simple in structure and inconvenient to use, a workpiece is usually clamped manually, the workpiece with large size difference is difficult to clamp, the operation is troublesome, and the flexibility is low.
SUMMERY OF THE UTILITY MODEL
In order to overcome the above-mentioned defect of prior art, the embodiment of the utility model provides a size adjustable jig, the utility model aims to solve the technical problem that: the existing machine tool clamp is simple in structure and inconvenient to use, a workpiece is usually clamped manually, the workpiece with large size difference is difficult to clamp, the operation is troublesome, and the flexibility is low.
In order to achieve the above object, the utility model provides a following technical scheme: a size-adjustable machine tool clamp comprises a mounting circular seat, wherein a supporting plate is arranged above the inside of the mounting circular seat, the supporting plate comprises a plate body, a supporting part is arranged in the middle of the plate body, a plurality of connecting rods are arranged between the plate body and the supporting part, two ends of the plurality of connecting rods are respectively fixedly connected with the inner side wall of the plate body and the outer side wall of the supporting part, a through hole is formed in the middle of the supporting part, a driving plate is arranged on the lower side of the inside of the mounting circular seat, a plurality of arc-shaped through grooves are formed in the upper end of the driving plate, sliding plates are movably sleeved on the outer sides of the plurality of connecting rods, bearings located on the inner sides of the arc-shaped through grooves are connected to the bottom ends of the plurality of sliding plates in a matched mode, the outer sides of the, the slide passes through guiding mechanism and splint activity setting, the work piece has been placed to the top of supporting part, the middle part fixed mounting of the inboard bottom of installation round seat has the reduction gear, one side of reduction gear is equipped with driving motor, driving motor's output shaft and the input shaft transmission of reduction gear are connected, the output shaft of reduction gear and the middle part fixed connection of drive plate bottom, the middle part between backup pad and the drive plate is equipped with the mechanism of pushing up.
Through the mode that drive slide moved to middle part or outside through drive plate and arc logical groove, can realize the clamping to the work piece, can adapt to the work piece of equidimension not simultaneously, the clamping is fast and comparatively stable, and the flexibility is high, simple structure.
In a preferred embodiment, the adjusting mechanism includes a fixing plate, a bottom end of the fixing plate is fixedly connected with an upper end of the sliding plate, a dovetail groove is formed in the upper end of the fixing plate, a bottom end of the clamping plate is located on the inner side of the dovetail groove and is arranged in a sliding manner with the dovetail groove, and the bottom end of the clamping plate can slide in the dovetail groove.
In a preferred embodiment, one end of the fixing plate is rotatably connected with a screw rod, the middle of the screw rod is in threaded transmission connection with the bottom end of the clamping plate, a hand wheel far away from one side of the workpiece is fixedly mounted at one end of the screw rod, the hand wheel is rotated to drive the screw rod to rotate, and the screw rod can drive the clamping plate to move.
In a preferred embodiment, the upward pushing mechanism comprises an electric push rod, a top plate is movably arranged on the inner side of the through hole, the upper end of the electric push rod is fixedly connected with the bottom end of the top plate, the lower end of the electric push rod is rotatably connected with the middle of the driving plate, the electric push rod can drive the top plate to move up and down, a workpiece can be supported, and the workpiece can be pushed out after the workpiece is machined, so that a worker can take the workpiece down conveniently.
In a preferred embodiment, the distance from the outer end of the arc-shaped through groove to the inner end of the arc-shaped through groove to the outer edge of the driving plate is gradually increased, so that the bearing and the sliding plate can be driven to move through the arc-shaped through groove during the rotation of the driving plate.
In a preferred embodiment, the plate body and the outer side wall of the driving plate are detachably connected with the side wall of the mounting round seat through bolts, so that the mounting and the dismounting are convenient.
In a preferred embodiment, the outer edge of the bottom of the mounting circular seat is provided with a plurality of cylindrical counter bores, and the mounting circular seat can be mounted on a frame of an external machine tool by using bolts through the cylindrical counter bores.
The utility model discloses a technological effect and advantage:
1. the utility model can clamp workpieces in different sizes by driving the driving plate and the arc through groove to drive the sliding plate to move towards the middle or the outer side, and has the advantages of high clamping speed, stability, high flexibility and simple structure;
2. the utility model discloses an adjustment splint can be controlled in the setting of guiding mechanism to can make splint can the range of clamping work piece size change, also enlarged the scope that lathe anchor clamps can the clamping work piece size.
Drawings
Fig. 1 is a schematic view of the overall structure of the present invention.
Fig. 2 is a schematic structural diagram of the support plate of the present invention.
Fig. 3 is a schematic structural diagram of the driving plate of the present invention.
Fig. 4 is a partially enlarged view of a portion a in fig. 1 according to the present invention.
The reference signs are:
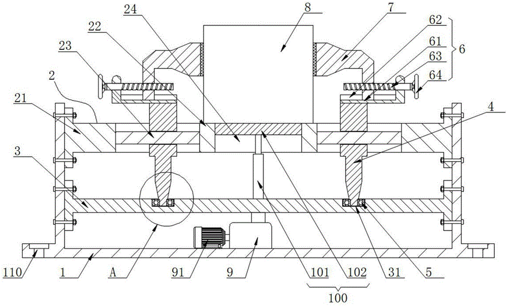
1, mounting a round seat, 2 supporting plates, 21 plate bodies, 22 supporting parts, 23 connecting rods, 24 through holes, 3 driving plates, 31 arc-shaped through grooves, 4 sliding plates, 5 bearings, 6 adjusting mechanisms, 61 fixing plates, 62 dovetail grooves, 63 screw rods, 64 hand wheels, 7 clamping plates, 8 workpieces, 9 speed reducers, 91 driving motors, 100 jacking mechanisms, 101 electric push rods, 102 top plates and 110 cylindrical counter bores.
Detailed Description
The technical solutions in the embodiments of the present invention will be described clearly and completely with reference to the accompanying drawings in the embodiments of the present invention, and it is obvious that the described embodiments are only some embodiments of the present invention, not all embodiments. Based on the embodiments in the present invention, all other embodiments obtained by a person skilled in the art without creative work belong to the protection scope of the present invention.
The utility model provides a size-adjustable machine tool fixture, which comprises a mounting round seat 1, wherein a supporting plate 2 is arranged above the inside of the mounting round seat 1, the supporting plate 2 comprises a plate body 21, a supporting part 22 is arranged in the middle of the plate body 21, a plurality of connecting rods 23 are arranged between the plate body 21 and the supporting part 22, the two ends of the connecting rods 23 are respectively and fixedly connected with the inner side wall of the plate body 21 and the outer side wall of the supporting part 22, a through hole 24 is arranged in the middle of the supporting part 22, a driving plate 3 is arranged at the lower side of the inside of the mounting round seat 1, a plurality of arc through grooves 31 are arranged at the upper end of the driving plate 3, a plurality of sliding plates 4 are movably sleeved at the outer sides of the connecting rods 23, a plurality of bearings 5 positioned at the inner sides of the arc through grooves 31 are matched and connected with, a plurality of slide 4's upper end all is equipped with guiding mechanism 6, guiding mechanism 6's top is equipped with splint 7, slide 4 sets up through guiding mechanism 6 and splint 7 activity, work piece 8 has been placed to the top of supporting part 22, the middle part fixed mounting of the inboard bottom of installation round seat 1 has reduction gear 9, one side of reduction gear 9 is equipped with driving motor 91, driving motor 91's output shaft is connected with the input shaft transmission of reduction gear 9, the output shaft of reduction gear 9 and the middle part fixed connection of drive plate 3 bottom, middle part between backup pad 2 and the drive plate 3 is equipped with mechanism 100 of pushing up.
The adjusting mechanism 6 comprises a fixing plate 61, the bottom end of the fixing plate 61 is fixedly connected with the upper end of the sliding plate 4, a dovetail groove 62 is formed in the upper end of the fixing plate 61, and the bottom end of the clamping plate 7 is located on the inner side of the dovetail groove 62 and is arranged in a sliding mode with the dovetail groove 62.
One end of the fixing plate 61 is rotatably connected with a screw rod 63, the middle of the screw rod 63 is in threaded transmission connection with the bottom end of the clamping plate 7, and a hand wheel 64 far away from one side of the workpiece 8 is fixedly mounted at one end of the screw rod 63.
The upper ejection mechanism 100 comprises an electric push rod 101, a top plate 102 is movably arranged on the inner side of the through hole 24, the upper end of the electric push rod 101 is fixedly connected with the bottom end of the top plate 102, and the lower end of the electric push rod 101 is rotatably connected with the middle of the driving plate 3.
The distance from the outer end of the arcuate channel 31 to the inner end thereof to the outer edge of the drive plate 3 increases.
The plate body 21 and the outer side wall of the driving plate 3 are detachably connected with the side wall of the mounting round seat 1 through bolts.
The outer edge of the bottom of the mounting circular seat 1 is provided with a plurality of cylindrical counter bores 110.
As shown in fig. 1 to 4, the embodiment specifically is: when a workpiece 8 is clamped, firstly, the workpiece 8 is placed above the supporting part 22, then the driving motor 91 is started, the driving motor 91 drives the driving plate 3 to rotate through the speed reducer 9, at the moment, the driving plate 3 drives the bearing 5 through the arc through groove 31, so that the bearing 5 rolls relative to the arc through groove 31, the bearing 5 drives the sliding plate 4 to slide on the connecting rod 23 to one side of the middle part of the supporting part 22, so that the sliding plate 4 can drive the clamping plate 7 to move through the adjusting mechanism 6, so that the clamping plate 7 clamps the workpiece 8, when the workpiece 8 is loosened, the driving motor 91 is rotated reversely, the driving plate 3 and the arc through groove 31 can drive the sliding plate 4 to move to the outer side of the supporting part 22, so that the workpiece 8 can be loosened, through the arrangement of the bearing 5, the rolling friction force of the bearing 5 in the arc through groove 31 is smaller, the abrasion is also smaller, the clamping plate 7 can be adjusted leftwards and rightwards, during adjustment, the hand wheel 64 is rotated, the hand wheel 64 drives the screw rod 63, the screw rod 63 drives the clamping plate 7 to slide leftwards and rightwards in the dovetail groove 62, so that the clamping plate 7 can be adjusted to a proper position, through the arrangement of the jacking mechanism 100, when a workpiece is clamped, the electric push rod 101 can drive the top plate 102 to move upwards, so that the clamping height of the workpiece 8 can be changed, meanwhile, when the workpiece 8 is taken down after processing is finished, the workpiece 8 can be jacked upwards through the electric push rod 101 and the top plate 102, so that a worker can conveniently take down the workpiece 8, namely, the mode that the driving plate 3 and the arc through groove 31 drive the sliding plate 4 to move towards the middle part or the outer side is adopted, the clamping of the workpiece 8 can be realized, meanwhile, the clamping speed is fast and stable, the flexibility is high, the structure is simple, the clamping plate 7 can be adjusted leftwards and rightwards, so that the clamping plate 7 can clamp the workpiece in a large size range, namely the workpiece size range of the machine tool clamp is enlarged, the embodiment specifically solves the problems that the existing machine tool clamp is simple in structure and inconvenient to use, the workpiece is usually clamped manually, the clamping size of the workpiece is difficult to be different, operation is troublesome, and flexibility is low.
The points to be finally explained are: first, in the description of the present application, it should be noted that, unless otherwise specified and limited, the terms "mounted," "connected," and "connected" should be understood broadly, and may be a mechanical connection or an electrical connection, or a communication between two elements, and may be a direct connection, and "upper," "lower," "left," and "right" are only used to indicate a relative positional relationship, and when the absolute position of the object to be described is changed, the relative positional relationship may be changed;
secondly, the method comprises the following steps: in the drawings of the disclosed embodiments of the present invention, only the structures related to the disclosed embodiments are referred to, and other structures can refer to the common design, and under the condition of no conflict, the same embodiment and different embodiments of the present invention can be combined with each other;
and finally: the above description is only for the preferred embodiment of the present invention and should not be taken as limiting the invention, and any modifications, equivalent replacements, improvements, etc. made within the spirit and principle of the present invention should be included in the protection scope of the present invention.

Claims (7)

1. The utility model provides a size adjustable lathe anchor clamps, includes installation circle seat (1), its characterized in that: the mounting round seat is characterized in that a supporting plate (2) is arranged above the inside of the mounting round seat (1), the supporting plate (2) comprises a plate body (21), a supporting part (22) is arranged in the middle of the plate body (21), a plurality of connecting rods (23) are arranged between the plate body (21) and the supporting part (22), the two ends of each connecting rod (23) are fixedly connected with the inner side wall of the plate body (21) and the outer side wall of the supporting part (22) respectively, a through hole (24) is formed in the middle of the supporting part (22), a driving plate (3) is arranged on the lower side of the inside of the mounting round seat (1), a plurality of arc-shaped through grooves (31) are formed in the upper end of the driving plate (3), sliding plates (4) are movably sleeved on the outer sides of the connecting rods (23), a plurality of bearings (5) located on the inner sides of the arc-shaped through grooves (31) are connected with the bottoms, a plurality of the upper end of slide (4) all is equipped with guiding mechanism (6), the top of guiding mechanism (6) is equipped with splint (7), slide (4) set up through guiding mechanism (6) and splint (7) activity, work piece (8) have been placed to the top of supporting part (22), the middle part fixed mounting of the inboard bottom of erection circle seat (1) has reduction gear (9), one side of reduction gear (9) is equipped with driving motor (91), the output shaft of driving motor (91) is connected with the input shaft transmission of reduction gear (9), the output shaft of reduction gear (9) and the middle part fixed connection of drive plate (3) bottom, middle part between backup pad (2) and drive plate (3) is equipped with jack-up mechanism (100).
2. A size adjustable machine tool holder according to claim 1, wherein: adjustment mechanism (6) are including fixed plate (61), the upper end fixed connection of the bottom of fixed plate (61) and slide (4), dovetail (62) have been seted up to the upper end of fixed plate (61), the bottom of splint (7) is located the inboard and the dovetail (62) sliding setting of dovetail (62).
3. A size adjustable machine tool holder according to claim 2, wherein: the one end of fixed plate (61) is rotated and is connected with lead screw (63), the middle part of lead screw (63) is passed through screw thread transmission with the bottom of splint (7) and is connected, the one end fixed mounting of lead screw (63) has hand wheel (64) of keeping away from work piece (8) one side.
4. A size adjustable machine tool holder according to claim 1, wherein: the upper ejection mechanism (100) comprises an electric push rod (101), a top plate (102) is movably arranged on the inner side of the through hole (24), the upper end of the electric push rod (101) is fixedly connected with the bottom end of the top plate (102), and the lower end of the electric push rod (101) is rotatably connected with the middle of the driving plate (3).
5. A size adjustable machine tool holder according to claim 1, wherein: the distance from the outer end of the arc-shaped through groove (31) to the inner end of the arc-shaped through groove to the outer edge of the driving plate (3) is gradually increased.
6. A size adjustable machine tool holder according to claim 1, wherein: the outer side walls of the plate body (21) and the drive plate (3) are detachably connected with the side wall of the mounting round seat (1) through bolts.
7. A size adjustable machine tool holder according to claim 1, wherein: the outer edge of the bottom of the mounting circular seat (1) is provided with a plurality of cylindrical counter bores (110).
CN202020728357.2U 2020-05-07 2020-05-07 Size-adjustable machine tool clamp Expired - Fee Related CN213003828U (en)

Priority Applications (1)

Application Number Priority Date Filing Date Title
CN202020728357.2U CN213003828U (en) 2020-05-07 2020-05-07 Size-adjustable machine tool clamp

Applications Claiming Priority (1)

Application Number Priority Date Filing Date Title
CN202020728357.2U CN213003828U (en) 2020-05-07 2020-05-07 Size-adjustable machine tool clamp

Publications (1)

Publication Number Publication Date
CN213003828U true CN213003828U (en) 2021-04-20

Family

ID=75483381

Family Applications (1)

Application Number Title Priority Date Filing Date
CN202020728357.2U Expired - Fee Related CN213003828U (en) 2020-05-07 2020-05-07 Size-adjustable machine tool clamp

Country Status (1)

Country Link
CN (1) CN213003828U (en)

Cited By (3)

* Cited by examiner, † Cited by third party
Publication number Priority date Publication date Assignee Title
CN114833610A (en) * 2022-06-15 2022-08-02 江苏电子信息职业学院 Numerical control machining center convenient to quick clamping
CN115488657A (en) * 2022-09-22 2022-12-20 江苏太平洋精锻科技股份有限公司 Metal cutting positioning tool convenient for station conversion
CN116039232A (en) * 2022-11-02 2023-05-02 杭州华联印务有限公司 Energy-saving printing machine convenient for adjusting size of printed pattern

Cited By (3)

* Cited by examiner, † Cited by third party
Publication number Priority date Publication date Assignee Title
CN114833610A (en) * 2022-06-15 2022-08-02 江苏电子信息职业学院 Numerical control machining center convenient to quick clamping
CN115488657A (en) * 2022-09-22 2022-12-20 江苏太平洋精锻科技股份有限公司 Metal cutting positioning tool convenient for station conversion
CN116039232A (en) * 2022-11-02 2023-05-02 杭州华联印务有限公司 Energy-saving printing machine convenient for adjusting size of printed pattern

Similar Documents

Publication Publication Date Title
CN110153752B (en) Large-scale axle type parts machining clamping equipment that can dismantle fast
CN213003828U (en) Size-adjustable machine tool clamp
CN220516059U (en) Fixed tooling for machining annular rotary support piece
CN115741524A (en) Clamping device for machining
CN214351998U (en) Positioning fixture for automatically correcting hub center
CN220162018U (en) Roller chamfering and polishing equipment
CN219561175U (en) Auto-parts punching press is got and is put anchor clamps
CN219541821U (en) Positioning and adjusting device for machined workpiece
CN217166516U (en) Fixing clamp convenient to adjust and used for numerical control lathe
CN109623418B (en) Special automobile spare and accessory part machining center
CN221416414U (en) Board clamping tool for numerical control machining
CN218800670U (en) Automatic centering flat tongs for precision parts machining
CN220881631U (en) Engineering machine tool accessory processing grinding device
CN220783052U (en) Positioning tool for numerical control machine tool
CN221495142U (en) Adjustable numerical control clamp
CN221110828U (en) Fixed fixture device for machining
CN223465930U (en) Clamp for bearing machining
CN220994411U (en) Rotary clamp for machining precise parts
CN222958087U (en) Four-axis multiaspect adds clamping apparatus
CN223353131U (en) Hydraulic support jack is with processing anchor clamps
CN221818249U (en) Cutting and polishing equipment for hardware fittings
CN220698323U (en) Lifting mechanism of double-sided milling machine
CN220699411U (en) Adjustable centering clamping mechanism for die machining
CN223419387U (en) Large slewing bearing processing fixture
CN221516900U (en) Bearing ring turning fixing device

Legal Events

Date Code Title Description
GR01 Patent grant
GR01 Patent grant
CF01 Termination of patent right due to non-payment of annual fee
CF01 Termination of patent right due to non-payment of annual fee

Granted publication date: 20210420