CN212979316U - Garbage compression device for environmental protection - Google Patents
Garbage compression device for environmental protection Download PDFInfo
- Publication number
- CN212979316U CN212979316U CN202020997684.8U CN202020997684U CN212979316U CN 212979316 U CN212979316 U CN 212979316U CN 202020997684 U CN202020997684 U CN 202020997684U CN 212979316 U CN212979316 U CN 212979316U
- Authority
- CN
- China
- Prior art keywords
- wall
- electric telescopic
- casing
- shell
- compression device
- Prior art date
- Legal status (The legal status is an assumption and is not a legal conclusion. Google has not performed a legal analysis and makes no representation as to the accuracy of the status listed.)
- Expired - Fee Related
Links
- 239000010813 municipal solid waste Substances 0.000 title claims abstract description 57
- 238000007906 compression Methods 0.000 title claims abstract description 22
- 230000006835 compression Effects 0.000 title claims abstract description 21
- 230000007613 environmental effect Effects 0.000 title abstract description 12
- 239000000463 material Substances 0.000 claims description 22
- 239000007788 liquid Substances 0.000 claims description 7
- 239000002699 waste material Substances 0.000 claims description 3
- 238000013461 design Methods 0.000 abstract description 3
- 238000000034 method Methods 0.000 abstract description 2
- 239000002184 metal Substances 0.000 description 21
- 230000009471 action Effects 0.000 description 3
- 238000011084 recovery Methods 0.000 description 3
- 238000010276 construction Methods 0.000 description 2
- 230000000694 effects Effects 0.000 description 2
- 229910052755 nonmetal Inorganic materials 0.000 description 2
- 238000012216 screening Methods 0.000 description 2
- 238000001179 sorption measurement Methods 0.000 description 2
- 238000012546 transfer Methods 0.000 description 2
- 230000002745 absorbent Effects 0.000 description 1
- 239000002250 absorbent Substances 0.000 description 1
- 230000006978 adaptation Effects 0.000 description 1
- 230000009286 beneficial effect Effects 0.000 description 1
- 230000008859 change Effects 0.000 description 1
- 230000007547 defect Effects 0.000 description 1
- 238000011038 discontinuous diafiltration by volume reduction Methods 0.000 description 1
- 238000010030 laminating Methods 0.000 description 1
- 238000012545 processing Methods 0.000 description 1
- 238000007790 scraping Methods 0.000 description 1
Images
Landscapes
- Processing Of Solid Wastes (AREA)
Abstract
The utility model belongs to the technical field of the refuse treatment technique and specifically relates to a rubbish compressor arrangement is used to environmental protection, which comprises supporting legs, the upper end of landing leg is connected with the casing, the upper end of casing is equipped with the feed inlet, the lower extreme fixedly connected with swash plate of axis body, the outer wall left and right sides upper portion symmetry of casing is equipped with the mounting panel, the lower extreme of mounting panel is equipped with motor and first electric telescopic handle in proper order, the output shaft of motor is connected with the upper end of axis body, first electric telescopic handle's lower extreme runs through the casing and is connected with the scraper blade that uses with the swash plate cooperation, the outer wall left and right sides lower part symmetry of casing is equipped with second electric telescopic handle, the one end of. The utility model has the advantages of reasonable design, it is convenient to use, can sieve out the metallics in the rubbish before the compression rubbish to retrieve the metallics, effectually avoided the wasting of resources, facilitate the use more.
Description
Technical Field
The utility model relates to a refuse treatment technical field especially relates to a rubbish compressor arrangement for environmental protection.
Background
Energy saving and environmental protection mean energy saving and environmental protection, are the concepts of advocating mainly in the modernization construction, and in the construction of environmental protection, it is an important measure to the collection and the processing of rubbish, and the rubbish compressor is one of the main equipment that realizes rubbish compression volume reduction, also is the main treatment facility of rubbish transfer station, and the rubbish compressor is the main equipment of rubbish transfer station, is one kind and compresses the rubbish that collects to reduce rubbish volume's machinery.
The existing garbage compression device generally compresses garbage directly thrown into the compression cavity, metal in the garbage cannot be screened out in the compression process, the metal needs to be screened continuously in the follow-up treatment, and the compressed garbage is convenient to sort, so that the recovery rate of metal resources is reduced, and the resource waste is caused. To this end, an environmentally friendly trash compactor was proposed to solve such problems.
SUMMERY OF THE UTILITY MODEL
The utility model aims at solving the defects existing in the prior art and providing an environment-friendly garbage compression device.
In order to achieve the above purpose, the utility model adopts the following technical scheme:
design an environment-friendly garbage compression device, which comprises supporting legs, wherein the upper ends of the supporting legs are connected with a shell, the upper end of the shell is provided with a feed inlet, a frame is arranged between the upper parts of the front side and the rear side of the inner wall of the shell, the inside of the frame is symmetrically provided with a rotating shaft, the outer side of the rotating shaft is rotatably connected with a striker plate, a first spring is fixedly connected between the two striker plates, the upper parts of the left side and the right side of the inner wall of the shell are symmetrically provided with first through grooves, the inside of the first through grooves is rotatably connected with a shaft body through a bearing, the lower end of the shaft body is fixedly connected with an inclined plate, the upper end and the lower end of the inclined plate are respectively provided with a groove, the inside of the groove is provided with a magnet, the upper parts of the left side, the lower extreme of first electric telescopic handle runs through the casing and is connected with the scraper blade that uses with the swash plate cooperation, the outer wall left and right sides lower part symmetry of casing is equipped with second electric telescopic handle, the one end of second electric telescopic handle runs through the casing and is connected with the clamp plate.
Preferably, the lower ends of the supporting legs are rotatably connected with rollers through pin shafts.
Preferably, the bottom end of the inner wall of the shell is uniformly provided with through holes, and the middle part of the lower end of the shell is in threaded connection with a liquid storage tank communicated with the through holes.
Preferably, the middle parts of the left side and the right side of the inner wall of the shell are symmetrically provided with first through grooves, and the first through grooves are matched with the first electric telescopic rods for use.
Preferably, the lower parts of the left side and the right side of the inner wall of the shell are symmetrically provided with material guide plates, the outer wall of the shell is provided with a material outlet matched with the material guide plates, and the outer side of the material outlet is connected with a collecting box.
Preferably, the outer wall of the scraper is provided with a sliding chute matched with the first electric telescopic rod, the top end of the inner wall of the sliding chute is provided with a second spring, and the lower end of the second spring is connected with the first electric telescopic rod.
Preferably, the outer wall front side of casing articulates through the hinge has the apron, the outer wall right side of apron is equipped with the handle.
The utility model provides a pair of rubbish compressor arrangement for environmental protection, beneficial effect lies in: after entering from the feeding hole, garbage can fall onto the material baffle plate, after being blocked by the material baffle plate, the falling speed of the garbage is reduced, the subsequent screening work is facilitated, the garbage falls onto the inclined plate after passing through the material baffle plate, under the action of the magnet, metal objects in the garbage can be adsorbed, the non-metal garbage continuously falls onto the bottom of the shell, the two pressing plates are driven to be close to each other by extending the second electric telescopic rod, the garbage compression work is completed, and the compressed garbage can be taken out by opening the cover plate, so that the garbage is convenient to clean; drive the axis body through the motor and rotate, can be so that the swash plate upset, avoid being located the magnet of top and adsorb too much metal and reduce the adsorption efficiency to the metal, influence the recovery effect of metal, the magnet that adsorbs more metal overturns behind the below, stretch out and draw back through controlling first electric telescopic handle, can drive the removal that the scraper blade makes a round trip, scrape the magnet, can clear up adsorbed metal on the magnet, the metal that the clearance got off drops on the stock guide, finally get into the inside collection of collecting box. Compared with the prior art, the utility model has the advantages of reasonable design, it is convenient to use, can sieve out the metallics in the rubbish before compressing rubbish to retrieve the metallics, effectually avoided the wasting of resources, facilitate the use more.
Drawings
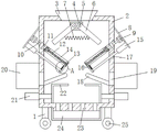
Fig. 1 is a schematic structural view of an environmental garbage compressing device provided by the present invention;
FIG. 2 is an enlarged schematic view of the A-part structure of the environmental garbage compressing apparatus of the present invention;
fig. 3 is a front view of the housing of the garbage compression device for environmental protection of the present invention.
In the figure: landing leg 1, casing 2, feed inlet 3, frame 4, axis of rotation 5, striker plate 6, first spring 7, mounting panel 8, motor 9, first logical groove 10, the axis body 11, swash plate 12, recess 13, magnet 14, first electric telescopic handle 15, scraper blade 16, second logical groove 17, stock guide 18, discharge gate 19, collecting box 20, second electric telescopic handle 21, clamp plate 22, through-hole 23, liquid reserve tank 24, gyro wheel 25, hinge 26, apron 27, handle 28, spout 29, second spring 30.
Detailed Description
The technical solutions in the embodiments of the present invention will be described clearly and completely with reference to the accompanying drawings in the embodiments of the present invention, and it is obvious that the described embodiments are only some embodiments of the present invention, not all embodiments.
The components of the embodiments of the present invention, as generally described and illustrated in the figures herein, may be arranged and designed in a wide variety of different configurations. Thus, the following detailed description of the embodiments of the present invention, presented in the accompanying drawings, is not intended to limit the scope of the invention, as claimed, but is merely representative of selected embodiments of the invention.
Based on the embodiments in the present invention, all other embodiments obtained by a person skilled in the art without creative work belong to the protection scope of the present invention.
In the description of the present invention, it should be noted that the terms "center", "upper", "lower", "left", "right", "vertical", "horizontal", "inner", "outer", and the like indicate orientations or positional relationships based on the orientations or positional relationships shown in the drawings, and are only for convenience of description and simplification of description, but do not indicate or imply that the device or element referred to must have a specific orientation, be constructed and operated in a specific orientation, and thus, should not be construed as limiting the present invention. Furthermore, the terms "first," "second," and "third" are used for descriptive purposes only and are not to be construed as indicating or implying relative importance.
In the description of the present invention, it is to be noted that, unless otherwise explicitly specified or limited, the terms "mounted," "connected," and "connected" are to be construed broadly, and may be, for example, fixedly connected, detachably connected, or integrally connected; can be mechanically or electrically connected; they may be connected directly or indirectly through intervening media, or they may be interconnected between two elements. The specific meaning of the above terms in the present invention can be understood in specific cases to those skilled in the art.
Referring to fig. 1-3, a rubbish compression device for environmental protection, includes landing leg 1, and the lower extreme of landing leg 1 rotates through the round pin axle and is connected with gyro wheel 25, and the setting of gyro wheel 25 has strengthened the mobility of device, can make things convenient for thrust unit to remove, has improved the result of use of device.
The upper end of landing leg 1 is connected with casing 2, and the upper end of casing 2 is equipped with feed inlet 3, and through-hole 23 has evenly been seted up to the inner wall bottom of casing 2, and the lower extreme middle part threaded connection of casing 2 has the liquid reserve tank 24 that is linked together with through-hole 23, when compressing rubbish, the inside remaining liquid accessible through-hole 23 of rubbish emits into the inside collection of liquid reserve tank 24 and handles, avoids appearing polluting, and threaded connection's liquid reserve tank 24 conveniently dismantles the clearance.
A frame 4 is arranged between the upper parts of the front side and the rear side of the inner wall of the shell 2, a rotating shaft 5 is symmetrically arranged inside the frame 4, striker plates 6 are rotatably connected to the outer side of the rotating shaft 5, a first spring 7 is fixedly connected between the two striker plates 6, first through grooves 10 are symmetrically arranged on the upper parts of the left side and the right side of the inner wall of the shell 2, a shaft body 11 is rotatably connected inside the first through grooves 10 through a bearing, an inclined plate 12 is fixedly connected to the lower end of the shaft body 11, grooves 13 are respectively arranged at the upper end and the lower end of the inclined plate 12, magnets 14 are arranged inside the grooves 13, mounting plates 8 are symmetrically arranged on the upper parts of the left side and the right side of the outer wall of the shell 2, a motor 9 and a first electric telescopic rod 15 are sequentially arranged at the lower end of the mounting plates 8, the output shaft of the motor 9 is connected with the upper, first logical groove 10 uses with the cooperation of first electric telescopic handle 15, and the setting of first logical groove 10 can reduce the frictional force between first electric telescopic handle 15 and the casing 2, reduces wearing and tearing.
The spout 29 with first electric telescopic handle 15 looks adaptation is seted up to the outer wall of scraper blade 16, the inner wall top of spout 29 is equipped with second spring 30, the lower extreme of second spring 30 is connected with first electric telescopic handle 15, it rotates to drive the axis body 11 through motor 9, can make swash plate 12 overturn, swash plate 12 upset in-process, can extrude scraper blade 16 downstream and compress second spring 30, after swash plate 12 overturns 180 degrees, drive scraper blade 16 and reset under second spring 30's spring action, make scraper blade 16 can continue to clear up absorbent metal object on the magnet 14, simultaneously because scraper blade 16 and swash plate 12 keep the parallel state, when consequently first electric telescopic handle 15 drives scraper blade 16 round trip movement, can not extrude scraper blade 16 downstream, scraper blade 16 can keep the laminating state with swash plate 12 all the time.
The lower part of the left side and the right side of the inner wall of the shell 2 is symmetrically provided with a material guide plate 18, the material guide plate 18 is positioned under the inclined plate 12, a material outlet 19 matched with the material guide plate 18 for use is formed in the outer wall of the shell 2, the outer side of the material outlet 19 is connected with a collecting box 20, the first electric telescopic rod 15 is controlled to stretch, the scraping plate 16 can be driven to move back and forth, the magnet 14 is scraped, the metal objects adsorbed on the magnet 14 can be cleaned, the cleaned metal objects fall onto the material guide plate 18, and finally the metal objects enter the collecting box 20 for collection.
The outer wall left and right sides lower part symmetry of casing 2 is equipped with second electric telescopic handle 21, and the one end of second electric telescopic handle 21 runs through casing 2 and is connected with clamp plate 22, and the outer wall front side of casing 2 articulates through hinge 26 has apron 27, and the outer wall right side of apron 27 is equipped with handle 28, opens the apron 27 back, can take out the rubbish after the compression, conveniently clears up the rubbish after the compression.
The working principle is as follows: when the garbage bin works, garbage enters the garbage bin from the feeding hole 3 and falls onto the material baffle 6, the falling speed of the garbage is reduced after the garbage is blocked by the material baffle 6, the subsequent screening work is facilitated, the garbage falls onto the inclined plate 12 after passing through the material baffle 6, under the action of the magnet 14, metal objects in the garbage can be adsorbed, non-metal garbage continues to fall onto the bottom of the shell 2, the two pressing plates 22 are driven to be close to each other by extending the second electric telescopic rod 21, the garbage compression work is completed, and the compressed garbage can be taken out by opening the cover plate 27, so that the garbage bin is convenient to clean; drive the axis body 11 through motor 9 and rotate, can be so that swash plate 12 overturns, avoid being located the magnet 14 of top and adsorb too much metal and reduce the adsorption efficiency to the metal, influence the recovery effect of metal, the magnet 14 that adsorbs more metal overturns behind the below, through controlling first electric telescopic handle 15 flexible, can drive the removal that scraper blade 16 made a round trip, scrape magnet 14, can clear up adsorbed metal on magnet 14 and get off, the metal that the clearance got off drops on stock guide 18, finally get into the inside collection of collecting box 20.
The above, only be the concrete implementation of the preferred embodiment of the present invention, but the protection scope of the present invention is not limited thereto, and any person skilled in the art is in the technical scope of the present invention, according to the technical solution of the present invention and the utility model, the concept of which is equivalent to replace or change, should be covered within the protection scope of the present invention.
Claims (7)
1. The environment-friendly garbage compression device comprises supporting legs (1), wherein the upper end of each supporting leg (1) is connected with a shell (2), the upper end of each shell (2) is provided with a feed inlet (3), and the environment-friendly garbage compression device is characterized in that a frame (4) is arranged between the upper portions of the front side and the rear side of the inner wall of each shell (2), a rotating shaft (5) is symmetrically arranged inside each frame (4), the outer side of each rotating shaft (5) is rotatably connected with a material baffle plate (6), a first spring (7) is fixedly connected between the two material baffle plates (6), first through grooves (10) are symmetrically formed in the upper portions of the left side and the right side of the inner wall of each shell (2), a shaft body (11) is rotatably connected inside each first through groove (10) through a bearing, an inclined plate (12) is fixedly connected to the lower end of each shaft body (, the inside of recess (13) is equipped with magnet (14), the outer wall left and right sides upper portion symmetry of casing (2) is equipped with mounting panel (8), the lower extreme of mounting panel (8) is equipped with motor (9) and first electric telescopic handle (15) in proper order, the output shaft of motor (9) is connected with the upper end of axis body (11), the lower extreme of first electric telescopic handle (15) runs through casing (2) and is connected with scraper blade (16) that uses with swash plate (12) cooperation, the outer wall left and right sides lower part symmetry of casing (2) is equipped with second electric telescopic handle (21), the one end of second electric telescopic handle (21) runs through casing (2) and is connected with clamp plate (22).
2. An environmentally friendly waste compression device as claimed in claim 1, wherein the lower end of the leg (1) is pivotally connected to a roller (25) by a pin.
3. The environment-friendly garbage compression device as claimed in claim 1, wherein through holes (23) are uniformly formed in the bottom end of the inner wall of the shell (2), and a liquid storage tank (24) communicated with the through holes (23) is connected to the middle of the lower end of the shell (2) in a threaded manner.
4. The environment-friendly garbage compression device as claimed in claim 1, wherein the middle parts of the left and right sides of the inner wall of the housing (2) are symmetrically provided with first through grooves (10), and the first through grooves (10) are matched with the first electric telescopic rods (15) for use.
5. The environment-friendly garbage compression device as claimed in claim 1, wherein the lower parts of the left side and the right side of the inner wall of the shell (2) are symmetrically provided with material guide plates (18), the outer wall of the shell (2) is provided with a material outlet (19) which is matched with the material guide plates (18) for use, and the outer side of the material outlet (19) is connected with a collection box (20).
6. The environment-friendly garbage compression device as claimed in claim 1, wherein the outer wall of the scraper (16) is provided with a chute (29) matched with the first electric telescopic rod (15), the top end of the inner wall of the chute (29) is provided with a second spring (30), and the lower end of the second spring (30) is connected with the first electric telescopic rod (15).
7. An environmentally friendly waste compressing device as claimed in claim 1, wherein the front side of the outer wall of the housing (2) is hinged with a cover plate (27) through a hinge (26), and the right side of the outer wall of the cover plate (27) is provided with a handle (28).
Priority Applications (1)
| Application Number | Priority Date | Filing Date | Title |
|---|---|---|---|
| CN202020997684.8U CN212979316U (en) | 2020-06-04 | 2020-06-04 | Garbage compression device for environmental protection |
Applications Claiming Priority (1)
| Application Number | Priority Date | Filing Date | Title |
|---|---|---|---|
| CN202020997684.8U CN212979316U (en) | 2020-06-04 | 2020-06-04 | Garbage compression device for environmental protection |
Publications (1)
| Publication Number | Publication Date |
|---|---|
| CN212979316U true CN212979316U (en) | 2021-04-16 |
Family
ID=75422327
Family Applications (1)
| Application Number | Title | Priority Date | Filing Date |
|---|---|---|---|
| CN202020997684.8U Expired - Fee Related CN212979316U (en) | 2020-06-04 | 2020-06-04 | Garbage compression device for environmental protection |
Country Status (1)
| Country | Link |
|---|---|
| CN (1) | CN212979316U (en) |
-
2020
- 2020-06-04 CN CN202020997684.8U patent/CN212979316U/en not_active Expired - Fee Related
Similar Documents
| Publication | Publication Date | Title |
|---|---|---|
| CN210906358U (en) | Domestic waste environmental protection treatment facility | |
| CN211159974U (en) | Material crushing and screening device | |
| CN211412150U (en) | Waste treatment device for machining | |
| CN211412153U (en) | New forms of energy refuse treatment device | |
| CN214184557U (en) | Garbage comprehensive treatment equipment | |
| CN215029915U (en) | Construction discarded object broken handle equipment of environmental protection | |
| CN210357325U (en) | Domestic waste crushing apparatus | |
| CN208787175U (en) | A kind of refuse classification processing equipment | |
| CN210700348U (en) | Domestic waste divides sieve device | |
| CN112317036A (en) | Multifunctional battery recycling and environment-friendly device | |
| CN214262086U (en) | Crushing and sorting equipment for waste building structures | |
| CN216936202U (en) | Garbage crushing treatment device for environmental protection | |
| CN212979316U (en) | Garbage compression device for environmental protection | |
| CN208975900U (en) | A kind of Bulky Waste minimizing processing equipment for recycling | |
| CN108906180B (en) | A construction waste crushing and separating baler | |
| CN213102500U (en) | Building material environmental protection recycle equipment | |
| CN211755399U (en) | Automobile parts processing garbage collection device | |
| CN220900648U (en) | Building rubbish crushing apparatus | |
| CN210994533U (en) | Winnowing machine for household garbage classification treatment | |
| CN218502184U (en) | Clothing waste cloth processing apparatus | |
| CN215878797U (en) | Novel battery negative electrode material processing is with screening in succession device | |
| CN208373817U (en) | A kind of Environmental-protection garbage collects forklift and scoops up screening plant with rubbish | |
| CN208261518U (en) | A kind of environment-friendly type solid waste processing unit | |
| CN213467984U (en) | Screening machine is smashed to building rubbish | |
| CN216573278U (en) | Corrugated paper waste material crushing apparatus |
Legal Events
| Date | Code | Title | Description |
|---|---|---|---|
| GR01 | Patent grant | ||
| GR01 | Patent grant | ||
| CF01 | Termination of patent right due to non-payment of annual fee |
Granted publication date: 20210416 |
|
| CF01 | Termination of patent right due to non-payment of annual fee |