CN212961846U - Heat pipe type photovoltaic photo-thermal module-heat pump-phase change material coupling system - Google Patents

Heat pipe type photovoltaic photo-thermal module-heat pump-phase change material coupling system Download PDF

Info

Publication number
CN212961846U
CN212961846U CN202021557603.9U CN202021557603U CN212961846U CN 212961846 U CN212961846 U CN 212961846U CN 202021557603 U CN202021557603 U CN 202021557603U CN 212961846 U CN212961846 U CN 212961846U
Authority
CN
China
Prior art keywords
heat
heat exchanger
cooled
heat pipe
indoor air
Prior art date
Legal status (The legal status is an assumption and is not a legal conclusion. Google has not performed a legal analysis and makes no representation as to the accuracy of the status listed.)
Active
Application number
CN202021557603.9U
Other languages
Chinese (zh)
Inventor
袁艳平
周锦志
孙亮亮
余南阳
Current Assignee (The listed assignees may be inaccurate. Google has not performed a legal analysis and makes no representation or warranty as to the accuracy of the list.)
Southwest Jiaotong University
Original Assignee
Southwest Jiaotong University
Priority date (The priority date is an assumption and is not a legal conclusion. Google has not performed a legal analysis and makes no representation as to the accuracy of the date listed.)
Filing date
Publication date
Application filed by Southwest Jiaotong University filed Critical Southwest Jiaotong University
Priority to CN202021557603.9U priority Critical patent/CN212961846U/en
Application granted granted Critical
Publication of CN212961846U publication Critical patent/CN212961846U/en
Active legal-status Critical Current
Anticipated expiration legal-status Critical

Links

Images

Classifications

    • YGENERAL TAGGING OF NEW TECHNOLOGICAL DEVELOPMENTS; GENERAL TAGGING OF CROSS-SECTIONAL TECHNOLOGIES SPANNING OVER SEVERAL SECTIONS OF THE IPC; TECHNICAL SUBJECTS COVERED BY FORMER USPC CROSS-REFERENCE ART COLLECTIONS [XRACs] AND DIGESTS
    • Y02TECHNOLOGIES OR APPLICATIONS FOR MITIGATION OR ADAPTATION AGAINST CLIMATE CHANGE
    • Y02BCLIMATE CHANGE MITIGATION TECHNOLOGIES RELATED TO BUILDINGS, e.g. HOUSING, HOUSE APPLIANCES OR RELATED END-USER APPLICATIONS
    • Y02B10/00Integration of renewable energy sources in buildings
    • Y02B10/10Photovoltaic [PV]
    • YGENERAL TAGGING OF NEW TECHNOLOGICAL DEVELOPMENTS; GENERAL TAGGING OF CROSS-SECTIONAL TECHNOLOGIES SPANNING OVER SEVERAL SECTIONS OF THE IPC; TECHNICAL SUBJECTS COVERED BY FORMER USPC CROSS-REFERENCE ART COLLECTIONS [XRACs] AND DIGESTS
    • Y02TECHNOLOGIES OR APPLICATIONS FOR MITIGATION OR ADAPTATION AGAINST CLIMATE CHANGE
    • Y02BCLIMATE CHANGE MITIGATION TECHNOLOGIES RELATED TO BUILDINGS, e.g. HOUSING, HOUSE APPLIANCES OR RELATED END-USER APPLICATIONS
    • Y02B10/00Integration of renewable energy sources in buildings
    • Y02B10/70Hybrid systems, e.g. uninterruptible or back-up power supplies integrating renewable energies
    • YGENERAL TAGGING OF NEW TECHNOLOGICAL DEVELOPMENTS; GENERAL TAGGING OF CROSS-SECTIONAL TECHNOLOGIES SPANNING OVER SEVERAL SECTIONS OF THE IPC; TECHNICAL SUBJECTS COVERED BY FORMER USPC CROSS-REFERENCE ART COLLECTIONS [XRACs] AND DIGESTS
    • Y02TECHNOLOGIES OR APPLICATIONS FOR MITIGATION OR ADAPTATION AGAINST CLIMATE CHANGE
    • Y02EREDUCTION OF GREENHOUSE GAS [GHG] EMISSIONS, RELATED TO ENERGY GENERATION, TRANSMISSION OR DISTRIBUTION
    • Y02E10/00Energy generation through renewable energy sources
    • Y02E10/40Solar thermal energy, e.g. solar towers
    • Y02E10/44Heat exchange systems
    • YGENERAL TAGGING OF NEW TECHNOLOGICAL DEVELOPMENTS; GENERAL TAGGING OF CROSS-SECTIONAL TECHNOLOGIES SPANNING OVER SEVERAL SECTIONS OF THE IPC; TECHNICAL SUBJECTS COVERED BY FORMER USPC CROSS-REFERENCE ART COLLECTIONS [XRACs] AND DIGESTS
    • Y02TECHNOLOGIES OR APPLICATIONS FOR MITIGATION OR ADAPTATION AGAINST CLIMATE CHANGE
    • Y02EREDUCTION OF GREENHOUSE GAS [GHG] EMISSIONS, RELATED TO ENERGY GENERATION, TRANSMISSION OR DISTRIBUTION
    • Y02E10/00Energy generation through renewable energy sources
    • Y02E10/50Photovoltaic [PV] energy
    • YGENERAL TAGGING OF NEW TECHNOLOGICAL DEVELOPMENTS; GENERAL TAGGING OF CROSS-SECTIONAL TECHNOLOGIES SPANNING OVER SEVERAL SECTIONS OF THE IPC; TECHNICAL SUBJECTS COVERED BY FORMER USPC CROSS-REFERENCE ART COLLECTIONS [XRACs] AND DIGESTS
    • Y02TECHNOLOGIES OR APPLICATIONS FOR MITIGATION OR ADAPTATION AGAINST CLIMATE CHANGE
    • Y02EREDUCTION OF GREENHOUSE GAS [GHG] EMISSIONS, RELATED TO ENERGY GENERATION, TRANSMISSION OR DISTRIBUTION
    • Y02E10/00Energy generation through renewable energy sources
    • Y02E10/60Thermal-PV hybrids
    • YGENERAL TAGGING OF NEW TECHNOLOGICAL DEVELOPMENTS; GENERAL TAGGING OF CROSS-SECTIONAL TECHNOLOGIES SPANNING OVER SEVERAL SECTIONS OF THE IPC; TECHNICAL SUBJECTS COVERED BY FORMER USPC CROSS-REFERENCE ART COLLECTIONS [XRACs] AND DIGESTS
    • Y02TECHNOLOGIES OR APPLICATIONS FOR MITIGATION OR ADAPTATION AGAINST CLIMATE CHANGE
    • Y02EREDUCTION OF GREENHOUSE GAS [GHG] EMISSIONS, RELATED TO ENERGY GENERATION, TRANSMISSION OR DISTRIBUTION
    • Y02E60/00Enabling technologies; Technologies with a potential or indirect contribution to GHG emissions mitigation
    • Y02E60/14Thermal energy storage

Landscapes

  • Photovoltaic Devices (AREA)

Abstract

本实用新型提供一种热管式光伏光热模块‑热泵‑相变材料耦合系统,包括太阳能系统、热管换热系统、热泵系统、储电逆变系统;在非采暖季,热管式光伏光热模块与水冷换热器联合运行,可为建筑提供热水;同时,热泵系统开启制冷模式为室内提供冷量。在采暖季,白天时,热管式光伏光热模块与室内风冷换热器联合运行,利用太阳能加热室内空气,并将多余热量储存于墙体表面的相变材料中;夜间时,墙体表面的相变材料相变放热为室内供暖,当供暖不足时热泵系统继续为室内提供热量。本实用新型将光伏光热模块、热泵、相变储能模块相结合,可为建筑提供电能、热水、供冷及供热。

Figure 202021557603

The utility model provides a heat pipe type photovoltaic photothermal module-heat pump-phase change material coupling system, comprising a solar energy system, a heat pipe heat exchange system, a heat pump system, and an electricity storage inverter system; in the non-heating season, the heat pipe type photovoltaic photothermal module Working in conjunction with the water-cooled heat exchanger, it can provide hot water for the building; at the same time, the heat pump system turns on the cooling mode to provide cooling capacity for the interior. In the heating season, during the day, the heat pipe photovoltaic module and the indoor air-cooled heat exchanger work together to heat the indoor air and store the excess heat in the phase change material on the wall surface; at night, the wall surface The phase change material of the phase change exothermic heats the room, and the heat pump system continues to provide heat for the room when the heating is insufficient. The utility model combines a photovoltaic photothermal module, a heat pump and a phase-change energy storage module, and can provide electric energy, hot water, cooling and heating for buildings.

Figure 202021557603

Description

Heat pipe type photovoltaic photo-thermal module-heat pump-phase change material coupling system
Technical Field
The utility model belongs to photovoltaic light and heat technique and building combine the field, concretely relates to heat pipe formula photovoltaic light and heat system and the application of heat pump heating technique in the building.
Background
Photovoltaic light and heat system has the electricity generation, prepares multiple functions such as domestic hot water and indoor heating to its structure can with building perfect adaptation, however the photovoltaic light and heat system of present stage adopts hydrologic cycle more, has the easy problem that freezes, heat transfer efficiency is low, can't refrigerate in summer and can't heat supply night in the season of heating.
The separated heat pipe technology is combined with the photovoltaic photo-thermal technology for use, so that the comprehensive utilization rate of solar energy can be improved, the problem of pipeline refrigeration can be solved, the heat pump technology is combined with the separated heat pipe technology, the cooling function in summer can be realized, and the problem of insufficient heat in the process of complementing photovoltaic photo-thermal heating in winter can be solved. By adding phase change materials in the system, the flexibility of the system can be increased, and the indoor comfort level can be improved under the condition that the photovoltaic photothermal module is fully utilized to generate heat. Therefore, the separated heat pipe technology, the heat pump technology and the phase-change material are coupled together, so that the system has more diversified functions and stronger practicability and comfort on the basis of improving the photoelectric and photothermal comprehensive efficiency.
SUMMERY OF THE UTILITY MODEL
To current photovoltaic light and heat system cooling method singleness, heat exchange efficiency low, unable refrigeration scheduling problem, the utility model provides a heat pipe formula photovoltaic light and heat module-heat pump-phase change material coupled system. The system combines the heat pipe type photovoltaic photo-thermal module with the heat pump and the phase-change material, and uses the water tank condenser and the indoor air-cooled heat exchanger as a part of the separated heat pipe, so that the photoelectric photo-thermal comprehensive efficiency of the photovoltaic photo-thermal module is improved on the basis of fully utilizing the obtained heat energy; meanwhile, the addition of the phase-change material can store the redundant heat in the daytime and use the heat at night in the heating season; the heat pump system can be more stable, insufficient heat can be supplemented in the heating season, and cooling requirements can be met in summer.
In order to realize the purpose of the utility model, the utility model discloses technical scheme as follows:
a heat pipe type photovoltaic photo-thermal module-heat pump-phase change material coupling system comprises a solar system, a heat pipe heat exchange system, a heat pump system and an electricity storage inversion system;
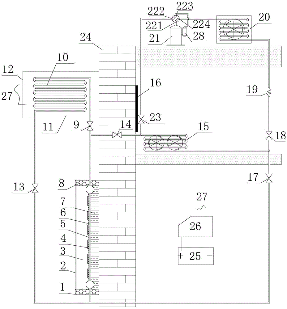
the solar system comprises a heat pipe type photovoltaic photo-thermal module 1, the heat pipe type photovoltaic photo-thermal module 1 is placed on the outer surface of the sunny side of a wall body 24 and used as a solar receiving device of the system, the heat pipe type photovoltaic photo-thermal module 1 comprises a heat preservation layer 7 on the surface of the wall body 24, a micro-channel heat pipe evaporator 6 on the outer side of the heat preservation layer 7, a heat absorption plate 5 on the outer side of the micro-channel heat pipe evaporator 6, a solar cell array 4 fixed on the sunny side of the heat absorption plate 5, a glass plate 2 on the outer side of the solar cell array 4, and a heat insulation air layer 3 between the glass plate 2 and the solar cell array 4, and the upper end and the lower end of the heat pipe type;
the heat pipe heat exchange system comprises a water-cooled heat exchanger 12 arranged at a user end 27, an indoor air-cooled heat exchanger 15 positioned indoors and a phase change heat storage material layer 16 positioned on an indoor wall, wherein the water-cooled heat exchanger 12 comprises a heat preservation water tank 11 and a water-cooled condenser 10 inside the heat preservation water tank 11; the installation positions of the water-cooled condenser 10 and the indoor air-cooled heat exchanger 15 are higher than the solar photovoltaic thermal module 1; the micro-channel heat pipe evaporator 6 in the photovoltaic photo-thermal module 1 respectively forms a separated heat pipe system with a water-cooled condenser 10 and an indoor air-cooled heat exchanger 15, the upper end outlet of the micro-channel heat pipe evaporator 6 is connected with the inlet of the water-cooled condenser 10 through a water-cooled heat exchanger inlet valve 9, and the outlet of the water-cooled condenser 10 is connected with the lower end inlet of the micro-channel heat pipe evaporator 6 through a water-cooled heat exchanger outlet valve 13; an outlet at the upper end of the micro-channel heat pipe evaporator 6 is connected to an inlet of an indoor air-cooled heat exchanger 15 through an indoor air-cooled heat exchanger-heat pipe side inlet valve 14; an outlet of the air-cooled heat exchanger 15 is connected to a lower end inlet of the micro-channel heat pipe evaporator 6 through an indoor air-cooled heat exchanger-heat pipe side outlet valve 17, and a hot water outlet leading to a client is arranged on the heat preservation water tank 11;
the heat pump system comprises an outdoor air-cooled heat exchanger 20, a compressor 21 with a gas-liquid separator 28 and a four-way reversing valve 22, wherein the four-way reversing valve 22 is fixed above the compressor 21, a first interface 221 of the four-way reversing valve 22 is communicated with an outlet of the compressor 21, a second interface 222 is connected with the left end of the indoor air-cooled heat exchanger 15 through an indoor air-cooled heat exchanger-heat pump side inlet valve 23, a third interface 223 is connected with an inlet of the gas-liquid separator 28, and a fourth interface 224 is connected with an inlet of the outdoor air-cooled heat exchanger 20; the outlet of the outdoor air-cooled heat exchanger 20 is connected to the right end of the indoor air-cooled heat exchanger 15 through a capillary tube 19 and an outlet valve 18 on the indoor air-cooled heat exchanger-heat pump side; the right end of the indoor air-cooled heat exchanger 15 is connected to the inlet of the micro-channel heat pipe evaporator 6 through an indoor air-cooled heat exchanger-heat pipe side outlet valve 17;
the power storage inversion system comprises a solar cell array 4, a solar storage battery 25 and a solar inversion system 26, wherein the solar cell array 4 is connected with the solar storage battery 25, the solar storage battery 25 is connected with the solar inversion system 26, and the solar inversion system 26 is connected to a user side 27.
As a preferred mode, the phase-change heat storage material layer 16 is made of an inorganic phase-change material, and the formula comprises the following components in percentage by mass: 27 percent of calcium chloride hexahydrate, 23 percent of strontium chloride hexahydrate, 7.5 percent of maleic anhydride, 6.5 percent of sodium formate, 7.5 percent of sodium chloride, 3.5 percent of potassium persulfate and 25 percent of water, and the phase transition temperature is 40-45 ℃.
Preferably, the system comprises 2 operating modes: a cooling mode and a heating mode, wherein in the cooling mode, the second interface 222 and the third interface 223 of the four-way reversing valve 22 are communicated, and the first interface 221 and the fourth interface 224 are communicated; in the heating mode, the first port 221 and the second port 222 are connected, and the third port 223 and the fourth port 224 are connected.
Preferably, the solar cell array 4, the heat absorbing plate 5 and the microchannel heat pipe evaporator 6 are laminated together by a hot melt adhesive.
The utility model discloses a working method of heat pipe formula photovoltaic light and heat module-heat pump-phase change material coupled system does:
in non-heating seasons, an inlet valve 9 of a water-cooling heat exchanger and an outlet valve 13 of the water-cooling heat exchanger are opened, a solar photovoltaic photo-thermal module 1 is communicated with a water-cooling condenser 10, a microchannel heat pipe evaporator 6 and the water-cooling condenser 10 form a separated heat pipe system, a refrigerant in the microchannel heat pipe evaporator 6 absorbs heat in the heat pipe type photovoltaic photo-thermal module 1 and changes from a liquid state to a gas state, the gas refrigerant reaches the water-cooling condenser 10 along a pipeline and performs phase change heat exchange with low-temperature water in a heat-preservation water tank 11 in the water-cooling condenser 10, meanwhile, the refrigerant changes from the gas state to the liquid state, and the liquid refrigerant after heat exchange flows back to the heat pipe type photovoltaic photo-thermal module 1 through the outlet valve; when the building has a refrigeration demand, the heat pump system starts a refrigeration mode, the heat pump system and the indoor air-cooled heat exchanger 15 run jointly, the indoor air-cooled heat exchanger-heat pump side outlet valve 18 and the indoor air-cooled heat exchanger-heat pump side inlet valve 23 are opened, the flow direction is changed through the four-way reversing valve 22, the second interface 222 and the third interface 223 of the four-way reversing valve are communicated, the first interface 221 and the fourth interface 224 are communicated, high-temperature and high-pressure gaseous refrigerant from the outlet of the compressor 21 flows to the outdoor air-cooled heat exchanger 20, the refrigerant is subjected to heat release and condensation in the outdoor air-cooled heat exchanger 20 to become liquid, the condensed refrigerant enters the right end of the indoor air-cooled heat exchanger 15 through the capillary tube 19 and the indoor air-cooled heat exchanger-heat pump side outlet valve 18, the heat in the heat absorption chamber is evaporated in the indoor air-cooled heat exchanger 15, the left end of the heat absorption indoor air-cooled heat exchanger 15 enters the compressor 21 through the, thereby realizing the indoor cooling;
the heating season is a heating mode, in daytime, an indoor air-cooled heat exchanger-heat pipe side inlet valve 14 and an indoor air-cooled heat exchanger-heat pipe side outlet valve 17 are opened, a water-cooled heat exchanger inlet valve 9 and a water-cooled heat exchanger outlet valve 13 are closed, a heat pipe type photovoltaic photo-thermal module 1 is communicated with an indoor air-cooled heat exchanger 15, heat from the solar photovoltaic photo-thermal module 1 enters a micro-channel heat pipe evaporator 6, is guided into the indoor air-cooled heat exchanger 15 through the indoor air-cooled heat exchanger-heat pipe side inlet valve 14, indoor heating is achieved through the indoor air-cooled heat exchanger 15, and redundant heat is stored in a phase-change heat storage material layer 16; at night, the phase change heat storage material 16 on the surface of the indoor wall releases heat to heat a building; when the heat dissipation capacity of the phase change heat storage material layer 16 does not meet the indoor temperature requirement, the heat pump system is started, the indoor air-cooled heat exchanger-heat pump side inlet valve 23 and the indoor air-cooled heat exchanger-heat pump side outlet valve 18 are started, the flow direction is changed through the four-way reversing valve 24, the first interface 221 is communicated with the second interface 222, the third interface 223 is communicated with the fourth interface 224, the outdoor air-cooled heat exchanger 20 absorbs the heat in the outdoor air, the heat enters the compressor 21 through the four-way reversing valve 22, the high-temperature high-pressure gaseous refrigerant from the outlet of the compressor 21 enters the left end of the indoor air-cooled heat exchanger 15 through the indoor air-cooled heat exchanger-heat pump side inlet valve 23, and the heat is released through the indoor air-cooled heat exchanger 15 to supply heat; the refrigerant is released heat and condensed in the indoor air-cooled heat exchanger 15 to become liquid, the condensed refrigerant enters the outdoor air-cooled heat exchanger 20 through the indoor air-cooled heat exchanger-heat pump side outlet valve 18 and the capillary tube 19 to be evaporated, the heat in outdoor air is absorbed, and the heat-absorbed refrigerant enters the compressor to continue to circulate, so that the indoor heat supply is realized;
the solar storage battery 25 stores the electric energy from the solar photovoltaic/thermal module 1, and the solar inversion system 26 converts the direct current in the solar storage battery 25 into alternating current for supplying to the user 27.
The utility model discloses the technical conception of system as follows:
the functions of heating, cooling and supplying domestic hot water for buildings are realized by coupling a heat pipe type solar photovoltaic photo-thermal system, a heat pump system and a phase-change material. But in non-heating season heat pipe formula photovoltaic light and heat system independent operation for building power supply and hot water, when having the refrigeration demand, heat pump system can be for the building cooling. In the heating season, the heat pipe type solar photovoltaic photo-thermal system is combined with the phase-change material and the heat pump system, so that the building can be heated continuously on the basis of fully utilizing the heat of the solar energy to heat.
Compared with the prior art, the beneficial effects of the utility model are as follows:
1. the utility model discloses combine together heat pipe formula solar photovoltaic photo-thermal system and heat pump system, can provide electric energy, hot water, heating and cooling function for the building, realized that system's function is diversified.
2. The photovoltaic photo-thermal module adopts the heat pipe to transfer heat, and the problems that pipelines are easy to freeze in winter and the heat transfer efficiency is low are solved.
4. The phase-change heat storage material is added on the surface/inside of the wall body, and solar energy is fully utilized.
Drawings
Fig. 1 is a schematic structural diagram of a heat pipe type photovoltaic photo-thermal module-heat pump-phase change material coupling system according to an embodiment of the present invention;
fig. 2 is a plan view of a hot water heating mode in which the non-heating season heat pipe type photovoltaic photo-thermal module and the water-cooling heat exchanger jointly operate;
fig. 3 is a plan view of a cooling mode of a non-heating season heat pump system provided by the embodiment of the invention;
fig. 4 is a plan view of an indoor heating mode in which the heat pipe type photovoltaic photo-thermal module and the indoor air-cooled heat exchanger are operated in combination in a heating season provided by the embodiment of the present invention;
fig. 5 is a plan view of an indoor heating mode in which the night heat pump system and the indoor air-cooled heat exchanger are operated in combination in the heating season provided by the embodiment of the present invention;
in the figure, 1 is a heat pipe type photovoltaic and thermal module, 2 is a glass plate, 3 is a heat insulation air layer, 4 is a solar cell array, 5 is a heat absorption plate, 6 is a microchannel heat pipe evaporator, 7 is a heat insulation layer, 8 is a photovoltaic and thermal module frame, 9 is a water-cooled heat exchanger inlet valve, 10 is a water-cooled condenser, 11 is a heat insulation water tank, 12 is a water-cooled heat exchanger, 13 is a water-cooled heat exchanger outlet valve, 14 is an indoor air-cooled heat exchanger-heat pipe side inlet valve, 15 is an indoor air-cooled heat exchanger, 16 is a phase change heat storage material layer, 17 is an indoor air-cooled heat exchanger-heat pipe side outlet valve, 18 is an indoor air-cooled heat exchanger-heat pump side outlet valve, 19 is a capillary tube, 20 is an outdoor air-cooled heat exchanger, 21 is a compressor, 22 is a four-way reversing valve, 221 is a first interface, 222 is a second interface, 23 is an indoor air-cooled heat exchanger-heat pump side inlet valve, 24 is a wall body, 25 is a solar storage battery, 26 is a solar inversion system, 27 is a user end, and 28 is a gas-liquid separator.
Detailed Description
As shown in fig. 1, a heat pipe type photovoltaic photo-thermal module-heat pump-phase change material coupling system comprises a solar system, a heat pipe heat exchange system, a heat pump system and an electricity storage inversion system;
the solar system comprises a heat pipe type photovoltaic photo-thermal module 1, the heat pipe type photovoltaic photo-thermal module 1 is placed on the outer surface of the sunny side of a wall body 24 and used as a solar receiving device of the system, the heat pipe type photovoltaic photo-thermal module 1 comprises a heat preservation layer 7 on the surface of the wall body 24, a micro-channel heat pipe evaporator 6 on the outer side of the heat preservation layer 7, a heat absorption plate 5 on the outer side of the micro-channel heat pipe evaporator 6, a solar cell array 4 fixed on the sunny side of the heat absorption plate 5, a glass plate 2 on the outer side of the solar cell array 4, and a heat insulation air layer 3 between the glass plate 2 and the solar cell array 4, and the upper end and the lower end of the heat pipe type;
the heat pipe heat exchange system comprises a water-cooled heat exchanger 12 arranged at a user end 27, an indoor air-cooled heat exchanger 15 positioned indoors and a phase change heat storage material layer 16 positioned on an indoor wall, wherein the water-cooled heat exchanger 12 comprises a heat preservation water tank 11 and a water-cooled condenser 10 inside the heat preservation water tank 11; the installation positions of the water-cooled condenser 10 and the indoor air-cooled heat exchanger 15 are higher than the solar photovoltaic thermal module 1; the micro-channel heat pipe evaporator 6 in the photovoltaic photo-thermal module 1 respectively forms a separated heat pipe system with a water-cooled condenser 10 and an indoor air-cooled heat exchanger 15, the upper end outlet of the micro-channel heat pipe evaporator 6 is connected with the inlet of the water-cooled condenser 10 through a water-cooled heat exchanger inlet valve 9, and the outlet of the water-cooled condenser 10 is connected with the lower end inlet of the micro-channel heat pipe evaporator 6 through a water-cooled heat exchanger outlet valve 13; an outlet at the upper end of the micro-channel heat pipe evaporator 6 is connected to an inlet of an indoor air-cooled heat exchanger 15 through an indoor air-cooled heat exchanger-heat pipe side inlet valve 14; an outlet of the air-cooled heat exchanger 15 is connected to a lower end inlet of the micro-channel heat pipe evaporator 6 through an indoor air-cooled heat exchanger-heat pipe side outlet valve 17, and a hot water outlet leading to a client is arranged on the heat preservation water tank 11;
the heat pump system comprises an outdoor air-cooled heat exchanger 20, a compressor 21 with a gas-liquid separator 28 and a four-way reversing valve 22, wherein the four-way reversing valve 22 is fixed above the compressor 21, a first interface 221 of the four-way reversing valve 22 is communicated with an outlet of the compressor 21, a second interface 222 is connected with the left end of the indoor air-cooled heat exchanger 15 through an indoor air-cooled heat exchanger-heat pump side inlet valve 23, a third interface 223 is connected with an inlet of the gas-liquid separator 28, and a fourth interface 224 is connected with an inlet of the outdoor air-cooled heat exchanger 20; the outlet of the outdoor air-cooled heat exchanger 20 is connected to the right end of the indoor air-cooled heat exchanger 15 through a capillary tube 19 and an outlet valve 18 on the indoor air-cooled heat exchanger-heat pump side; the right end of the indoor air-cooled heat exchanger 15 is connected to the inlet of the micro-channel heat pipe evaporator 6 through an indoor air-cooled heat exchanger-heat pipe side outlet valve 17;
the power storage inversion system comprises a solar cell array 4, a solar storage battery 25 and a solar inversion system 26, wherein the solar cell array 4 is connected with the solar storage battery 25, the solar storage battery 25 is connected with the solar inversion system 26, and the solar inversion system 26 is connected to a user side 27.
The phase-change heat storage material layer 16 is made of an inorganic phase-change material and comprises the following components in percentage by mass: 27 percent of calcium chloride hexahydrate, 23 percent of strontium chloride hexahydrate, 7.5 percent of maleic anhydride, 6.5 percent of sodium formate, 7.5 percent of sodium chloride, 3.5 percent of potassium persulfate and 25 percent of water, and the phase transition temperature is 40-45 ℃.
The system comprises 2 working modes: a cooling mode and a heating mode, wherein in the cooling mode, the second interface 222 and the third interface 223 of the four-way reversing valve 22 are communicated, and the first interface 221 and the fourth interface 224 are communicated; in the heating mode, the first port 221 and the second port 222 are connected, and the third port 223 and the fourth port 224 are connected.
The embodiment also provides a working method of the heat pipe type photovoltaic photo-thermal module-heat pump-phase change material coupling system, which comprises the following steps:
as shown in fig. 2, in non-heating seasons, an inlet valve 9 of a water-cooling heat exchanger and an outlet valve 13 of the water-cooling heat exchanger are opened, a solar photovoltaic photo-thermal module 1 is communicated with a water-cooling condenser 10, a microchannel heat pipe evaporator 6 and the water-cooling condenser 10 form a separated heat pipe system, a refrigerant in the microchannel heat pipe evaporator 6 absorbs heat in the heat pipe type photovoltaic photo-thermal module 1 and changes from a liquid state to a gas state, the gas refrigerant reaches the water-cooling condenser 10 along a pipeline and performs phase change heat exchange with low-temperature water in a heat-insulating water tank 11 in the water-cooling condenser 10, the refrigerant changes from the gas state to the liquid state, and the liquid refrigerant after heat exchange is subjected to the action of gravity, flows back to the photovoltaic heat pipe type photo; the heat preservation water tank 11 is provided with a hot water outlet leading to the client.
As shown in fig. 3, when the building needs cooling, the heat pump system is turned on to perform a cooling mode, the heat pump system operates in conjunction with the indoor air-cooled heat exchanger 15, the indoor air-cooled heat exchanger-heat pump side outlet valve 18 and the indoor air-cooled heat exchanger-heat pump side inlet valve 23 are opened, the flow direction is changed by the four-way reversing valve 22, the second interface 222 and the third interface 223 of the four-way reversing valve are communicated, the first interface 221 and the fourth interface 224 are communicated, the high-temperature and high-pressure gaseous refrigerant discharged from the outlet of the compressor 21 flows to the outdoor air-cooled heat exchanger 20, is cooled and condensed in the outdoor air-cooled heat exchanger 20 to become liquid, the condensed refrigerant enters the right end of the indoor air-cooled heat exchanger 15 through the capillary tube 19 and the indoor air-cooled heat exchanger-heat pump side outlet valve 18, evaporates and absorbs heat in the indoor air-cooled heat exchanger 15, and absorbs heat, and the left end of the indoor air-cooled heat exchanger 15 enters the compressor The circulation is continued, so that the indoor cooling is realized;
as shown in fig. 4, the heating season is a heating mode, in daytime, an indoor air-cooled heat exchanger-heat pipe side inlet valve 14 and an indoor air-cooled heat exchanger-heat pipe side outlet valve 17 are opened, a water-cooled heat exchanger inlet valve 9 and a water-cooled heat exchanger outlet valve 13 are closed, a heat pipe type photovoltaic photo-thermal module 1 is connected with an indoor air-cooled heat exchanger 15, heat from the solar photovoltaic photo-thermal module 1 enters a microchannel heat pipe evaporator 6, is guided into the indoor air-cooled heat exchanger 15 through the indoor air-cooled heat exchanger-heat pipe side inlet valve 14, indoor heating is performed by using the indoor air-cooled heat exchanger 15, and redundant heat is stored in a phase-change heat storage material layer 16; at night, the phase change heat storage material 16 on the surface of the indoor wall releases heat to heat a building;
as shown in fig. 5, when the heat dissipation capacity of the phase change heat storage material layer 16 does not meet the indoor temperature requirement, the heat pump system is turned on, the indoor air-cooled heat exchanger-heat pump side inlet valve 23 and the indoor air-cooled heat exchanger-heat pump side outlet valve 18 are turned on, the flow direction is changed by the four-way reversing valve 24, the first interface 221 is connected with the second interface 222, the third interface 223 is connected with the fourth interface 224, the outdoor air-cooled heat exchanger 20 absorbs the heat in the outdoor air, the heat enters the compressor 21 through the four-way reversing valve 22, the high-temperature and high-pressure gaseous refrigerant coming out of the outlet of the compressor 21 enters the left end of the indoor air-cooled heat exchanger 15 through the indoor air-cooled heat exchanger-heat pump side inlet valve 23, and the heat is released through the indoor air-; the refrigerant is released heat and condensed in the indoor air-cooled heat exchanger 15 to become liquid, the condensed refrigerant enters the outdoor air-cooled heat exchanger 20 through the indoor air-cooled heat exchanger-heat pump side outlet valve 18 and the capillary tube 19 to be evaporated, the heat in outdoor air is absorbed, and the heat-absorbed refrigerant enters the compressor to continue to circulate, so that the indoor heat supply is realized;
the solar storage battery 25 stores the electric energy from the solar photovoltaic/thermal module 1, and the solar inversion system 26 converts the direct current in the solar storage battery 25 into alternating current for supplying to the user 27.
The embodiments of the present invention have been described in detail with reference to the accompanying drawings, but the present invention is not limited to the above-mentioned embodiments, which are only illustrative and not restrictive, and those skilled in the art can make many modifications without departing from the spirit and scope of the present invention, and these modifications are all within the protection scope of the present invention.

Claims (3)

1. The utility model provides a heat pipe formula photovoltaic light and heat module-heat pump-phase change material coupled system which characterized in that: the system comprises a solar system, a heat pipe heat exchange system, a heat pump system and a power storage inversion system;
the solar system comprises a heat pipe type photovoltaic photo-thermal module (1), the heat pipe type photovoltaic photo-thermal module (1) is placed on the outer surface of the sunny side of a wall body (24) and serves as a solar receiving device of the system, the heat pipe type photovoltaic photo-thermal module (1) comprises a heat insulation layer (7) on the surface of the wall body (24), a micro-channel heat pipe evaporator (6) on the outer side of the heat insulation layer (7), a heat absorption plate (5) on the outer side of the micro-channel heat pipe evaporator (6), a solar cell array (4) fixed on the sunny side of the heat absorption plate (5), a glass plate (2) on the outer side of the solar cell array (4), a heat insulation air layer (3) between the glass plate (2) and the solar cell array (4), and the upper end and the lower end of the heat pipe type photovoltaic photo-thermal module;
the heat pipe heat exchange system comprises a water-cooling heat exchanger (12) arranged at a user end (27), an indoor air-cooling heat exchanger (15) positioned indoors and a phase change heat storage material layer (16) positioned on an indoor wall body, wherein the water-cooling heat exchanger (12) comprises a heat preservation water tank (11) and a water-cooling condenser (10) arranged in the heat preservation water tank (11); the mounting positions of the water-cooled condenser (10) and the indoor air-cooled heat exchanger (15) are higher than that of the solar photovoltaic photothermal module (1); a microchannel heat pipe evaporator (6) in the photovoltaic photo-thermal module (1) respectively forms a separated heat pipe system with a water-cooled condenser (10) and an indoor air-cooled heat exchanger (15), an upper end outlet of the microchannel heat pipe evaporator (6) is connected with an inlet of the water-cooled condenser (10) through a water-cooled heat exchanger inlet valve (9), and an outlet of the water-cooled condenser (10) is connected with a lower end inlet of the microchannel heat pipe evaporator (6) through a water-cooled heat exchanger outlet valve (13); an outlet at the upper end of the micro-channel heat pipe evaporator (6) is connected to an inlet of an indoor air-cooled heat exchanger (15) through an indoor air-cooled heat exchanger-heat pipe side inlet valve (14); an outlet of the air-cooled heat exchanger (15) is connected to a lower end inlet of the micro-channel heat pipe evaporator (6) through an indoor air-cooled heat exchanger-heat pipe side outlet valve (17), and a hot water outlet leading to a client is arranged on the heat preservation water tank (11);
the heat pump system comprises an outdoor air-cooled heat exchanger (20), a compressor (21) with a gas-liquid separator (28), and a four-way reversing valve (22), wherein the four-way reversing valve (22) is fixed above the compressor (21), a first interface (221) of the four-way reversing valve (22) is communicated with an outlet of the compressor (21), a second interface (222) is connected with the left end of the indoor air-cooled heat exchanger (15) through an indoor air-cooled heat exchanger-heat pump side inlet valve (23), a third interface (223) is connected with an inlet of the gas-liquid separator (28), and a fourth interface (224) is connected with an inlet of the outdoor air-cooled heat exchanger (20); an outlet of the outdoor air-cooled heat exchanger (20) is connected to the right end of the indoor air-cooled heat exchanger (15) through a capillary tube (19) and an outlet valve (18) on the indoor air-cooled heat exchanger-heat pump side; the right end of the indoor air-cooled heat exchanger (15) is connected to the inlet of the micro-channel heat pipe evaporator (6) through an indoor air-cooled heat exchanger-heat pipe side outlet valve (17);
the power storage inversion system comprises a solar cell array (4), a solar storage battery (25) and a solar inversion system (26), wherein the solar cell array (4) is connected with the solar storage battery (25), the solar storage battery (25) is connected with the solar inversion system (26), and the solar inversion system (26) is connected to a user side (27).
2. The heat pipe type photovoltaic photo-thermal module-heat pump-phase change material coupling system of claim 1, wherein: the system comprises 2 working modes: the air conditioner comprises a refrigeration mode and a heating mode, wherein a second interface (222) and a third interface (223) of a four-way reversing valve (22) are communicated in the refrigeration mode, and a first interface (221) and a fourth interface (224) are communicated in the refrigeration mode; in the heating mode, the first interface (221) is connected with the second interface (222), and the third interface (223) is connected with the fourth interface (224).
3. The heat pipe type photovoltaic photo-thermal module-heat pump-phase change material coupling system of claim 1, wherein: the solar cell array (4), the heat absorption plate (5) and the micro-channel heat pipe evaporator (6) are laminated together through hot melt adhesive.
CN202021557603.9U 2020-07-30 2020-07-30 Heat pipe type photovoltaic photo-thermal module-heat pump-phase change material coupling system Active CN212961846U (en)

Priority Applications (1)

Application Number Priority Date Filing Date Title
CN202021557603.9U CN212961846U (en) 2020-07-30 2020-07-30 Heat pipe type photovoltaic photo-thermal module-heat pump-phase change material coupling system

Applications Claiming Priority (1)

Application Number Priority Date Filing Date Title
CN202021557603.9U CN212961846U (en) 2020-07-30 2020-07-30 Heat pipe type photovoltaic photo-thermal module-heat pump-phase change material coupling system

Publications (1)

Publication Number Publication Date
CN212961846U true CN212961846U (en) 2021-04-13

Family

ID=75344915

Family Applications (1)

Application Number Title Priority Date Filing Date
CN202021557603.9U Active CN212961846U (en) 2020-07-30 2020-07-30 Heat pipe type photovoltaic photo-thermal module-heat pump-phase change material coupling system

Country Status (1)

Country Link
CN (1) CN212961846U (en)

Cited By (2)

* Cited by examiner, † Cited by third party
Publication number Priority date Publication date Assignee Title
CN111750418A (en) * 2020-07-30 2020-10-09 西南交通大学 Heat pipe type photovoltaic photovoltaic module-heat pump-phase change material coupling system and method
CN119547676A (en) * 2024-10-21 2025-03-04 扬州大学 A plant factory in an arid climate zone and a multi-directional temperature control method thereof

Cited By (3)

* Cited by examiner, † Cited by third party
Publication number Priority date Publication date Assignee Title
CN111750418A (en) * 2020-07-30 2020-10-09 西南交通大学 Heat pipe type photovoltaic photovoltaic module-heat pump-phase change material coupling system and method
CN119547676A (en) * 2024-10-21 2025-03-04 扬州大学 A plant factory in an arid climate zone and a multi-directional temperature control method thereof
CN119547676B (en) * 2024-10-21 2025-10-21 扬州大学 A plant factory in an arid climate zone and a multi-directional temperature control method thereof

Similar Documents

Publication Publication Date Title
CN111076266B (en) Multifunctional heat pipe type photovoltaic photo-thermal hot water heating system and heating method
WO2010081421A1 (en) Hybrid-driven cold/heat storage type heat pump unit utilizing solar photovoltaic power and commercial power
CN109114804A (en) Photovoltaic-alternating current joint driving photovoltaic and photothermal integral double-source heat pump water heating system and its operation method
CN101963412A (en) Solar energy and electric energy combined heat pump system and cooling and heating method
CN210154106U (en) A heat pipe photovoltaic photothermal system based on dual condensers
CN202083061U (en) A solar absorption air conditioner
CN100453926C (en) Photovoltaic solar heat pump multifunctional integrated system
CN111750418A (en) Heat pipe type photovoltaic photovoltaic module-heat pump-phase change material coupling system and method
CN111327270A (en) Double Cooling Condenser Heat Pipe Type Photovoltaic Photothermal Module-Trumbert Wall System and Method
CN101988721A (en) Novel two-stage absorption solar air conditioning system
CN110081618A (en) A kind of heat pipe photo-thermal system based on double-condenser
CN111306814B (en) Multifunctional double-cold condenser heat pipe photovoltaic photo-thermal system and method
CN102563973B (en) Novel solar air source heat pump system and hot water production method
CN212961846U (en) Heat pipe type photovoltaic photo-thermal module-heat pump-phase change material coupling system
CN211782035U (en) Multifunctional double-cold condenser heat pipe photovoltaic photo-thermal system
CN112013451A (en) Solar photovoltaic photothermal coupling double cooling heat exchanger heat pump system and working method
CN102494439B (en) Photovoltaic photo-thermal energy-storage heat pump system
CN108731156A (en) A kind of cold and hot alliance intelligence system based on energy-storage module
CN112856831B (en) Multifunctional heat pipe type photovoltaic photo-thermal high-low temperature phase change floor coupling system and method
CN101806515B (en) High-efficiency hot water tri-generation system for solar air conditioner
CN106839217B (en) Combined heat pump air conditioning system capable of independently operating in de-electrification mode and control method thereof
CN213656920U (en) Heat Pipe Photovoltaic Thermal Module-Heat Pump-Phase Change Floor Coupling System
CN211260985U (en) Multifunctional heat pipe type photovoltaic photo-thermal hot water heating system
CN219318530U (en) Energy storage system combining PVT (PVT) with heat exchange circulation module
CN214371009U (en) Multifunctional heat pipe type photovoltaic photo-thermal high-low temperature phase change floor coupling system

Legal Events

Date Code Title Description
GR01 Patent grant
GR01 Patent grant