CN212949221U - 3D prints waste recycling regenerating unit - Google Patents
3D prints waste recycling regenerating unit Download PDFInfo
- Publication number
- CN212949221U CN212949221U CN202021448754.0U CN202021448754U CN212949221U CN 212949221 U CN212949221 U CN 212949221U CN 202021448754 U CN202021448754 U CN 202021448754U CN 212949221 U CN212949221 U CN 212949221U
- Authority
- CN
- China
- Prior art keywords
- crushing
- pulverizing
- die head
- extruder
- smashing
- Prior art date
- Legal status (The legal status is an assumption and is not a legal conclusion. Google has not performed a legal analysis and makes no representation as to the accuracy of the status listed.)
- Active
Links
- 239000002699 waste material Substances 0.000 title claims abstract description 52
- 238000004064 recycling Methods 0.000 title claims abstract description 20
- 230000001172 regenerating effect Effects 0.000 title claims abstract description 12
- 238000010146 3D printing Methods 0.000 claims abstract description 48
- 230000007246 mechanism Effects 0.000 claims abstract description 27
- 238000010298 pulverizing process Methods 0.000 claims description 39
- 238000010438 heat treatment Methods 0.000 claims description 37
- 239000000463 material Substances 0.000 claims description 17
- 230000005540 biological transmission Effects 0.000 claims description 14
- 230000008676 import Effects 0.000 claims description 8
- 238000009434 installation Methods 0.000 abstract description 4
- 238000007493 shaping process Methods 0.000 abstract description 4
- 238000007639 printing Methods 0.000 abstract description 3
- 238000007599 discharging Methods 0.000 abstract 1
- 239000002245 particle Substances 0.000 description 13
- 238000001125 extrusion Methods 0.000 description 9
- 238000001816 cooling Methods 0.000 description 8
- 239000000155 melt Substances 0.000 description 8
- 238000000034 method Methods 0.000 description 7
- 230000008569 process Effects 0.000 description 7
- 238000004140 cleaning Methods 0.000 description 6
- 238000001035 drying Methods 0.000 description 6
- 238000002844 melting Methods 0.000 description 6
- 230000008018 melting Effects 0.000 description 6
- 238000004891 communication Methods 0.000 description 4
- 230000002349 favourable effect Effects 0.000 description 3
- 230000009471 action Effects 0.000 description 2
- 238000005485 electric heating Methods 0.000 description 2
- 230000005484 gravity Effects 0.000 description 2
- 238000000227 grinding Methods 0.000 description 2
- 238000011084 recovery Methods 0.000 description 2
- 238000007792 addition Methods 0.000 description 1
- 230000008859 change Effects 0.000 description 1
- 238000010586 diagram Methods 0.000 description 1
- 239000000428 dust Substances 0.000 description 1
- 238000001914 filtration Methods 0.000 description 1
- 230000004927 fusion Effects 0.000 description 1
- 239000008187 granular material Substances 0.000 description 1
- 239000012535 impurity Substances 0.000 description 1
- 238000002156 mixing Methods 0.000 description 1
- 238000012986 modification Methods 0.000 description 1
- 230000004048 modification Effects 0.000 description 1
- 238000006467 substitution reaction Methods 0.000 description 1
- 238000005491 wire drawing Methods 0.000 description 1
Images
Classifications
-
- Y—GENERAL TAGGING OF NEW TECHNOLOGICAL DEVELOPMENTS; GENERAL TAGGING OF CROSS-SECTIONAL TECHNOLOGIES SPANNING OVER SEVERAL SECTIONS OF THE IPC; TECHNICAL SUBJECTS COVERED BY FORMER USPC CROSS-REFERENCE ART COLLECTIONS [XRACs] AND DIGESTS
- Y02—TECHNOLOGIES OR APPLICATIONS FOR MITIGATION OR ADAPTATION AGAINST CLIMATE CHANGE
- Y02W—CLIMATE CHANGE MITIGATION TECHNOLOGIES RELATED TO WASTEWATER TREATMENT OR WASTE MANAGEMENT
- Y02W30/00—Technologies for solid waste management
- Y02W30/50—Reuse, recycling or recovery technologies
- Y02W30/52—Mechanical processing of waste for the recovery of materials, e.g. crushing, shredding, separation or disassembly
-
- Y—GENERAL TAGGING OF NEW TECHNOLOGICAL DEVELOPMENTS; GENERAL TAGGING OF CROSS-SECTIONAL TECHNOLOGIES SPANNING OVER SEVERAL SECTIONS OF THE IPC; TECHNICAL SUBJECTS COVERED BY FORMER USPC CROSS-REFERENCE ART COLLECTIONS [XRACs] AND DIGESTS
- Y02—TECHNOLOGIES OR APPLICATIONS FOR MITIGATION OR ADAPTATION AGAINST CLIMATE CHANGE
- Y02W—CLIMATE CHANGE MITIGATION TECHNOLOGIES RELATED TO WASTEWATER TREATMENT OR WASTE MANAGEMENT
- Y02W30/00—Technologies for solid waste management
- Y02W30/50—Reuse, recycling or recovery technologies
- Y02W30/62—Plastics recycling; Rubber recycling
Abstract
A3D printing waste recycling and regenerating device comprises a rack, a crushing mechanism, a feed hopper and an extruder; the crushing mechanism comprises a crushing bin and at least two crushing devices, a feeding hole of the crushing bin is communicated with the lower end of the feeding hopper, and a discharging hole of the crushing bin is communicated with a feeding hole of the extruder; each smashing device is sequentially arranged in a cavity of the smashing bin from top to bottom, each smashing device comprises two smashing wheel sets, two rotating shafts and a rotating shaft driving mechanism, the two rotating shafts are arranged side by side from left to right, each smashing wheel set comprises a plurality of smashing wheels, and each smashing wheel is fixedly arranged on the corresponding rotating shaft and sequentially arranged along the axial direction of the rotating shaft; in the same crusher, the crushing wheels of the two crushing wheel sets are alternately and tightly arranged; in the two adjacent smashing devices, the smashing wheels of the two smashing wheel sets positioned on the same side are alternately and tightly arranged. The utility model discloses can reduce the installation space who occupies to ensure to smash abundant, thorough to 3D printing waste material, can improve the shaping quality.
Description
Technical Field
The utility model relates to a recovery of waste material recycles technical field, concretely relates to 3D prints waste recycling regenerating unit.
Background
The FDM printer is also called a fusion printer, and in the 3D printing process, because of software and hardware problems, material breakage, fault, too serious wire drawing, machine failure, nozzle blockage, material knotting, etc. may occur, which may cause printing failure of the model, and also cause a lot of material waste because some models used for classroom display or losing ornamental value are discarded.
In order to reduce the waste of 3D printing waste material, in order to reach energy-concerving and environment-protective purpose, Chinese utility model patent with application number CN201721495019.3 discloses a 3D printing material recovery plant, which comprises a housin, install the feeder hopper on the casing, the discharge gate of feeder hopper and the entry linkage of broken system (rubbing crusher constructs promptly), broken system's export lower extreme is equipped with the conveyer belt, the conveyer belt passes cleaning system in proper order, drying system, the discharge end below of conveyer belt is equipped with melts extrusion system, melt extrusion system's export and the entry linkage of shower nozzle (the die head promptly), the export of shower nozzle is equipped with the coil stock frame, the export top of shower nozzle is equipped with cooling fan, be connected with display and control system on the casing, control system and broken system, the conveyer belt, cleaning system, the display, drying system, melt extrusion system and. The shower nozzle is removable shower nozzle, and its diameter has 1.75mm, 3mm specification. When the machine works, the waste model is thrown into the feed hopper, enters the crushing system, is crushed into small particles by the crushing system and falls on the conveying belt, the small particles are conveyed to the cleaning system by the conveying belt, and dust and dirt on the surfaces of the small particles are cleaned by the cleaning system; the conveyor belt conveys the cleaned particles to a drying system, and the small particles are dried, so that bubbles are prevented from being generated inside the wire rod in the extrusion process, and subsequent printing work is prevented from being influenced; the conveyer belt conveys the tiny particle after drying to melting extrusion system and melts, and the 3D printing consumptive material that is used by the 3D printer is extruded into through the export of shower nozzle to the fuse-element material after melting.
Although the 3D printing material recycling equipment can recycle waste models which are not used or have ornamental value, or waste models which fail to be printed, so that the waste models become 3D printing consumables which can be used by a 3D printer again, the 3D printing material recycling equipment needs to complete processes of crushing, conveying, cleaning, drying, melting, extrusion forming and the like of 3D printing waste materials through the matching between the crushing system, the conveying belt, the cleaning system, the drying system and the melting extrusion system (namely a die head).
SUMMERY OF THE UTILITY MODEL
The utility model aims to solve the technical problem that a 3D prints waste recycling regenerating unit is provided, this kind of 3D prints waste recycling regenerating unit not only can make overall structure compact, effectively reduces the installation space who occupies, can ensure moreover that 3D prints smashing of waste material abundant, thorough, is favorable to guaranteeing 3D printing consumables's shaping quality. The technical scheme is as follows:
the utility model provides a 3D prints waste recycling regenerating unit, includes frame, rubbing crusher structure and feeder hopper, its characterized in that: the crushing mechanism and the extruder are both arranged on the rack, the extruder is positioned below the crushing mechanism, and the feed hopper is arranged above the crushing mechanism; the crushing mechanism comprises a crushing bin and at least two crushers, a feed inlet is formed in the top of the crushing bin, a discharge outlet is formed in the bottom of the crushing bin, the feed inlet of the crushing bin is communicated with the lower end of the feed hopper, and the discharge outlet of the crushing bin is communicated with the feed inlet of the extruder; each pulverizer is sequentially arranged in a cavity of the pulverizing bin from top to bottom, each pulverizer comprises two pulverizing wheel sets, two rotating shafts and a rotating shaft driving mechanism capable of driving the two rotating shafts to do anisotropic rotating motion, the two rotating shafts are rotatably arranged in the pulverizing bin along the horizontal direction and are arranged side by side from left to right, the two pulverizing wheel sets correspond to the two rotating shafts one by one, each pulverizing wheel set comprises a plurality of pulverizing wheels, and each pulverizing wheel is fixedly arranged on the corresponding rotating shaft and is sequentially arranged along the axial direction of the rotating shaft; in the same pulverizer, the pulverizing wheels of two pulverizing wheel sets are alternately and tightly arranged; in the two pulverizers which are adjacent up and down, the pulverizing wheels of the two pulverizing wheel sets which are positioned at the same side are alternately and tightly arranged.
When the device works, 3D printing waste (such as a waste model) is put into a crushing bin through a feed hopper; 3D printing waste materials entering the crushing bin fall under the action of self gravity and sequentially pass through the crushers from top to bottom; the rotating shaft driving mechanisms in the pulverizers drive the corresponding two rotating shafts to rotate in different directions to drive the pulverizing wheels on the rotating shafts to rotate together, so that the 3D printing waste materials passing through are fully pulverized; then, the waste particles obtained after crushing enter an extruder through a discharge hole of a crushing bin and a feed inlet of the extruder; and then the waste particles are conveyed, heated, mixed and melted by an extruder, and finally the waste particles are extruded and molded into the required 3D printing consumable. The 3D printing waste recycling and regenerating device can complete the processes of crushing, conveying, melting, extrusion molding and the like of 3D printing waste through the matching of the crushing mechanism, the feed hopper and the extruder, so that the whole structure is compact, and the occupied installation space can be effectively reduced; and rubbing crusher constructs through setting up from last to a plurality of pulverizers of arranging in proper order down in smashing the storehouse, be in the alternate closely range between each crushing wheel of two crushing wheelsets in same grinder, be in two adjacent grinders from top to bottom and be in the alternate closely range between each crushing wheel of two crushing wheelsets with one side, can realize like this that 3D printing waste in getting into smashing the storehouse carries out multiple crushing, can ensure to smash 3D printing waste more abundant, thoroughly (even to some little and hard 3D printing waste, crushing system also can be abundant to it, thoroughly smash), be favorable to guaranteeing the shaping quality of 3D printing consumables.
In a specific scheme, the crushing wheel comprises a rotating wheel and a plurality of crushing knives, the rotating wheel is fixedly installed on the rotating shaft, and the crushing knives are arranged on the circumferential surface of the rotating wheel and are sequentially arranged along the circumferential direction of the rotating wheel.
In a preferred scheme, the rotating shaft driving mechanism comprises a rotating shaft driving motor and two transmission gears, the rotating shaft driving motor is installed on the rack, and a power output shaft of the rotating shaft driving motor is in transmission connection with one rotating shaft; the two transmission gears correspond to the two rotating shafts one by one, the transmission gears are fixedly arranged on the corresponding rotating shafts, and the two transmission gears are meshed with each other. When the device works, the rotating shaft driving motor drives the corresponding rotating shaft to rotate, and the other rotating shaft is driven to rotate relatively by the two transmission gears.
In the preferred scheme, the extruder comprises a charging barrel, a screw driving motor and at least one die head, wherein the charging barrel and the screw driving motor are both arranged on the rack, the charging barrel is arranged along the front-back direction, the screw is rotatably arranged in the charging barrel and is in transmission connection with an output shaft of the screw driving motor, a feeding hole of the extruder is arranged at the front end of the charging barrel, an inlet of the die head is communicated with the rear end of the charging barrel, and a plurality of heating temperature zones are arranged on the charging barrel. When the device works, waste particles obtained after being crushed by the crushing mechanism enter the front end of the charging barrel; the screw rod is driven by the screw rod driving motor to rotate, waste material particles in the charging barrel are driven to be conveyed backwards, the waste material particles are heated, mixed and melted through each heating temperature area, and the formed melt is extruded and formed into the required 3D printing consumable material (generally 3D printing wire rods) through the outlet of the die head.
In a more preferable scheme, the extruder comprises two die heads with different outlet caliber sizes, namely a first die head and a second die head; two die heads with be equipped with two three-way valves between the feed cylinder rear end, two three-way valves have an import and two exports, and the import and the feed cylinder rear end of two three-way valves are connected, and two exports of two three-way valves are connected with the import of first die head, second die head respectively. The valve core of the two-position three-way valve can be switched between the following two positions: in one of the positions, the rear end of the charging barrel is communicated with the inlet of the first die head and is not communicated with the inlet of the second die head; in another position, the rear end of the barrel is not in communication with the inlet of the first die and is in communication with the inlet of the second die. Can switch the case of two three-way valves to corresponding position according to the specification of the fashioned 3D printing consumables of needs, make feed cylinder rear end and the import of first die head or the import intercommunication of second die head, dismantle and change the die head for the background art needs, it is more convenient to operate.
In a further more preferred embodiment, the first die has an exit orifice diameter of 1.75MM and the second die has an exit orifice diameter of 3 MM. Thus, 3D printing consumables with the specification of 1.75MM or 3MM can be extruded and molded by the extruder by switching the valve core of the two-position three-way valve.
In a more preferable scheme, the extruder further comprises a heating control system, the heating control system comprises a control circuit, a plurality of temperature sensors and a plurality of heating devices, the number of the temperature sensors and the number of the heating temperature areas are the same, the temperature sensors and the heating devices correspond to each other one by one, the temperature sensors and the heating devices are arranged in the corresponding heating temperature areas, the temperature sensors are respectively connected with the corresponding input ends of the control circuit, and the heating devices are respectively connected with the corresponding output ends of the control circuit. Generally, the heating device employs a heating wire or a heating corrugated sheet, etc., which is installed on the outer wall of the cartridge. According to the forming process of the 3D printing consumable, setting a proper temperature range to be controlled by each heating temperature area, wherein each temperature sensor can be used for detecting the temperature of the corresponding heating temperature area and sending a signal to a control circuit for processing; when the temperature sensor detects that the actual temperature of the corresponding heating temperature zone exceeds the proper temperature range, the control circuit enables the heating device of the corresponding heating temperature zone to stop heating, and the temperature of the heating temperature zone is reduced after the heating is stopped; until the temperature sensor detects that the actual temperature of the heating temperature zone is in the proper temperature range, the control circuit controls the corresponding heating device to recover to operate.
In a more preferable scheme, a screen changing device and a melt pump are arranged between the rear end of the charging barrel and the die head, and the melt pump is arranged behind the screen changing device. The screen changing device is used for filtering impurities in the melt; the main function of the melt pump is to pressurize and stabilize the melt and then stably feed the melt into the die head.
In a more preferred scheme, the 3D printing waste recycling and regenerating device further comprises a cooling fan and a coil rack, wherein the cooling fan is arranged right above the die head outlet, and the coil rack is arranged behind the die head outlet. The cooling fan is used for rapidly cooling the 3D printing consumables extruded from the die head outlet to prevent adhesion; the coil rack is used for arranging the cooled 3D printing consumables into a disc, and recycling is achieved.
The 3D printing waste recycling device can complete the processes of crushing, conveying, melting, extrusion molding and the like of the 3D printing waste through the matching of the crushing mechanism, the feed hopper and the extruder, so that the whole structure is compact, and the occupied installation space can be effectively reduced; the crushing mechanism is provided with a plurality of crushers which are sequentially arranged from top to bottom in the crushing bin, and the crushing wheels of two crushing wheel sets in the same crusher are alternately and tightly arranged; be in two adjacent grinders from top to bottom and be in alternate closely arranging between each grinding wheel of two grinding wheelsets with one side, can realize like this that to get into the 3D printing waste material that smashes in the storehouse and carry out multiple crushing, can ensure to print smashing more abundant, thorough (even to some little and hard 3D printing waste materials, crushing system also can carry out abundant crushing to it) of waste material to 3D, is favorable to guaranteeing the shaping quality of 3D printing consumables.
Drawings
Fig. 1 is a schematic structural diagram of a preferred embodiment of the present invention.
Fig. 2 is a top view of fig. 1.
Detailed Description
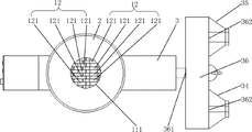
As shown in fig. 1 and 2, the 3D printing waste recycling and regenerating device includes a frame, a pulverizing mechanism 1, a feeding hopper 2 and an extruder 3, wherein the pulverizing mechanism 1 and the extruder 3 are both mounted on the frame, the extruder 3 is located below the pulverizing mechanism 1, and the feeding hopper 2 is located above the pulverizing mechanism 1; the crushing mechanism 1 comprises a crushing bin 11 and two crushers 12, the top of the crushing bin 11 is provided with a feed inlet 111, the bottom of the crushing bin 11 is provided with a discharge outlet 112, the feed inlet 111 of the crushing bin 11 is communicated with the lower end of the feed hopper 2, and the discharge outlet 112 of the crushing bin 11 is communicated with a feed inlet 301 of the extruder 3; each pulverizer 12 is sequentially arranged in the cavity of the pulverizing bin 11 from top to bottom, each pulverizer 12 comprises two pulverizing wheel sets 121, two rotating shafts 122 and a rotating shaft driving mechanism (not shown in the figure) capable of driving the two rotating shafts 122 to make anisotropic rotating motion, the two rotating shafts 122 are rotatably arranged in the pulverizing bin 11 along the horizontal direction and are arranged side by side from left to right, the two pulverizing wheel sets 121 correspond to the two rotating shafts 122 one by one, each pulverizing wheel set 121 comprises a plurality of pulverizing wheels 1211, and each pulverizing wheel 1211 is fixedly arranged on the corresponding rotating shaft 122 and is sequentially arranged along the axial direction of the rotating shaft 122; in the same pulverizer 12, the pulverizing wheels 1211 of the two pulverizing wheel sets 121 are alternately and tightly arranged; in two pulverizers 12 adjacent to each other, the pulverizing wheels 1211 of the two pulverizing wheel sets 121 located on the same side are alternately and closely arranged.
In this embodiment, the rotating shaft driving mechanism includes a rotating shaft driving motor and two transmission gears, the rotating shaft driving motor is installed on the frame, and a power output shaft of the rotating shaft driving motor is in transmission connection with a rotating shaft 122; the two transmission gears correspond to the two rotating shafts 122 one by one, the transmission gears are fixedly installed on the corresponding rotating shafts 122, and the two transmission gears are meshed with each other.
The extruder 3 comprises a charging barrel 31, a screw rod 32, a screw rod driving motor 33, a first die head 34, a second die head 35 and a two-position three-way valve 36, wherein the charging barrel 31 and the screw rod driving motor 33 are both arranged on a rack, the charging barrel 31 is arranged along the front and back direction, the screw rod 32 is rotatably arranged in the charging barrel 31 and is in transmission connection with an output shaft of the screw rod driving motor 33, a feeding hole 301 of the extruder 3 is arranged at the front end of the charging barrel 31, and a plurality of heating temperature zones are arranged on the charging barrel 31; the inlet of the first die head 34 and the inlet of the second die head 35 are both communicated with the rear end of the barrel 31 through a two-position three-way valve 36, the two-position three-way valve 36 is provided with an inlet 361 and two outlets 362, the inlet 361 of the two-position three-way valve 36 is connected with the rear end of the barrel 31, and the two outlets 362 of the two-position three-way valve 36 are respectively connected with the inlet of the first die head 34 and the inlet of the second die head 35; the exit orifice size of the first die 34 was 1.75MM and the exit orifice size of the second die 35 was 3 MM.
In this embodiment, the extruder 3 further includes a heating control system (not shown in the figure), the heating control system includes a control circuit, a plurality of temperature sensors and a plurality of heating devices, the number of the temperature sensors and the number of the heating devices are the same as that of the heating temperature zones, the temperature sensors and the heating devices are arranged in the corresponding heating temperature zones, each temperature sensor is connected with the corresponding input end of the control circuit, and each heating device is connected with the corresponding output end of the control circuit. The heating device adopts an electric heating wire or a heating corrugated sheet and the like, and the electric heating wire or the heating corrugated sheet is installed on the outer wall of the charging barrel 31.
The 3D printing waste recycling device of this embodiment further includes a cooling fan and a coil holder (not shown in the figure), the cooling fan is disposed directly above the outlets of the first die head 34 and the second die head 35, and the coil holder is disposed behind the first die head 34 and the second die head 35.
The following brief description is about the working principle of the 3D printing waste recycling and regenerating device:
when the device works, 3D printing waste (such as a waste model) is put into the crushing bin 11 through the feed hopper 2; 3D printing waste entering the crushing bin 11 falls under the action of self gravity and sequentially passes through the crushers 12 from top to bottom; the rotating shaft driving mechanism in each pulverizer 12 drives the corresponding two rotating shafts 122 to perform counter-rotating motion, so as to drive each pulverizing wheel 1211 on the rotating shafts to rotate together, and fully pulverize the passing 3D printing waste; the crushed waste particles enter the front end of the charging barrel 31 through the discharge hole 112 of the crushing bin 11 and the feed inlet 301 of the extruder 3; the screw rod 32 rotates under the drive of screw rod driving motor 33 afterwards, drives the waste material granule in the feed cylinder 31 and carries backward to heat, mixing, melt it through each heating warm area, the required 3D printing consumables are extruded into to the fuse-element that forms through the export of first die head 34 or second die head 35, cooling fan cools off the 3D printing consumables that extrude fast, coil stock frame puts into the dish with the arrangement of cooled 3D printing consumables, realizes recycle.
In the working process, the valve core of the two-position three-way valve 36 can be switched between the following two positions according to the specification (1.75 MM or 3 MM) of the 3D printing consumables required to be formed: in one position, the rear end of the material barrel 31 is communicated with the inlet of the first die head 34 and is not communicated with the inlet of the second die head 35, and the extruder 3 forms 1.75MM of 3D printing consumables; in another position, the rear end of the barrel 31 is not in communication with the inlet of the first die 34 and is in communication with the inlet of the second die 35, and the extruder 3 forms 3MM of 3D printing consumables.
In addition, it should be noted that the names of the parts and the like of the embodiments described in the present specification may be different, and all the equivalent or simple changes made according to the structure, the features and the principle of the present invention are included in the protection scope of the present invention. Various modifications, additions and substitutions may be made by those skilled in the art without departing from the scope of the invention as defined in the accompanying claims.
Claims (4)
1. The utility model provides a 3D prints waste recycling regenerating unit, includes frame, rubbing crusher structure and feeder hopper, its characterized in that: the crushing mechanism and the extruder are both arranged on the rack, the extruder is positioned below the crushing mechanism, and the feed hopper is arranged above the crushing mechanism; the crushing mechanism comprises a crushing bin and at least two crushers, a feed inlet is formed in the top of the crushing bin, a discharge outlet is formed in the bottom of the crushing bin, the feed inlet of the crushing bin is communicated with the lower end of the feed hopper, and the discharge outlet of the crushing bin is communicated with the feed inlet of the extruder; each pulverizer is sequentially arranged in a cavity of the pulverizing bin from top to bottom, each pulverizer comprises two pulverizing wheel sets, two rotating shafts and a rotating shaft driving mechanism capable of driving the two rotating shafts to do anisotropic rotating motion, the two rotating shafts are rotatably arranged in the pulverizing bin along the horizontal direction and are arranged side by side from left to right, the two pulverizing wheel sets correspond to the two rotating shafts one by one, each pulverizing wheel set comprises a plurality of pulverizing wheels, and each pulverizing wheel is fixedly arranged on the corresponding rotating shaft and is sequentially arranged along the axial direction of the rotating shaft; in the same pulverizer, the pulverizing wheels of two pulverizing wheel sets are alternately and tightly arranged; in the two pulverizers which are adjacent up and down, the pulverizing wheels of the two pulverizing wheel sets which are positioned at the same side are alternately and tightly arranged.
2. The 3D printing waste recycling device according to claim 1, wherein: the extruder comprises a material cylinder, a screw driving motor and at least one die head, wherein the material cylinder and the screw driving motor are both installed on the rack, the material cylinder is arranged along the front-back direction, the screw is rotatably installed in the material cylinder and is in transmission connection with an output shaft of the screw driving motor, the feed inlet of the extruder is arranged at the front end of the material cylinder, the inlet of the die head is communicated with the rear end of the material cylinder, and a plurality of heating temperature zones are arranged on the material cylinder.
3. The 3D printing waste recycling device according to claim 2, wherein: the extruder comprises two die heads with different outlet calibers, namely a first die head and a second die head; two die heads with be equipped with two three-way valves between the feed cylinder rear end, two three-way valves have an import and two exports, and the import and the feed cylinder rear end of two three-way valves are connected, and two exports of two three-way valves are connected with the import of first die head, second die head respectively.
4. The 3D printing waste recycling device according to claim 3, wherein: the outlet aperture of the first die head is 1.75MM, and the outlet aperture of the second die head is 3 MM.
Priority Applications (1)
| Application Number | Priority Date | Filing Date | Title |
|---|---|---|---|
| CN202021448754.0U CN212949221U (en) | 2020-07-22 | 2020-07-22 | 3D prints waste recycling regenerating unit |
Applications Claiming Priority (1)
| Application Number | Priority Date | Filing Date | Title |
|---|---|---|---|
| CN202021448754.0U CN212949221U (en) | 2020-07-22 | 2020-07-22 | 3D prints waste recycling regenerating unit |
Publications (1)
| Publication Number | Publication Date |
|---|---|
| CN212949221U true CN212949221U (en) | 2021-04-13 |
Family
ID=75394749
Family Applications (1)
| Application Number | Title | Priority Date | Filing Date |
|---|---|---|---|
| CN202021448754.0U Active CN212949221U (en) | 2020-07-22 | 2020-07-22 | 3D prints waste recycling regenerating unit |
Country Status (1)
| Country | Link |
|---|---|
| CN (1) | CN212949221U (en) |
-
2020
- 2020-07-22 CN CN202021448754.0U patent/CN212949221U/en active Active
Similar Documents
| Publication | Publication Date | Title |
|---|---|---|
| CN106945265B (en) | 3D printer recycling plastic for 3D printing and printing method thereof | |
| CN112917751A (en) | Environment-friendly waste plastic is granulator for recovery | |
| CN118976432A (en) | A biomass fuel pellet forming machine | |
| CN109228219B (en) | Extrusion film blowing device for PE (polyethylene) protective film and working method thereof | |
| CN205379840U (en) | Food granulator | |
| KR101770881B1 (en) | Melting Extrusion Apparatus | |
| KR20140020392A (en) | Machine for manufacturing raw-material chip to recycle wasted plastic | |
| CN210206996U (en) | Wet mill for preparing aluminate binder | |
| CN212949221U (en) | 3D prints waste recycling regenerating unit | |
| CN112809974A (en) | Waste treatment device for 3D printer | |
| CN203888070U (en) | Extruder for plastic film recycling and pelletizing line | |
| CN219880044U (en) | Raw material crushing mechanism for processing PC+ABS plastic particles | |
| CN112171964A (en) | A stirring and crushing unit and a 3D printing waste recycling device | |
| CN215435049U (en) | Improved generation 3D prints waste recycling regenerating unit | |
| CN219883241U (en) | Double-screw extruder | |
| CN206216966U (en) | Desktop type 3D printing material home-built equipment | |
| CN219256143U (en) | Plastic recycling pulverizer | |
| CN220593865U (en) | Novel injection molding equipment | |
| CN208324153U (en) | For processing the two steps type extruder of waste plastic film | |
| CN219171383U (en) | Retrieve equipment of LFT stub bar | |
| CN215643849U (en) | Extruder for automobile electric wire with heated air circulation drying function | |
| CN207983783U (en) | A kind of pulverizer for plastic products processing | |
| CN223478077U (en) | Masterbatch granulator for pigment production | |
| CN223466606U (en) | Hopper assembly with material stirring function | |
| CN222554239U (en) | A single screw bidirectional channel extrusion film blowing machine |
Legal Events
| Date | Code | Title | Description |
|---|---|---|---|
| GR01 | Patent grant | ||
| GR01 | Patent grant |