CN212946898U - Quartz stone mesa terminal surface grinding device - Google Patents

Quartz stone mesa terminal surface grinding device Download PDF

Info

Publication number
CN212946898U
CN212946898U CN202021714471.6U CN202021714471U CN212946898U CN 212946898 U CN212946898 U CN 212946898U CN 202021714471 U CN202021714471 U CN 202021714471U CN 212946898 U CN212946898 U CN 212946898U
Authority
CN
China
Prior art keywords
connecting pipe
quartz stone
dust
motor
workbench
Prior art date
Legal status (The legal status is an assumption and is not a legal conclusion. Google has not performed a legal analysis and makes no representation as to the accuracy of the status listed.)
Expired - Fee Related
Application number
CN202021714471.6U
Other languages
Chinese (zh)
Inventor
陈鋆
Current Assignee (The listed assignees may be inaccurate. Google has not performed a legal analysis and makes no representation or warranty as to the accuracy of the list.)
Quanzhou Yifeng Co ltd
Original Assignee
Quanzhou Yifeng Co ltd
Priority date (The priority date is an assumption and is not a legal conclusion. Google has not performed a legal analysis and makes no representation as to the accuracy of the date listed.)
Filing date
Publication date
Application filed by Quanzhou Yifeng Co ltd filed Critical Quanzhou Yifeng Co ltd
Priority to CN202021714471.6U priority Critical patent/CN212946898U/en
Application granted granted Critical
Publication of CN212946898U publication Critical patent/CN212946898U/en
Expired - Fee Related legal-status Critical Current
Anticipated expiration legal-status Critical

Links

Images

Landscapes

  • Grinding Of Cylindrical And Plane Surfaces (AREA)

Abstract

本实用新型公开了一种石英石台面端面打磨装置,属于石英石台面生产技术领域,包括底座、工作台、直齿条、抽气泵、丝杆、第三电机、吸尘罩和吸尘箱,所述底座的上方安装有壳体,支撑杆的上方安装有工作台;所述工作台上设置有石英石台面,第二连接管上安装有抽气泵;所述壳体内部的上方中间安装有伸缩气缸,丝杆上安装有螺纹套,第二转轴的下方安装有打磨轮;所述打磨轮上方的左右两侧设置有吸尘罩,第三连接管的上方安装有第二伸缩软管。本实用新型通过设置的吸尘罩、第二伸缩软管、吸尘器和吸尘箱的配合使用,能够对打磨过程中产生的灰尘进行吸收,保持石英石台面的清洁,同时能够防止灰尘污染环境和机械设备。

Figure 202021714471

The utility model discloses an end surface grinding device for quartz stone countertops, belonging to the technical field of quartz stone countertop production, comprising a base, a workbench, a straight rack, an air pump, a screw rod, a third motor, a dust suction hood and a dust suction box. A shell is installed above the base, and a workbench is installed above the support rod; a quartz stone table is installed on the workbench, and an air pump is installed on the second connecting pipe; In the telescopic cylinder, a screw sleeve is installed on the screw rod, and a grinding wheel is installed below the second rotating shaft; the left and right sides above the grinding wheel are provided with dust hoods, and a second telescopic hose is installed above the third connecting pipe. The utility model can absorb the dust generated in the grinding process, keep the quartz stone table clean, and prevent the dust from polluting the environment and Equipment.

Figure 202021714471

Description

Quartz stone mesa terminal surface grinding device
Technical Field
The utility model belongs to the technical field of the production of quartz mesa, specifically a quartz mesa terminal surface grinding device.
Background
The quartz is a novel stone material that adopts quartzy, resin and curing agent manual synthesis, has high strength and corrosion-resistant characteristic, and the quartz is widely used for the cupboard mesa, and the production of quartz mesa needs through crushing, purification, mixing, shaping and multichannel processes such as polishing, and wherein polishing is the last process of quartz mesa production, directly influences the quality of quartz mesa. Most of the adjustability of the existing polishing devices for quartz stone table boards is low, and for the quartz stone table boards with different thicknesses and sizes, the polishing wheels are adjusted to be complex in operation, so that the working efficiency is influenced, the dust generated in the polishing process easily pollutes the environment and mechanical equipment, and meanwhile, the dust is greatly damaged by human body after being sucked.
SUMMERY OF THE UTILITY MODEL
An object of the utility model is to provide a quartz stone mesa terminal surface grinding device to solve the inconvenient problem of adjusting that proposes in the above-mentioned background art.
In order to achieve the above object, the utility model provides a following technical scheme:
a quartz stone table-board end face polishing device comprises a base, a workbench, a spur rack, an air pump, a screw rod, a third motor, a dust hood and a dust box, wherein a shell is arranged above the base; the quartz stone table board is arranged on the workbench, a plurality of air suction nozzles are uniformly distributed on the workbench, a first telescopic hose is arranged below the air suction nozzles, a first connecting pipe is arranged below the first telescopic hose, a second connecting pipe is arranged below the first connecting pipe, and an air suction pump is arranged on the second connecting pipe; the telescopic cylinder is installed in the middle of the upper portion inside the shell, the support frame is installed below the telescopic cylinder, the lead screw is installed below the support frame, the second motor is installed on the right side of the lead screw, the threaded sleeve is installed on the lead screw, the third motor is installed in the middle of the lower portion of the threaded sleeve, the second rotating shaft is installed below the third motor, and the polishing wheel is installed below the second rotating shaft.
As a further aspect of the present invention: the straight rack is installed on the right side of workstation, and first motor is installed to the right side of base top, and first pivot is installed to the top of first motor, and the gear is installed to the top of first pivot.
As a further aspect of the present invention: first guide bar is installed to the left and right sides of support frame, and the second slider is installed to one side that the support frame was kept away from to first guide bar, and the top of casing left and right sides inner wall is provided with the second spout, and the second slider is installed in the second spout.
As a further aspect of the present invention: a second guide rod is installed above the threaded sleeve, a third sliding block is installed above the second guide rod, a third sliding groove is formed in the supporting frame, and the third sliding block is installed on the third sliding groove.
As a further aspect of the present invention: the connecting rod is installed to the left and right sides of thread bush below, and the protection casing is installed to the below of connecting rod.
As a further aspect of the present invention: the left and right sides of wheel top of polishing is provided with the suction hood, and the suction hood setting is in the protection casing, and the third connecting pipe is installed to the top of suction hood, and the second bellows is installed to the top of third connecting pipe, the fourth connecting pipe is installed to the top of second bellows, and the fifth connecting pipe is installed to the top of fourth connecting pipe, installs the dust catcher on the fifth connecting pipe, and the suction box is installed on the right side of fifth connecting pipe.
Compared with the prior art, the beneficial effects of the utility model are that: the working table can reciprocate back and forth by the aid of the first motor, the first rotating shaft, the gear and the spur rack, and the polishing wheel can reciprocate left and right by the aid of the second motor, the screw rod and the threaded sleeve, so that quartz stone table tops of different sizes can be polished; through the cooperation use of the suction hood that sets up, second expansion hose, dust catcher and suction box, can absorb the dust that the in-process produced of polishing, keep the cleanness of quartz mesa, can prevent dust polluted environment and mechanical equipment simultaneously.
Drawings
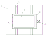
Fig. 1 is a schematic structural view of a quartz stone table-board end surface polishing device.
Fig. 2 is a schematic top view of a worktable in a quartz stone table-board end surface grinding device.
Fig. 3 is an enlarged schematic structural view of a quartz stone table-board end surface grinding device a.
In the figure: 1. a base; 2. supporting legs; 3. a housing; 4. a first chute; 5. a first slider; 6. a support bar; 7. a work table; 8. quartz stone table-board; 9. a first motor; 10. a first rotating shaft; 11. a gear; 12. straight rack; 13. a suction nozzle; 14. a first flexible hose; 15. a first connecting pipe; 16. a second connecting pipe; 17. an air pump; 18. a telescopic cylinder; 19. a support frame; 20. a first guide bar; 21. a second slider; 22. a second chute; 23. a screw rod; 24. a second motor; 25. a threaded sleeve; 26. a third chute; 27. a second guide bar; 28. a third slider; 29. a third motor; 30. a second rotating shaft; 31. grinding the wheel; 32. a connecting rod; 33. a protective cover; 34. a shaft sleeve; 35. a dust hood; 36. a third connecting pipe; 37. a second flexible hose; 38. a fourth connecting pipe; 39. a fifth connecting pipe; 40. a vacuum cleaner; 41. a dust collection box.
Detailed Description
The technical solution of the present patent will be described in further detail with reference to the following embodiments.
Referring to fig. 1-3, a quartz stone table-board end surface polishing device comprises a base 1, a workbench 7, a spur rack 12, an air pump 17, a screw rod 23, a third motor 29, a dust hood 35 and a dust box 41; four supporting legs 2 are uniformly arranged below a base 1, the supporting legs 2 are fixedly connected with the base 1 in a welding mode, a shell 3 is arranged above the base 1, two first chutes 4 are symmetrically arranged on the base 1 in a left-right mode, first sliding blocks 5 are arranged on the first chutes 4, supporting rods 6 are arranged on the first sliding blocks 5, a workbench 7 is arranged above the supporting rods 6, a straight rack 12 is arranged on the right side of the workbench 7, a first motor 9 is arranged on the right side of the base 1, a first rotating shaft 10 is arranged above the first motor 9, a gear 11 is arranged above the first rotating shaft 10, the gear 11 is connected with the straight rack 12 in a meshing mode, the first rotating shaft 10 can be driven to rotate through the positive rotation or the reverse rotation of the first motor 9, the first rotating shaft 10 drives the gear 11 to rotate, the gear 11 drives the spur rack 12 to reciprocate back and forth, and the spur rack 12 drives the workbench 7 to reciprocate back and forth.
Be provided with quartz mesa 8 on workstation 7, the equipartition is provided with a plurality of suction nozzles 13 on workstation 7, first bellows 14 is installed to suction nozzle 13's below, first connecting pipe 15 is installed to first bellows 14's below, second connecting pipe 16 is installed to first connecting pipe 15's below, install aspiration pump 17 on the second connecting pipe 16, can bleed the below of quartz mesa 8 through the aspiration pump 17 that sets up, make the below and the top of quartz mesa 8 form the pressure differential, make quartz mesa 8 adsorb on workstation 7's surface, fix quartz mesa 8, be convenient for more polish.
A telescopic cylinder 18 is arranged in the middle of the upper part inside the shell 3, a support frame 19 is arranged below the telescopic cylinder 18, first guide rods 20 are arranged on the left side and the right side of the support frame 19, a second slide block 21 is arranged on one side, far away from the support frame 19, of the first guide rods 20, a second slide block 22 is arranged above the inner wall of the left side and the right side of the shell 3, the second slide block 21 is arranged in the second slide block 22, a screw rod 23 is arranged below the support frame 19, a second motor 24 is arranged on the right side of the screw rod 23, a threaded sleeve 25 is arranged on the screw rod 23, a second guide rod 27 is arranged above the threaded sleeve 25, a third slide block 28 is arranged above the second guide rod 27, a third slide block 26 is arranged on the support frame 19, the third slide block 28 is arranged on the third slide block 26, a third motor 29 is arranged in the middle of the lower part of the threaded sleeve 25, a second rotating shaft 30 is arranged, connecting rod 32 is installed to the left and right sides of thread bush 25 below, and protection casing 33 is installed to the below of connecting rod 32, installs axle sleeve 34 between protection casing 33 and the second pivot 30, can drive lead screw 23 through the corotation of second motor 24 or reversal and rotate, and reciprocating motion about lead screw 23 can drive thread bush 25 to can make polishing wheel 31 reciprocating motion about, polish the quartz mesa 8 of unidimensional not.
The left and right sides of grinding wheel 31 top is provided with suction hood 35, suction hood 35 sets up in protection casing 33, third connecting pipe 36 is installed to the top of suction hood 35, second bellows 37 is installed to the top of third connecting pipe 36, fourth connecting pipe 38 is installed to the top of second bellows 37, fifth connecting pipe 39 is installed to the top of fourth connecting pipe 38, install dust catcher 40 on the fifth connecting pipe 39, suction box 41 is installed on the right side of fifth connecting pipe 39, suction hood 35 through the setting can absorb the dust that produces at the grinding wheel 31 in-process, keep the cleanness on quartz mesa 8 surfaces, can prevent dust polluted environment and equipment simultaneously.
The utility model discloses a theory of operation is: firstly, a quartz stone table top 8 is placed on a workbench 7, then air is pumped below the quartz stone table top 8 through an air pump 17, so that pressure difference is formed between the upper part and the lower part of the quartz stone table top 8, the quartz stone table top 8 is adsorbed on the surface of the workbench 7, a first rotating shaft 10 is driven to rotate through a first motor 9, a gear 11 is driven to rotate by the first rotating shaft 10, the spur rack 12 is driven to reciprocate back and forth by the gear 11, the workbench 7 is driven to reciprocate back and forth by the spur rack 12, a screw rod 23 is driven to rotate through a second motor 24, a threaded sleeve 25 is driven to reciprocate left and right by the screw sleeve 25, a third motor 29 is driven to reciprocate left and right by the third motor 29, a second rotating shaft 30 drives a polishing wheel 31 to reciprocate left and right, and a second rotating shaft 30 is driven to rotate through the third motor 29, the polishing wheel 31 is driven to rotate by the second rotating shaft 30, and a support frame 19 is driven to, so that the grinding wheel 31 contacts with the quartz stone table-board 8 to grind the quartz stone table-board 8, and the generated dust is absorbed by the dust collector 40 in the grinding process.
In the description of the present invention, it is to be noted that, unless otherwise explicitly specified or limited, the terms "mounted," "connected," and "connected" are to be construed broadly, and may be, for example, fixedly connected, detachably connected, or integrally connected; can be mechanically or electrically connected; they may be connected directly or indirectly through intervening media, or they may be interconnected between two elements. The specific meaning of the above terms in the present invention can be understood by those of ordinary skill in the art through specific situations.
Although the preferred embodiments of the present patent have been described in detail, the present patent is not limited to the above embodiments, and various changes can be made without departing from the spirit of the present patent within the knowledge of those skilled in the art.

Claims (6)

1. A quartz stone table-board end face polishing device comprises a base (1), a workbench (7), a spur rack (12), an air pump (17), a screw rod (23), a third motor (29), a dust hood (35) and a dust suction box (41), and is characterized in that a shell (3) is installed above the base (1), two first sliding grooves (4) are symmetrically arranged on the base (1) from left to right, a first sliding block (5) is installed on each first sliding groove (4), a supporting rod (6) is installed on each first sliding block (5), and the workbench (7) is installed above each supporting rod (6); a quartz stone table top (8) is arranged on the workbench (7), a plurality of air suction nozzles (13) are uniformly distributed on the workbench (7), a first flexible hose (14) is arranged below the air suction nozzles (13), a first connecting pipe (15) is arranged below the first flexible hose (14), a second connecting pipe (16) is arranged below the first connecting pipe (15), and an air suction pump (17) is arranged on the second connecting pipe (16); install telescopic cylinder (18) in the middle of the inside top of casing (3), support frame (19) are installed to the below of telescopic cylinder (18), lead screw (23) are installed to the below of support frame (19), second motor (24) are installed on the right side of lead screw (23), install thread bush (25) on lead screw (23), third motor (29) are installed to the centre of thread bush (25) below, second pivot (30) are installed to the below of third motor (29), emery wheel (31) are installed to the below of second pivot (30).
2. The quartz stone table-board end face grinding device as claimed in claim 1, characterized in that a spur rack (12) is installed on the right side of the workbench (7), a first motor (9) is installed on the right side above the base (1), a first rotating shaft (10) is installed above the first motor (9), and a gear (11) is installed above the first rotating shaft (10).
3. The quartz stone table surface end face grinding device as claimed in claim 1, wherein first guide rods (20) are installed on the left side and the right side of the support frame (19), second sliding blocks (21) are installed on one sides, far away from the support frame (19), of the first guide rods (20), second sliding grooves (22) are formed above the inner walls of the left side and the right side of the shell (3), and the second sliding blocks (21) are installed in the second sliding grooves (22).
4. The quartz stone table-board end surface grinding device as claimed in claim 1, wherein a second guide rod (27) is installed above the threaded sleeve (25), a third sliding block (28) is installed above the second guide rod (27), a third sliding groove (26) is arranged on the supporting frame (19), and the third sliding block (28) is installed on the third sliding groove (26).
5. The quartz stone table-board end face grinding device as claimed in claim 1, characterized in that connecting rods (32) are installed at the left and right sides below the threaded sleeve (25), and a protective cover (33) is installed below the connecting rods (32).
6. The quartz stone table surface end face grinding device as claimed in claim 1, wherein dust hoods (35) are arranged on the left side and the right side above the grinding wheel (31), the dust hoods (35) are arranged in the protective cover (33), a third connecting pipe (36) is installed above the dust hoods (35), a second flexible hose (37) is installed above the third connecting pipe (36), a fourth connecting pipe (38) is installed above the second flexible hose (37), a fifth connecting pipe (39) is installed above the fourth connecting pipe (38), a dust collector (40) is installed on the fifth connecting pipe (39), and a dust collection box (41) is installed on the right side of the fifth connecting pipe (39).
CN202021714471.6U 2020-08-17 2020-08-17 Quartz stone mesa terminal surface grinding device Expired - Fee Related CN212946898U (en)

Priority Applications (1)

Application Number Priority Date Filing Date Title
CN202021714471.6U CN212946898U (en) 2020-08-17 2020-08-17 Quartz stone mesa terminal surface grinding device

Applications Claiming Priority (1)

Application Number Priority Date Filing Date Title
CN202021714471.6U CN212946898U (en) 2020-08-17 2020-08-17 Quartz stone mesa terminal surface grinding device

Publications (1)

Publication Number Publication Date
CN212946898U true CN212946898U (en) 2021-04-13

Family

ID=75356572

Family Applications (1)

Application Number Title Priority Date Filing Date
CN202021714471.6U Expired - Fee Related CN212946898U (en) 2020-08-17 2020-08-17 Quartz stone mesa terminal surface grinding device

Country Status (1)

Country Link
CN (1) CN212946898U (en)

Cited By (1)

* Cited by examiner, † Cited by third party
Publication number Priority date Publication date Assignee Title
CN114518261A (en) * 2022-01-28 2022-05-20 连云港市妇幼保健院(连云港市第三人民医院) Blood detection device

Cited By (1)

* Cited by examiner, † Cited by third party
Publication number Priority date Publication date Assignee Title
CN114518261A (en) * 2022-01-28 2022-05-20 连云港市妇幼保健院(连云港市第三人民医院) Blood detection device

Similar Documents

Publication Publication Date Title
CN213561476U (en) Cylindrical grinding machine for belt pulley production
CN114670069B (en) A gear end face grinding and polishing device
CN212946898U (en) Quartz stone mesa terminal surface grinding device
CN208866965U (en) A kind of production Ceramic Tiles polissoir
CN208034345U (en) A kind of Mold polishing device convenient for clamping
CN115070531A (en) Polishing device for casting manufacturing and using method thereof
CN220680323U (en) Deburring device for injection molding of printer shell
CN219925509U (en) Hardware plate polishing device with sweeps collecting function
CN218284991U (en) A environmental protection grinding device for non-standard automation equipment
CN218136823U (en) Special pipe fitting is polished and is processed clear bits device
CN217530269U (en) Reinforcing sheet burring device
CN213945951U (en) Plastic product processing is with dust collector that polishes
CN214770968U (en) Processing device for bent aluminum alloy thin-wall part
CN221658772U (en) Polishing device for precision parts
CN209533108U (en) A kind of communication engineering grinding device easy to remove
CN208977510U (en) A kind of rotary polishing platform
CN113997151A (en) Sheet metal surface integrated processing all-in-one
CN218312893U (en) A New Dust-proof CNC Surface Grinding Machine
CN222327842U (en) Surface treatment device for metal parts
CN112355837A (en) Up-regulating sander
CN112355734A (en) Bearing surface grinding device
CN222818514U (en) Aluminum magnesium alloy panel coping processing apparatus
CN216991235U (en) Edge grinding device for processing drinking water bottle blank
CN215748443U (en) 3D polisher with raise dust collection function
CN220481346U (en) Polishing table with grounding reinforcing structure

Legal Events

Date Code Title Description
GR01 Patent grant
GR01 Patent grant
CF01 Termination of patent right due to non-payment of annual fee

Granted publication date: 20210413

CF01 Termination of patent right due to non-payment of annual fee