CN212825241U - 一种版辊自动翻转装置 - Google Patents
一种版辊自动翻转装置 Download PDFInfo
- Publication number
- CN212825241U CN212825241U CN202021479676.0U CN202021479676U CN212825241U CN 212825241 U CN212825241 U CN 212825241U CN 202021479676 U CN202021479676 U CN 202021479676U CN 212825241 U CN212825241 U CN 212825241U
- Authority
- CN
- China
- Prior art keywords
- rotating frame
- roller
- frame
- rotating
- push
- Prior art date
- Legal status (The legal status is an assumption and is not a legal conclusion. Google has not performed a legal analysis and makes no representation as to the accuracy of the status listed.)
- Active
Links
- 230000007306 turnover Effects 0.000 claims abstract description 6
- 230000003014 reinforcing effect Effects 0.000 claims description 3
- 238000004519 manufacturing process Methods 0.000 abstract description 4
- 238000001514 detection method Methods 0.000 description 7
- 230000000712 assembly Effects 0.000 description 5
- 238000000429 assembly Methods 0.000 description 5
- 238000000034 method Methods 0.000 description 3
- 238000006243 chemical reaction Methods 0.000 description 2
- 230000006872 improvement Effects 0.000 description 2
- 230000004048 modification Effects 0.000 description 2
- 238000012986 modification Methods 0.000 description 2
- 230000008569 process Effects 0.000 description 2
- 230000009471 action Effects 0.000 description 1
- 230000008859 change Effects 0.000 description 1
- 230000007547 defect Effects 0.000 description 1
- 230000005484 gravity Effects 0.000 description 1
- 238000009434 installation Methods 0.000 description 1
Images
Landscapes
- Rotary Presses (AREA)
Abstract
本实用新型涉及装饰纸生产设备技术领域,尤其是一种版辊自动翻转装置,包括一个立式的机架、水平安装在机架前侧的横轴、通过转动座可转动地安装在横轴上的转动架,以及连接在机架上且用于驱动转动架绕横轴旋转的推拉气缸;转动架为平面框架,前端固定有与其垂直的端板,转动架至少在顶部的前侧和后侧各设置有一组版辊的承托结构,机架上部的前侧和后侧分别水平固定有横梁,当推拉气缸驱动转动架处于水平状态时,转动架及转动架上的版辊由横梁承托;当推拉气缸驱动转动架处于竖直状态时,转动架竖立在机架的前侧,端板处于转动架的最下端,承托着版辊的端部,版辊的圆周面倚靠着承托结构。
Description
技术领域
本实用新型涉及装饰纸生产设备技术领域,尤其是一种版辊自动翻转装置。
背景技术
凹版印刷机的版辊体积大,重量通常在150到240公斤。目前版辊的保存方式主要有两种,一种是用毛毡将版辊包裹后横放在支架上,由于重力原因,保存的时间长了,版辊与支架接触的地方会出现变形,出现两条轻微的线条状凹线,在印刷时会影响纸面的花纹;另一种是将版辊立式放置,使版辊的端面与平面托盘接触,可以有效避免版辊变形,是比较理想的保存方式。但是版辊在印刷时是横向安装在墙板之间的,为了安装和拆卸方便,版辊在工厂内搬运时也是横放在搬运小车上的,这就导致存放版辊时需要将横放的版辊立起来,取出版辊时又需要将立放的版辊横向放倒,取放版辊的过程中,工人的劳动强度很大,也存在一定危险性。
针对上述问题,中国实用新型专利ZL 201720784522.4公开了一种用于版辊检测的检测工作台,包括检测支架,检测支架上设置有用于安置待检测版辊的可翻转的安置结构,检测支架上还可设置有用于实现安置结构翻转的翻转结构。常态时,安置结构竖置于检测支架一侧的前方,检测状态时,安置结构经翻转后平置于检测支架上方。这种检测工作台实现了版辊在横放和竖立两种状态之间的转换,但缺陷是:其安置结构和翻转结构都较为复杂,并且每个安置结构只能适应一种直径的版辊,否则版辊容易来回滚动,通用性不强,尚待改进。
发明内容
本实用新型的目的是克服上述背景技术中的不足,提供一种版辊自动翻转装置,能够将版辊在竖立与横放两种状态之间转换,从而降低工人的劳动强度,减少生产事故的发生,而且结构简单,能够适用不同直径的版辊。
本实用新型的技术目的是这样实现的:一种版辊自动翻转装置,包括一个立式的机架、水平安装在机架前侧的横轴、通过转动座可转动地安装在横轴上的转动架,以及连接在机架上且用于驱动转动架绕横轴旋转的推拉气缸;转动架为平面框架,前端固定有与其垂直的端板,转动架至少在顶部的前侧和后侧各设置有一组版辊的承托结构,机架上部的前侧和后侧分别水平固定有横梁,当推拉气缸驱动转动架处于水平状态时,转动架及转动架上的版辊由横梁承托;当推拉气缸驱动转动架处于竖直状态时,转动架竖立在机架的前侧,端板处于转动架的最下端,承托着版辊的端部,版辊的圆周面倚靠着承托结构。
作为优选,所述承托结构由安装在转动架左右两侧并保持一定间距布置的两个滚轮组件组成,每个滚轮组件包括竖直固定在转动架顶部的支架,以及通过转轴安装在支架顶部一侧或两侧的滚轮,转轴沿前后方向水平伸展,并且与所述横轴正交布置。
作为优选,所述推拉气缸的缸体尾部铰接在机架下部的后侧,推拉气缸的顶杆向前斜伸,并且通过支座与转动架前侧的底部活动连接。
作为优选,所述端板的左右两侧与转动架之间固定连接有加强肋板。
本实用新型具有的有益效果是:本实用新型结构简单,通过推拉气缸的动作可以使转动架带动版辊在横放与竖立状态之间转换,并且本实用新型的承托结构可以承托不同直径的版辊,适用范围很广,可以有效降低工人劳动强度,提高安全性,减少生产事故的发生。
附图说明
图1是本实用新型的主视结构示意图之一(转动架水平状态)。
图2是本实用新型的主视结构示意图之一(转动架竖直状态)。
图3是本实用新型的俯视结构示意图(转动架水平状态)。
具体实施方式
下面结合说明书附图,对本实用新型作进一步说明。
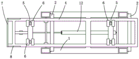
如图1到图3所示,本实用新型提供的一种版辊自动翻转装置,包括一个通过螺栓固定在地面的立式的机架1、水平安装在机架1前侧的横轴10、通过转动座11可转动地安装在横轴10上的转动架4,以及连接在机架1上且用于驱动转动架4绕横轴10旋转的推拉气缸12。
所述转动架4为平面框架,转动架4的前端固定有与其垂直的端板7,所述端板7的左右两侧与转动架4之间固定连接有加强肋板8,转动架4水平状态时,端板7竖直朝上布置。所述推拉气缸12的缸体尾部铰接在机架1下部后侧的安装板3上,推拉气缸12的顶杆13向前斜伸,并且通过支座9与转动架4前侧的底部活动连接。
为了承托各种规格的版辊14,转动架4在其顶部的前侧和后侧各设置有一组版辊14的承托结构,机架1上部的前侧和后侧分别水平固定有横梁2。如图1所示,当推拉气缸12驱动转动架4处于水平状态时,由于版辊14重量很大,如果突然放到承托结构上时会有比较大的冲击,仅靠推拉气缸12的作用力难以保持稳定,此时,转动架4及转动架4上的版辊14由横梁2承托。如图2所示,当推拉气缸12驱动转动架4处于竖直状态时,转动架4竖立在机架1的前侧,端板7处于转动架4的最下端,承托着版辊14的端部,版辊14的圆周面倚靠着承托结构。
如图3所示,所述承托结构由安装在转动架4左右两侧并保持一定间距布置的两个滚轮组件组成。每个滚轮组件包括竖直固定在转动架4顶部的支架5,以及通过转轴安装在支架5顶部一侧或两侧的滚轮6,转轴沿前后方向水平伸展,并且与所述横轴10正交布置。由于版辊14与滚轮6的截面均为圆形,因此当版辊14放到左右两侧的滚轮组件之间时,版辊14与滚轮6为线接触,因此版辊14的直径可以在较大的范围之内,左右两侧的滚轮组件都可以承托。
本实用新型的工作原理是:如图1所示,当工人用版辊14车将横放状态的版辊14放置到承托结构上之后,版辊14车退出,工人启动推拉气缸12收缩,拉动转动架4朝着前侧转动,直到转动架4翻转如图2所示的竖直状态,此时可以再用其它版辊14车或起吊设备将竖立的版辊14从端板7上吊走去往版辊14的存放区域。由于版辊14的端部与端板7的接触面积较大,因此只需控制好转动架4的转动速度,即可确保版辊14不会朝前倾翻,使用非常方便。版辊14从竖立状态转换到横放状态的操作与上述过程相反。
以上所述仅为本实用新型的优选实施例,对于本领域的技术人员来说,本实用新型可以有各种更改和变化。凡在本实用新型的精神和原则之内,所作的任何修改、等同替换、改进等,均应包含在本实用新型的保护范围之内。
Claims (4)
1.一种版辊自动翻转装置,其特征在于:包括一个立式的机架(1)、水平安装在机架(1)前侧的横轴(10)、通过转动座(11)可转动地安装在横轴(10)上的转动架(4),以及连接在机架(1)上且用于驱动转动架(4)绕横轴(10)旋转的推拉气缸(12);转动架(4)为平面框架,前端固定有与其垂直的端板(7),转动架(4)至少在顶部的前侧和后侧各设置有一组版辊(14)的承托结构,机架(1)上部的前侧和后侧分别水平固定有横梁(2),当推拉气缸(12)驱动转动架(4)处于水平状态时,转动架(4)及转动架(4)上的版辊(14)由横梁(2)承托;当推拉气缸(12)驱动转动架(4)处于竖直状态时,转动架(4)竖立在机架(1)的前侧,端板(7)处于转动架(4)的最下端,承托着版辊(14)的端部,版辊(14)的圆周面倚靠着承托结构。
2.根据权利要求1所述的一种版辊自动翻转装置,其特征在于:所述承托结构由安装在转动架(4)左右两侧并保持一定间距布置的两个滚轮(6)组件组成,每个滚轮(6)组件包括竖直固定在转动架(4)顶部的支架(5),以及通过转轴安装在支架(5)顶部一侧或两侧的滚轮(6),转轴沿前后方向水平伸展,并且与所述横轴(10)正交布置。
3.根据权利要求1或2所述的一种版辊自动翻转装置,其特征在于:所述推拉气缸(12)的缸体尾部铰接在机架(1)下部的后侧,推拉气缸(12)的顶杆(13)向前斜伸,并且通过支座(9)与转动架(4)前侧的底部活动连接。
4.根据权利要求1所述的一种版辊自动翻转装置,其特征在于:所述端板(7)的左右两侧与转动架(4)之间固定连接有加强肋板(8)。
Priority Applications (1)
| Application Number | Priority Date | Filing Date | Title |
|---|---|---|---|
| CN202021479676.0U CN212825241U (zh) | 2020-07-24 | 2020-07-24 | 一种版辊自动翻转装置 |
Applications Claiming Priority (1)
| Application Number | Priority Date | Filing Date | Title |
|---|---|---|---|
| CN202021479676.0U CN212825241U (zh) | 2020-07-24 | 2020-07-24 | 一种版辊自动翻转装置 |
Publications (1)
| Publication Number | Publication Date |
|---|---|
| CN212825241U true CN212825241U (zh) | 2021-03-30 |
Family
ID=75120816
Family Applications (1)
| Application Number | Title | Priority Date | Filing Date |
|---|---|---|---|
| CN202021479676.0U Active CN212825241U (zh) | 2020-07-24 | 2020-07-24 | 一种版辊自动翻转装置 |
Country Status (1)
| Country | Link |
|---|---|
| CN (1) | CN212825241U (zh) |
Cited By (1)
| Publication number | Priority date | Publication date | Assignee | Title |
|---|---|---|---|---|
| CN112937117A (zh) * | 2021-03-31 | 2021-06-11 | 浙江美格机械股份有限公司 | 一种凹版辊横放竖立检测倒水机构 |
-
2020
- 2020-07-24 CN CN202021479676.0U patent/CN212825241U/zh active Active
Cited By (1)
| Publication number | Priority date | Publication date | Assignee | Title |
|---|---|---|---|---|
| CN112937117A (zh) * | 2021-03-31 | 2021-06-11 | 浙江美格机械股份有限公司 | 一种凹版辊横放竖立检测倒水机构 |
Similar Documents
| Publication | Publication Date | Title |
|---|---|---|
| CN201756337U (zh) | 90度缸体翻转机构 | |
| CN106001125A (zh) | 一种双工位通用型液压自动拆辊设备 | |
| CN212825241U (zh) | 一种版辊自动翻转装置 | |
| CN108313945B (zh) | 一种矩形法兰板翻转系统 | |
| CN211168617U (zh) | 汽车起重机回转台的转运设备 | |
| KR20110043830A (ko) | 고속철도 차량의 공기조화장치 이송장치 | |
| CN205966776U (zh) | 一种双工位通用型液压自动拆辊设备 | |
| CN214988406U (zh) | 轮胎下线翻转转接装置 | |
| CN112338497A (zh) | 智能化全自动轴承压装机 | |
| CN106392445B (zh) | 挂车底盘焊接翻转装置 | |
| JP4047233B2 (ja) | タイヤ着脱作業台車 | |
| CN220412689U (zh) | 一种板材吸吊机 | |
| CN215326715U (zh) | 地铁风道模块翻转升降一体化工装系统 | |
| KR20100012620A (ko) | 객차차축 조립용 리프트 장치 | |
| JP3725066B2 (ja) | 自動車用足周り整備作業台車 | |
| CN220483958U (zh) | 卷辊转运辅助支架 | |
| CN221111738U (zh) | 一种轮毂检修翻转装置 | |
| CN221272768U (zh) | 一种大型机电设备转运用小车 | |
| CN208134190U (zh) | 游艇拖车托架 | |
| CN221914400U (zh) | 一种纵梁辅助装置 | |
| CN115158392B (zh) | 一种基于轨道探伤车驱动装置的复位机构 | |
| CN217838324U (zh) | 一种箱体侧翻机构 | |
| CN217315210U (zh) | 一种拉弯矫上下料机构 | |
| CN216508532U (zh) | 一种自动络筒机用负压风机拆装车 | |
| CN220949978U (zh) | 一种易于操作的安全型坯料加工用翻转机构 |
Legal Events
| Date | Code | Title | Description |
|---|---|---|---|
| GR01 | Patent grant | ||
| GR01 | Patent grant |