CN212801132U - A concrete maintenance structure for highway engineering construction usefulness - Google Patents
A concrete maintenance structure for highway engineering construction usefulness Download PDFInfo
- Publication number
- CN212801132U CN212801132U CN202021669454.5U CN202021669454U CN212801132U CN 212801132 U CN212801132 U CN 212801132U CN 202021669454 U CN202021669454 U CN 202021669454U CN 212801132 U CN212801132 U CN 212801132U
- Authority
- CN
- China
- Prior art keywords
- water tank
- fixedly connected
- concrete
- servo motor
- engineering construction
- Prior art date
- Legal status (The legal status is an assumption and is not a legal conclusion. Google has not performed a legal analysis and makes no representation as to the accuracy of the status listed.)
- Active
Links
- 238000010276 construction Methods 0.000 title claims abstract description 12
- 238000012423 maintenance Methods 0.000 title claims abstract description 10
- XLYOFNOQVPJJNP-UHFFFAOYSA-N water Substances O XLYOFNOQVPJJNP-UHFFFAOYSA-N 0.000 claims abstract description 70
- 239000007921 spray Substances 0.000 claims abstract description 10
- 239000000428 dust Substances 0.000 abstract description 6
- 230000033001 locomotion Effects 0.000 abstract description 6
- 239000004568 cement Substances 0.000 description 3
- 230000000694 effects Effects 0.000 description 2
- 239000000463 material Substances 0.000 description 2
- 230000004075 alteration Effects 0.000 description 1
- 230000009286 beneficial effect Effects 0.000 description 1
- 239000002131 composite material Substances 0.000 description 1
- 238000002474 experimental method Methods 0.000 description 1
- 238000012986 modification Methods 0.000 description 1
- 230000004048 modification Effects 0.000 description 1
- 230000002093 peripheral effect Effects 0.000 description 1
- 239000004576 sand Substances 0.000 description 1
- 238000003756 stirring Methods 0.000 description 1
- 239000004575 stone Substances 0.000 description 1
- 238000006467 substitution reaction Methods 0.000 description 1
- 238000003466 welding Methods 0.000 description 1
Images
Landscapes
- On-Site Construction Work That Accompanies The Preparation And Application Of Concrete (AREA)
Abstract
The utility model discloses a concrete maintenance structure for highway engineering construction usefulness, comprising a water tank, the right side fixedly connected with servo motor of water tank, servo motor's output shaft fixedly connected with carousel, the left side fixedly connected with guide arm at carousel top, there is the fly leaf one side of water tank inner chamber through pivot swing joint, spacing slide opening has been seted up on the surface of fly leaf, the guide arm extends to the inner chamber of spacing slide opening, and the right side of fly leaf extends to the outside of water tank. The utility model discloses a water pump upwards absorbs water, transmits to the shower nozzle by the hose again, finally outwards sprays by the shower nozzle, and servo motor's output shaft drives carousel and guide arm forward reverse rotation, and the guide arm is at the inner chamber motion of spacing slide opening to drive fly leaf and shower nozzle side-to-side movement, adjust and spray the area, solved the concrete if can not in time maintain after the pouring, easy fracture and play the dust, thereby influence the problem of concrete quality.
Description
Technical Field
The utility model relates to a concrete technical field specifically is a concrete maintenance structure for highway engineering construction usefulness.
Background
Concrete, concrete for short, is a general term for engineering composite materials formed by cementing aggregate into a whole by cementing materials, the term concrete in general refers to cement concrete which is prepared by using cement as the cementing material and sand and stone as the aggregate and mixing with water according to a certain proportion and stirring, and is also called common concrete, and the cement concrete is widely applied to civil engineering, and if the concrete can not be cured in time after being poured, the concrete is easy to crack and generate dust, so that the quality of the concrete is influenced.
SUMMERY OF THE UTILITY MODEL
An object of the utility model is to provide a concrete maintenance structure for highway engineering construction usefulness possesses the advantage that facilitates the use, has solved the concrete if can not in time the maintenance after the pouring, easy fracture and play the dust to influence the problem of concrete quality.
In order to achieve the above object, the utility model provides a following technical scheme: the utility model provides a concrete maintenance structure for highway engineering construction usefulness, includes the water tank, the right side fixedly connected with servo motor of water tank, servo motor's output shaft fixedly connected with carousel, the left side fixedly connected with guide arm at carousel top, there is the fly leaf one side of water tank inner chamber through pivot swing joint, spacing slide opening has been seted up on the surface of fly leaf, the guide arm extends to the inner chamber of spacing slide opening, the right side of fly leaf extends to the outside of water tank, the fly leaf is located the outside one end fixedly connected with shower nozzle of water tank, servo motor's right side is provided with the water pump, the end and the water tank intercommunication of intaking of water pump, the play water end of water pump runs through the water tank and communicates there is the hose, the other end and the shower nozzle.
Preferably, the right side of the water tank is provided with a guide hole, and the movable plate is movably connected with an inner cavity of the guide hole.
Preferably, the left side of the water tank is fixedly connected with a push handle, and an anti-skidding sleeve is sleeved on the surface of the push handle.
Preferably, the bottom of the water tank is fixedly connected with a bottom ring, and the inner cavity of the bottom ring is movably connected with a rotating wheel.
Preferably, the top of the water tank is communicated with a water inlet pipe, and the top of the water inlet pipe is in threaded connection with a pipe cover.
Compared with the prior art, the beneficial effects of the utility model are as follows:
1. the utility model discloses a water pump upwards absorbs water, transmits to the shower nozzle by the hose again, finally outwards sprays by the shower nozzle, and servo motor's output shaft drives carousel and guide arm forward reverse rotation, and the guide arm is at the inner chamber motion of spacing slide opening to drive fly leaf and shower nozzle side-to-side movement, adjust and spray the area, solved the concrete if can not in time maintain after the pouring, easy fracture and play the dust, thereby influence the problem of concrete quality.
2. The utility model discloses a setting is pushed away the handle, has played the effect that conveniently promotes the water tank, through setting up foundation ring and runner, has played the effect that conveniently removes the water tank.
Drawings
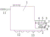
FIG. 1 is a schematic structural view of the present invention;
fig. 2 is a schematic view of the top view structure of the movable plate of the present invention;
FIG. 3 is a schematic view of the structure of the water tank of the present invention from the right;
fig. 4 is a schematic view of the bottom ring of the present invention.
In the figure: 1. a water tank; 2. a servo motor; 3. a turntable; 4. a guide bar; 5. a movable plate; 6. a limiting slide hole; 7. a spray head; 8. a water pump; 9. a hose; 10. a guide hole; 11. a push handle; 12. a bottom ring; 13. a rotating wheel.
Detailed Description
The technical solutions in the embodiments of the present invention will be described clearly and completely with reference to the accompanying drawings in the embodiments of the present invention, and it is obvious that the described embodiments are only some embodiments of the present invention, not all embodiments. Based on the embodiments in the present invention, all other embodiments obtained by a person skilled in the art without creative work belong to the protection scope of the present invention.
The utility model discloses a water tank 1, servo motor 2, carousel 3, guide arm 4, fly leaf 5, spacing slide opening 6, shower nozzle 7, water pump 8, hose 9, guiding hole 10, push away 11, foundation ring 12 and runner 13 parts and be the parts that general standard spare or technical personnel in the field know, its structure and principle all are that this technical personnel all can learn through the technical manual or learn through conventional experimental method.
Referring to fig. 1-4, a concrete curing structure for highway engineering construction comprises a water tank 1, a push handle 11 is fixedly connected to the left side of the water tank 1, an anti-slip sleeve is sleeved on the surface of the push handle 11, a bottom ring 12 is fixedly connected to the bottom of the water tank 1, a rotating wheel 13 is movably connected to the inner cavity of the bottom ring 12, a water inlet pipe is communicated with the top of the water tank 1, a pipe cover is connected to the top of the water inlet pipe through threads, a servo motor 2 is fixedly connected to the right side of the water tank 1, a rotary disc 3 is fixedly connected to an output shaft of the servo motor 2, a guide rod 4 is fixedly connected to the left side of the top of the rotary disc 3, a movable plate 5 is movably connected to one side of the inner cavity of the water tank 1 through a rotating shaft, a guide hole 10 is formed in the right side of the water tank 1, the, the right side of fly leaf 5 extends to the outside of water tank 1, one end fixedly connected with shower nozzle 7 that fly leaf 5 is located the outside of water tank 1, servo motor 2's right side is provided with water pump 8, water pump 8's the end of intaking communicates with water tank 1, water pump 8's play water end runs through water tank 1 and communicates there is hose 9, hose 9's the other end and shower nozzle 7 intercommunication, upwards absorb water through water pump 8, transmit to shower nozzle 7 by hose 9 again, finally spray by shower nozzle 7 outwards, servo motor 2's output shaft drives carousel 3 and guide arm 4 forward and reverse rotation, guide arm 4 moves at the inner chamber of spacing slide opening 6, thereby drive fly leaf 5 and shower nozzle 7 side-to-side motion, the regulation is sprayed the area, if can not in time the maintenance after the concrete pouring, easy fracture and play dust, thereby influence the problem of concrete quality.
During the use, start above-mentioned electrical component through the peripheral hardware controller, upwards absorb water through water pump 8, transmit to shower nozzle 7 by hose 9 again, finally spray outwards by shower nozzle 7, servo motor 2's output shaft drives carousel 3 and guide arm 4 forward and reverse rotation, guide arm 4 moves at the inner chamber of spacing slide opening 6, thereby drive fly leaf 5 and the horizontal motion of shower nozzle 7, adjust and spray the area, if can not in time the maintenance after the concrete pouring, easy fracture and play the dust, thereby influence the problem of concrete quality.
The standard parts used in the present application document can be purchased from the market, and can be customized according to the description of the specification and the accompanying drawings, the specific connection mode of each part adopts the conventional means of mature bolt, rivet, welding and the like in the prior art, the machines, parts and equipment adopt the conventional models in the prior art, the control mode is automatically controlled by a controller, the control circuit of the controller can be realized by simple programming of technicians in the field, the control circuit belongs to the common knowledge in the field, and the present application document is mainly used for protecting mechanical devices, so the control mode and the circuit connection are not explained in detail in the present application.
Although embodiments of the present invention have been shown and described, it will be appreciated by those skilled in the art that changes, modifications, substitutions and alterations can be made in these embodiments without departing from the principles and spirit of the invention, the scope of which is defined in the appended claims and their equivalents.
Claims (5)
1. The utility model provides a concrete maintenance structure for highway engineering construction usefulness, includes water tank (1), its characterized in that: the water tank is characterized in that a servo motor (2) is fixedly connected to the right side of the water tank (1), a rotary table (3) is fixedly connected to an output shaft of the servo motor (2), a guide rod (4) is fixedly connected to the left side of the top of the rotary table (3), a movable plate (5) is movably connected to one side of an inner cavity of the water tank (1) through a rotating shaft, a limiting sliding hole (6) is formed in the surface of the movable plate (5), the guide rod (4) extends to the inner cavity of the limiting sliding hole (6), the right side of the movable plate (5) extends to the outside of the water tank (1), a spray head (7) is fixedly connected to one end, located outside the water tank (1), of the movable plate (5), a water pump (8) is arranged on the right side of the servo motor (2), the water inlet end of the water pump (8) is communicated with the water tank (, the other end of the hose (9) is communicated with the spray head (7).
2. The concrete curing structure for road engineering construction according to claim 1, wherein: the right side of the water tank (1) is provided with a guide hole (10), and the movable plate (5) is movably connected with the inner cavity of the guide hole (10).
3. The concrete curing structure for road engineering construction according to claim 1, wherein: the left side fixedly connected with of water tank (1) pushes away handle (11), the surface cover of pushing away handle (11) is equipped with anti-skidding cover.
4. The concrete curing structure for road engineering construction according to claim 1, wherein: the bottom of the water tank (1) is fixedly connected with a bottom ring (12), and the inner cavity of the bottom ring (12) is movably connected with a rotating wheel (13).
5. The concrete curing structure for road engineering construction according to claim 1, wherein: the top of the water tank (1) is communicated with a water inlet pipe, and the top of the water inlet pipe is in threaded connection with a pipe cover.
Priority Applications (1)
| Application Number | Priority Date | Filing Date | Title |
|---|---|---|---|
| CN202021669454.5U CN212801132U (en) | 2020-08-12 | 2020-08-12 | A concrete maintenance structure for highway engineering construction usefulness |
Applications Claiming Priority (1)
| Application Number | Priority Date | Filing Date | Title |
|---|---|---|---|
| CN202021669454.5U CN212801132U (en) | 2020-08-12 | 2020-08-12 | A concrete maintenance structure for highway engineering construction usefulness |
Publications (1)
| Publication Number | Publication Date |
|---|---|
| CN212801132U true CN212801132U (en) | 2021-03-26 |
Family
ID=75082836
Family Applications (1)
| Application Number | Title | Priority Date | Filing Date |
|---|---|---|---|
| CN202021669454.5U Active CN212801132U (en) | 2020-08-12 | 2020-08-12 | A concrete maintenance structure for highway engineering construction usefulness |
Country Status (1)
| Country | Link |
|---|---|
| CN (1) | CN212801132U (en) |
-
2020
- 2020-08-12 CN CN202021669454.5U patent/CN212801132U/en active Active
Similar Documents
| Publication | Publication Date | Title |
|---|---|---|
| CN220954692U (en) | Floor concrete placement device for building engineering | |
| CN212801132U (en) | A concrete maintenance structure for highway engineering construction usefulness | |
| CN221934257U (en) | Spraying equipment convenient to bridge railing maintenance paint make-up | |
| CN215055543U (en) | Curing means is used in concrete setting | |
| CN215520063U (en) | A kind of concrete curing equipment | |
| CN211190660U (en) | Municipal administration public works whitewash device with trees | |
| CN220903700U (en) | Cement wire pole processing is with high-efficient device of pouring | |
| CN217652501U (en) | Assembled enclosure wall board made of green environment-friendly materials | |
| CN214266076U (en) | Make things convenient for concrete prefabricated part mould of drawing of patterns | |
| CN223548977U (en) | Building concrete maintenance water jet equipment with adjustable | |
| CN221742081U (en) | A construction maintenance device for civil engineering | |
| CN222119890U (en) | A road bridge crack reinforcement device | |
| CN222045129U (en) | A curing device for concrete preparation | |
| CN218905854U (en) | Stirring device for high-strength interlocking block concrete | |
| CN116852514A (en) | Precast concrete curing system and method | |
| CN222009624U (en) | Concrete pouring equipment | |
| CN217179970U (en) | Concrete inspection sampling device | |
| CN219034142U (en) | Cement mortar joint filling device | |
| CN222494768U (en) | A spray maintenance device | |
| CN220008271U (en) | Equipment for producing grouting material of cement concrete slab | |
| CN215150533U (en) | Unloader is used in recycled concrete preparation | |
| CN219190649U (en) | Concrete maintenance equipment for building construction | |
| CN220597337U (en) | Spraying device for concrete curing | |
| CN220365338U (en) | A concrete surface treatment device | |
| CN221089444U (en) | Concrete curing means |
Legal Events
| Date | Code | Title | Description |
|---|---|---|---|
| GR01 | Patent grant | ||
| GR01 | Patent grant |