CN212800572U - 一种印刷版辊用夹紧装置 - Google Patents
一种印刷版辊用夹紧装置 Download PDFInfo
- Publication number
- CN212800572U CN212800572U CN202021437385.5U CN202021437385U CN212800572U CN 212800572 U CN212800572 U CN 212800572U CN 202021437385 U CN202021437385 U CN 202021437385U CN 212800572 U CN212800572 U CN 212800572U
- Authority
- CN
- China
- Prior art keywords
- displacement mechanism
- clamping device
- sleeve
- fixedly connected
- printing plate
- Prior art date
- Legal status (The legal status is an assumption and is not a legal conclusion. Google has not performed a legal analysis and makes no representation as to the accuracy of the status listed.)
- Expired - Fee Related
Links
- 230000007246 mechanism Effects 0.000 claims abstract description 55
- 238000006073 displacement reaction Methods 0.000 claims abstract description 37
- 238000009434 installation Methods 0.000 claims description 13
- 230000005540 biological transmission Effects 0.000 claims description 4
- 238000003466 welding Methods 0.000 claims description 4
- 238000009713 electroplating Methods 0.000 abstract description 12
- 239000002699 waste material Substances 0.000 abstract description 4
- 230000002349 favourable effect Effects 0.000 abstract description 3
- 230000009467 reduction Effects 0.000 abstract description 2
- 230000009286 beneficial effect Effects 0.000 description 4
- 230000009471 action Effects 0.000 description 2
- 230000008901 benefit Effects 0.000 description 2
- 230000006978 adaptation Effects 0.000 description 1
- 238000005868 electrolysis reaction Methods 0.000 description 1
- 238000001125 extrusion Methods 0.000 description 1
- 238000004519 manufacturing process Methods 0.000 description 1
- 229910052751 metal Inorganic materials 0.000 description 1
- 239000002184 metal Substances 0.000 description 1
- 150000002739 metals Chemical class 0.000 description 1
- 238000000034 method Methods 0.000 description 1
- 230000004048 modification Effects 0.000 description 1
- 238000012986 modification Methods 0.000 description 1
- 230000008569 process Effects 0.000 description 1
Images
Landscapes
- Electroplating Methods And Accessories (AREA)
Abstract
本实用新型公开了一种印刷版辊用夹紧装置,包括第一位移机构与第二位移机构,所述第一位移机构活动端的一侧固定安装有垫块。该一种印刷版辊用夹紧装置,第一位移机构、垫块、第一转动安装件、驱动电机、横轴机构、第一夹紧套、凸架、圆环套、第二转动安装件、横板、电动伸缩杆、第二位移机构与第二夹紧套的配合使用,本装置同时可对三个印刷版辊进行夹紧,同时,在对一个印刷版辊进行电镀时,可对其他的两个进行装拆等其它操作,在对一个印刷版辊电镀完成后,可直接对下一个印刷版辊进行电镀操作,实现了连续式的电镀操作,大大的减少了一些不必要的时间浪费,进一步有利于提高工作效率。
Description
技术领域
本实用新型涉及印刷领域,具体是一种印刷版辊用夹紧装置。
背景技术
印刷版辊在生产过程中,一般需要经过在其表面进行电镀的工序,电镀就是利用电解原理在版辊表面上镀上一薄层其它金属。现有技术中的版辊的电镀需要通过夹紧装置装夹版辊。
本申请针对现有技术进行改进,现有的夹紧装置,其在使用时,常只能对单个印刷版辊进行夹紧,导致在进行电镀时只能对一个接着一个的装拆电镀,造成了大量时间的浪费,工作效率低。
实用新型内容
本实用新型的目的在于提供一种印刷版辊用夹紧装置,以解决上述背景技术中提出的问题。
为实现上述目的,本实用新型提供如下技术方案:
一种印刷版辊用夹紧装置,包括第一位移机构与第二位移机构,所述第一位移机构活动端的一侧固定安装有垫块,所述第一位移机构活动端的另一侧固定安装有第一转动安装件,所述第二位移机构的活动端固定安装有第二转动安装件,所述第一转动安装件与第二转动安装件之间转动安装有横轴机构,所述垫块的顶部固定安装有驱动电机,且驱动电机的驱动端与横轴机构的一端固定连接,所述横轴机构外壁的两侧均套设有圆环套,所述圆环套的外壁上呈等距焊接安装有三个凸架,两侧所述凸架的相对面分别设置有第一夹紧套与第二夹紧套。
作为本实用新型再进一步的方案:一侧所述凸架通过其上开设的滑孔滑动连接有与其相适配的横杆,且横杆的一端与第二夹紧套的一侧固定连接,所述横杆的另一端固定连接有挡块,所述横杆的外壁且位于第二夹紧套与凸架之间套接有弹簧。
作为本实用新型再进一步的方案:所述横轴机构包括连接轴,所述连接轴的两端均固定连接有螺纹杆,所述螺纹杆远离连接轴的一端固定连接有横轴。
作为本实用新型再进一步的方案:所述圆环套的一侧贯穿开设有与螺纹杆相适配的螺纹孔,且圆环套通过螺纹孔与螺纹杆传动连接。
作为本实用新型再进一步的方案:所述第二转动安装件包括焊接架与轴承,且轴承与横轴相适配。
作为本实用新型再进一步的方案:所述第二位移机构包括电动伸缩杆,所述电动伸缩杆的活动端固定连接有横板,所述第一位移机构与第二位移机构的结构一致。
与现有技术相比,本实用新型的有益效果是:
1、本实用通过第一夹紧套、第二夹紧套、弹簧、横杆与挡块的配合使用,简化了对印刷版辊的装拆结构,利于对印刷版辊进行快速的装拆,使用便捷,有助于提高工作效率。
2、本实用第一位移机构、垫块、第一转动安装件、驱动电机、横轴机构、第一夹紧套、凸架、圆环套、第二转动安装件、横板、电动伸缩杆、第二位移机构与第二夹紧套的配合使用,本装置同时可对三个印刷版辊进行夹紧,同时,在对一个印刷版辊进行电镀时,可对其他的两个进行装拆等其它操作,在对一个印刷版辊电镀完成后,可直接对下一个印刷版辊进行电镀操作,实现了连续式的电镀操作,大大的减少了一些不必要的时间浪费,进一步有利于提高工作效率,且第一位移机构与第二位移机构的同时升降,可对印刷版辊的位置进行调节,利于装置进行使用。
3、本实用通过横轴机构、螺纹杆、连接轴、横轴与圆环套的配合使用,可对两个圆环套之间的间距进行调整,从而使得装置适用于不同长度印刷版辊的夹紧操作,有利于提高装置的适用性。
附图说明
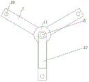
图1为一种印刷版辊用夹紧装置的结构示意图;
图2为一种印刷版辊用夹紧装置的图1中A处放大结构示意图;
图3为一种印刷版辊用夹紧装置中横轴机构及其连接结构的侧视图。
图中:第一位移机构1、垫块2、第一转动安装件3、驱动电机4、横轴机构5、第一夹紧套6、凸架7、螺纹杆8、连接轴9、横轴10、圆环套11、第二转动安装件12、横板13、电动伸缩杆14、第二位移机构15、第二夹紧套16、弹簧17、横杆18、挡块19。
具体实施方式
下面将结合本实用新型实施例中的附图,对本实用新型实施例中的技术方案进行清楚、完整地描述,显然,所描述的实施例仅仅是本实用新型一部分实施例,而不是全部的实施例。基于本实用新型中的实施例,本领域普通技术人员在没有做出创造性劳动前提下所获得的所有其他实施例,都属于本实用新型保护的范围。
请参阅图1~3,本实用新型实施例中,一种印刷版辊用夹紧装置,包括第一位移机构1与第二位移机构15,第一位移机构1活动端的一侧固定安装有垫块2,第一位移机构1活动端的另一侧固定安装有第一转动安装件3,第二位移机构15的活动端固定安装有第二转动安装件12,第一转动安装件3与第二转动安装件12之间转动安装有横轴机构5,垫块2的顶部固定安装有驱动电机4,且驱动电机4的驱动端与横轴机构5的一端固定连接,横轴机构5外壁的两侧均套设有圆环套11,圆环套11的外壁上呈等距焊接安装有三个凸架7,两侧凸架7的相对面分别设置有第一夹紧套6与第二夹紧套16,一侧凸架7通过其上开设的滑孔滑动连接有与其相适配的横杆18,且横杆18的一端与第二夹紧套16的一侧固定连接,横杆18的另一端固定连接有挡块19,横杆18的外壁且位于第二夹紧套16与凸架7之间套接有弹簧17,横轴机构5包括连接轴9,连接轴9的两端均固定连接有螺纹杆8,螺纹杆8远离连接轴9的一端固定连接有横轴10,圆环套11的一侧贯穿开设有与螺纹杆8相适配的螺纹孔,且圆环套11通过螺纹孔与螺纹杆8传动连接,第二转动安装件12包括焊接架与轴承,且轴承与横轴10相适配,第二位移机构15包括电动伸缩杆14,电动伸缩杆14的活动端固定连接有横板13,第一位移机构1与第二位移机构15的结构一致。
本实用新型的工作原理是:
使用时,在对印刷版辊进行安装时,先使印刷版辊的一端进入第二夹紧套16的内部,并对其施加挤压力度使第二夹紧套16对弹簧17进行压缩,然后将印刷版辊呈水平放置,在弹簧17的弹性作用下,使第二夹紧套16的位置复位,同时使印刷版辊的另一端进入第一夹紧套6的内部,从而将印刷版辊卡在第一夹紧套6与第二夹紧套16之间,同理,通过印刷版辊对弹簧17进行挤压,使印刷版辊的另一端脱离第一夹紧套6的内部,即可实现对印刷版辊的拆卸,简化了对印刷版辊的装拆结构,利于对印刷版辊进行快速的装拆,使用便捷,有助于提高工作效率,当三个印刷版辊安装完成后,驱动电机4带动横轴机构5进行旋转,使得一个印刷版辊位于电镀池的内部,其他的两个位于电镀池的外部,本装置同时可对三个印刷版辊进行夹紧,同时,在对一个印刷版辊进行电镀时,可对其他的两个进行装拆等其它操作,在对一个印刷版辊电镀完成后,可直接对下一个印刷版辊进行电镀操作,实现了连续式的电镀操作,大大的减少了一些不必要的时间浪费,进一步有利于提高工作效率,且第一位移机构1与第二位移机构15的同时升降,可对印刷版辊的位置进行调节,利于装置进行使用,转动圆环套11,在圆环套11与螺纹杆8的传动作用下,可对两个圆环套11之间的间距进行调整,从而使得装置适用于不同长度印刷版辊的夹紧操作,有利于提高装置的适用性。
尽管参照前述实施例对本实用新型进行了详细的说明,对于本领域的技术人员来说,其依然可以对前述各实施例所记载的技术方案进行修改,或者对其中部分技术特征进行等同替换,凡在本实用新型的精神和原则之内,所作的任何修改、等同替换、改进等,均应包含在本实用新型的保护范围之内。
Claims (6)
1.一种印刷版辊用夹紧装置,包括第一位移机构(1)与第二位移机构(15),其特征在于:所述第一位移机构(1)活动端的一侧固定安装有垫块(2),所述第一位移机构(1)活动端的另一侧固定安装有第一转动安装件(3),所述第二位移机构(15)的活动端固定安装有第二转动安装件(12),所述第一转动安装件(3)与第二转动安装件(12)之间转动安装有横轴机构(5),所述垫块(2)的顶部固定安装有驱动电机(4),且驱动电机(4)的驱动端与横轴机构(5)的一端固定连接,所述横轴机构(5)外壁的两侧均套设有圆环套(11),所述圆环套(11)的外壁上呈等距焊接安装有三个凸架(7),两侧所述凸架(7)的相对面分别设置有第一夹紧套(6)与第二夹紧套(16)。
2.根据权利要求1所述的一种印刷版辊用夹紧装置,其特征在于:一侧所述凸架(7)通过其上开设的滑孔滑动连接有与其相适配的横杆(18),且横杆(18)的一端与第二夹紧套(16)的一侧固定连接,所述横杆(18)的另一端固定连接有挡块(19),所述横杆(18)的外壁且位于第二夹紧套(16)与凸架(7)之间套接有弹簧(17)。
3.根据权利要求1所述的一种印刷版辊用夹紧装置,其特征在于:所述横轴机构(5)包括连接轴(9),所述连接轴(9)的两端均固定连接有螺纹杆(8),所述螺纹杆(8)远离连接轴(9)的一端固定连接有横轴(10)。
4.根据权利要求3所述的一种印刷版辊用夹紧装置,其特征在于:所述圆环套(11)的一侧贯穿开设有与螺纹杆(8)相适配的螺纹孔,且圆环套(11)通过螺纹孔与螺纹杆(8)传动连接。
5.根据权利要求3所述的一种印刷版辊用夹紧装置,其特征在于:所述第二转动安装件(12)包括焊接架与轴承,且轴承与横轴(10)相适配。
6.根据权利要求1所述的一种印刷版辊用夹紧装置,其特征在于:所述第二位移机构(15)包括电动伸缩杆(14),所述电动伸缩杆(14)的活动端固定连接有横板(13),所述第一位移机构(1)与第二位移机构(15)的结构一致。
Priority Applications (1)
| Application Number | Priority Date | Filing Date | Title |
|---|---|---|---|
| CN202021437385.5U CN212800572U (zh) | 2020-07-21 | 2020-07-21 | 一种印刷版辊用夹紧装置 |
Applications Claiming Priority (1)
| Application Number | Priority Date | Filing Date | Title |
|---|---|---|---|
| CN202021437385.5U CN212800572U (zh) | 2020-07-21 | 2020-07-21 | 一种印刷版辊用夹紧装置 |
Publications (1)
| Publication Number | Publication Date |
|---|---|
| CN212800572U true CN212800572U (zh) | 2021-03-26 |
Family
ID=75101700
Family Applications (1)
| Application Number | Title | Priority Date | Filing Date |
|---|---|---|---|
| CN202021437385.5U Expired - Fee Related CN212800572U (zh) | 2020-07-21 | 2020-07-21 | 一种印刷版辊用夹紧装置 |
Country Status (1)
| Country | Link |
|---|---|
| CN (1) | CN212800572U (zh) |
-
2020
- 2020-07-21 CN CN202021437385.5U patent/CN212800572U/zh not_active Expired - Fee Related
Similar Documents
| Publication | Publication Date | Title |
|---|---|---|
| CN110702953B (zh) | 一种电力仪表固定装置 | |
| CN212800572U (zh) | 一种印刷版辊用夹紧装置 | |
| CN210358252U (zh) | 一种管桩外表面自动清理装置 | |
| CN213053558U (zh) | 一种电机轴滚花机用压花结构 | |
| CN217194601U (zh) | 一种水利施工管道外表面除锈装置 | |
| CN217749588U (zh) | 一种用于剪板机的翻倒设备 | |
| CN216189568U (zh) | 一种烫金模切机的收料装置 | |
| CN217317504U (zh) | 一种浇口套浇口抛光装置 | |
| CN211867584U (zh) | 一种电气机械设备生产夹紧装置 | |
| CN214755856U (zh) | 电机后端盖 | |
| CN213530517U (zh) | 一种自动化方管数控三面冲孔机 | |
| CN212711605U (zh) | 一种可快速拆装的汽车内饰成型机夹持框用的夹钳 | |
| CN212903677U (zh) | 一种电动推杆生产加工用推力测试装置 | |
| CN214866347U (zh) | 一种风力发电杆卷制成型装置 | |
| CN222245062U (zh) | 一种铝箔水口剪切装置 | |
| CN223264136U (zh) | 一种可快速更换刮刀片的刮刀结构 | |
| CN114749455A (zh) | 一种新能源汽车电池回收的外壳拆解装置及方法 | |
| CN220403410U (zh) | 一种方便拆装的清洁毛刷 | |
| CN215222364U (zh) | 一种用于智慧城市安防物联网的图像监控器 | |
| CN218986047U (zh) | 一种印刷胶版的印刷结构 | |
| CN220428116U (zh) | 一种平推加紧滑移机构 | |
| CN221181916U (zh) | 一种方便拆卸的净水设备过滤板 | |
| CN220574941U (zh) | 一种便于拆卸的去毛刺机床用左阴极总成 | |
| CN212885488U (zh) | 一种套丝机用刮刀架总成 | |
| CN213002921U (zh) | 一种高纯高导无氧铜带的加工设备 |
Legal Events
| Date | Code | Title | Description |
|---|---|---|---|
| GR01 | Patent grant | ||
| GR01 | Patent grant | ||
| CF01 | Termination of patent right due to non-payment of annual fee | ||
| CF01 | Termination of patent right due to non-payment of annual fee |
Granted publication date: 20210326 |