CN212763020U - Positioning fixture for machining vehicle frame - Google Patents
Positioning fixture for machining vehicle frame Download PDFInfo
- Publication number
- CN212763020U CN212763020U CN202021192019.8U CN202021192019U CN212763020U CN 212763020 U CN212763020 U CN 212763020U CN 202021192019 U CN202021192019 U CN 202021192019U CN 212763020 U CN212763020 U CN 212763020U
- Authority
- CN
- China
- Prior art keywords
- plate
- rod
- hole
- positioning fixture
- frame
- Prior art date
- Legal status (The legal status is an assumption and is not a legal conclusion. Google has not performed a legal analysis and makes no representation as to the accuracy of the status listed.)
- Expired - Fee Related
Links
- 238000003754 machining Methods 0.000 title claims description 6
- 238000012545 processing Methods 0.000 claims abstract description 19
- 230000033001 locomotion Effects 0.000 claims description 21
- 230000005540 biological transmission Effects 0.000 claims description 6
- 238000000034 method Methods 0.000 abstract description 5
- 230000008569 process Effects 0.000 abstract description 4
- 230000002457 bidirectional effect Effects 0.000 description 6
- 230000003028 elevating effect Effects 0.000 description 6
- 230000005520 electrodynamics Effects 0.000 description 2
- 230000009467 reduction Effects 0.000 description 2
- 230000004075 alteration Effects 0.000 description 1
- 238000013459 approach Methods 0.000 description 1
- 230000009286 beneficial effect Effects 0.000 description 1
- 238000013461 design Methods 0.000 description 1
- 238000010586 diagram Methods 0.000 description 1
- 230000006872 improvement Effects 0.000 description 1
- 238000012986 modification Methods 0.000 description 1
- 230000004048 modification Effects 0.000 description 1
- 238000006467 substitution reaction Methods 0.000 description 1
Images
Landscapes
- Transmission Devices (AREA)
Abstract
The utility model discloses a positioning fixture for frame processing belongs to frame processing technology field, including the bottom plate, the top fixed mounting of bottom plate has the montant of vertical setting, the top of montant is installed the roof, the top of roof is installed the hoist engine, be equipped with the rope on the hoist engine, sliding sleeve is equipped with the lifter plate on the montant, the one end and the lifter plate fixed connection of rope, the one end of lifter plate articulates there is the drive plate, rotate on the drive plate and install the pivot, the one end fixed mounting of pivot has the swing board, fixed mounting has the track board on the swing board, rectangular through-hole has been seted up on the track board; the utility model discloses the realization is to the electronic centre gripping location of frame, and very big saving is artifical, and the centre gripping is stable firm, can adjust the height and the angle of centre gripping, is convenient for carry out the regulation of angle to the frame, and the different angles of being convenient for process the frame, facilitates for processing.
Description
Technical Field
The utility model belongs to the technical field of the frame processing, concretely relates to positioning fixture for frame processing.
Background
The existing frame processing needs manual fixing of parts, the adjustment of the placing angle and the height of the parts is carried out for the requirement of matching processing after the parts are fixed, so that the labor intensity is high, the manual fixing is unstable, the processing quality is affected, the operation is troublesome, and the processing efficiency is reduced, so that the problem is solved by a positioning clamp for frame processing.
SUMMERY OF THE UTILITY MODEL
An object of the utility model is to provide a positioning fixture for frame processing to solve the problem that proposes among the above-mentioned background art.
In order to achieve the above object, the utility model provides a following technical scheme: a positioning fixture for frame processing comprises a bottom plate, wherein a vertical rod is fixedly mounted at the top of the bottom plate, a top plate is mounted at the top of the vertical rod, a winch is mounted at the top of the top plate, a rope is arranged on the winch, a lifting plate is sleeved on the vertical rod in a sliding manner, one end of the rope is fixedly connected with the lifting plate, one end of the lifting plate is hinged with a driving plate, a rotating shaft is rotatably mounted on the driving plate, a swinging plate is fixedly mounted at one end of the rotating shaft, a track plate is fixedly mounted on the swinging plate, a rectangular through hole is formed in the track plate, two moving blocks are slidably mounted in the rectangular through hole, a driving rod is rotatably mounted in the rectangular through hole and in threaded connection with the moving blocks, a swinging rod is hinged on each moving block, a clamping plate is mounted at the bottom of the swinging rod, and, the push rod of the push rod motor is hinged with the swinging rod.
As a preferred embodiment, a horizontally arranged guide rod is fixedly installed in the rectangular through hole, a horizontally arranged slide hole is formed in the moving block, the moving block is slidably sleeved on the guide rod through the slide hole, and the guide rod is slidably connected with the inner wall of the slide hole.
As a preferred embodiment, the driving rod is composed of a left threaded rod and a right threaded rod, the thread directions of the left threaded rod and the right threaded rod are opposite, and the two moving blocks are respectively in threaded connection with the left threaded rod and the right threaded rod.
In a preferred embodiment, a bidirectional speed reducing motor is fixedly mounted at one end of the track plate, a horizontal shaft is rotatably mounted at one end of the track plate, one end of the horizontal shaft is fixedly connected with the driving rod, and an output shaft of the bidirectional speed reducing motor is in transmission connection with the other end of the horizontal shaft.
As a preferred embodiment, a gear is fixedly sleeved on the rotating shaft, a vertically arranged rack is slidably mounted on the driving plate, the rack is engaged with the gear, a vertically arranged cylinder is fixedly mounted on the driving plate, and a piston rod of the cylinder is in transmission connection with the rack.
As a preferred embodiment, two fixing blocks are fixedly mounted on the driving plate, a vertical shaft which is vertically arranged is connected between the two fixing blocks, a lifting block is slidably sleeved on the vertical shaft, and the lifting block is fixedly connected with one side of the rack far away from the gear.
Compared with the prior art, the beneficial effects of the utility model are that:
drive the cross axle through two-way gear motor and rotate and make the actuating lever rotate, the actuating lever drives left threaded rod and right threaded rod and rotates and make two motion pieces be close to each other, it provides the track support to remove for the motion piece through the guide arm, make the motion piece can be at the stable removal of horizontal position, moreover, the steam generator is stable in structure, the motion piece removes and drives two swinging arms and the grip block and be close to each other, then promote swinging of swinging arm through the push rod motor and make two grip blocks draw close each other and realize the centre gripping location of frame, further strengthen the location, the centre gripping is firm, the electrodynamic operation, the very big saving is artifical, the centre gripping is.
Drive the rope through the hoist engine and receive and release for the lifter plate carries out elevating movement's regulation, carries out the regulation of height to the frame of centre gripping, conveniently satisfies the demand of processing, drives the rack through the cylinder and carries out elevating movement's regulation, and the rack drives the gear and rotates and make the pivot rotate and make swing board and track board swing, adjusts the angle of centre gripping, is convenient for carry out the regulation of angle to the frame, and the different angles of being convenient for process the frame, facilitates for processing.
The utility model discloses the realization is to the electronic centre gripping location of frame, and very big saving is artifical, and the centre gripping is stable firm, can adjust the height and the angle of centre gripping, is convenient for carry out the regulation of angle to the frame, and the different angles of being convenient for process the frame, facilitates for processing.
Drawings
Fig. 1 is a schematic structural view of the present invention;
fig. 2 is a schematic sectional structural view of the track slab of the present invention;
fig. 3 is a schematic side view of the driving plate of the present invention;
fig. 4 is a rear view structural diagram of the driving plate of the present invention.
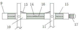
In the figure: 1. a base plate; 2. a vertical rod; 3. a top plate; 4. a winch; 5. a rope; 6. a lifting plate; 7. a drive plate; 8. a swing plate; 9. a track plate; 10. a motion block; 11. a swing lever; 12. a clamping plate; 13. a push rod motor; 14. a rectangular through hole; 15. a guide bar; 16. a drive rod; 17. a bidirectional reduction motor; 18. a rotating shaft; 19. a gear; 20. a rack; 21. a vertical axis; 22. a lifting block; 23. and a cylinder.
Detailed Description
The present invention will be further described with reference to the following examples.
The following examples are intended to illustrate the invention, but are not intended to limit the scope of the invention. The condition in the embodiment can be further adjusted according to concrete condition the utility model discloses a it is right under the design prerequisite the utility model discloses a simple improvement of method all belongs to the utility model discloses the scope of claiming.
Referring to fig. 1-4, the utility model provides a positioning fixture for frame processing, including a bottom plate 1, a vertical rod 2 is fixedly installed on the top of the bottom plate 1, a top plate 3 is installed on the top of the vertical rod 2, a hoist 4 is installed on the top of the top plate 3, a rope 5 is arranged on the hoist 4, a lifting plate 6 is slidably sleeved on the vertical rod 2, one end of the rope 5 is fixedly connected with the lifting plate 6, one end of the lifting plate 6 is hinged with a driving plate 7, a rotating shaft 18 is rotatably installed on the driving plate 7, a swinging plate 8 is fixedly installed on one end of the rotating shaft 18, a track plate 9 is fixedly installed on the swinging plate 8, a rectangular through hole 14 is opened on the track plate 9, two moving blocks 10 are slidably installed in the rectangular through hole 14, a driving rod 16 is rotatably installed in the rectangular through hole 14, the driving rod 16 is in threaded, the bottom of the swing rod 11 is provided with a clamping plate 12, the moving block 10 is hinged with a push rod motor 13, and a push rod of the push rod motor 13 is hinged with the swing rod 11.
A horizontally arranged guide rod 15 is fixedly installed in the rectangular through hole 14, a horizontally arranged sliding hole is formed in the moving block 10, the moving block 10 is slidably sleeved on the guide rod 15 through the sliding hole, and the guide rod 15 is slidably connected with the inner wall of the sliding hole (see fig. 1 and 2); the guide rod 15 provides a track support for the movement of the motion block 10, so that the motion block 10 can stably move in a horizontal position, and the structure is stable.
The driving rod 16 consists of a left threaded rod and a right threaded rod, the thread directions of the left threaded rod and the right threaded rod are opposite, and the two moving blocks 10 are respectively in threaded connection with the left threaded rod and the right threaded rod (see fig. 2); the driving rod 16 rotates the left and right threaded rods to make the two moving blocks 10 approach each other.
A bidirectional speed reducing motor 17 is fixedly mounted at one end of the track plate 9, a horizontal shaft is rotatably mounted at one end of the track plate 9, one end of the horizontal shaft is fixedly connected with the driving rod 16, and an output shaft of the bidirectional speed reducing motor 17 is in transmission connection with the other end of the horizontal shaft (see fig. 1 and 2); the drive rod 16 is rotated by rotating the cross shaft by the bidirectional reduction motor 17.
A gear 19 is fixedly sleeved on the rotating shaft 18, a vertically arranged rack 20 is slidably mounted on the driving plate 7, the rack 20 is meshed with the gear 19, a vertically arranged cylinder 23 is fixedly mounted on the driving plate 7, and a piston rod of the cylinder 23 is in transmission connection with the rack 20 (see fig. 3); the air cylinder 23 drives the rack 20 to perform lifting movement adjustment, and the rack 20 drives the gear 19 to rotate so that the rotating shaft 18 rotates to enable the swinging plate 8 and the track plate 9 to swing, so that the clamping angle is adjusted.
Two fixed blocks are fixedly mounted on the driving plate 7, a vertical shaft 21 which is vertically arranged is connected between the two fixed blocks, an elevating block 22 is slidably sleeved on the vertical shaft 21, and the elevating block 22 is fixedly connected with one side of the rack 20, which is far away from the gear 19 (see fig. 3 and 4); the elevator block 22 is provided with a track of movement through the vertical shaft 21 so that the elevator block 22 can be stably moved in the vertical direction.
When using, it makes actuating lever 16 rotate to drive the cross axle through two-way gear motor 17, actuating lever 16 drives left threaded rod and right threaded rod and rotates and make two motion pieces 10 be close to each other, it provides the track support to move for motion piece 10 through guide arm 15, make motion piece 10 can be at the stable removal of horizontal position, moreover, the steam generator is stable in structure, motion piece 10 removes and drives two swinging arms 11 and grip block 12 and be close to each other, then promote swinging of swinging arms 11 through push rod motor 13 and make two grip block 12 draw close each other the centre gripping location of realization frame, further strengthen the location, the electrodynamic operation, the very big saving is artifical, the centre gripping is stable firm. Drive rope 5 through hoist engine 4 and receive and release, make lifter plate 6 carry out elevating movement's regulation, the frame to the centre gripping carries out the regulation of height, conveniently satisfy the demand of processing, it carries out elevating movement's regulation to drive rack 20 through cylinder 23, rack 20 drives gear 19 and rotates and make pivot 18 rotate and make swing plate 8 and track board 9 swing, adjust the angle of centre gripping, be convenient for carry out the regulation of angle to the frame, be convenient for different angles process the frame, facilitate for processing.
Although embodiments of the present invention have been shown and described, it will be appreciated by those skilled in the art that changes, modifications, substitutions and alterations can be made in these embodiments without departing from the principles and spirit of the invention, the scope of which is defined in the appended claims and their equivalents.
Claims (6)
1. The utility model provides a positioning fixture for frame processing, includes bottom plate (1), its characterized in that: the top of the bottom plate (1) is fixedly provided with a vertical rod (2) which is vertically arranged, the top of the vertical rod (2) is provided with a top plate (3), the top of the top plate (3) is provided with a winch (4), the winch (4) is provided with a rope (5), the vertical rod (2) is sleeved with a lifting plate (6) in a sliding manner, one end of the rope (5) is fixedly connected with the lifting plate (6), one end of the lifting plate (6) is hinged with a driving plate (7), the driving plate (7) is provided with a rotating shaft (18) in a rotating manner, one end of the rotating shaft (18) is fixedly provided with a swinging plate (8), the swinging plate (8) is fixedly provided with a track plate (9), the track plate (9) is provided with a rectangular through hole (14), the rectangular through hole (14) is internally provided with two moving blocks (10), the rectangular through hole (14) is, actuating lever (16) and motion piece (10) threaded connection, it has swinging arms (11) to articulate on motion piece (10), grip block (12) are installed to the bottom of swinging arms (11), it has push rod motor (13) to articulate on motion piece (10), and the push rod of push rod motor (13) is articulated with swinging arms (11).
2. The positioning fixture for machining the vehicle frame according to claim 1, wherein: the guide rod (15) horizontally arranged is fixedly installed in the rectangular through hole (14), the moving block (10) is provided with a sliding hole horizontally arranged, the moving block (10) is sleeved on the guide rod (15) in a sliding mode through the sliding hole, and the guide rod (15) is connected with the inner wall of the sliding hole in a sliding mode.
3. The positioning fixture for machining the vehicle frame according to claim 1, wherein: the driving rod (16) is composed of a left threaded rod and a right threaded rod, the thread directions of the left threaded rod and the right threaded rod are opposite, and the two moving blocks (10) are in threaded connection with the left threaded rod and the right threaded rod respectively.
4. A positioning jig for frame work according to claim 3, characterized in that: the one end fixed mounting of track board (9) has two-way gear motor (17), the one end of track board (9) is rotated and is installed the cross axle that the level set up, the one end and actuating lever (16) fixed connection of cross axle, and the output shaft of two-way gear motor (17) is connected with the other end transmission of cross axle.
5. The positioning fixture for machining the vehicle frame according to claim 1, wherein: the fixed cover is equipped with gear (19) on pivot (18), slidable mounting has rack (20) of vertical setting on drive plate (7), and rack (20) and gear (19) meshing, fixed mounting has cylinder (23) of vertical setting on drive plate (7), and the piston rod and the rack (20) transmission of cylinder (23) are connected.
6. The positioning fixture for machining the vehicle frame according to claim 1, wherein: fixed mounting has two fixed blocks on drive plate (7), is connected with vertical setting's vertical axis (21) between two fixed blocks, and the sliding sleeve is equipped with elevator (22) on vertical axis (21), and one side fixed connection of gear (19) is kept away from with rack (20) elevator (22).
Priority Applications (1)
| Application Number | Priority Date | Filing Date | Title |
|---|---|---|---|
| CN202021192019.8U CN212763020U (en) | 2020-06-24 | 2020-06-24 | Positioning fixture for machining vehicle frame |
Applications Claiming Priority (1)
| Application Number | Priority Date | Filing Date | Title |
|---|---|---|---|
| CN202021192019.8U CN212763020U (en) | 2020-06-24 | 2020-06-24 | Positioning fixture for machining vehicle frame |
Publications (1)
| Publication Number | Publication Date |
|---|---|
| CN212763020U true CN212763020U (en) | 2021-03-23 |
Family
ID=75075389
Family Applications (1)
| Application Number | Title | Priority Date | Filing Date |
|---|---|---|---|
| CN202021192019.8U Expired - Fee Related CN212763020U (en) | 2020-06-24 | 2020-06-24 | Positioning fixture for machining vehicle frame |
Country Status (1)
| Country | Link |
|---|---|
| CN (1) | CN212763020U (en) |
-
2020
- 2020-06-24 CN CN202021192019.8U patent/CN212763020U/en not_active Expired - Fee Related
Similar Documents
| Publication | Publication Date | Title |
|---|---|---|
| CN218946716U (en) | Light pole welding grabbing device | |
| CN113580044A (en) | Clamping device for maintaining electromechanical equipment | |
| CN211871239U (en) | Automatic feeding device for machining | |
| CN212763020U (en) | Positioning fixture for machining vehicle frame | |
| CN212449606U (en) | Transmission device for automobile part machining | |
| CN208732478U (en) | A kind of moveable hanging apparatus | |
| CN211728720U (en) | Rust removal device in steel pipe for machining | |
| CN212421288U (en) | Adjustable three-arm combined manipulator | |
| CN110732825A (en) | plumbing arm support connecting rod welding frock | |
| CN212355657U (en) | Production line workpiece taking machine | |
| CN221735508U (en) | An automatic flip transfer mechanism and wheel hub chamfering automatic processing equipment using the same | |
| CN221070678U (en) | Pipe body hoisting clamping mechanism for constructional engineering | |
| CN215516418U (en) | Positioning instrument for mounting electromechanical equipment | |
| CN213239402U (en) | Digital battery anti-falling detection device | |
| CN110980165A (en) | Automobile wheel hub central siphon thermal treatment conveying mechanism | |
| CN212058686U (en) | Comprehensive inspection and detection device for main bearing cap | |
| CN212608397U (en) | Edge folding machine | |
| CN111360478A (en) | Open type wheel type welding positioner | |
| CN213165146U (en) | Quick erection equipment of automobile parts | |
| CN111623735A (en) | Comprehensive inspection and detection device for main bearing cap | |
| CN115488921A (en) | Hydraulic drive's armful top formula clamp is got arm | |
| CN222204558U (en) | Clamp for electromechanical reworking | |
| CN220127642U (en) | Drilling tool for automobile parts | |
| CN220886715U (en) | Construction hoist ware | |
| CN222592759U (en) | Drag type high-temperature quartz crucible material taking mechanical arm |
Legal Events
| Date | Code | Title | Description |
|---|---|---|---|
| GR01 | Patent grant | ||
| GR01 | Patent grant | ||
| CF01 | Termination of patent right due to non-payment of annual fee |
Granted publication date: 20210323 |
|
| CF01 | Termination of patent right due to non-payment of annual fee |