CN212684537U - Processing height-adjustable's computer machine case main panel injection mold processing platform - Google Patents
Processing height-adjustable's computer machine case main panel injection mold processing platform Download PDFInfo
- Publication number
- CN212684537U CN212684537U CN202020945103.6U CN202020945103U CN212684537U CN 212684537 U CN212684537 U CN 212684537U CN 202020945103 U CN202020945103 U CN 202020945103U CN 212684537 U CN212684537 U CN 212684537U
- Authority
- CN
- China
- Prior art keywords
- fixedly connected
- injection mold
- height
- processing table
- adjustable
- Prior art date
- Legal status (The legal status is an assumption and is not a legal conclusion. Google has not performed a legal analysis and makes no representation as to the accuracy of the status listed.)
- Expired - Fee Related
Links
- 238000002347 injection Methods 0.000 title claims abstract description 35
- 239000007924 injection Substances 0.000 title claims abstract description 35
- 235000017166 Bambusa arundinacea Nutrition 0.000 claims abstract description 11
- 235000017491 Bambusa tulda Nutrition 0.000 claims abstract description 11
- 241001330002 Bambuseae Species 0.000 claims abstract description 11
- 235000015334 Phyllostachys viridis Nutrition 0.000 claims abstract description 11
- 239000011425 bamboo Substances 0.000 claims abstract description 11
- 230000002457 bidirectional effect Effects 0.000 claims description 16
- 230000005540 biological transmission Effects 0.000 claims description 4
- 238000009434 installation Methods 0.000 abstract description 7
- 230000033001 locomotion Effects 0.000 abstract description 3
- 238000004519 manufacturing process Methods 0.000 abstract description 2
- 238000007514 turning Methods 0.000 abstract 1
- 238000003754 machining Methods 0.000 description 9
- 238000000034 method Methods 0.000 description 8
- 239000004033 plastic Substances 0.000 description 3
- 238000007731 hot pressing Methods 0.000 description 2
- 238000001746 injection moulding Methods 0.000 description 2
- 239000000243 solution Substances 0.000 description 2
- 230000004075 alteration Effects 0.000 description 1
- 230000009286 beneficial effect Effects 0.000 description 1
- 230000006835 compression Effects 0.000 description 1
- 238000007906 compression Methods 0.000 description 1
- 238000001816 cooling Methods 0.000 description 1
- 230000000694 effects Effects 0.000 description 1
- 239000000203 mixture Substances 0.000 description 1
- 238000012986 modification Methods 0.000 description 1
- 230000004048 modification Effects 0.000 description 1
- 238000007711 solidification Methods 0.000 description 1
- 230000008023 solidification Effects 0.000 description 1
- 238000006467 substitution reaction Methods 0.000 description 1
- 229920001169 thermoplastic Polymers 0.000 description 1
- 229920001187 thermosetting polymer Polymers 0.000 description 1
Images
Landscapes
- Moulds For Moulding Plastics Or The Like (AREA)
Abstract
The utility model discloses a processing height-adjustable's computer machine case main panel injection mold processing platform, including the processing platform, the equal fixedly connected with installation piece in four turnings of processing platform bottom, four the surface of installation piece all is connected with the connecting rod through the round pin axle rotation, the equal fixedly connected with lift post in four corners of processing platform bottom, four the equal sliding connection external screw thread section of thick bamboo in surface of lift post, four fixedly connected with mounting panel between the external screw thread section of thick bamboo, the right side fixedly connected with fixed block at mounting panel top, the utility model relates to a mould manufacturing machinery technical field. This processing height-adjustable's computer machine case main panel injection mold processing platform, the accessible rotates the handle and drives two-way lead screw rotation, advances one and does not drive two screw blocks relative motion on two-way lead screw, and then changes the angle of connecting rod to the height of accurate regulation processing platform, it is comparatively convenient to adjust, can realize the height of quick adjustment processing platform, simple structure.
Description
Technical Field
The utility model relates to a mould manufacturing machinery technical field specifically is a processing height-adjustable's computer machine case main panel injection mold processing platform.
Background
An injection mold is a tool for producing plastic products; and is also a tool for giving the plastic product complete structure and accurate dimension. Injection molding is a process used to mass produce parts of some complex shapes. The hot plastic is injected into the mold cavity under high pressure by an injection molding machine, and after cooling and solidification, a formed product is obtained, wherein the injection mold is divided into a thermosetting plastic mold and a thermoplastic plastic mold according to the forming characteristics, the injection mold is divided into a transfer mold, a blow mold, a cast mold, a hot forming mold, a hot pressing mold (compression mold) and an injection mold according to the forming process, wherein the hot pressing mold can be divided into an overflow type, a semi-overflow type and a non-overflow type by a flash mode, the injection mold can be divided into a cold runner mold and a hot runner mold by a pouring system, and the injection mold can be divided into a movable type and a fixed type by an installation and unloading mode.
Computer machine case main panel just processes through injection mold and forms, adds man-hour, according to the work demand need carry out the regulation of height to the processing platform sometimes, and the processing platform height ratio that current injection mold used is more fixed, generally can not carry out the regulation of height as required, and the use limitation is great, and some can carry out altitude mixture control, nevertheless adjusts accurately inadequately.
SUMMERY OF THE UTILITY MODEL
Not enough to prior art, the utility model provides a height-adjustable's computer machine case main panel injection mold processing platform has solved the processing platform height and can not adjust and some adjust the not accurate enough problem of structure.
In order to achieve the above purpose, the utility model discloses a following technical scheme realizes: a machining height-adjustable computer case main panel injection mold machining table comprises a machining table, wherein four corners of the bottom of the machining table are fixedly connected with installation blocks, the surfaces of the four installation blocks are rotatably connected with connecting rods through pin shafts, four corners of the bottom of the machining table are fixedly connected with lifting columns, the surfaces of the four lifting columns are slidably connected with external thread cylinders, a mounting plate is fixedly connected between the four external thread cylinders, the right side of the top of the mounting plate is fixedly connected with a fixed block, the left side of the fixed block is rotatably connected with a bidirectional screw rod, the left side of the surface of the bidirectional screw rod is in threaded connection with a supporting block, the bottom of the supporting block is fixedly connected with the top of the mounting plate, two sides of the surface of the bidirectional screw rod are in threaded connection with thread blocks, and fixing rods are fixedly connected with the, and one end of the fixing rod, which is far away from the thread block, is fixedly connected with the surface of the connecting rod.
Preferably, the left end of the bidirectional screw rod is fixedly connected with a rotating handle, and the lower parts of the surfaces of the four external thread cylinders are all in threaded connection with internal thread cylinders.
Preferably, an external thread is arranged below the surface of the external thread cylinder, and an internal thread matched with the external thread is arranged above the inner wall of the internal thread cylinder.
Preferably, four fixedly connected with backup pad between the internal thread section of thick bamboo bottom, four the bottom of an internal thread section of thick bamboo all is connected with the top of backup pad is rotated, four the equal fixedly connected with belt pulley in surface of an internal thread section of thick bamboo, four connect through belt transmission between the surface of belt pulley.
Preferably, the bottom of the supporting plate is fixedly connected with a base through a supporting rod, and the left side of the top of the base is fixedly connected with a driving motor.
Preferably, an output shaft of the driving motor is fixedly connected with a driving shaft, the top end of the driving shaft penetrates through the supporting plate and extends to the upper side of the supporting plate, and the top end of the driving shaft is fixedly connected with the bottom end of one of the internal thread cylinders.
Advantageous effects
The utility model provides a computer machine case main panel injection mold processing platform of processing height-adjustable. Compared with the prior art, the method has the following beneficial effects:
(1) the machining height-adjustable computer case main panel injection mold machining table is characterized in that installation blocks are fixedly connected to four corners of the bottom of the machining table, the surfaces of the four installation blocks are rotatably connected with connecting rods through pin shafts, four corners of the bottom of the machining table are fixedly connected with lifting columns, the surfaces of the four lifting columns are slidably connected with external thread cylinders, a mounting plate is fixedly connected among the four external thread cylinders, a fixed block is fixedly connected to the right side of the top of the mounting plate, a bidirectional screw rod is rotatably connected to the left side of the fixed block, a supporting block is in threaded connection to the left side of the surface of the bidirectional screw rod, the bottom of the supporting block is fixedly connected with the top of the mounting plate, thread blocks are in threaded connection to two sides of the surface of the bidirectional screw rod, fixing rods are fixedly connected to the front and the rear of, two-way lead screw left end fixedly connected with rotates the handle, and the accessible rotates the handle and drives two-way lead screw and rotate, advances one and does not drive two screw thread blocks relative motion on two-way lead screw, and then changes the angle of connecting rod to the height of accurate regulation processing platform, it is comparatively convenient to adjust.
(2) The computer case main panel injection mold processing table with the adjustable processing height is characterized in that an internal thread cylinder is in threaded connection with the lower parts of the surfaces of four external thread cylinders, external threads are arranged below the surface of the external thread cylinder, internal threads matched with the external threads are arranged above the inner wall of the internal thread cylinder, a supporting plate is fixedly connected between the bottom ends of the four internal thread cylinders, the bottom ends of the four internal thread cylinders are rotatably connected with the top of the supporting plate, belt pulleys are fixedly connected with the surfaces of the four internal thread cylinders, the surfaces of the four belt pulleys are connected through belt transmission, the bottom of the supporting plate is fixedly connected with a base through a supporting rod, a driving motor is fixedly connected with the left side of the top of the base, the internal thread cylinders can be driven to rotate through the driving motor, the four internal thread cylinders are further driven, the height of the processing table can be quickly adjusted, and the structure is simple.
Drawings
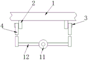
FIG. 1 is a front view of the structure of the present invention;
FIG. 2 is a side view of a partial structure of the present invention;
FIG. 3 is a perspective view of the partial structure of the external thread cylinder of the present invention;
FIG. 4 is a perspective view of the partial structure of the internal thread cylinder of the present invention;
FIG. 5 is a bottom view of the local structure of the processing table of the present invention;
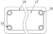
fig. 6 is a top view of the local structure of the support plate of the present invention.
In the figure: 1-processing table, 2-mounting block, 3-pin shaft, 4-connecting rod, 5-lifting column, 6-external thread cylinder, 7-mounting plate, 8-fixing block, 9-bidirectional screw rod, 10-supporting block, 11-thread block, 12-fixing rod, 13-rotating handle, 14-internal thread cylinder, 15-external thread, 16-internal thread, 17-supporting plate, 18-belt pulley, 19-belt, 20-supporting rod, 21-base, 22-driving motor and 23-driving shaft.
Detailed Description
The technical solutions in the embodiments of the present invention will be described clearly and completely with reference to the accompanying drawings in the embodiments of the present invention, and it is obvious that the described embodiments are only some embodiments of the present invention, not all embodiments. Based on the embodiments in the present invention, all other embodiments obtained by a person skilled in the art without creative work belong to the protection scope of the present invention.
Referring to fig. 1-6, the present invention provides a technical solution: a processing height-adjustable computer case main panel injection mold processing table comprises a processing table 1, wherein four corners at the bottom of the processing table 1 are fixedly connected with mounting blocks 2, the surfaces of the four mounting blocks 2 are rotatably connected with connecting rods 4 through pin shafts 3, four corners at the bottom of the processing table 1 are fixedly connected with lifting columns 5, the surfaces of the four lifting columns 5 are slidably connected with external thread cylinders 6, mounting plates 7 are fixedly connected among the four external thread cylinders 6, the right side at the top of the mounting plate 7 is fixedly connected with a fixing block 8, the left side of the fixing block 8 is rotatably connected with a bidirectional screw rod 9, the thread directions at two sides of the surface of the bidirectional screw rod 9 are reversely arranged, two thread blocks 11 can simultaneously move close to each other and move away from each other, the left side of the surface of the bidirectional screw rod 9 is connected with a supporting block 10 through threads, both sides of the surface of the bidirectional screw rod 9 are in threaded connection with threaded blocks 11, fixing rods 12 are fixedly connected in front of and behind the surfaces of the two threaded blocks 11, one end of each fixing rod 12, far away from the threaded block 11, is fixedly connected with the surface of the connecting rod 4, the left end of the bidirectional screw rod 9 is fixedly connected with a rotating handle 13, the height of the processing table 1 is conveniently and manually adjusted, internal threaded cylinders 14 are in threaded connection with all the lower parts of the surfaces of the four external threaded cylinders 6, the external threaded cylinders 6 are driven to ascend or descend by the rotation of the internal threaded cylinders 14, the height of the processing table 1 is rapidly adjusted, external threads 15 are arranged below the surfaces of the external threaded cylinders 6, internal threads 16 matched with the external threads 15 are arranged above the inner walls of the internal threaded cylinders 14, supporting plates 17 are fixedly connected among the bottom ends of the four internal threaded cylinders 14, the bottom ends of the four, the surfaces of the four belt pulleys 18 are in transmission connection through a belt 19, the bottom of the supporting plate 17 is fixedly connected with a base 21 through a supporting rod 20, the left side of the top of the base 21 is fixedly connected with a driving motor 22 which is a three-phase alternating-current asynchronous motor and can realize forward and reverse rotation, the driving motor 22 is electrically connected with an external power supply and is controlled through a control switch, an output shaft of the driving motor 22 is fixedly connected with a driving shaft 23, the top end of the driving shaft 23 penetrates through the supporting plate 17 and extends to the upper portion of the supporting plate 17, and the top end of the driving shaft 23 is fixedly connected.
During operation, when needing to high quick adjustment to processing platform 1, start driving motor 22, further drive shaft 23 and rotate, drive 23 drives an internal thread section of thick bamboo 14 and rotates, further cooperation through belt 19 and belt pulley 18, four internal thread sections of thick bamboo 14 rotate simultaneously, realize four external screw thread sections of thick bamboo 6 and rise simultaneously and descend, and then can quick adjustment processing platform 1's height, when needing accurate adjustment, rotate and rotate handle 13, and then drive two-way lead screw 9 and rotate, thereby drive two threaded block 11 simultaneous movement, and then drive connecting rod 4 through dead lever 12 and remove, connecting rod 4 removes constantly and changes the angle, realize the accurate regulation of processing platform 1 height.
It is noted that, herein, relational terms such as first and second, and the like may be used solely to distinguish one entity or action from another entity or action without necessarily requiring or implying any actual such relationship or order between such entities or actions. Also, the terms "comprises," "comprising," or any other variation thereof, are intended to cover a non-exclusive inclusion, such that a process, method, article, or apparatus that comprises a list of elements does not include only those elements but may include other elements not expressly listed or inherent to such process, method, article, or apparatus.
Although embodiments of the present invention have been shown and described, it will be appreciated by those skilled in the art that changes, modifications, substitutions and alterations can be made in these embodiments without departing from the principles and spirit of the invention, the scope of which is defined in the appended claims and their equivalents.
Claims (6)
1. The utility model provides a processing height-adjustable's computer machine case main panel injection mold processing platform, includes processing platform (1), its characterized in that: the four corners of the bottom of the processing table (1) are fixedly connected with mounting blocks (2), the surfaces of the four mounting blocks (2) are rotatably connected with connecting rods (4) through pin shafts (3), four corners of the bottom of the processing table (1) are fixedly connected with lifting columns (5), the surfaces of the four lifting columns (5) are slidably connected with external thread cylinders (6), mounting plates (7) are fixedly connected between the four external thread cylinders (6), the right side of the top of each mounting plate (7) is fixedly connected with a fixing block (8), the left side of each fixing block (8) is rotatably connected with a bidirectional screw rod (9), the left side of the surface of each bidirectional screw rod (9) is in threaded connection with a supporting block (10), the bottom of each supporting block (10) is fixedly connected with the top of each mounting plate (7), and the two sides of the surface of each bidirectional screw rod (9) are in threaded connection with, the front and the rear of the surfaces of the two thread blocks (11) are fixedly connected with fixing rods (12), and one end, far away from the thread blocks (11), of each fixing rod (12) is fixedly connected with the surface of the connecting rod (4).
2. The injection mold processing table of claim 1, wherein the processing height of the injection mold processing table is adjustable, and the processing height of the injection mold processing table is as follows: the left end of the bidirectional screw rod (9) is fixedly connected with a rotating handle (13), and four internal thread cylinders (14) are in threaded connection with the lower portions of the surfaces of the external thread cylinders (6).
3. The injection mold processing table of claim 2, wherein the processing height of the injection mold processing table is adjustable, and the processing height of the injection mold processing table is as follows: an external thread (15) is arranged below the surface of the external thread cylinder (6), and an internal thread (16) matched with the external thread (15) is arranged above the inner wall of the internal thread cylinder (14).
4. The injection mold processing table of claim 2, wherein the processing height of the injection mold processing table is adjustable, and the processing height of the injection mold processing table is as follows: four fixedly connected with backup pad (17) between internal thread section of thick bamboo (14) bottom, four the bottom of an internal thread section of thick bamboo (14) all is connected with the top rotation of backup pad (17), four the equal fixedly connected with belt pulley (18) in surface of an internal thread section of thick bamboo (14), four connect through belt (19) transmission between the surface of belt pulley (18).
5. The injection mold processing table of claim 4, wherein the processing height of the injection mold processing table is adjustable, and the processing height of the injection mold processing table is as follows: the bottom of backup pad (17) is through branch (20) fixedly connected with base (21), the left side fixedly connected with driving motor (22) at base (21) top.
6. The injection mold processing table of claim 5, wherein the processing height of the injection mold processing table is adjustable, and the processing height of the injection mold processing table is adjustable: an output shaft of the driving motor (22) is fixedly connected with a driving shaft (23), the top end of the driving shaft (23) penetrates through the supporting plate (17) and extends to the upper portion of the supporting plate (17), and the top end of the driving shaft (23) is fixedly connected with the bottom end of one of the internal thread cylinders (14).
Priority Applications (1)
| Application Number | Priority Date | Filing Date | Title |
|---|---|---|---|
| CN202020945103.6U CN212684537U (en) | 2020-05-29 | 2020-05-29 | Processing height-adjustable's computer machine case main panel injection mold processing platform |
Applications Claiming Priority (1)
| Application Number | Priority Date | Filing Date | Title |
|---|---|---|---|
| CN202020945103.6U CN212684537U (en) | 2020-05-29 | 2020-05-29 | Processing height-adjustable's computer machine case main panel injection mold processing platform |
Publications (1)
| Publication Number | Publication Date |
|---|---|
| CN212684537U true CN212684537U (en) | 2021-03-12 |
Family
ID=74889354
Family Applications (1)
| Application Number | Title | Priority Date | Filing Date |
|---|---|---|---|
| CN202020945103.6U Expired - Fee Related CN212684537U (en) | 2020-05-29 | 2020-05-29 | Processing height-adjustable's computer machine case main panel injection mold processing platform |
Country Status (1)
| Country | Link |
|---|---|
| CN (1) | CN212684537U (en) |
Cited By (1)
| Publication number | Priority date | Publication date | Assignee | Title |
|---|---|---|---|---|
| CN113320164A (en) * | 2021-05-29 | 2021-08-31 | 深圳意动航空科技有限公司 | Explosion-proof container of blasting gumming device for 3D printer |
-
2020
- 2020-05-29 CN CN202020945103.6U patent/CN212684537U/en not_active Expired - Fee Related
Cited By (1)
| Publication number | Priority date | Publication date | Assignee | Title |
|---|---|---|---|---|
| CN113320164A (en) * | 2021-05-29 | 2021-08-31 | 深圳意动航空科技有限公司 | Explosion-proof container of blasting gumming device for 3D printer |
Similar Documents
| Publication | Publication Date | Title |
|---|---|---|
| CN109822819B (en) | Clamp for processing injection mold | |
| CN212684537U (en) | Processing height-adjustable's computer machine case main panel injection mold processing platform | |
| CN214444811U (en) | Machining center numerical control rotary clamping device for die manufacturing | |
| CN118596299B (en) | Production device and production method of concrete aerated bricks | |
| CN211363117U (en) | Composite demoulding mechanism for plastic mould | |
| CN213971752U (en) | Based on silicate board production is with design mould | |
| CN223750075U (en) | Mould pressing device for plastic tableware processing | |
| CN219903046U (en) | Mould pressing device for rubber manufacture | |
| CN222135687U (en) | Sole mould convenient to adjust shaping sole thickness | |
| CN219170633U (en) | Positioning device for processing injection molding product | |
| CN223068066U (en) | Sole design rack | |
| CN223630925U (en) | Injection mold system with circulating cooling function | |
| CN213795296U (en) | Clamping device for mold machining | |
| CN220637605U (en) | Positioning device for mold processing | |
| CN220480906U (en) | A cutting and positioning auxiliary device for mold production | |
| CN222807512U (en) | A mold for automobile dust cover plastic products | |
| CN221159761U (en) | Injection mold production is with equipment of polishing | |
| CN216506484U (en) | Eccentric mould advances gluey focus rebalance pressure-bearing device | |
| CN215919298U (en) | Ultra-precision die machining numerical control slotting device | |
| CN215619569U (en) | A quick mold changing device for an injection molding machine | |
| CN221622835U (en) | Processing device for plastic parts | |
| CN218503867U (en) | Brake pad mould processing equipment that machining precision is high | |
| CN213797610U (en) | Die mounting structure with good stability | |
| CN220561801U (en) | High-efficient homogeneity board compressor | |
| CN112222992A (en) | Trimming device is used in draw-bar box production and processing |
Legal Events
| Date | Code | Title | Description |
|---|---|---|---|
| GR01 | Patent grant | ||
| GR01 | Patent grant | ||
| CF01 | Termination of patent right due to non-payment of annual fee | ||
| CF01 | Termination of patent right due to non-payment of annual fee |
Granted publication date: 20210312 |