CN212682588U - 一种铜杆批量切割装置 - Google Patents

一种铜杆批量切割装置 Download PDF

Info

Publication number
CN212682588U
CN212682588U CN202021319056.0U CN202021319056U CN212682588U CN 212682588 U CN212682588 U CN 212682588U CN 202021319056 U CN202021319056 U CN 202021319056U CN 212682588 U CN212682588 U CN 212682588U
Authority
CN
China
Prior art keywords
cylinder
cutting
pressing
pinch
sides
Prior art date
Legal status (The legal status is an assumption and is not a legal conclusion. Google has not performed a legal analysis and makes no representation as to the accuracy of the status listed.)
Active
Application number
CN202021319056.0U
Other languages
English (en)
Inventor
唐俊烈
赵品晓
来长妹
肖新华
黄志勇
Current Assignee (The listed assignees may be inaccurate. Google has not performed a legal analysis and makes no representation or warranty as to the accuracy of the list.)
Jiangxi Jinpintongye Science And Technology Co ltd
Original Assignee
Jiangxi Jinpintongye Science And Technology Co ltd
Priority date (The priority date is an assumption and is not a legal conclusion. Google has not performed a legal analysis and makes no representation as to the accuracy of the date listed.)
Filing date
Publication date
Application filed by Jiangxi Jinpintongye Science And Technology Co ltd filed Critical Jiangxi Jinpintongye Science And Technology Co ltd
Priority to CN202021319056.0U priority Critical patent/CN212682588U/zh
Application granted granted Critical
Publication of CN212682588U publication Critical patent/CN212682588U/zh
Active legal-status Critical Current
Anticipated expiration legal-status Critical

Links

Images

Landscapes

  • Jigs For Machine Tools (AREA)

Abstract

本实用新型公开了一种铜杆批量切割装置,包括机台、支架、支撑块、切割台、切割机构和夹送机构,机台的一侧设有支撑块、另一侧设有切割台,机台的后侧设有支架,支架包括垂直面板和顶板;支架上设有切割机构,切割机构包括竖导轨、滑板、电机、皮带、转轴、切割刀片和驱动滑板垂直升降的驱动装置,夹送机构包括光杆、夹送气缸和平移气缸,支撑块及切割台之间的前后方向上分别设有光杆,夹送气缸滑动安装在两光杆上,夹送气缸的输出轴上设有夹板,支撑块的外侧设有平移气缸,平移气缸的输出轴与夹送气缸连接。本实用新型通过夹送气缸及平移气缸可完成定长送料,减轻了工人的劳动强度,提高了加工效率,通过设置斜溜槽方便了切割料的收集。

Description

一种铜杆批量切割装置
技术领域
本实用新型涉及铜加工技术领域,具体是涉及一种铜杆批量切割装置。
背景技术
当前,企业生产的铜杆大多采用传统的手工切割的方法,操作工人需要将铜杆逐根进行标记,并且标记后还需逐根进行切断,加工过程繁琐、耗时长、效率较低,并且每切割一段都需要工人重新定位,操作过程非常繁琐。
实用新型内容
本实用新型的目的是克服现有技术的不足,提供一种铜杆批量切割装置。
本实用新型技术方案:
一种铜杆批量切割装置,包括机台、支架、支撑块、切割台、切割机构和夹送机构,所述机台的一侧设有支撑块、另一侧设有切割台,所述机台的后侧设有支架,所述支架包括垂直面板和顶板;支架上设有切割机构,所述切割机构包括竖导轨、滑板、电机、皮带、转轴、切割刀片和驱动滑板垂直升降的驱动装置,所述垂直面板的板面两侧分别设有竖导轨,竖导轨上滑动设有滑板,滑板的板面上侧设有电机,滑板的板面下侧设有朝前端凸出的轴座,转轴通过轴承座安装在轴座上,电机通过皮带与转轴连接驱动切割刀片旋转;
所述夹送机构包括光杆、夹送气缸和平移气缸,所述支撑块及切割台之间的前后方向上分别设有光杆,夹送气缸滑动安装在两光杆上,所述夹送气缸的输出轴上设有夹板,所述支撑块的外侧设有平移气缸,平移气缸的输出轴穿过支撑块与夹送气缸连接。
优选,所述切割台的中间设有对应切割刀片的切割槽,支撑块及切割台的上端面设有若干用于放置铜杆的半圆形放置槽。
优选,还包括压紧定位机构;所述压紧定位机构包括压紧气缸和压紧块,所述压紧气缸安装在机台上位于切割台的前侧,压紧气缸的输出轴上设有压紧块,压紧块的底部设有压紧槽。
优选,所述夹送气缸为双轴气缸,夹板的两端分别与夹送气缸的两个输出轴连接。
优选,所述驱动装置为油缸,油缸安装在顶板下部且油缸的输出轴与滑板的上端连接。
优选,所述切割台的外侧设有斜溜槽。
本实用新型结构简单、操作方便,可适用于批量切割作业,通过夹送气缸及平移气缸可完成定长送料,大大的减轻了工人的劳动强度,提高了加工效率,本实用新型通过油缸驱动滑板及切割刀片实现了铜杆的切断,通过设置压紧定位机构可以有效解决铜杆切割定位的问题,通过设置斜溜槽方便了切割料的收集。
附图说明
图1是本实用新型较佳实施例的结构示意图;
图2是本实用新型较佳实施例切割机构的结构示意图;
图3是本实用新型较佳实施例切割台的结构示意图;
图4是本实用新型较佳实施例夹送机构和压紧定位机构的结构示意图;
图5是本实用新型较佳实施例夹送气缸的结构示意图;
图6是本实用新型较佳实施例压紧气缸的主视图;
图7是本实用新型较佳实施例压紧气缸的侧视图;
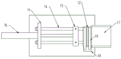
图中:机台1,支撑柱2,支架3,油缸4,竖导轨5,滑板6,电机7,皮带8,转轴9,切割刀片10,支撑块11,切割台12,铜杆13,光杆14,夹送气缸15,平移气缸16,斜溜槽17,压紧气缸18,压紧块19,轴座20,轴承座21,垂直面板31,顶板32,切割槽121,半圆形放置槽122,夹板151,压紧槽191。
具体实施方式
本实用新型通过下面的实施案例可以对本实用新型做进一步的描述,然而,本实用新型的范围并不限于下述实施例。
实施例:如图1——图6所示的一种铜杆批量切割装置,包括机台1、支架3、支撑块11、切割台12、切割机构和夹送机构,所述机台1的一侧设有支撑块11、另一侧设有切割台12,所述机台1的后侧设有支架3,所述支架3包括垂直面板31和顶板32;支架3上设有切割机构,所述切割机构包括竖导轨5、滑板6、电机7、皮带8、转轴9、切割刀片10和驱动滑板6垂直升降的驱动装置,所述垂直面板31的板面两侧分别设有竖导轨5,竖导轨5上滑动设有滑板6,滑板6的板面上侧设有电机7,滑板6的板面下侧设有朝前端凸出的轴座20,转轴9通过轴承座21安装在轴座20上,电机7通过皮带8与转轴9连接驱动切割刀片10旋转;
所述夹送机构包括光杆14、夹送气缸15和平移气缸16,所述支撑块11及切割台12之间的前后方向上分别设有光杆14,夹送气缸15滑动安装在两光杆14上,所述夹送气缸15的输出轴上设有夹板151,所述支撑块11的外侧设有平移气缸16,平移气缸16的输出轴穿过支撑块11与夹送气缸15连接。
优选,所述切割台12的中间设有对应切割刀片10的切割槽121,支撑块11及切割台12的上端面设有若干用于放置铜杆的半圆形放置槽122。进一步优选,支撑块11与切割台12的高度一致,支撑块11上的半圆形放置槽122与切割台12上的半圆形放置槽122的尺寸一致,优选,支撑块11上的半圆形放置槽122及切割台12上的半圆形放置槽122的数量相同,优选为3-5个,本实施例中显示为5个。
优选,还包括压紧定位机构;所述压紧定位机构包括压紧气缸18和压紧块19,所述压紧气缸18安装在机台1上位于切割台12的前侧,压紧气缸18的输出轴上设有压紧块19,压紧块19的底部设有与切割台12上的半圆形放置槽122配合的压紧槽191,优选压紧气缸18为双轴气缸,压紧气缸18的各输出轴上分别连接一压紧块19,两压紧块19分别对应切割台12的两侧。
优选,所述夹送气缸15为双轴气缸,夹板151的两端分别与夹送气缸15的两个输出轴连接。
优选,所述驱动装置为油缸4,油缸4安装在顶板32下部且油缸4的输出轴与滑板6的上端连接。
优选,所述切割台12的外侧设有斜溜槽17。
本实用新型工作过程:将铜杆13放在支撑块11及切割台12的半圆形放置槽122中,使铜杆13的头端对准切割刀片10的正下方,可利用切割槽121的中部位置为参考对齐,操作人员控制夹送气缸15收缩使夹板151下移将铜杆夹紧,控制平移气缸16伸长,平移气缸16带动夹送气缸15向右移动,从而使铜杆的待切割部位夹送至切割刀片10的正下方,控制压紧气缸18收缩,压紧气缸18收缩带动压紧块19下移将铜杆夹紧,夹紧到位后启动电机7,电机7通过皮带驱动转轴9旋转,从而带动切割刀片10旋转,然后操作人员控制油缸4向下伸长,油缸4向下伸长带动滑板6向下移动,从而使切割刀片10向下伸入切割槽121,从而完成一次切割作业,切割下来的铜杆会顺着斜溜槽17下溜进入收集箱,值得注意的是本实用新通过夹送气缸15及平移气缸16可完成定长送料大大的减轻了工人的劳动强度,半圆形放置槽122可以同时放置多根直径较小的铜杆,可以一次切割多根等长的铜杆,因此,可适用于批量切割作业。
以上显示和描述了本实用新型的基本原理和主要特征和本实用新型的优点,对于本领域技术人员而言,显然本实用新型不限于上述示范性实施例的细节,而且在不背离本实用新型的精神或基本特征的情况下,能够以其他的具体形式实现本实用新型。因此,无论从哪一点来看,均应将实施例看作是示范性的,而且是非限制性的,本实用新型的范围由所附权利要求而不是上述说明限定,因此旨在将落在权利要求的等同要件的含义和范围内的所有变化囊括在本实用新型内。不应将权利要求中的任何附图标记视为限制所涉及的权利要求。
此外,应当理解,虽然本说明书按照实施方式加以描述,但并非每个实施方式仅包含一个独立的技术方案,说明书的这种叙述方式仅仅是为清楚起见,本领域技术人员应当将说明书作为一个整体,各实施例中的技术方案也可以经适当组合,形成本领域技术人员可以理解的其他实施方式。

Claims (6)

1.一种铜杆批量切割装置,包括机台(1)、支架(3)、支撑块(11)、切割台(12)、切割机构和夹送机构,其特征在于,所述机台(1)的一侧设有支撑块(11)、另一侧设有切割台(12),所述机台(1)的后侧设有支架(3),所述支架(3)包括垂直面板(31)和顶板(32);支架(3)上设有切割机构,所述切割机构包括竖导轨(5)、滑板(6)、电机(7)、皮带(8)、转轴(9)、切割刀片(10)和驱动滑板(6)垂直升降的驱动装置,所述垂直面板(31)的板面两侧分别设有竖导轨(5),竖导轨(5)上滑动设有滑板(6),滑板(6)的板面上侧设有电机(7),滑板(6)的板面下侧设有朝前端凸出的轴座(20),转轴(9)通过轴承座(21)安装在轴座(20)上,电机(7)通过皮带(8)与转轴(9)连接驱动切割刀片(10)旋转;
所述夹送机构包括光杆(14)、夹送气缸(15)和平移气缸(16),所述支撑块(11)及切割台(12)之间的前后方向上分别设有光杆(14),夹送气缸(15)滑动安装在两光杆(14)上,所述夹送气缸(15)的输出轴上设有夹板(151),所述支撑块(11)的外侧设有平移气缸(16),平移气缸(16)的输出轴穿过支撑块(11)与夹送气缸(15)连接。
2.根据权利要求1所述的一种铜杆批量切割装置,其特征在于,所述切割台(12)的中间设有对应切割刀片(10)的切割槽(121),支撑块(11)及切割台(12)的上端面设有若干用于放置铜杆的半圆形放置槽(122)。
3.根据权利要求1所述的一种铜杆批量切割装置,其特征在于,还包括压紧定位机构;所述压紧定位机构包括压紧气缸(18)和压紧块(19),所述压紧气缸(18)安装在机台(1)上位于切割台(12)的前侧,压紧气缸(18)的输出轴上设有压紧块(19),压紧块(19)的底部设有压紧槽(191)。
4.根据权利要求1所述的一种铜杆批量切割装置,其特征在于,所述夹送气缸(15)为双轴气缸,夹板(151)的两端分别与夹送气缸(15)的两个输出轴连接。
5.根据权利要求1所述的一种铜杆批量切割装置,其特征在于,所述驱动装置为油缸(4),油缸(4)安装在顶板(32)下部且油缸(4)的输出轴与滑板(6)的上端连接。
6.根据权利要求1所述的一种铜杆批量切割装置,其特征在于,所述切割台(12)的外侧设有斜溜槽(17)。
CN202021319056.0U 2020-07-08 2020-07-08 一种铜杆批量切割装置 Active CN212682588U (zh)

Priority Applications (1)

Application Number Priority Date Filing Date Title
CN202021319056.0U CN212682588U (zh) 2020-07-08 2020-07-08 一种铜杆批量切割装置

Applications Claiming Priority (1)

Application Number Priority Date Filing Date Title
CN202021319056.0U CN212682588U (zh) 2020-07-08 2020-07-08 一种铜杆批量切割装置

Publications (1)

Publication Number Publication Date
CN212682588U true CN212682588U (zh) 2021-03-12

Family

ID=74896334

Family Applications (1)

Application Number Title Priority Date Filing Date
CN202021319056.0U Active CN212682588U (zh) 2020-07-08 2020-07-08 一种铜杆批量切割装置

Country Status (1)

Country Link
CN (1) CN212682588U (zh)

Cited By (2)

* Cited by examiner, † Cited by third party
Publication number Priority date Publication date Assignee Title
CN113829453A (zh) * 2021-10-27 2021-12-24 安徽德润工艺品有限公司 一种柳条用劈分装置及其使用方法
CN116117905A (zh) * 2023-02-07 2023-05-16 绍兴佳立管业有限公司 一种异型管切割夹具

Cited By (2)

* Cited by examiner, † Cited by third party
Publication number Priority date Publication date Assignee Title
CN113829453A (zh) * 2021-10-27 2021-12-24 安徽德润工艺品有限公司 一种柳条用劈分装置及其使用方法
CN116117905A (zh) * 2023-02-07 2023-05-16 绍兴佳立管业有限公司 一种异型管切割夹具

Similar Documents

Publication Publication Date Title
CN212682588U (zh) 一种铜杆批量切割装置
CN217617182U (zh) 一种光伏支架冲孔设备
CN109591199B (zh) 一种多主轴玻镁平板切边机及切边方法
CN109676050B (zh) 一种冲床自动上料装置
CN222327388U (zh) 一种门窗端面铣夹料机构
CN219464886U (zh) 一种铜管下料机
CN218988046U (zh) 一种文胸穿钢圈机的上料机构
CN219053122U (zh) 多功能板材倒角机
CN114535688B (zh) 一种防火窗原料切割装置
CN215316035U (zh) 一种自动切管机
CN112846431B (zh) 一种上下料装置、使用该装置的线切割机及线切割方法
CN213224018U (zh) 一种镦头弯管一体机自动取料系统
CN117299883A (zh) 一种可调节板材加工位置的折弯机
CN214079864U (zh) 一种用于铁蹄的焊接设备
CN221209479U (zh) 一种具有自传送功能的钣金折弯装置
CN219703680U (zh) 一种电子开料锯用切割装置
CN212682589U (zh) 一种铜杆批量切割装置
CN112792915A (zh) 一种曲线绕锯机
CN220330119U (zh) 一种施工用切割装置
CN118122865B (zh) 一种配电柜用金属板材的冲压机
CN223431275U (zh) 一种自动进给的工装夹具
CN222710707U (zh) 一种汇流条处理装置
CN222904330U (zh) 一种分离式全自动切割锯
CN222491606U (zh) 一种金属板料折弯机构
CN218252644U (zh) 一种铝钛硼丝生产用切断机

Legal Events

Date Code Title Description
GR01 Patent grant
GR01 Patent grant
TR01 Transfer of patent right
TR01 Transfer of patent right

Effective date of registration: 20241129

Address after: 344000 Jinpin Copper Industry Workshop 1, No. 2555 Wenchang Avenue, Fuzhou High tech Industrial Development Zone, Fuzhou City, Jiangxi Province

Patentee after: Jiangxi Jinhe Copper Industry Co.,Ltd.

Country or region after: China

Address before: 344000 west of Wenchang Avenue, high tech Industrial Park, Fuzhou City, Jiangxi Province

Patentee before: JIANGXI JINPINTONGYE SCIENCE AND TECHNOLOGY Co.,Ltd.

Country or region before: China

TR01 Transfer of patent right
TR01 Transfer of patent right

Effective date of registration: 20250114

Address after: 344000 No. 2555, Wenchang Avenue, Fuzhou high tech Industrial Development Zone, Jiangxi Province

Patentee after: JIANGXI JINPINTONGYE SCIENCE AND TECHNOLOGY Co.,Ltd.

Country or region after: China

Address before: 344000 Jinpin Copper Industry Workshop 1, No. 2555 Wenchang Avenue, Fuzhou High tech Industrial Development Zone, Fuzhou City, Jiangxi Province

Patentee before: Jiangxi Jinhe Copper Industry Co.,Ltd.

Country or region before: China