CN212605061U - 一种液压刹车系统 - Google Patents

一种液压刹车系统 Download PDF

Info

Publication number
CN212605061U
CN212605061U CN202020895737.5U CN202020895737U CN212605061U CN 212605061 U CN212605061 U CN 212605061U CN 202020895737 U CN202020895737 U CN 202020895737U CN 212605061 U CN212605061 U CN 212605061U
Authority
CN
China
Prior art keywords
valve
braking
port
brake
cylinder
Prior art date
Legal status (The legal status is an assumption and is not a legal conclusion. Google has not performed a legal analysis and makes no representation as to the accuracy of the status listed.)
Active
Application number
CN202020895737.5U
Other languages
English (en)
Inventor
杜永胜
刘小正
羊怀茂
赵全婧
孙景林
梁冬冬
马锐
陈晋
崇富权
张益民
吴育
柳朝郸
林文
Current Assignee (The listed assignees may be inaccurate. Google has not performed a legal analysis and makes no representation or warranty as to the accuracy of the list.)
Institute of Science and Technology of China Railway Xian Group Co Ltd
Original Assignee
Institute of Science and Technology of China Railway Xian Group Co Ltd
Priority date (The priority date is an assumption and is not a legal conclusion. Google has not performed a legal analysis and makes no representation as to the accuracy of the date listed.)
Filing date
Publication date
Application filed by Institute of Science and Technology of China Railway Xian Group Co Ltd filed Critical Institute of Science and Technology of China Railway Xian Group Co Ltd
Priority to CN202020895737.5U priority Critical patent/CN212605061U/zh
Application granted granted Critical
Publication of CN212605061U publication Critical patent/CN212605061U/zh
Active legal-status Critical Current
Anticipated expiration legal-status Critical

Links

Images

Landscapes

  • Valves And Accessory Devices For Braking Systems (AREA)
  • Braking Systems And Boosters (AREA)

Abstract

本实用新型提供了一种液压刹车系统,属于液压控制技术领域,该刹车系统包括液压油箱、齿轮泵、充液阀、蓄能器、刹车阀、驻车制动油缸和行车制动油缸,其中,驻车制动油缸用于车辆停止时的制动,行车制动油缸用于车辆行驶过程中的制动,该系统配置有蓄能器,当蓄能器达到预设压力后,液压油直接导通至其他系统或者接回油箱,同时,该系统的充液阀内配置有用于紧急制动用的电磁换向阀和用于解除应急制动的手动泵,该系统一方面能够节约整机功率,另一方面具备较高的安全系数,具备良好的应用前景。

Description

一种液压刹车系统
技术领域
本实用新型属于液压控制技术领域,尤其涉及一种液压刹车系统。
背景技术
传统机械传动车辆行走制动器包括盘式制动器或鼓式制动器,上述制动器都直接安装在车轮上,停车和应急制动器则安装在变速箱与驱动桥之间。行车制动一般都是通过脚踏板、机械拉杆、软轴或者液压管路等作为传力器或者助力装置,驻车制动只能用软轴或者机械拉杆操作。传统的制动方式制动力都和行走速度有关,无法独立使车辆完全停止,只能作为辅助制动装置来使用。一般不具备发动机突然熄火后自动完成保护性制动的功能。实际上,问题经常出现在缺少压力能源无法解除制动,故障时车辆无法拖走。
实用新型内容
针对上述缺陷,本实用新型设计了一种新型液压刹车系统,配置有蓄能器,当蓄能器达到预设压力后,液压油直接导通至其他系统或者接回油箱,同时,该系统的充液阀内配置有用于紧急制动用的电磁换向阀和用于解除应急制动的手动泵,该系统一方面能够节约整机功率,另一方面具备较高的安全系数,具备良好的应用前景。
为达到上述目的,本实用新型的实施例采用如下技术方案:
一种液压刹车系统包括液压油箱、齿轮泵、充液阀、蓄能器、刹车阀、驻车制动油缸和行车制动油缸,其中:所述齿轮泵作为刹车动力源,齿轮泵的进油口连通液压油箱,齿轮泵的出油口连通充液阀;所述充液阀作为高压油分配阀,将齿轮泵的高压油适时、适压的分配至蓄能器、刹车阀和驻车制动油缸;所述蓄能器作为刹车系统中的储存能量、用于快速制动和解除制动的动力源;所述刹车阀将充液阀分配的高压油适时传递至行车制动油缸、用于整车行驶过程中的制动;所述驻车制动油缸用于整车停止过程中的制动。
优选的,所述充液阀包括弹簧截止阀、主溢流阀、卸荷阀、手动泵、单向阀和电磁换向阀,其中:所述弹簧截止阀设置在充液阀的P口和P1口之间;所述主溢流阀设置在充液阀的P口和T口之间;所述卸荷阀设置在弹簧截止阀的控制端和充液阀的T口之间;所述手动泵设置在充液阀的G口和T口之间;所述单向阀设置在充液阀的P口和AC口之间;所述电磁换向阀的第一进油口通过单向阀连通充液阀的AC口,电磁换向阀的第二进油口连通充液阀的T口,电磁换向阀的出油口连通充液阀的BK口。
优选的,所述充液阀还包括压力传感器,所述压力传感器用于实时检测蓄能器的压力。
优选的,所述刹车阀为三位三通控制阀。
本实用新型的一种液压刹车系统具有以下有益效果:
(1)该系统具备驻车制动功能和行车主动功能,驻车制动油缸用于车辆停止时的制动,行车制动油缸用于车辆行驶过程中的制动;
(2)该系统配置有蓄能器,当蓄能器达到预设压力后,液压油直接导通至其他系统或者接回油箱,能够节约整机功率。
(3)该系统的蓄能器能够用于快速制动和解除制动的动力源。在应急状况下,当设备由于长时间放置,加上液压阀的泄漏,导致蓄能器压力降为零,而且设备无法启动,电瓶也没有电等情况,通过手动泵加可以解除制动,即可实现短距离的设备拖移。
(4)该系统的充液阀内配置有用于紧急制动用的电磁换向阀,当需要紧急制动时,可通过让充液阀的电磁换向阀失电,此时驻车制动油缸通过内部弹簧将驻车制动油缸内的液压油排出,驻车制动启动,即可实现紧急制动。
附图说明
图1为本实用新型的整体结构示意图;
图2为本实用新型的充液阀整体结构示意图;
图3为本实用新型的刹车阀结构示意图;
图4为本实用新型的EV弹簧截止阀结构示意图;
图5为本实用新型的UP卸荷阀结构示意图;
图6为本实用新型的蓄能器充液液压油流向示意图;
图7为本实用新型的正常行驶液压油流向示意图;
图8为本实用新型的蓄能器制动工况下液压油流向示意图;
图9为本实用新型的驻车状态下液压油流向示意图;
图10为本实用新型的应急制动液压油流向示意图.
图中,1-液压油箱、2-齿轮泵、3-充液阀、4-蓄能器、5-刹车阀、6-驻车制动油缸、7-行车制动油缸。
具体实施方式
在本实用新型的描述中,需要理解的是,术语“中心”、“上”、
“下”、“前”、“后”、“左”、“右”、“竖直”、“水平”、“顶”、“底”、“内”、
“外”等指示的方位或位置关系为基于附图所示的方位或位置关系,仅是为了便于描述本实用新型和简化描述,而不是指示或暗示所指的装置或元件必须具有特定的方位、以特定的方位构造和操作,因此不能理解为对本实用新型的限制。术语“第一”、
“第二”仅用于描述目的,而不能理解为指示或暗示相对重要性或者隐含指明所指示的技术特征的数量。由此,限定有“第一”、
“第二”的特征可以明示或者隐含地包括一个或者更多个该特征。在本实用新型的描述中,除非另有说明,“多个”的含义是两个或两个以上。
根据附图所示,对本实用新型进行进一步说明:
如图1所示,该液压刹车系统包括液压油箱1、齿轮泵2、充液阀3、蓄能器4、刹车阀5、驻车制动油缸6和行车制动油缸7,图中,齿轮泵2作为刹车动力源,齿轮泵2的进油口连通液压油箱1,齿轮泵2的出油口连通充液阀3;充液阀3作为高压油分配阀,将齿轮泵2的高压油适时、适压的分配至蓄能器4、刹车阀5和驻车制动油缸6;蓄能器4作为刹车系统中的储存能量、用于快速制动和解除制动的动力源;刹车阀5将充液阀3分配的高压油适时传递至行车制动油缸7、用于整车行驶过程中的制动;驻车制动油缸6用于整车停止过程中的制动。
具体的,当需要正常制动时,在设备正常运行状态下,通过踩下刹车阀,齿轮泵2从液压油箱1内抽取油液,经过充液阀3,一边给蓄能器4充液,一边通过刹车阀5输送至行车制动油缸7,即可实现行车制动;当需要紧急制动时,可通过让充液阀3电磁换向阀SV失电,此时驻车制动油缸7通过内部弹簧将驻车制动油缸内的液压油排出,驻车制动启动,即可实现紧急制动。
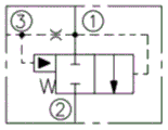
如图2至图5所示,充液阀3包括弹簧截止阀EV、主溢流阀RV、卸荷阀UP、手动泵PM、单向阀OV和电磁换向阀SV,其中:弹簧截止阀EV设置在充液阀3的P口和P1口之间;主溢流阀RV设置在充液阀3的P口和T口之间;卸荷阀UP设置在弹簧截止阀EV的控制端和充液阀3的T口之间;手动泵PM设置在充液阀3的G口和T口之间;单向阀OV设置在充液阀3的P口和AC口之间;电磁换向阀SV的第一进油口通过单向阀OV连通充液阀3的AC口,电磁换向阀SV的第二进油口连通充液阀3的T口,电磁换向阀SV的出油口连通充液阀3的BK口。
具体的,图中充液阀3还包括压力传感器PS,压力传感器PS用于实时检测蓄能器4的压力。
需要说明的是,液压油存放于容器液压油箱1内,通过管路连通至齿轮泵2增压,高压油通过管路连通至充液阀3的P口,充液阀3的P1口通过管路连接至其他分配阀,用于执行其他动作,充液阀3的AC口通过管路连通至蓄能器,充液阀3的A口通过管路连通至刹车阀5的P口,刹车阀5的T口通过管路连通至液压油箱1,刹车阀5的A口通过管路连通至行车制动油缸7,充液阀3的BK口通过管路连通至驻车制动油缸6。
需要进一步说明的是,弹簧截止阀EV中当3口处于零压状态,并且通过1和3口之间的节流孔产生压差大于弹簧预紧力,阀芯移动至1和2常通位置。主溢流阀RV中当系统压力超过预设值,系统卸荷,保护液压泵。UP卸荷阀中当1口没有压力情况下,2口到3口油路封闭,当1口压力达到阀的预设卸荷值时,2口到3口油路打开。手动泵PM中用于整机失去动力,蓄能器压力泄漏完,需要拖车的情况下,可通过手动泵给系统加压。
实际工作过程如图6至图10所示:
开机状态下,高压油经过单向阀充入蓄能器4进行充液,当压力达到15MPa时,UP卸荷阀1口压力15MPa,UP卸荷阀2口和3口导通,EV弹簧截止阀3口通过UP卸荷阀2口和3和油箱导通,处于零压,EV弹簧截止阀阀芯移动至1和2常通位置,高压油通过EV弹簧截止阀1口和2口供给其它工作装置。
正常行驶过程中,由于整机采用的是驻车制动变速箱,需要SV电磁换向阀得电,解除驻车,即接触制动变速箱上驻车制动油缸6。此时蓄能器高压油通过充液阀上单向阀,进入SV电磁阀,驱动驻车制动油缸松开,解除驻车制动。行车制动油缸7在弹簧力的作用下打开,通过刹车阀与油箱接通。
正常行驶,蓄能器制动过程中,驻车制动油缸7打开,通过操作刹车阀5,蓄能器4中液压油通过管路导通至刹车阀5,刹车阀5分配高压油至行车制动油缸7,对整机进行刹车,当UP卸荷阀压力由于行车刹车消耗,蓄能器压力低于12MPa时,UP卸荷阀2口和3口截止,EV弹簧截止阀3口封闭,处于高压,EV弹簧截止阀阀芯移动至1和2截止位置,液压泵2优先给蓄能器4充液,直至系统压力大于15MPa时,高压油通过EV弹簧截止阀1口和2口重新供给其它工作装置。
驻车状态下,充液阀3SV电磁阀电磁铁失电,驻车制动油缸6中高压油通过充液阀3SV电磁阀,通回油箱,整车制动。此时行车制动油缸6松开,解除行车制动。
应急状态下,发动机熄火,需要拖车,给充液阀3SV电磁阀电磁铁通电,蓄能器4高压油通过充液阀3SV电磁阀,驱动驻车制动油缸6解除制动,可以实现自由拖车。拖车过程中,根据需要,可根据需要操作刹车阀对整车进行行车制动通过操作刹车阀5,蓄能器4中液压油通过管路导通至刹车阀5,刹车阀5分配高压油至行车制动油缸7,对整机进行刹车。
当整机失去动力,蓄能器压力泄漏完,仍然需要拖车的情况下,可通过手动泵给系统加压,用于实现二次应急。二次应急过程中,无法实现行车制动,只能解除驻车制动。
最后应说明的是:以上实施例仅用以说明本实用新型的技术方案,而非对其限制;尽管参照前述实施例对本实用新型进行了详细的说明,本领域的普通技术人员应当理解:其依然可以对前述各实施例所记载的技术方案进行修改,或者对其中部分技术特征进行等同替换;而这些修改或者替换,并不使相应技术方案的本质脱离本实用新型各实施例技术方案的精神和范围。

Claims (4)

1.一种液压刹车系统,其特征在于,包括液压油箱(1)、齿轮泵(2)、充液阀(3)、蓄能器(4)、刹车阀(5)、驻车制动油缸(6)和行车制动油缸(7),其中:
所述齿轮泵(2)作为刹车动力源,齿轮泵(2)的进油口连通液压油箱(1),齿轮泵(2)的出油口连通充液阀(3);
所述充液阀(3)作为高压油分配阀,将齿轮泵(2)的高压油适时、适压的分配至蓄能器(4)、刹车阀(5)和驻车制动油缸(6);
所述蓄能器(4)作为刹车系统中的储存能量、用于快速制动和解除制动的动力源;
所述刹车阀(5)将充液阀(3)分配的高压油适时传递至行车制动油缸(7)、用于整车行驶过程中的制动;
所述驻车制动油缸(6)用于整车停止过程中的制动。
2.根据权利要求1所述的液压刹车系统,其特征在于,所述充液阀(3)包括弹簧截止阀(EV)、主溢流阀(RV)、卸荷阀(UP)、手动泵(PM)、单向阀(OV)和电磁换向阀(SV),其中:
所述弹簧截止阀(EV)设置在充液阀(3)的P口和P1口之间;
所述主溢流阀(RV)设置在充液阀(3)的P口和T口之间;
所述卸荷阀(UP)设置在弹簧截止阀(EV)的控制端和充液阀(3)的T口之间;
所述手动泵(PM)设置在充液阀(3)的G口和T口之间;
所述单向阀(OV)设置在充液阀(3)的P口和AC口之间;
所述电磁换向阀(SV)的第一进油口通过单向阀(OV)连通充液阀(3)的AC口,电磁换向阀(SV)的第二进油口连通充液阀(3)的T口,电磁换向阀(SV)的出油口连通充液阀(3)的BK口。
3.根据权利要求1所述的液压刹车系统,其特征在于,所述充液阀(3)还包括压力传感器(PS),所述压力传感器(PS)用于实时检测蓄能器(4)的压力。
4.根据权利要求1所述的液压刹车系统,其特征在于,所述刹车阀(5)为三位三通控制阀。
CN202020895737.5U 2020-05-25 2020-05-25 一种液压刹车系统 Active CN212605061U (zh)

Priority Applications (1)

Application Number Priority Date Filing Date Title
CN202020895737.5U CN212605061U (zh) 2020-05-25 2020-05-25 一种液压刹车系统

Applications Claiming Priority (1)

Application Number Priority Date Filing Date Title
CN202020895737.5U CN212605061U (zh) 2020-05-25 2020-05-25 一种液压刹车系统

Publications (1)

Publication Number Publication Date
CN212605061U true CN212605061U (zh) 2021-02-26

Family

ID=74750523

Family Applications (1)

Application Number Title Priority Date Filing Date
CN202020895737.5U Active CN212605061U (zh) 2020-05-25 2020-05-25 一种液压刹车系统

Country Status (1)

Country Link
CN (1) CN212605061U (zh)

Cited By (3)

* Cited by examiner, † Cited by third party
Publication number Priority date Publication date Assignee Title
CN113859212A (zh) * 2021-11-15 2021-12-31 南京恒天领锐汽车有限公司 一种多安全保障的防爆纯电动suv全液压制动系统
CN115163589A (zh) * 2022-08-03 2022-10-11 成都立航科技股份有限公司 一种控制车辆轮组制动的电液刹车系统
CN116771735A (zh) * 2023-05-11 2023-09-19 国能神东煤炭集团有限责任公司 一种液压控制阀组及液压驱动系统

Cited By (3)

* Cited by examiner, † Cited by third party
Publication number Priority date Publication date Assignee Title
CN113859212A (zh) * 2021-11-15 2021-12-31 南京恒天领锐汽车有限公司 一种多安全保障的防爆纯电动suv全液压制动系统
CN115163589A (zh) * 2022-08-03 2022-10-11 成都立航科技股份有限公司 一种控制车辆轮组制动的电液刹车系统
CN116771735A (zh) * 2023-05-11 2023-09-19 国能神东煤炭集团有限责任公司 一种液压控制阀组及液压驱动系统

Similar Documents

Publication Publication Date Title
CN109249918B (zh) 液压制动系统和车辆
CN212605061U (zh) 一种液压刹车系统
CN102673779B (zh) 用于制动飞机的至少一个机轮的飞机液压制动结构
CN103264691B (zh) 集装箱空箱堆高机的制动系统
CN201712591U (zh) 一种电动叉车的制动系统
CN102785652B (zh) 一种轮式工程机械综合控制系统
CN114179907B (zh) 一种电动工业车辆液压转向和驻车制动控制液压系统
CN105946830A (zh) 液压制动系统及工程车辆
CN201745568U (zh) 重型矿用自卸车制动控制系统
CN202764956U (zh) 轮式工程机械综合控制系统
CN205478612U (zh) 一种工程机械液压制动系统
CN201991861U (zh) 用于重型叉车液压系统的集成阀组块
CN114954398A (zh) 一种液压制动控制系统
CN209458206U (zh) 一种手动/自动一体的双路旋转轴制动液压系统
CN112477912B (zh) 一种轨道车辆无源制动系统
CN203268024U (zh) 集装箱空箱堆高机的制动系统
CN223266769U (zh) 驻车制动系统和农业机械
CN220465472U (zh) 液压驻车制动系统及作业机械
CN217099940U (zh) 一种驻车制动控制系统
CN201970986U (zh) 匹配多功能湿式制动器的叉车液压系统
CN216922724U (zh) 一种调度绞车用多工况制动液压系统
CN111497808B (zh) 一种集成驻车制动的线控制动系统及其控制方法
CN221969531U (zh) 一种无人牵引叉车驻车制动系统
CN110541856B (zh) 一种无人操作自动控制的叉车制动液压系统
CN109835321B (zh) 履带式装载机液压驻车制动解除方法

Legal Events

Date Code Title Description
GR01 Patent grant
GR01 Patent grant