CN212561172U - 胎架结构、胎架组件及组装结构 - Google Patents
胎架结构、胎架组件及组装结构 Download PDFInfo
- Publication number
- CN212561172U CN212561172U CN202020182334.6U CN202020182334U CN212561172U CN 212561172 U CN212561172 U CN 212561172U CN 202020182334 U CN202020182334 U CN 202020182334U CN 212561172 U CN212561172 U CN 212561172U
- Authority
- CN
- China
- Prior art keywords
- steel
- jig frame
- support plate
- plate
- fixedly connected
- Prior art date
- Legal status (The legal status is an assumption and is not a legal conclusion. Google has not performed a legal analysis and makes no representation as to the accuracy of the status listed.)
- Active
Links
Images
Landscapes
- Bridges Or Land Bridges (AREA)
Abstract
本申请公开了一种胎架结构、胎架组件及组装结构,该胎架结构,包括:用于支撑钢箱梁的架体,以使多个钢箱梁在距离地面100cm以下位置进行拼装,架体下端用于与固定面固定连接。本申请解决相关技术中钢箱梁因高空拼装而导致的拼装精度低,施工安全风险大,施工效率低的问题。
Description
技术领域
本申请涉及钢箱梁胎架领域,具体而言,涉及一种胎架结构、胎架组件及组装结构。
背景技术
钢混组合梁钢梁部分为直腹板开口钢箱,通过箱间联梁连接为三箱结构,顶部设置剪力钉与桥面板进行有效连接。安装方式主要采用搭设临时支墩、平地起吊、整体现浇混凝土桥面板的施工方法,由于钢混组合梁架设在高空中,在进行高空钢箱梁拼装时,拼装精度难以控制,施工安全风险大,且在进行高空拼装时需要架设多个支架,导致支架材料投入大,施工效率低。
针对相关技术中钢箱梁因高空拼装而导致的拼装精度低,施工安全风险大,施工效率低的问题,目前尚未提出有效的解决方案。
实用新型内容
本申请的主要目的在于提供一种胎架结构、胎架组件及组装结构,以解决相关技术中钢箱梁因高空拼装而导致的拼装精度低,施工安全风险大,施工效率低的问题。
为了实现上述目的,本申请提供了一种胎架结构,该胎架结构,包括:用于支撑钢箱梁的架体,以使多个钢箱梁在距离地面100cm以下位置进行拼装,架体下端用于与固定面固定连接。
进一步的,架体上端设有缓冲件,所述缓冲件用于与钢箱梁直接接触。
进一步的,架体包括依次设置的支撑板一、立柱、支撑板二和承重件,所述支撑板一用于与固定面可拆卸固定连接,所述缓冲件设于所述承重件上端;其中,所述缓冲件设为橡胶垫。
进一步的,支撑板一设为钢板法兰盘,所述钢板法兰盘与固定面通过地脚螺栓固定连接;所述立柱设为钢管,所述钢管上下两端分别与支撑板一和支撑板二固定连接;所述支撑板二设为与钢管上端焊接的圆形钢板;其中,所述钢管与所述支撑板一和支撑板二同轴线设置。
进一步的,钢管与支撑板一之间、钢管与支撑板二之间设有多个加劲肋,所述加劲肋沿钢管周向均匀分布。
进一步的,承重件包括设于支撑板二上端面的工字钢以及设于工字钢上端面的调节钢板,所述工字钢位于所述支撑板二中部,所述缓冲件设于所述调节钢板上端面。
一种胎架组件,其特征在于,包括至少两个胎架结构,至少两所述胎架结构通过连接件固定连接。
进一步的,连接件设为工字钢横联,所述工字钢横联的两端分别相邻架体固定连接。
一种组装结构,其特征在于,包括依次设置的多个钢箱梁,每个所述钢箱梁下端均设有至少一个胎架结构,所述胎架结构的上端与所述钢箱梁下端连接。
进一步的,胎架结构至少设置为两个,至少两所述胎架结构通过连接件固定连接,胎架结构设于钢箱梁横隔板下方,相邻钢箱梁通过横梁栓接。
在本申请实施例中,采用在地面安装用于钢箱梁低空拼装的架体的方式,通过在固定面上固定用于支撑钢箱梁的架体,且使得多个钢箱梁可在距离地面100cm以下的位置进行拼装,达到了使钢箱梁在距离地面较低的位置进行拼装的目的,从而实现了提高钢箱梁的拼接精度,降低施工安全风险,减少支架投入,提高施工效率的技术效果,进而解决了相关技术中钢箱梁因高空拼装而导致的拼装精度低,施工安全风险大,施工效率低的问题。
附图说明
构成本申请的一部分的附图用来提供对本申请的进一步理解,使得本申请的其它特征、目的和优点变得更明显。本申请的示意性实施例附图及其说明用于解释本申请,并不构成对本申请的不当限定。在附图中:
图1是根据本申请实施例的结构示意图;
图2是图1中A-A的剖视结构示意图;
图3是是本申请实施例中架体的结构示意图;
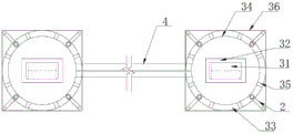
其中,1固定面,2地脚螺栓,3架体,31缓冲件,32承重件,33支撑板二,34立柱,35加劲肋,36支撑板一,4连接件,5钢箱梁。
具体实施方式
为了使本技术领域的人员更好地理解本申请方案,下面将结合本申请实施例中的附图,对本申请实施例中的技术方案进行清楚、完整地描述,显然,所描述的实施例仅仅是本申请一部分的实施例,而不是全部的实施例。基于本申请中的实施例,本领域普通技术人员在没有做出创造性劳动前提下所获得的所有其他实施例,都应当属于本申请保护的范围。
需要说明的是,本申请的说明书和权利要求书及上述附图中的术语“第一”、“第二”等是用于区别类似的对象,而不必用于描述特定的顺序或先后次序。应该理解这样使用的数据在适当情况下可以互换,以便这里描述的本申请的实施例。
在本申请中,术语“上”、“下”、“内”、等指示的方位或位置关系为基于附图所示的方位或位置关系。这些术语主要是为了更好地描述本申请及其实施例,并非用于限定所指示的装置、元件或组成部分必须具有特定方位,或以特定方位进行构造和操作。
并且,上述部分术语除了可以用于表示方位或位置关系以外,还可能用于表示其他含义,例如术语“上”在某些情况下也可能用于表示某种依附关系或连接关系。对于本领域普通技术人员而言,可以根据具体情况理解这些术语在本申请中的具体含义。
此外,术语“设置”、“设有”、“连接”、“固定”等应做广义理解。例如,“连接”可以是固定连接,可拆卸连接,或整体式构造;可以是机械连接,或电连接;可以是直接相连,或者是通过中间媒介间接相连,又或者是两个装置、元件或组成部分之间内部的连通。对于本领域普通技术人员而言,可以根据具体情况理解上述术语在本申请中的具体含义。
另外,术语“多个”的含义应为两个以及两个以上。
需要说明的是,在不冲突的情况下,本申请中的实施例及实施例中的特征可以相互组合。下面将参考附图并结合实施例来详细说明本申请。
如图1至图3所示,本申请实施例提供了一种胎架结构,包括:用于支撑钢箱梁5的架体3,以使多个钢箱梁5在距离地面100cm以下位置进行拼装,架体3下端用于与固定面1固定连接。
本实施例中,通过架体3对钢箱梁5进行支撑,使钢箱梁5在距离地面100cm的位置进行拼装施工,包括桥面板固定和湿接缝施工等等,钢箱梁5距离地面的高度由架体3的高度控制,优选为40-80cm或60cm,便于施工,降低施工风险,由于减少了支架的搭建,使得施工效率得到有效提高,并且节省了支架材料,降低施工成本,架体3下端与固定面1固定,固定面1可为硬度较高的地面或浇筑后的混凝土地面,优选为浇筑后硬度达标的混凝土地面,避免架体3下沉。
如图1至图3所示,架体3上端设有缓冲件31,缓冲件31用于与钢箱梁5直接接触。
如图1至图3所示,架体3包括依次设置的支撑板一36、立柱34、支撑板二33和承重件32,支撑板一36用于与固定面1可拆卸固定连接,缓冲件31设于承重件32上端;其中,缓冲件31设为橡胶垫。
具体的,需要说明的是,架体3由支撑板一36和设于支撑板一36上的立柱34,设于立柱34上的支撑板二33和设于支撑板二33上的承重件32共同构成,支撑板一36与固定面1连接,固定面1可为混凝土硬化地面,从而提供良好的支撑能力,支撑板一36与固定面1采用可拆卸连接,便于整个架体3的安装和拆卸,使架体3可重复利用,立柱34设于支撑板一36上,可与支撑板一36焊接,立柱34与支撑板二33焊接,承重件32上端的缓冲件31与钢箱梁5下端直接接触,通过缓冲件31将钢箱梁5在安装时造成的冲击力缓冲,保障结构完整,缓冲件31可设为橡胶垫,获取容易,缓冲效果好,承重件32用于将钢箱梁5的重力分配到立柱34上,承重件32可采用支撑力较强的结构。
如图1至图3所示,支撑板一36设为钢板法兰盘,钢板法兰盘与固定面1通过地脚螺栓2固定连接;立柱34设为钢管,钢管上下两端分别与支撑板一36和支撑板二33固定连接;支撑板二33设为与钢管上端焊接的圆形钢板;其中,钢管与支撑板一36和支撑板二33同轴线设置。
具体的,需要说明的是,支撑板一36采用钢板法兰盘,固定面1采用混凝土硬化地面,且可在固定面1内埋设与钢板法兰盘匹配的预埋钢板,通过钢板法兰盘与预埋钢板通过地脚螺栓2法兰连接,进一步提高连接强度,立柱34采用钢管设置,钢管的尺寸设为钢管的材质为Q235B,故[σ]=170MPa,[τ]=117MPa;
计算得钢管截面积A=105.055cm2=0.0105055m2;
钢管的回转半径:i=14.781cm;
本钢梁支撑高度H为50cm,则L0=H=50cm;
单根钢管的允许支撑力:
钢管柱支座受力计算:N=1.2×265/26T=12.2T<143.2T,满足要求。
并且钢管、支撑板一36和支撑板二33同轴线设置,使得三者受力更为均匀,保障架体3使用稳定性。
如图1至图3所示,钢管与支撑板一36之间、钢管与支撑板二33之间设有多个加劲肋35,加劲肋35沿钢管周向均匀分布。
具体的,需要说明的是,通过加劲肋35进一步提高钢管与支撑板一36之间、钢管与支撑板二33之间的连接强度,从而提高架体3的整体结构强度。
如图1至图3所示,承重件32包括设于支撑板二33上端面的工字钢以及设于工字钢上端面的调节钢板,工字钢位于支撑板二33中部,缓冲件31设于调节钢板上端面。
具体的,需要说明的是,工字钢具有良好的承重能力,且重量轻,为进一步提高承重能力,工字钢可采用双拼工字钢,工字钢位于支撑板二33中部,使得工字钢与支撑板二33同轴线设置,从而受力更为均匀,工字钢上放置调节钢板,从而钢箱梁5的标高进行细微调节,调节钢板的数量和尺寸可视施工情况而且,此处不做限制。
如图1至图3所示,本申请实施例提供了一种胎架组件,包括至少两个胎架结构,至少两胎架结构通过连接件4固定连接。
具体的,需要说明的是,本实施中,胎架组件由至少两个胎架结构构成,每个胎架组件对一个钢箱梁5进行支撑,从而通过至少两个胎架结构对钢箱梁5承重,保障使用过程的稳定性,且胎架结构之间通过连接件4固定,达到防止胎架结构使用过程中发生倾覆的问题。
如图1至图3所示,连接件4设为工字钢横联,工字钢横联的两端分别相邻架体3固定连接。
具体的,需要说明的是,工字钢横联具有较强的结构强度,两端分别与对应的架体3固定,防止胎架结构使用过程中发生倾覆。
如图1至图3所示,本申请实施例提供了一种组装结构,包括依次设置的多个钢箱梁5,每个钢箱梁5下端均设有至少一个胎架结构,胎架结构的上端与钢箱梁5下端连接,胎架结构至少设置为两个,至少两胎架结构通过连接件4固定连接,胎架结构设于钢箱梁5横隔板下方,相邻钢箱梁5通过横梁栓接。
具体的,需要说明的是,钢箱梁5沿水平方向依次架设在胎架结构上,即架设在架体3上,胎架结构至少设为两个,使得钢箱梁5的载荷分布在至少两个胎架结构上,保障使用稳定性,胎架结构通过连接件4固定,避免在使用过程中发生倾覆,相邻钢箱梁5通过横梁栓接,增加钢箱梁5拼装后的结构强度。
以上所述仅为本申请的优选实施例而已,并不用于限制本申请,对于本领域的技术人员来说,本申请可以有各种更改和变化。凡在本申请的精神和原则之内,所作的任何修改、等同替换、改进等,均应包含在本申请的保护范围之内。
Claims (9)
1.一种胎架结构,其特征在于,包括:用于支撑钢箱梁的架体,以使多个钢箱梁在距离地面100cm以下位置进行拼装,架体下端用于与固定面固定连接;
所述架体上端设有缓冲件,所述缓冲件用于与钢箱梁直接接触。
2.根据权利要求1所述的胎架结构,其特征在于,所述架体包括依次设置的支撑板一、立柱、支撑板二和承重件,所述支撑板一用于与固定面可拆卸固定连接,所述缓冲件设于所述承重件上端;其中,
所述缓冲件设为橡胶垫。
3.根据权利要求2所述的胎架结构,其特征在于,所述支撑板一设为钢板法兰盘,所述钢板法兰盘与固定面通过地脚螺栓固定连接;
所述立柱设为钢管,所述钢管上下两端分别与支撑板一和支撑板二固定连接;
所述支撑板二设为与钢管上端焊接的圆形钢板;其中,
所述钢管与所述支撑板一和支撑板二同轴线设置。
4.根据权利要求3所述的胎架结构,其特征在于,所述钢管与支撑板一之间、钢管与支撑板二之间设有多个加劲肋,所述加劲肋沿钢管周向均匀分布。
5.根据权利要求4所述的胎架结构,其特征在于,所述承重件包括设于支撑板二上端面的工字钢以及设于工字钢上端面的调节钢板,所述工字钢位于所述支撑板二中部,所述缓冲件设于所述调节钢板上端面。
6.一种胎架组件,其特征在于,包括至少两个如权利要求1至5任一项所述的胎架结构,至少两所述胎架结构通过连接件固定连接。
7.根据权利要求6所述的胎架组件,其特征在于,所述连接件设为工字钢横联,所述工字钢横联的两端分别相邻架体固定连接。
8.一种组装结构,其特征在于,包括依次设置的多个钢箱梁,每个所述钢箱梁下端均设有至少一个如权利要求1至5任一项所述的胎架结构,所述胎架结构的上端与所述钢箱梁下端连接。
9.根据权利要求8所述的组装结构,其特征在于,所述胎架结构至少设置为两个,至少两所述胎架结构通过连接件固定连接,胎架结构设于钢箱梁横隔板下方,相邻钢箱梁通过横梁栓接。
Priority Applications (1)
| Application Number | Priority Date | Filing Date | Title |
|---|---|---|---|
| CN202020182334.6U CN212561172U (zh) | 2020-02-18 | 2020-02-18 | 胎架结构、胎架组件及组装结构 |
Applications Claiming Priority (1)
| Application Number | Priority Date | Filing Date | Title |
|---|---|---|---|
| CN202020182334.6U CN212561172U (zh) | 2020-02-18 | 2020-02-18 | 胎架结构、胎架组件及组装结构 |
Publications (1)
| Publication Number | Publication Date |
|---|---|
| CN212561172U true CN212561172U (zh) | 2021-02-19 |
Family
ID=74617968
Family Applications (1)
| Application Number | Title | Priority Date | Filing Date |
|---|---|---|---|
| CN202020182334.6U Active CN212561172U (zh) | 2020-02-18 | 2020-02-18 | 胎架结构、胎架组件及组装结构 |
Country Status (1)
| Country | Link |
|---|---|
| CN (1) | CN212561172U (zh) |
Cited By (1)
| Publication number | Priority date | Publication date | Assignee | Title |
|---|---|---|---|---|
| CN111188278A (zh) * | 2020-02-18 | 2020-05-22 | 中交路桥建设有限公司 | 胎架结构、胎架组件及施工方法 |
-
2020
- 2020-02-18 CN CN202020182334.6U patent/CN212561172U/zh active Active
Cited By (2)
| Publication number | Priority date | Publication date | Assignee | Title |
|---|---|---|---|---|
| CN111188278A (zh) * | 2020-02-18 | 2020-05-22 | 中交路桥建设有限公司 | 胎架结构、胎架组件及施工方法 |
| CN111188278B (zh) * | 2020-02-18 | 2024-11-19 | 中交路桥建设有限公司 | 一种钢混组合梁现场拼装施工方法 |
Similar Documents
| Publication | Publication Date | Title |
|---|---|---|
| CN113152283B (zh) | 路桥预制小箱梁式隐盖梁的大胯径支承体系的施工方法 | |
| CN114482280A (zh) | 一种六边形截面装配式环形支撑体系及其安装方法 | |
| CN215482366U (zh) | 一种双线连续梁托架结构 | |
| CN111188278B (zh) | 一种钢混组合梁现场拼装施工方法 | |
| CN110241727A (zh) | 一种索塔结构及桥梁 | |
| CN218893398U (zh) | 一种高空塔柱施工用塔吊基础结构 | |
| CN212561172U (zh) | 胎架结构、胎架组件及组装结构 | |
| CN213390842U (zh) | 一种钢桁架局部承重支撑结构 | |
| CN212642283U (zh) | 快速安装的装配式钢结构体系 | |
| CN221256137U (zh) | 一种楼承板临时支撑装置 | |
| CN109989590B (zh) | 用于屋顶超长钢梁安装的辅助固定装置及钢梁的吊装方法 | |
| CN217948814U (zh) | 一种独柱墩双抱箍盖梁支架 | |
| CN218815194U (zh) | 一种组装式轻型支撑结构 | |
| CN217266925U (zh) | 一种缆索吊装系统多用途标准h型钢塔架及连接构造 | |
| CN216920023U (zh) | 一种用于大悬臂盖梁施工的支架 | |
| CN113186823B (zh) | 一种钢箱-钢管格构式混凝土组合桥塔 | |
| CN213142800U (zh) | 一种独柱墩盖梁架设装置 | |
| CN211646957U (zh) | 一种装配式房屋地面加强筋板结构 | |
| CN209906223U (zh) | 提梁龙门吊 | |
| CN220619795U (zh) | 钢箱粱顶推用支撑 | |
| CN217678621U (zh) | 一种标准h型钢塔架的基础结构 | |
| CN220789444U (zh) | 一种人行天桥钢箱梁结构及临时支墩 | |
| CN219193276U (zh) | 煤斗支撑钢桁架结构及发电厂输煤系统 | |
| CN114134765B (zh) | 一种轨道梁支撑体系及安装工法 | |
| CN210856953U (zh) | 一种钢拱架无支架缆索吊装施工用塔架 |
Legal Events
| Date | Code | Title | Description |
|---|---|---|---|
| GR01 | Patent grant | ||
| GR01 | Patent grant |



