CN212538124U - Electromechanical system - Google Patents
Electromechanical system Download PDFInfo
- Publication number
- CN212538124U CN212538124U CN202021169530.6U CN202021169530U CN212538124U CN 212538124 U CN212538124 U CN 212538124U CN 202021169530 U CN202021169530 U CN 202021169530U CN 212538124 U CN212538124 U CN 212538124U
- Authority
- CN
- China
- Prior art keywords
- electromechanical system
- building
- area
- pipe
- sub
- Prior art date
- Legal status (The legal status is an assumption and is not a legal conclusion. Google has not performed a legal analysis and makes no representation as to the accuracy of the status listed.)
- Expired - Fee Related
Links
- XLYOFNOQVPJJNP-UHFFFAOYSA-N water Substances O XLYOFNOQVPJJNP-UHFFFAOYSA-N 0.000 claims description 28
- 238000002407 reforming Methods 0.000 abstract description 4
- 238000012986 modification Methods 0.000 description 10
- 230000004048 modification Effects 0.000 description 10
- 238000001816 cooling Methods 0.000 description 5
- 238000013461 design Methods 0.000 description 5
- 230000001276 controlling effect Effects 0.000 description 4
- 230000001105 regulatory effect Effects 0.000 description 4
- 230000009466 transformation Effects 0.000 description 4
- 238000012423 maintenance Methods 0.000 description 3
- 238000009423 ventilation Methods 0.000 description 3
- 238000004378 air conditioning Methods 0.000 description 2
- 238000010586 diagram Methods 0.000 description 2
- 230000005611 electricity Effects 0.000 description 2
- 238000010438 heat treatment Methods 0.000 description 2
- 238000012544 monitoring process Methods 0.000 description 2
- 230000008520 organization Effects 0.000 description 2
- 230000005494 condensation Effects 0.000 description 1
- 238000009833 condensation Methods 0.000 description 1
- 238000005265 energy consumption Methods 0.000 description 1
- 238000005259 measurement Methods 0.000 description 1
- 238000000034 method Methods 0.000 description 1
- 238000005457 optimization Methods 0.000 description 1
- 230000003068 static effect Effects 0.000 description 1
- 238000012546 transfer Methods 0.000 description 1
Images
Landscapes
- Air Conditioning Control Device (AREA)
Abstract
The utility model provides an electromechanical system for carry out electromechanical configuration to a building, the building includes that a plurality of posts collapse, and at least three non-collinear the post collapses and marks out a configuration region, the configuration region marks out at least one subregion according to preset rules; the electromechanical system comprises functional modules, each subregion is provided with at least one functional module, and the functional modules comprise one or more of an air conditioner indoor unit, a fresh air inlet, a strong power box and a multimedia box. Through dividing the building into a plurality of subregions, all contain functional module in every subregion for the building all contains at least one functional module in every independent region after guaranteeing to reform transform when later stage is reformed transform, with each independent regional requirement to electromechanical system after satisfying reforming transform, consequently solved current building electromechanical system and be unfavorable for the problem that later stage was transferred and is reformed transform.
Description
Technical Field
The utility model relates to a building electromechanical design technical field, in particular to electromechanical system.
Background
The building design comprises five specialties of building, structure, water supply and drainage, heating and ventilation and electricity, wherein the water supply and drainage, the heating and ventilation and the electricity are collectively called electromechanical specialties. The electromechanical profession in the building needs to design the placement of the supporting equipment of the building and the link connection between the equipment according to the geometric arrangement of the building and the functional requirements of the building. For example, the equipment point location arrangement is to determine the location of a certain equipment in space, and different equipment has different arrangement requirements and arrangement principles, for example, a lamp is to meet lighting requirements, and a network port and a socket panel are to meet the use requirements of a network and a power supply function. In addition, some devices have certain optimization requirements, for example, switches in the integrated wiring system need to determine different models, such as 48 ports and 24 ports, according to the number of bits of data points; and the positions of an air conditioner air supply outlet and an air return inlet need to consider the problem of airflow organization in the space and the like.
At present, when commercial buildings are delivered completely, the arrangement of an electromechanical system matched with the commercial buildings is configured according to the requirements of original commercial places. The area of the original commercial place is usually large, for example, the building plane is divided into about 500 square meters, when a later mall or an office building is rented, the original commercial place is divided into a plurality of independent areas, for example, the independent areas are divided into intervals ranging from 50 square meters to 200 square meters, so that the requirements of different tenants are met, and a high renting rate is obtained.
Since the electromechanical system is configured according to the requirements of the original commercial place when the electromechanical system is configured at first, the electromechanical system of the original commercial place needs to be greatly modified after the original commercial place is divided into a plurality of independent offices so as to meet the requirements of each independent area on the electromechanical system after modification. Therefore, the electromechanical system of the original commercial place is wasted, the transformation cost is increased when the later-stage transformation is carried out, and the later-stage transformation of the commercial place is not facilitated.
SUMMERY OF THE UTILITY MODEL
An object of the utility model is to provide an electromechanical system to solve current building electromechanical system and be unfavorable for the later stage and transfer the problem of changing.
In order to solve the technical problem, the present invention provides an electromechanical system for performing electromechanical configuration on a building, wherein the building comprises a plurality of columns, at least three non-collinear columns collapse to form a configuration area, and the configuration area forms at least one sub-area according to a preset rule; the electromechanical system comprises functional modules, each subregion is provided with at least one functional module, and the functional modules comprise one or more of an air conditioner indoor unit, a fresh air inlet, a strong power box and a multimedia box.
Optionally, in the electromechanical system, at least three adjacent non-collinear columns delineate a deployment region.
Optionally, in the electromechanical system, the four adjacent non-collinear pillars collapse to form a configuration region.
Optionally, in the electromechanical system, the configuration region is divided into at least two sub-regions having equal area sizes.
Optionally, in the electromechanical system, the configuration area is divided into at least two sub-areas with the same shape.
Optionally, in the electromechanical system, each of the sub-regions includes at least one of the pillars.
Optionally, in the electromechanical system, the functional module in each sub-area is disposed close to the pillar in the corresponding sub-area.
Optionally, in the electromechanical system, the electromechanical system further includes a supply and distribution module, the supply and distribution module includes a water supply and return pipe, a condensate pipe, a fresh air main pipe, a strong electric bridge, and a weak electric bus, and all the functional modules share one supply and distribution module.
Optionally, in the electromechanical system, the water supply and return pipe, the condensate pipe, and/or the fresh air main pipe include a main pipe and a plurality of branch pipes, one end of each of the plurality of branch pipes is connected to the main pipe, the other end of each of the branch pipes of the water supply and return pipe and the condensate pipe is connected to an air conditioner indoor unit, and the other end of each of the branch pipes of the fresh air main pipe is connected to a fresh air port.
Optionally, in the electromechanical system, the water supply and return pipe further includes a first control valve for controlling water flow, and each of the branch pipes of the water supply and return pipe is provided with one of the first control valves; the new trend is responsible for still including the second control valve that is used for controlling the amount of wind, the new trend is responsible for every the branch pipe all is equipped with one the second control valve.
The utility model provides an electromechanical system for carry out electromechanical configuration to a building, the building includes that a plurality of posts collapse, and at least three non-collinear the post collapses and marks out a configuration region, the configuration region marks out at least one subregion according to the preset rule; the electromechanical system comprises functional modules, each subregion is provided with at least one functional module, and the functional modules comprise one or more of an air conditioner indoor unit, a fresh air inlet, a strong power box and a multimedia box. Through dividing the building into a plurality of subregions, all contain functional module in every subregion for the building all contains at least one functional module in every independent region after guaranteeing to reform transform when later stage is reformed transform, with each independent regional requirement to electromechanical system after satisfying reforming transform, consequently solved current building electromechanical system and be unfavorable for the problem that later stage was transferred and is reformed transform.
Drawings
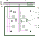
Fig. 1 is a schematic structural diagram of a modular building electromechanical system provided by the embodiment;
fig. 2 is a diagram illustrating a specific example of the modular building electromechanical system provided in the present embodiment;
wherein the reference numerals are as follows:
10-region; 11-column collapse; 20-a functional module; 21-air conditioner indoor unit; 22-fresh air port; 23-a strong electric box; 24-a multimedia box; 30-supply and distribution module; 31-a water supply and return pipe; 32-a condensate pipe; 33-strong electric bridge; 34-fresh air main pipe; 35-weak current bus.
Detailed Description
The electromechanical system proposed by the present invention will be described in further detail with reference to the accompanying drawings and specific embodiments. It should be noted that the drawings are in simplified form and are not to precise scale, and are provided for convenience and clarity in order to facilitate the description of the embodiments of the present invention. Further, the structures illustrated in the drawings are often part of actual structures. In particular, the drawings may have different emphasis points and may sometimes be scaled differently.
The present embodiment provides an electromechanical system, which is used for performing electromechanical configuration on a building, please refer to fig. 1 and fig. 2, where the building includes a plurality of pillars 11, at least three non-collinear pillars 11 define a configuration area, and the configuration area defines at least one sub-area according to a predetermined rule; the electromechanical system comprises functional modules 20, at least one functional module 20 is configured in each subarea, and the functional modules comprise one or more of an air conditioner indoor unit 21, a fresh air opening 22, a strong power box 23 and a multimedia box 24.
The electromechanical system that this embodiment provided, through marking off a plurality of subregions with the building, all contain functional module in every subregion for the building all contains at least one functional module in every independent region after guaranteeing to reform transform when the later stage is reformed transform, in order to satisfy each independent regional requirement to electromechanical system after reforming transform, consequently solved current building electromechanical system and be unfavorable for the problem that the later stage was transferred and is reformed transform.
Specifically, the configuration area may be divided into at least three adjacent non-collinear pillars to form a configuration area.
In this embodiment, as shown in fig. 1, four column pillars 11 that are adjacent to each other in pairs and are not collinear define a configuration region (shown by a dotted line), and each configuration region defines a sub-region, i.e., the configuration region is the sub-region. The configuration areas are rectangular, and the shape and the area of each configuration area are equal, so that the uniform configuration of an electromechanical system is facilitated.
Of course, in other embodiments, the configuration region may be divided into at least two sub-regions with equal area or at least two sub-regions with equal shape according to the actual situation (the distance between the pillars 11, the area, the shape, etc. of the configuration region). Therefore, when the building is modified in the later period, the sub-regions can be recombined according to the modification requirement to form mutually independent regions, and each independent region at least has one functional module 20 to meet the electromechanical requirements in the independent region.
Preferably, each of said sub-areas comprises at least one of said pillars 11. Therefore, when the building is transformed in the later period, even if the building is divided into independent areas according to the single sub-areas, each independent area comprises the column collapse 11 to meet the bearing requirement of the area, and the safety of the transformed independent area is guaranteed.
Furthermore, in order to obtain a better fixation of the functional modules 20 and to enable an even distribution of said functional modules 20 to meet the electromechanical requirements (e.g. air flow organization, etc.) in the later independent areas, said functional modules 20 in each of said sub-areas are arranged close to said column collapse 11 in the respective said sub-area.
In the electromechanical system provided in this embodiment, the electromechanical system further includes a supply and distribution module 30, as shown in fig. 1 and fig. 2, the supply and distribution module 30 includes a water supply and return pipe 31, a water condensation pipe 32, a strong electric bridge 33, a fresh air main pipe 34, and a weak electric bus 35, and all the functional modules 20 share one supply and distribution module 30.
Specifically, the water supply and return pipe 31, the condensate pipe 32 and the strong electric bridge 33 are respectively connected to at least one air conditioner indoor unit 21; the fresh air main pipe 34 is connected with at least one fresh air port 22; the strong electric bridge 33 is connected with at least one strong electric box 23; the weak current bus 35 is connected to at least one of the multimedia boxes 24.
Further, the water supply and return pipe 31, the condensate pipe 32 and/or the fresh air main pipe 34 include a main pipe and a plurality of branch pipes, one end of each of the plurality of branch pipes is connected to the main pipe, the other end of each of the branch pipes of the water supply and return pipe 31 and the condensate pipe 32 is connected to one of the air conditioner indoor units 21, and the other end of each of the branch pipes of the fresh air main pipe 34 is connected to one of the fresh air ports 22. The direct connection manner of the main pipe and the branch pipe is well known to those skilled in the art, and the arrangement and routing of the main pipe and the branch pipe are based on the industry standard, and will not be described herein again.
In addition, the water supply and return pipe 31 further includes a first control valve (not shown in the figure) for controlling water flow, and each branch pipe of the water supply and return pipe 31 is provided with one first control valve; the fresh air main pipe 34 further comprises a second control valve (not shown in the figure) for controlling the air volume, and each branch pipe of the fresh air main pipe 34 is provided with one second control valve.
Through the arrangement of the branch pipes, a plurality of devices can be uniformly and reasonably arranged and controlled; meanwhile, the working state of the equipment connected to the branch pipe can be controlled independently through the control valve on the branch pipe, and the later-stage equipment maintenance is facilitated.
In the following, how the electromechanical system provided by the present invention performs electromechanical configuration on a building will be described with a specific embodiment.
Referring to fig. 2, which is a schematic view of a local area of a floor in an office building, the area 10 includes a configuration area, and the configuration area is divided by four pillars 11 which are adjacent to each other two by two and are not collinear. The distance between the pillars 11 of this area 10 was 8.4 m. Specifically, the configuration area includes a plurality of sub-areas, each of which is configured with a function module 20, and a supply and distribution module 30 is further disposed on the periphery of the configuration area.
In the present embodiment, the plurality of functional modules 20 includes: an air conditioner internal unit 21, a fresh air inlet 22, a strong electric box 23 and a multimedia box 24. Correspondingly, the supply and distribution module 30 includes: a water supply and return pipe 31, a condensate pipe 32, a strong electric bridge 33, a fresh air main pipe 34 and a weak electric bus 35.
Specifically, to realize the air conditioning function, the air conditioner indoor unit 21 is connected to the water supply and return pipe 31, the condensate pipe 32, and the strong electric bridge 33, respectively. In this embodiment, the air conditioner internal unit (fan coil) 21 is a fan coil with a cooling capacity of about 4.5kW, in order to meet the air conditioning requirement of an independent area after the post transformation, 1/4 of the area formed by adjacent columns collapsing 11 needs to be configured with one air conditioner internal unit 21, that is, every 4.2m × 4.2m area is used as a sub-area, wherein one air conditioner internal unit 21 with a cooling capacity of about 4.5kW needs to be arranged.
Of course, in other embodiments, the air conditioner indoor units 21 with different cooling capacities may also be selected to match different area sizes, and generally, the larger the area of each sub-area is, the larger the required cooling capacity of the air conditioner indoor unit 21 is. In the actual configuration process, not only the condition of the late modification of the area 10 but also the cooling capacity provided by each air conditioner indoor unit 21 need to be considered, and an optimal scheme is selected under comprehensive measurement.
In addition, the water supply and return pipes 31 of the air conditioner are connected in a pipeline-equipment manner longitudinally, the branch pipes of each group of water supply and return pipes 31 are connected with 2 air conditioner internal units 21, and the branch pipes are provided with first regulating valves, specifically, the first regulating valves comprise static regulating valves and electric regulating valves (not shown in the figure), so that the requirement of pipeline routing can be guaranteed, and the later maintenance is facilitated while the pipeline burden is not increased.
Meanwhile, to ensure ventilation of the region 10, the fresh air port 22 is connected to the fresh air main pipe 34. In the present embodiment, the amount of air supply is in accordance with the man density of 8m2Fresh air volume of each person is 30m3The calculation of/h means that the air supply quantity is guaranteed to reach at least 265m in the area (8.4m multiplied by 8.4m) formed by the collapse of the adjacent columns3H is used as the reference value. The air supply amount of the fresh air inlet 22 selected in this embodiment is about 150m3The size of the air supply opening is 120mm x 120mm, therefore, in order to ensure the required air supply quantity, the fresh air opening 22 is configured by 1/2 of the area formed by adjacent column collapse 11, namely, every 4.2m x 8.4m area is taken as a subregion, wherein, an air supply quantity of about 150m is required to be arranged3The fresh air opening 22 of/h.
Similarly, the configuration design of the fresh air opening 22 also needs to take into account the modification of the later-stage area 10, and the density of people in each independent area may be different after modification, so that a certain margin needs to be flowed out from the configuration of the fresh air opening 22 to prevent the insufficient fresh air volume in the partial independent area after the modification.
In addition, the power supply and distribution of the area 10 is accomplished by the power box 23. Specifically, the strong electric box 23 is connected to the strong electric bridge 33. In the embodiment, the power supply capacity is configured according to the power supply single area load index (which can be 80-120W/square), and the equipment is installed on the structural beam or the top plate. In the embodiment, the strong power boxes 23 are configured with 1/2 of the area formed by adjacent pillars 11, that is, each 4.2m × 8.4m area is used as a sub-area, and preferably, one strong power box 23 is disposed in each sub-area, so as to avoid the problem that the number of the strong power boxes 23 is too large, which increases the difficulty of maintenance or causes other electrical risks.
In addition, the multimedia box 24 is required to meet the office requirements of later personnel, such as the threading of telephone lines and network cables and the corresponding cable reservation, which need to take into account the different requirements in each independent area after the later modification. In this embodiment, the multimedia boxes 24 are configured with 1/2 of the area formed by the adjacent pillars 11, that is, each area of 4.2m × 8.4m is used as a sub-area, wherein a set of multimedia boxes 24 needs to be configured to meet the weak current requirement of the independent area after the subsequent modification. Of course, in other embodiments, the multimedia box 24 may have other designs, such as 1/4 configured adjacent to the area formed by the pillar 11.
Further, in this embodiment, the electromechanical system may further include an intelligent control module (not shown in the figure), and the intelligent control module is respectively connected to the function module 20 and the supply and distribution module 30 to intelligently control operations of the function module 20 and the supply and distribution module 30.
Specifically, the BA system is used in this embodiment to intelligently adjust the devices in the entire building. The BA system, namely a building equipment automatic control system, can carry out high-efficiency management and control on various equipment in a building mainly through running state monitoring and fault monitoring, and greatly reduces energy consumption while providing an optimal comfortable environment and a modern management mode. For example, the electric control valve at the branch pipe of the air conditioner water supply and return pipe 31 is connected to the BA system, and the signal of the electric control valve is fed back to the BA system, so that the air conditioner demand during overtime in a part of office areas can be met.
To sum up, the utility model provides an electromechanical system for carry out electromechanical configuration to a building, the building includes that a plurality of posts collapse, and at least three non-collinear the post collapses and marks off a configuration region, the configuration region marks off at least a subregion according to preset rule; the electromechanical system comprises functional modules, each subregion is provided with at least one functional module, and the functional modules comprise one or more of an air conditioner indoor unit, a fresh air inlet, a strong power box and a multimedia box. Through dividing the building into a plurality of subregions, all contain functional module in every subregion for the building all contains at least one functional module in every independent region after guaranteeing to reform transform when later stage is reformed transform, with each independent regional requirement to electromechanical system after satisfying reforming transform, consequently solved current building electromechanical system and be unfavorable for the problem that later stage was transferred and is reformed transform.
The above description is only for the preferred embodiment of the present invention and is not intended to limit the scope of the present invention, and any modification and modification made by those skilled in the art according to the above disclosure are all within the scope of the claims.
Claims (10)
1. An electromechanical system, wherein said electromechanical system is configured for performing an electromechanical configuration on a building, said building comprising a plurality of columns, at least three non-collinear said columns collapsing into a configured area, said configured area defining at least one sub-area according to a predetermined rule; the electromechanical system comprises functional modules, each subregion is provided with at least one functional module, and the functional modules comprise one or more of an air conditioner indoor unit, a fresh air inlet, a strong power box and a multimedia box.
2. The electromechanical system of claim 1, wherein at least three adjacent and non-collinear posts crush a deployment region.
3. The electromechanical system of claim 2, wherein four of said posts that are two adjacent and non-collinear collapse a deployment region.
4. The electromechanical system of claim 1, wherein the configuration region is divided into at least two of the sub-regions of equal area size.
5. The electromechanical system according to claim 1, wherein the configuration area is divided into at least two of the sub-areas having the same shape.
6. The electromechanical system according to claim 4 or 5, wherein each of the sub-areas comprises at least one of the pillars.
7. The electromechanical system of claim 6, wherein the functional module within each of the sub-regions is disposed proximate to the pole within the respective sub-region.
8. The electromechanical system according to claim 1, further comprising a supply and distribution module, wherein the supply and distribution module comprises a water supply and return pipe, a condensate pipe, a fresh air main pipe, a strong electric bridge frame and a weak electric bus, and all the functional modules share one supply and distribution module.
9. The electromechanical system according to claim 8, wherein the water supply/return pipe, the condensate pipe, and/or the fresh air main pipe include a main pipe and a plurality of branch pipes, one end of each of the plurality of branch pipes is connected to the main pipe, the other end of each of the branch pipes of the water supply/return pipe and the condensate pipe is connected to an indoor unit of the air conditioner, and the other end of each of the branch pipes of the fresh air main pipe is connected to a fresh air port.
10. The electromechanical system according to claim 9, wherein the water supply and return pipe further comprises a first control valve for controlling a flow rate of water, and each of the branch pipes of the water supply and return pipe is provided with one of the first control valves; the new trend is responsible for still including the second control valve that is used for controlling the amount of wind, the new trend is responsible for every the branch pipe all is equipped with one the second control valve.
Priority Applications (1)
| Application Number | Priority Date | Filing Date | Title |
|---|---|---|---|
| CN202021169530.6U CN212538124U (en) | 2020-06-22 | 2020-06-22 | Electromechanical system |
Applications Claiming Priority (1)
| Application Number | Priority Date | Filing Date | Title |
|---|---|---|---|
| CN202021169530.6U CN212538124U (en) | 2020-06-22 | 2020-06-22 | Electromechanical system |
Publications (1)
| Publication Number | Publication Date |
|---|---|
| CN212538124U true CN212538124U (en) | 2021-02-12 |
Family
ID=74546269
Family Applications (1)
| Application Number | Title | Priority Date | Filing Date |
|---|---|---|---|
| CN202021169530.6U Expired - Fee Related CN212538124U (en) | 2020-06-22 | 2020-06-22 | Electromechanical system |
Country Status (1)
| Country | Link |
|---|---|
| CN (1) | CN212538124U (en) |
-
2020
- 2020-06-22 CN CN202021169530.6U patent/CN212538124U/en not_active Expired - Fee Related
Similar Documents
| Publication | Publication Date | Title |
|---|---|---|
| US12041757B2 (en) | Sidewall-connected HVAC units for modular datacenter facilities | |
| Van Geet et al. | Best practices guide for energy-efficient data center design | |
| CN111783265B (en) | Optimization method for topology generation of power grid tidal current diagram | |
| CN108683117B (en) | A 330kV fully indoor substation equipment layout structure | |
| CN106992451A (en) | A kind of transformer station with cooling and drainage arrangement | |
| CN212538124U (en) | Electromechanical system | |
| CN105048324A (en) | L-shaped distribution structure of valve hall converter transformer of extra-high-voltage direct-current converter station | |
| CN218569914U (en) | A power monitoring device and power system | |
| CN206018925U (en) | Control system for cold station of central air conditioner | |
| CN114893886B (en) | Integrated energy-saving control system and control method for centralized heating ventilation air conditioner | |
| CN104698920B (en) | DDC switch board | |
| CN202333485U (en) | AC low-voltage power distribution centralization screen in transformer station | |
| Sheppy et al. | Reducing Data Center Loads for a Large-Scale, Low-Energy Office Building: NREL's Research Support Facility (Book) | |
| CN209329693U (en) | A kind of integration energy source router | |
| CN222925658U (en) | Hundred thousand-level clean workshop | |
| CN216625090U (en) | A 110kV double-winding split transformer is a substation on the first floor of the whole house | |
| CN110913657B (en) | Information network machine room and construction method thereof | |
| CN109583745A (en) | A kind of determination method of cable tunnel electric load statistics conversion coefficient | |
| CN204760837U (en) | Complete indoor one deck transformer substation of 35kV components of a whole that can function independently transformer | |
| CN211551820U (en) | Direct-expansion type ground air supply system and air supply device for indoor electrostatic floor | |
| CN204597314U (en) | Intelligent loaded capacity regulating voltage regulating box-type substation | |
| JP7640774B2 (en) | Power supply equipment, housing complexes and power supply panels | |
| CN217427363U (en) | Low-voltage cabinet and photovoltaic power plant | |
| CN210008149U (en) | Control cabinet of air-conditioning energy-saving system | |
| CN213143128U (en) | Pipeline system of corridor type garage |
Legal Events
| Date | Code | Title | Description |
|---|---|---|---|
| GR01 | Patent grant | ||
| GR01 | Patent grant | ||
| CF01 | Termination of patent right due to non-payment of annual fee |
Granted publication date: 20210212 |
|
| CF01 | Termination of patent right due to non-payment of annual fee |