CN212375694U - A friction and spring combined energy dissipation bridge anti-seismic block structure - Google Patents

A friction and spring combined energy dissipation bridge anti-seismic block structure Download PDF

Info

Publication number
CN212375694U
CN212375694U CN202021752675.9U CN202021752675U CN212375694U CN 212375694 U CN212375694 U CN 212375694U CN 202021752675 U CN202021752675 U CN 202021752675U CN 212375694 U CN212375694 U CN 212375694U
Authority
CN
China
Prior art keywords
hollow cube
steel
steel bracket
friction
wall
Prior art date
Legal status (The legal status is an assumption and is not a legal conclusion. Google has not performed a legal analysis and makes no representation as to the accuracy of the status listed.)
Expired - Fee Related
Application number
CN202021752675.9U
Other languages
Chinese (zh)
Inventor
田钦
胡振秋
李顺治
樊霖涛
Current Assignee (The listed assignees may be inaccurate. Google has not performed a legal analysis and makes no representation or warranty as to the accuracy of the list.)
Nanchang University
Original Assignee
Nanchang University
Priority date (The priority date is an assumption and is not a legal conclusion. Google has not performed a legal analysis and makes no representation as to the accuracy of the date listed.)
Filing date
Publication date
Application filed by Nanchang University filed Critical Nanchang University
Priority to CN202021752675.9U priority Critical patent/CN212375694U/en
Application granted granted Critical
Publication of CN212375694U publication Critical patent/CN212375694U/en
Expired - Fee Related legal-status Critical Current
Anticipated expiration legal-status Critical

Links

Images

Landscapes

  • Bridges Or Land Bridges (AREA)

Abstract

本实用新型涉及桥梁抗震技术领域,尤其涉及一种摩擦与弹簧组合耗能型桥梁抗震挡块结构,包括钢牛腿组件、顶板、腹板、空心立方体以及球体,所述钢牛腿组件固定于桥墩的侧壁上方,所述顶板固定于主梁的底部,两块所述腹板的一端与所述顶板的底部一端相连,另一端与所述钢牛腿组件的顶部连接;所述空心立方体呈中空的立方体结构,所述空心立方体的左、右外壁与两块所述腹板的内壁之间设有与之连接的第一阻尼;所述球体设置于所述空心立方体的内腔中,其外壁与所述空心立方体内腔之间设有与之连接的第二阻尼。本实用新型能够限制梁体和桥墩的顺桥向过大位移,避免发生落梁现象,吸收能量,以至于减少地震对桥梁的损坏,吸收地震能量。

Figure 202021752675

The utility model relates to the technical field of bridge seismic resistance, in particular to a friction and spring combined energy-consuming bridge seismic block structure, comprising a steel corbel assembly, a top plate, a web plate, a hollow cube and a sphere. The steel corbel assembly is fixed on a Above the side wall of the bridge pier, the top plate is fixed to the bottom of the main beam, one end of the two webs is connected to one end of the bottom of the top plate, and the other end is connected to the top of the steel corbel assembly; the hollow cube is It is a hollow cube structure, the left and right outer walls of the hollow cube and the inner walls of the two webs are provided with a first damper connected to it; the sphere is arranged in the inner cavity of the hollow cube, A second damper connected with the outer wall and the inner cavity of the hollow cube is provided. The utility model can limit the excessive displacement of the beam body and the bridge pier along the bridge direction, avoid the beam falling phenomenon, and absorb energy, so as to reduce the damage to the bridge caused by the earthquake and absorb the seismic energy.

Figure 202021752675

Description

Friction and spring combined energy consumption type bridge anti-seismic stop block structure
Technical Field
The utility model relates to a bridge antidetonation technical field especially relates to a friction and spring combination power consumption type bridge antidetonation dog structure.
Background
In recent years, the economy of China is rapidly increased, the national investment of each project which is beneficial to social development and improvement of the livelihood is more and more, the capital construction work is rapidly developed, and the road traffic construction plays an important role in regional economic development. The bridge is a junction in a traffic route, once an accident occurs to the bridge, a series of economic problems and social effects can be brought, so that the safety performance and the stability degree of the bridge need to be paid attention and paid attention.
The number of bridges built and built in China is more than million, bridges are built in various terrains and regions, and the potential safety hazard exists in some regions due to the fact that the bridges are located in the geographical positions of earthquake-prone zones. Once an earthquake comes, the bridge is easy to damage or even collapse due to the structural characteristics, so that huge economic loss is brought, life safety of people is threatened, an island effect is formed, and serious difficulty is brought to rescue work after the earthquake.
The bridge structure mainly breaks in earthquake in the forms of upper beam body falling, support seat breaking, pile foundation pier column cracking, beam body collision breaking and the like. However, most of bridges in China currently adopt measures for resisting earthquake that reinforced concrete stop blocks are arranged on two sides of the top of a pier capping beam, the method can limit the transverse bridge-direction displacement of an upper beam body to a certain extent, but local damage is easily caused during collision, and the method has no effect of restraining the displacement along the bridge direction.
Therefore need design and develop a neotype bridge antidetonation dog structure, can effectively exert the antidetonation effect when the earthquake, can restrict the bridge forward displacement of bridge upper portion roof beam body again, self impaired degree when will reduce the dog effect simultaneously.
SUMMERY OF THE UTILITY MODEL
An object of the utility model is to overcome prior art not enough, provide a friction and spring combination power consumption type bridge antidetonation dog structure, can restrict the bridge in the same direction as the bridge of the roof beam body and pier to too big displacement, avoid taking place the roof beam phenomenon of falling, through friction and spring compression etc. to the absorbed energy, so that reduce the earthquake to the damage of bridge, absorb seismic energy.
In order to realize the utility model discloses a purpose, the utility model discloses a technical scheme do:
the utility model discloses a friction and spring combined energy-consumption type bridge anti-seismic stop block structure, which comprises a steel corbel assembly, a top plate, web plates, a hollow cube and a ball body, wherein the steel corbel assembly is fixed above the side wall of a pier, the top plate is fixed at the bottom of a main beam, one end of each of the two web plates is connected with one end of the bottom of the top plate, and the other end of each web plate is connected with the top of the steel corbel assembly; the hollow cube is of a hollow cube structure, and first dampers connected with the left outer wall and the right outer wall of the hollow cube and the inner walls of the two webs are arranged between the left outer wall and the right outer wall of the hollow cube and the inner walls of the two webs; the sphere is arranged in the inner cavity of the hollow cube, and a second damper connected with the sphere is arranged between the outer wall of the sphere and the inner cavity of the hollow cube.
The steel bracket assembly comprises a steel bracket bottom plate, a steel bracket web plate, a steel bracket top plate and a steel bracket side plate, the steel bracket side plate is fixed above the side wall of the pier through a steel bracket bolt, the steel bracket top plate and the steel bracket bottom plate are arranged in parallel and are respectively fixed at the top and the bottom of the steel bracket side plate, and the steel bracket web plate is fixed between the steel bracket top plate and the steel bracket bottom plate; the bottom of web is fixed in through first bolt on the steel corbel roof.
The hollow cube with be equipped with spill dog between roof, the steel corbel roof, spill dog is close to form on the lateral wall of hollow cube one side with the draw-in groove of hollow cube matching block, its keep away from one side lateral wall of hollow cube respectively with roof, steel corbel roof contact.
The angle steel is arranged between the two ends of the outer wall of the web plate and fixedly connected with the top plate, the steel bracket top plate and the outer side through angle steel fixing bolts.
A plurality of first dampers are arranged between the hollow cubes and the web.
The surface of the sphere is rough, and the same second damping is arranged between the outer wall of the sphere and the six inner walls of the inner cavity of the hollow cube.
And the first damper and the second damper are both spring anti-seismic dampers.
The web is a high-toughness concrete slab.
The beneficial effects of the utility model reside in that:
1) the utility model discloses damping device is hollow cube and spheroid and the damped collocation of second, can become the energy absorption energy of spring deformation with the energy conversion of earthquake, and can imitate the vertical displacement that the buffering earthquake leads to through spring deformation.
2) The utility model discloses a set up the spill dog and make hollow cube can produce the friction with it at vibrations in-process to consume seismic energy, and the spill dog can further consume seismic energy again with the friction of roof, steel bracket roof, thereby realize the shock attenuation effect.
3) The utility model discloses a web and first damped use can effectively restrict the displacement in the same direction as the bridge between top girder and the pier about setting up.
4) The utility model discloses convenient for material collection, simple structure, the construction is convenient, and the antidetonation effect is showing.
Drawings
Fig. 1 is a front view of the present invention;
fig. 2 is a three-dimensional perspective view of the present invention;
FIG. 3 is a schematic diagram of the arrangement of the present invention along the direction of the bridge;
FIG. 4 is a schematic diagram of the distribution of the first damping in the present invention;
FIG. 5 is a schematic structural view of a middle angle steel of the present invention;
fig. 6 is a schematic diagram of a middle portion of the structure of the present invention.
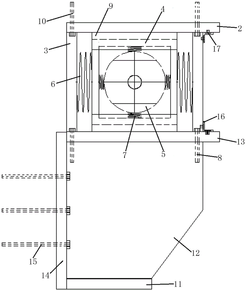
In the figure: 1 steel bracket subassembly, 2 roofs, 3 webs, 4 hollow cubes, 5 spheres, 6 first damps, 7 first damps, 8 first bolts, 9 spill dogs, 10 second bolts, 11 steel bracket bottom plates, 12 steel bracket webs, 13 steel bracket roofs, 14 steel bracket side plates, 15 steel bracket bolts, 16 angle steel, 17 angle steel fixing bolts, 20 piers, 21 girders.
Detailed Description
The following further description of the present invention:
referring to figures 1-6 of the drawings,
the utility model discloses a friction and spring combined energy-consumption type bridge anti-seismic stop block structure, which comprises a steel corbel component 1, a top plate 2, web plates 3, a hollow cube 4 and a ball body 5, wherein the steel corbel component 1 is fixed above the side wall of a pier 20, the top plate 2 is fixed at the bottom of a main beam 21, one end of each of the two web plates 3 is connected with one end of the bottom of the top plate 2, and the other end of each web plate is connected with the top of the steel corbel component 1; the hollow cube 4 is of a hollow cube structure, and first dampers 6 connected with the left outer wall and the right outer wall of the hollow cube 4 and the inner walls of the two webs 3 are arranged between the left outer wall and the right outer wall of the hollow cube 4 and the inner walls of the two webs 3; the ball body 5 is arranged in the inner cavity of the hollow cube 4, a second damper 7 connected with the ball body is arranged between the outer wall of the ball body and the inner cavity of the hollow cube 4, and the displacement between the upper main beam 21 and the pier 20 in the bridge direction can be effectively limited through the first damper 6 between the web 3 and the hollow cube 4; through the second damping 7 between the inner wall of the hollow cube 4 and the sphere 5, the energy of earthquake can be converted into the spring deformation absorption energy, and the longitudinal displacement caused by the earthquake can be buffered through the spring deformation effect.
The steel bracket assembly 1 comprises a steel bracket bottom plate 11, a steel bracket web plate 12, a steel bracket top plate 13 and a steel bracket side plate 14, the steel bracket side plate 14 is fixed above the side wall of the pier 20 through a steel bracket bolt 15, the steel bracket top plate 13 and the steel bracket bottom plate 11 are arranged in parallel and fixed to the top and the bottom of the steel bracket side plate 14 respectively, and the steel bracket web plate 12 is fixed between the steel bracket top plate 13 and the steel bracket bottom plate 11; the bottom of the web 3 is fixed on the steel corbel top plate 13 through a first bolt 8, and the bottom of the web is fixed on the top plate 2 through a second bolt 10.
A concave stop block 9 is arranged between the hollow cube 4 and the top plate 2 and the steel corbel top plate 13, a clamping groove matched with and clamped with the hollow cube 4 is formed in the side wall of one side of the concave stop block 9 close to the hollow cube 4, the side wall of one side far away from the hollow cube 4 is respectively contacted with the top plate 2 and the steel corbel top plate 13, the concave stop block 9 is contacted with the top plate 2 and the steel corbel top plate 13 without bolts, the size of the concave stop block is smaller than that of the top plate 2 and the steel corbel top plate 13, and the concave stop block 9 is arranged so that the hollow cube 4 can generate friction with the top plate 2 and the steel corbel top plate 13 in the vibration process, and; the friction between the concave stop block 9 and the top plate 2 and the steel bracket top plate 13 can further consume seismic energy, so that the damping effect is realized; during earthquake, firstly the concave stop block 9 and the hollow cube 4 move together, so that earthquake energy is consumed through friction, when the earthquake intensity reaches a certain value, the maximum static friction is achieved between the concave stop block 9 and the hollow cube 4, so that relative sliding is started, the earthquake energy is further absorbed, the first damper 6 can effectively stop the hollow cube 4 from being excessively displaced, and the hollow cube 4 is enabled not to be separated from the concave stop block 9.
Roof 2, steel corbel roof 13 and the outside be equipped with angle steel 16 between the outer wall both ends of web 3, angle steel 16 passes through angle steel fixing bolt 17 fixed connection, increases three's joint strength.
The hollow cube 4 with be equipped with a plurality of first damping 6 between the web 3, constitute by a plurality of small-size spring damping of evenly distributed, so can increase the lifting surface area to reduce web 3 pressure, make web 3 safer, can not be sheared bad by the shearing force that first bolt 8 and first damping 6 produced, can also restrict lateral displacement simultaneously, convert seismic energy into the energy that spring compression and tensile absorbed.
The sphere 5 is rough in surface, the same second damping 7 is arranged between the outer wall of the sphere and the six inner walls of the inner cavity of the hollow cube 4, the sphere 5 with the rough surface is arranged on the inner side of the hollow cube 4, and the spring damping is arranged on the sphere 5 in front, back, left, right, up and down and is connected with the inner walls of the inner side of the hollow cube 4, so that the sphere 5 can be suspended in the hollow inner cavity, seismic energy can be absorbed through compression and stretching of the second damping 7, and transverse and longitudinal displacement can be buffered.
The first damper 6 and the second damper 7 are both spring anti-seismic dampers, such as steel springs.
The web 3 is a high-toughness concrete slab.
The above mentioned is only the embodiment of the present invention, not the limitation of the patent scope of the present invention, all the equivalent transformations made by the contents of the specification and the drawings or the direct or indirect application in the related technical field are included in the patent protection scope of the present invention.

Claims (8)

1. The utility model provides a friction and spring combination power consumption type bridge antidetonation dog structure which characterized in that: comprises a steel corbel component (1), a top plate (2), a web plate (3), a hollow cube (4) and a sphere (5),
the steel corbel assembly (1) is fixed above the side wall of the pier (20), the top plate (2) is fixed at the bottom of the main beam (21), one end of each of the two webs (3) is connected with one end of the bottom of the top plate (2), and the other end of each web is connected with the top of the steel corbel assembly (1);
the hollow cube (4) is of a hollow cube structure, and first dampers (6) connected with the left outer wall and the right outer wall of the hollow cube (4) and the inner walls of the two webs (3) are arranged between the left outer wall and the right outer wall of the hollow cube (4);
the sphere (5) is arranged in the inner cavity of the hollow cube (4), and a second damper (7) connected with the sphere is arranged between the outer wall of the sphere and the inner cavity of the hollow cube (4).
2. The friction and spring combined energy dissipation type bridge anti-seismic stop structure according to claim 1, wherein: the steel bracket assembly (1) comprises a steel bracket bottom plate (11), a steel bracket web plate (12), a steel bracket top plate (13) and steel bracket side plates (14), wherein the steel bracket side plates (14) are fixed above the side walls of the bridge pier (20) through steel bracket bolts (15), the steel bracket top plate (13) and the steel bracket bottom plate (11) are arranged in parallel and fixed to the top and the bottom of the steel bracket side plate (14) respectively, and the steel bracket web plate (12) is fixed between the steel bracket top plate (13) and the steel bracket bottom plate (11); the bottom of the web plate (3) is fixed on the steel corbel top plate (13) through a first bolt (8).
3. The friction and spring combined energy dissipation type bridge anti-seismic stop structure according to claim 2, wherein: hollow cube (4) with be equipped with spill dog (9) between roof (2), the steel corbel roof (13), spill dog (9) are close to form on the lateral wall of hollow cube (4) one side with the draw-in groove of hollow cube (4) matching block, it keeps away from one side lateral wall of hollow cube (4) respectively with roof (2), steel corbel roof (13) contact.
4. A friction and spring combined energy dissipation type bridge anti-seismic stop structure according to claim 3, wherein: roof (2), steel bracket roof (13) and the outside be equipped with angle steel (16) between the outer wall both ends of web (3), angle steel (16) pass through angle steel fixing bolt (17) fixed connection.
5. The friction and spring combined energy dissipation type bridge anti-seismic stop structure according to claim 1, wherein: a plurality of first dampers (6) are arranged between the hollow cubes (4) and the web (3).
6. The friction and spring combined energy dissipation type bridge anti-seismic stop structure according to claim 5, wherein: the surface of the sphere (5) is rough, and the same second damper (7) is arranged between the outer wall of the sphere and the six inner walls of the inner cavity of the hollow cube (4).
7. The friction and spring combined energy dissipation type bridge anti-seismic stop structure according to claim 6, wherein: the first damper (6) and the second damper (7) are both spring anti-seismic dampers.
8. The friction and spring combined energy dissipation type bridge anti-seismic stop structure according to claim 1, wherein: the web (3) is a high-toughness concrete slab.
CN202021752675.9U 2020-08-20 2020-08-20 A friction and spring combined energy dissipation bridge anti-seismic block structure Expired - Fee Related CN212375694U (en)

Priority Applications (1)

Application Number Priority Date Filing Date Title
CN202021752675.9U CN212375694U (en) 2020-08-20 2020-08-20 A friction and spring combined energy dissipation bridge anti-seismic block structure

Applications Claiming Priority (1)

Application Number Priority Date Filing Date Title
CN202021752675.9U CN212375694U (en) 2020-08-20 2020-08-20 A friction and spring combined energy dissipation bridge anti-seismic block structure

Publications (1)

Publication Number Publication Date
CN212375694U true CN212375694U (en) 2021-01-19

Family

ID=74173227

Family Applications (1)

Application Number Title Priority Date Filing Date
CN202021752675.9U Expired - Fee Related CN212375694U (en) 2020-08-20 2020-08-20 A friction and spring combined energy dissipation bridge anti-seismic block structure

Country Status (1)

Country Link
CN (1) CN212375694U (en)

Cited By (1)

* Cited by examiner, † Cited by third party
Publication number Priority date Publication date Assignee Title
CN111926687A (en) * 2020-08-20 2020-11-13 南昌大学 Friction and spring combined energy consumption type bridge anti-seismic stop block structure

Cited By (1)

* Cited by examiner, † Cited by third party
Publication number Priority date Publication date Assignee Title
CN111926687A (en) * 2020-08-20 2020-11-13 南昌大学 Friction and spring combined energy consumption type bridge anti-seismic stop block structure

Similar Documents

Publication Publication Date Title
CN108729344B (en) A double-column bridge pier structure combined with vibration isolation
CN111287071B (en) A multi-directional buffering, limiting, energy-dissipating, resettable bridge seismic stopper structure
CN202913344U (en) Seismic mitigation and isolation system applied to seismic resistance of long-span continuous beam of single-track railway
CN102322021A (en) Longspan Bridge is with damping steel case beam
CN212375694U (en) A friction and spring combined energy dissipation bridge anti-seismic block structure
CN110528383A (en) Without additional vertical force buffer-type inhaul cable damping support saddle
CN116065479A (en) A railway self-resetting bridge pier with external SMA energy dissipation device
CN206298825U (en) A kind of high-strength anti-seismic bridge attachment means
CN203320396U (en) Space energy consumption limiting device for bridge
CN111926686A (en) Energy-consumption buffering type spacing bridge anti-seismic stop block structure with steel springs
CN212801180U (en) Energy-consumption buffering type spacing bridge anti-seismic stop block structure with steel springs
CN111926687A (en) Friction and spring combined energy consumption type bridge anti-seismic stop block structure
CN111962384A (en) Seismic bridge pier with built-in energy dissipation device and construction method thereof
CN103290779A (en) Bridge transverse beam-falling-proof device
CN215164549U (en) A collision-sliding energy-dissipating bridge anti-seismic block structure with steel springs
CN113265939A (en) Multi-friction damping energy dissipation reset anti-seismic stop block structure
CN212375690U (en) A Multiple Damping, Buffering, and Energy-consuming Bridge Seismic Block Structure
CN214459557U (en) Bridge anti-seismic structure combining three energy consumption forms
CN114775410A (en) Limiting self-resetting railway swinging hollow pier with built-in corrugated web damper
CN214831829U (en) Buffer stop and damping combined energy consumption type bridge anti-seismic structure
CN216615454U (en) Sliding damping shock absorption limiting device suitable for bridge
CN212270639U (en) A multi-directional buffer limit energy dissipation resettable bridge seismic block structure
CN111719469A (en) A highway central anti-collision isolation guardrail device
CN219011229U (en) Interlayer shock absorption and shock insulation composite structure system
CN217733721U (en) Multi-friction damping energy dissipation reset anti-seismic stop block structure

Legal Events

Date Code Title Description
GR01 Patent grant
GR01 Patent grant
CF01 Termination of patent right due to non-payment of annual fee
CF01 Termination of patent right due to non-payment of annual fee

Granted publication date: 20210119

Termination date: 20210820