CN212358246U - 一种超导直线电机电气升船机 - Google Patents
一种超导直线电机电气升船机 Download PDFInfo
- Publication number
- CN212358246U CN212358246U CN202021381863.5U CN202021381863U CN212358246U CN 212358246 U CN212358246 U CN 212358246U CN 202021381863 U CN202021381863 U CN 202021381863U CN 212358246 U CN212358246 U CN 212358246U
- Authority
- CN
- China
- Prior art keywords
- ship
- chamber
- superconducting linear
- sides
- linear motor
- Prior art date
- Legal status (The legal status is an assumption and is not a legal conclusion. Google has not performed a legal analysis and makes no representation as to the accuracy of the status listed.)
- Expired - Fee Related
Links
- 230000005540 biological transmission Effects 0.000 claims abstract description 47
- 230000007246 mechanism Effects 0.000 claims abstract description 38
- 230000005484 gravity Effects 0.000 claims abstract description 15
- 238000004804 winding Methods 0.000 claims description 29
- 229910000831 Steel Inorganic materials 0.000 claims description 27
- 239000010959 steel Substances 0.000 claims description 27
- 239000000725 suspension Substances 0.000 claims description 13
- 239000003638 chemical reducing agent Substances 0.000 claims description 12
- 238000001514 detection method Methods 0.000 claims description 10
- XLYOFNOQVPJJNP-UHFFFAOYSA-N water Substances O XLYOFNOQVPJJNP-UHFFFAOYSA-N 0.000 abstract description 39
- 238000010276 construction Methods 0.000 abstract description 8
- 230000033001 locomotion Effects 0.000 abstract description 7
- 238000000034 method Methods 0.000 description 23
- 230000008569 process Effects 0.000 description 20
- 239000007788 liquid Substances 0.000 description 10
- 230000009471 action Effects 0.000 description 9
- 230000001133 acceleration Effects 0.000 description 8
- 108010066057 cabin-1 Proteins 0.000 description 7
- 230000008859 change Effects 0.000 description 6
- 230000003068 static effect Effects 0.000 description 5
- 238000004458 analytical method Methods 0.000 description 4
- 230000008901 benefit Effects 0.000 description 4
- 238000006073 displacement reaction Methods 0.000 description 4
- 238000005339 levitation Methods 0.000 description 4
- 230000009467 reduction Effects 0.000 description 4
- 238000011144 upstream manufacturing Methods 0.000 description 4
- 230000009194 climbing Effects 0.000 description 3
- 230000000694 effects Effects 0.000 description 3
- 238000009434 installation Methods 0.000 description 3
- 230000001174 ascending effect Effects 0.000 description 2
- 230000003139 buffering effect Effects 0.000 description 2
- 238000004364 calculation method Methods 0.000 description 2
- 238000010586 diagram Methods 0.000 description 2
- 230000006872 improvement Effects 0.000 description 2
- 238000004519 manufacturing process Methods 0.000 description 2
- 230000000630 rising effect Effects 0.000 description 2
- 230000001360 synchronised effect Effects 0.000 description 2
- 210000001635 urinary tract Anatomy 0.000 description 2
- 230000009286 beneficial effect Effects 0.000 description 1
- 230000008878 coupling Effects 0.000 description 1
- 238000010168 coupling process Methods 0.000 description 1
- 238000005859 coupling reaction Methods 0.000 description 1
- 230000007547 defect Effects 0.000 description 1
- 238000011161 development Methods 0.000 description 1
- 238000007599 discharging Methods 0.000 description 1
- 230000009977 dual effect Effects 0.000 description 1
- 238000005516 engineering process Methods 0.000 description 1
- 238000005259 measurement Methods 0.000 description 1
- 230000009347 mechanical transmission Effects 0.000 description 1
- 230000004048 modification Effects 0.000 description 1
- 238000012986 modification Methods 0.000 description 1
- 238000003032 molecular docking Methods 0.000 description 1
- 238000011160 research Methods 0.000 description 1
- 230000004044 response Effects 0.000 description 1
- 239000011435 rock Substances 0.000 description 1
- 238000005096 rolling process Methods 0.000 description 1
- 239000004576 sand Substances 0.000 description 1
Images
Landscapes
- Cage And Drive Apparatuses For Elevators (AREA)
Abstract
本实用新型属于水利水电工程技术领域,具体技术方案为:一种超导直线电机电气升船机,包括船厢、平行且相对布置的混凝土墙体,混凝土墙体的顶部布置有多组恒转矩的电气传动机构,电气传动机构中的卷筒通过钢丝绳与船厢相连,通过船厢两侧的电子秤传感器动态测量船厢的重力信息,传动电机驱动卷筒转动以动态平衡船厢的重力,实现船厢受力平衡,船厢两侧的超导直线电机驱动船厢沿着导轨做往复直线运动,通过电气传动机构与超导直线电机的双机容错实现船厢在导轨中稳定运动,整个升船机的混凝土墙体建设强度要求低,可适用于大吨位、大提升高度的升船需求,整体建造成本低,实用性更强。
Description
技术领域
本实用新型属于水利水电工程技术领域,具体涉及一种超导直线电机驱动电气传动平衡自重的升船机。
背景技术
随着河流水电资源开发带来的航运条件改善,高坝通航技术提出了新的要求。相对于船闸而言,垂直升船机在高坝通航方面具有优势和潜力。
目前,国内已建或在建的垂直升船机工程,其主要型式有钢丝绳卷扬提升全平衡型式、齿轮爬升全平衡型式、以及全平衡水力驱动型式;其中,钢丝绳卷扬提升部分平衡船厢下水型式和全平衡水力驱动型式,目前仅限于过船规模和提升高度都不大的升船机。目前国内乃至全世界规模最大的升船机为三峡升船机,其型式为全平衡齿轮爬升式,过船规模3000t级(排水量),提升高度为113m;国内规模居第二位的是向家坝升船机,其型式同样为全平衡齿轮爬升式,过船规模1000t级(载重量),提升高度为114.2m,目前这两座升船机均已建成投运。该型式升船机的特点是船厢重量由钢丝绳悬吊的平衡重全部平衡,安装在船厢上的小齿轮与安装在塔柱结构上的齿条形成齿轮齿条运动副,用以驱动船厢升降运行。小齿轮驱动机构克服的载荷主要包括船厢内水深偏差引起的偏重、船厢升降过程中的摩擦阻力、钢丝绳僵性阻力和惯性力等。船厢上设置了安全机构,通过与驱动机构连接带动旋转螺杆与小齿轮同步运行,当发生船厢超载失衡事故时,在船厢静止状态下通过驱动机构液气弹簧动作,消除旋转螺杆与安装在塔柱上的螺母柱之间的螺纹间隙,实现对失衡事故条件下船厢的支承。
三峡升船机和向家坝升船机的成功建设,证明了该型式升船机应用于重载大扬程条件具有一定的优势。当升船机规模提高到过船吨位为载重量3000t级,扬程为200m时,该升船机也是适用的,不存在难以克服的技术问题。该升船机另一个明显的优点是安全性高,当船厢因沿程漏水或对接期间沉船等因素造成升船机全平衡条件破坏时,安全机构螺母柱可对失衡的船厢提供支承。但该型式升船机存在造价相对较高、设备制造安装难度大的弱点。由于大多数升船机以过货船为主,尽管该型式升船机具有突出的优点,但在国内的应用尚不够广泛。
目前,国内应用最为广泛的升船机型式为钢丝绳卷扬全平衡垂直升船机,国内已建和在建的该型式升船机包括隔河岩级第一、二级升船机、水口升船机、高坝洲升船机、彭水升船机、亭子口升船机、思林升船机、沙陀升船机和构皮滩第二级升船机。该型式升船机的特点是船厢重量由钢丝绳悬吊的平衡重全部平衡,通过钢丝绳卷扬提升机驱动升降。受主提升机布置条件的限制,平衡重大部分为重力平衡重,即每根与船厢连接的钢丝绳(称为重力平衡绳)绕过平衡滑轮与单块平衡重相连,其钢丝绳张力恒定且对船厢不构成约束;少数平衡重为转矩平衡重,悬挂该平衡重的钢丝绳端固定在卷扬机的卷筒上;在卷筒上与该平衡绳相邻布置提升绳,其绳端亦固定在卷筒上;由提升绳提升的那部分船厢重量与转矩平衡重理论上相等,但由于船厢内水深偏差,以及船厢升降过程中的摩擦阻力、钢丝绳僵性阻力和惯性力等因素,提升绳与转矩平衡绳的张力存在差值,从而形成对卷筒乃至主提升机的力矩负荷。
在卷筒上布置的安全制动器,其制动能力可保证制动由转矩平衡重重量形成的对卷筒的力矩(假设此时提升钢丝绳为零)。由于转矩平衡重重量仅占平衡重总量的少部分,无法实现船厢水漏空情况下升船机的全制动。为了增加主提升机的制动能力,部分钢丝绳卷扬全平衡式垂直升船机以安全卷筒代替平衡滑轮,安全卷筒上缠绕的钢丝绳一端与船厢连接,另一端与平衡重(称为可控平衡重)连接;通过设置在安全卷筒上的制动器制动可控平衡重重量产生的旋转力矩。但由于受主提升机轴线尺寸的限制,一般情况下依然难以实现船厢水漏空情况下升船机的全制动。
研究成果表明,对于重载高扬程升船机,例如载重量为3000t级提升高度200m的升船机,采用钢丝绳卷扬全平衡垂直提升型式有其局限性。由于钢丝绳在卷筒上缠绕的圈数很多,致使卷筒的长度很大,从而造成主提升机的轴向布置难以实现,不得不通过加大卷筒的直径、减少卷筒的工作圈数来控制卷筒的长度,其结果是增大了卷扬机机械传动装置的规模;即使如此,依然不能满足与船厢长度相适应的主提升机的布置。
实用新型内容
为解决现有技术存在的技术问题,本实用新型提供了一种超导直线电机驱动电气传动平衡自重的升船机,建造成本低,能够保证船厢的稳定运行。
为实现上述目的,本实用新型所采用的技术方案为:一种超导直线电机电气升船机,包括船厢、平行且相对布置的混凝土墙体,两侧的混凝土墙体之间形成升船通道,船厢置于升船通道内。当船需要借助船厢从下游向上游行驶通过大坝时,将船厢停靠在下闸首,船舶由下游巷道进入船厢,然后关闭闸首和船厢阀门,在驱动装置作用下,船厢随即上升并停靠在上闸首,打开船厢与闸首阀门,船舶即可驶入上游巷道。当船需要借助船厢从上游向下游行驶通过大坝时,将船厢停靠在上闸首,船舶由上游巷道进入船厢,然后关闭闸首和船厢阀门,在驱动装置作用下,船厢随即下降并停靠在下闸首,打开船厢与闸首阀门,船舶即可驶入下游巷道。
船厢的两侧均布置有电子秤传感器,电子秤传感器的外侧均固定有多个吊耳,置于同一侧的多个吊耳等距间隔布置,通过电子秤传感器能够准确测出船厢的实际重量和在运行过程中的加速度变化,并将重量信息实时传送给控制器,控制器根据实时变化的重量数据来动态调整两侧超导直线电机驱动力,以保证船厢在运行过程中的稳定性。
混凝土墙体的顶部布置有多组成对布置的恒转矩电气传动机构,两侧混凝土墙体上的电气传动机构对称布置,对称布置的结构能够进一步保证船厢两侧受力的均衡,避免船厢出现晃动而造成船厢内水位的变化。
电气传动机构包括两个传动电机,两个传动电机关于减速机对称布置,两个传动电机的动力输出轴均与减速机的输入端相连,减速机的输出端通过中间动力箱与卷筒相连,传动电机的动力依次通过减速机、中间动力箱后传递到卷筒上,通过电气传动平衡船厢自重,减去了平衡配重重量,降低了船厢两侧混凝土墙体的建设强度要求,使得单侧墙体减少了平衡配重的支撑强度要求,降低了建设成本。
传动电机的输出轴上装有工作制动器,工作制动器控制传动电机的启停。
卷筒的两侧均固定有安全制动器,两侧的安全制动器控制卷筒的启停。
卷筒上缠绕有牵引钢丝绳,牵引钢丝绳从卷筒引出的一端与同侧的吊耳相连,在两侧牵引钢丝绳的作用下,实现船厢在升船通道内的往复运动。
船厢外侧与同侧的混凝土墙体之间装有多个恒功率负载的超导直线电机,超导直线电机的电机转子固定在船厢上,与电机转子相配合的电机定子固定在混凝土墙体上,同一超导直线电机的电机定子上留有电机气隙,电机气隙置于电机转子与电机定子之间。在传动电机输出的牵引力作用下,船厢处于受力平衡状态,当船厢两侧超导直线电机启动,船厢进入平稳匀速上、下直线运行,当船厢两侧超导直线电机回馈制动,船厢进入平稳匀速上、下直线运行到减速、制动过程。
船厢外侧与同侧的混凝土墙体之间装有多个导轨,导轨包括滑道、滑动体和支架,滑道固定在混凝土墙体上,支架固定在船厢上,滑动体置于支架与滑道之间并可沿着滑道移动。导轨既能实现电机转子与电机定子之间形成气隙间隔,又能够增加船厢运行的稳定性。
其中,作为优选的,滑道为V型滑道,滑动体为球体,球体在V型滑道内滑动以增加船厢运行的稳定性。
其中,作为优选的,滑道为T型滑道,滑动体设计成与T向滑道相配合的形状,滑动体在V型滑道内滑动以增加船厢运行的稳定性。
电机转子为永磁体,电机定子包括磁悬浮运行超导线圈和磁悬浮导向超导线圈,永磁体与磁悬浮运行超导直线电机线圈相配合为船厢的直线运动提供动力,永磁体与磁悬浮导向超导线圈相配合以控制船厢的运行方向。
混凝土墙体上固定有低温杜瓦,低温杜瓦为低温恒温器,磁悬浮运行超导线圈与磁悬浮导向超导线圈均置于低温杜瓦内。
混凝土墙体的顶部横梁内预设横梁预应力,横梁预应力的作用方向与船厢重力的方向相反,横梁预应力与船厢重力的大小相同,实现横梁预应力与船厢重力相抵消。
船厢上装有多个位置检测单元,位置检测单元用于检测船厢的位置信息,通过位置信息的反馈以实时监控船厢在升船通道内的位置,以控制电气传动机构和超导直线电机的运行状态,从而控制船厢的运行状态。
其中,作为优选的,船厢的外侧与同侧的混凝土墙体之间装有两个超导直线电机,置于船厢两侧的超导直线电机对称布置,保证动力输出的平衡性。
其中,作为优选的,船厢外侧与同侧的混凝土墙体之间装有三个导轨,置于船厢两侧的导轨对称布置,保证动力输出的平衡性。
升船通道的底部布置有多个安全阻尼器,正常情况下,船厢时不会碰到安全阻尼器,当有特殊情况时,船厢下沉,船厢与多个安全阻尼器接触,多个安全阻尼器对船厢有良好的缓冲作用,保证船厢的运行安全。
本实用新型与现有技术相比,具体有益效果体现在:
一、本实用新型采用升船机主起升电气传动平衡自重,减去了平衡配重重量,降低了船厢两侧的混凝土墙体建设强度要求,使得单侧墙体减少了平衡配重的支撑强度要求,降低了建设成本。
二、本实用新型采用双驱动系统,电气驱动和超导直线电机驱动实现了双机容错技术,保障了升船机的安全运行。
三、本实用新型两侧采用导轨来平衡船厢运行的稳定性,减少了相对于保安大螺母机构或齿轮齿条传动机构的摩擦力,提高了传动效率。
四、采用超导直线电机作为升降驱动装置,精度高。
附图说明
图1为本实用新型的整体结构示意图。
图2为俯视状态下,本实用新型的结构示意图。
图3为图1中电气传动机构的结构示意图。
图4为图1中船厢的安装结构示意图。
图5为图1中电气传动机构的平面结构示意图。
图6为外转子升船机的结构示意图。
图7为图6中提升机构的结构示意图。
图8为超导直线电机的安装结构示意图。
图9为船厢与升船通道的安装结构示意图。
图中,1为船厢,11为安全阻尼器,2为混凝土墙体,21为升船通道,3为电子秤传感器,31为吊耳,4为电气传动机构,41为传动电机,42为减速机,43为中间动力箱,44为卷筒,45为工作制动器,46为安全制动器,47为牵引钢丝绳,5为超导直线电机,51为电机转子,52为电机定子,53为电机气隙,54为永磁体,55为磁悬浮运行超导线圈,56为磁悬浮导向超导线圈,57为低温杜瓦,6为导轨,61为滑道,62为滑动体,63为支架,7为位置检测单元。
具体实施方式
为了使本实用新型所要解决的技术问题、技术方案及有益效果更加清楚明白,以下结合附图及实施例,对本实用新型进行进一步详细说明。应当理解,此处所描述的具体实施例仅仅用以解释本实用新型,并不用于限定本实用新型。
一、升船机结构描述:
如图1、图3、图5所示,一种超导直线电机电气升船机,包括船厢1、平行且相对布置的混凝土墙体2,两侧的混凝土墙体2之间形成升船通道21,船厢1置于升船通道21内。
船厢1为干式水箱,在船进入或驶离船厢1的过程中,船厢1不会完全浸入水中,水不会从两侧进入船厢1。
如图4所示,船厢1的两侧均布置有电子秤传感器3,电子秤传感器3的外侧均固定有多个吊耳31,为了保证测力的精确度,置于同一侧的多个吊耳31等距间隔布置,通过电子秤传感器3能够准确测出船厢1静止时的实际重量,根据实际重量,设置混凝土墙体2的顶部横梁上的传动电机41,使其输出的提升力恒等于船厢1静止重量,此时船厢1处于受力平衡状态。船厢1的上行和下降仅与超导直线电机5的驱动力有关,进而增加船厢1运行过程的稳定性。
混凝土墙体2的顶部横梁内预设横梁预应力,横梁预应力的作用方向与船厢1重力的方向相反,横梁预应力与船厢1重力的大小相同,横梁预应力与船厢1的重力抵消。
在实际运行过程中,混凝土墙体2只承受船厢1重量以及船厢1运动时的加速度引起的驱动力,避免承受由于现有技术配重平衡而产生的两倍重量。在安装、维修船厢1或维护船厢1时,船厢1脱离,通过配重与预设的横梁预应力相匹配,保证整个混凝土墙体2的稳定性,在船厢1接入的过程中,随着吃水线的上移,逐渐卸下配重,整个过程受力平衡,船厢1完全接入后,所有配重全部卸掉。
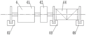
混凝土墙体2的顶部布置有两个恒转矩的电气传动机构4,两侧混凝土墙体2上的电气传动机构4对称布置,对称布置的结构能够进一步保证船厢1两侧受力的均衡,避免船厢1出现晃动而造成船厢1内水位的变化。
电气传动机构4包括两个传动电机41,两个传动电机41关于减速机42对称布置,两个传动电机41的动力输出轴均与减速机42的输入端相连,减速机42的输出端通过中间动力箱43与卷筒44相连,传动电机41的动力依次通过减速机42、中间动力箱43后传递到卷筒44上,中间动力箱43可为齿轮动力箱,通过电气传动平衡船厢1自重,减去了平衡配重重量,降低了船厢1两侧混凝土墙体2的建筑强度要求,使得单侧墙体减少了平衡配重的支撑强度要求,降低了建造成本。
传动电机41的输出轴上装有工作制动器45,工作制动器45控制传动电机41的启停。
卷筒44的两侧均固定有安全制动器46,两侧的安全制动器46控制卷筒44的启停。
卷筒44上缠绕有牵引钢丝绳47,牵引钢丝绳47从卷筒44引出的一端与同侧的吊耳31相连,在两侧牵引钢丝绳47的作用下,实现船厢1在升船通道21内的往复运动。
另外,在运行的过程中,若其中的一台传动电机41发生故障,通过控制器的实时调控,及时控制另一台传动电机41短时两倍过载运行,保证动力稳定传输。
传动电机41的电气控制回路采用通用起重机恒转矩控制回路。
如图1和图2所示,船厢1外侧与同侧的混凝土墙体2之间装有两个恒功率负载的超导直线电机5,每个超导直线电机5的电机转子51固定在船厢1上,与电机转子51相配合的电机定子52固定在混凝土墙体2上,同一超导直线电机5的电机定子52上留有电机气隙53,电机气隙53置于电机转子51与电机定子52之间。在牵引力的作用下,船厢1处于受力平衡状态,当船厢1两侧超导直线电机5启动,船厢1进入平稳匀速上、下直线运行,当船厢1两侧超导直线电机5回馈制动,船厢1进入平稳匀速上、下直线运行到减速、制动过程。
船厢1外侧与同侧的混凝土墙体2之间装有三个导轨6,每个导轨6包括滑道61、滑动体62和支架63,滑道61固定在混凝土墙体2上,支架63固定在船厢1上,滑动体62置于支架63与滑道61之间并可沿着滑道61移动;导轨6既能实现电机转子51与电机定子52形成气隙间隔,又能增加船厢1运行的稳定性。
如图8所示,电机转子51为永磁体54,所述电机定子52包括磁悬浮运行超导线圈55和磁悬浮导向超导线圈56,永磁体54与磁悬浮运行超导线圈55相配合为船厢1的直线运动提供动力,永磁体54与磁悬浮导向超导线圈56相配合以控制船厢1的运行方向。
混凝土墙体2上固定有低温杜瓦57,低温杜瓦57为低温恒温器,磁悬浮运行超导线圈55和磁悬浮导向超导线圈56均置于低温杜瓦57内。
如图9所示,升船通道21的底部布置有多个安全阻尼器11,正常情况下,船厢1时不会碰到安全阻尼器11,当有特殊情况时,船厢1下沉,船厢1与多个安全阻尼器11接触,多个安全阻尼器11对船厢1有良好的缓冲作用,保证船厢1的运行安全。
二、实际运行过程中的受力分析:
在船厢1的实际运动过程中,船厢1向上运行时,船厢1内的船舶吃水线下沉,进而产生上行所需要的动力,浮力提供船舶向上的加速度,船厢1在接近坝上端减速时,船厢1内的船舶吃水线上移,会带来水体的晃动。船厢1向下运行时,船厢1内的船舶吃水线上移,进而产生下行所需要的动力,重力提供船舶向下的加速度,船厢1在接近坝底端减速时,船厢1内的船舶吃水线下沉,同样会带来水体的晃动。
为了表明水面波动对整个提升机构的作用力影响,下面针对船厢1内水位变化所带来的的动态偏载问题进行阐述:
1、外转子升船机的结构
如图6、图7所示,在坝体之间的水面上放置有承船厢,承船厢通过皮带,并经过第一导向轮与外转子电机的两侧转筒连接。坝体的外侧分别设有配重,配重通过皮带,并经过第二导向轮与外转子电机两侧转筒连接;外转子电机及其提升机构结构相同,对称布置安装在坝体上。现以单侧为例,如图7所示,外转子电机的中心轴通过支架固定安装在坝体上,在其皮带转筒通过螺栓与皮带连接,在皮带转筒的中间位置安装有前后制动器。
此时,配重抵偿升船厢自重,外转子永磁同步电机仅提供运行的驱动力,减少运营成本。在轴承载荷平衡的情况下,外转子电动机驱动仅需克服轴承的摩擦力,实现升船机匀速起降运行。
2、垂直升船机力学分析:
2.1、外转子电机驱动的力学分析:
设承船厢的驱动力为F驱动,根据静力学力学定律(以向上为力的正方向)可知:
F驱动+G配重-G承船厢=M承船厢a承船厢
在确保水位不变的条件下,承船厢内的船舶数量与大小,都不影响升船水厢的重量G承船厢;因此,当外转子电机驱动的垂直升船机结构确保了承船厢与配重等重时,其外转子电机的驱动力F驱动,仅提供了升船机升降时所需承船厢升降加速度a承船厢的力,即:当G配重=G承船厢时,
F驱动=M承船厢a承船厢
此时,设承船厢对通航船舶的浮力F船浮力,根据阿基米德原理和牛顿力学定律知,承船厢中船舶的受力F船舶为:
化简可得:
由上式可知,船舶的提升(下降)加速度取决于排开水体积V船排的变化,设排开水体积V船排的变化为ΔV船排,则有:
V船排+ΔV船排=a承船厢b承船厢(h液面+Δh液面)
其中:a承船厢为承船厢的长度;
b承船厢为承船厢的宽度;
由上式可知,船舶排开水体积V船排的变化ΔV船排,提供了船舶的加速度a船舶;由于承船厢水量一定,船舶排开水体积V船排变化ΔV船排,引起水厢中的液面高度h液面发生相应的变化Δh液面;水厢水位的升高或下降提供了船舶上升或下降的动力。
设升船机承船厢中运送n艘船只,暂不考虑船只间的耦合振动对承船厢液面的影响下,则n艘船只对承船厢液面变化的影响为
将其列写微分方程为:
每艘船的排开水的体积和其吃水线有关,当升船机向上提升时,每艘船相对于水面向下运动深度是不同的,船舶侧立面对水的压力也不一样,因此,产生水面的波动,带来承船厢的摆动。
此时,若承船厢中通航船舶型号一致时,根据水弹性动态响应,易引发水体的共振,带来控制难度增加。外转子电动机驱动可以实现匀速运行,仅在其加、减速过程,出现上述问题,通过智能算法的平滑性控制和制动器的投入,可以有效的减少承船厢水体的晃动。
2.2、承船厢运行偏载受力的分析
由于承船厢上下运行时,多吊点运行,传统的起升机构会带来侧倾,以三峡升船机为例,三峡承船厢长*宽*高(100m×20m×18m);若两侧高差相差1cm,计算其两侧重量差:
G偏载=ρ液V偏载g=1000×100×20×0.01×10=200000(N)
G偏载=ρ液V偏载g=20(t)
显见,承船厢两侧高差一厘米,偏载二十吨,加之如前所述,承船厢向上起升时,承船厢中各船只对承船厢水位影响不同,也会带来动态偏载问题。
在实际的力学计算时,由于牵引钢丝绳的重量远小于承船厢的重量,故计算时省略牵引钢丝绳的重量。
三、升船机的运行过程:
为了减少船厢1内水位的波动,并平衡整个船厢1的运行过程,在本申请的升船机实际运行时,当船厢1出现由于船厢1内水晃动带来的水荡漾情况发生时,船厢1上的位置检测单元7检测的位置信息与超导直线电机5提供的推进位移存在偏差时,启动报警装置。
升船机向上运行时,通过自带吊耳31电子秤传感器3称出船厢1的实时重力,传动电机41预置启动转矩,保证升船机不溜钩后,打开安全制动器46和工作制动器45,两侧的电气传动机构4运行用于平衡船厢1的重力;超导直线电机5的电机定子52通电,两侧的超导直线电机5驱动实现船厢1在升船通道21内的上下运动,在船厢1向上运行的过程中,位置检测单元7检测到船厢1即将到达升船机坝顶时,预减速,此时超导直线电机5回馈制动,在到达预停车位置时,超导直线电机5停止通电,根据实时位置信息,通过控制器控制电气传动机构4,工作制动器45与安全制动器46同步制动,精准停车。
在船厢1向下的运行时,通过电子秤传感器3称出升船机重量,电气传动机构4预置启动转矩,在保证船厢1不溜钩的前提下,打开安全制动器46和工作制动器45,超导直线电机5的电机定子52通电,驱动升船机船厢1向下运行,通过位置检测单元7在达到升船机坝底减速位置时,超导直线电机5回馈制动,在达到预停车位置时,超导直线电机5停止通电,电气传动机构4根据位置检测单元7精确停车,工作制动器45与安全制动器46同步制动,精确停车。
船厢1上、下运行时,船厢1两侧墙体和大坝形成了空气空腔,在船厢1上、下运行时,会出现压缩和扩张船厢1上、下部的空气,由于船厢1内的船体甲板大小不同,引起迎风面大小不一致,使船厢1内的船体受到的空气压力不一致,带来船厢1内的各个船体所受浮力出现不一致的状态,各个船体的吃水线不同,引起船厢1内水体的晃动。
主起升平衡船厢1自重的电气传动机构4与电子秤传感器3是独立闭环控制,当单个电气传动系统发生故障时,电子秤传感器3反馈值相应发生变化,各个独立的起升机构分担了故障的起升机构的承载力,有效避免单个主起升机构故障而带来的连锁系统故障。
当升船厢1出现不可抗力的漏水事故时,位置检测单元7的位置信息与超导直线电机5提供的推进位移不一致时,启动报警装置,主起升平衡船厢1自重的电气传动机构4开始自动闭环减少提供自重的提升力,动态跟踪平衡船厢1重量,如出现超速开关或重锤限位开关动作,启动安全制动器46急停。
为了保证升船机在上、下起点位置保持静止,在运行时,利用超导直线电机5保持匀速直线运动,这样有利于减少船厢1内液体的晃动,增加了升船机系统的运行稳定性。为了达到这一效果,运用船厢1受力平衡原理,通过两侧的电气传动机构4在整个运行过程中的动力输出来平衡船厢1重量,此时,船厢1处于受力平衡状态,船厢1两侧的超导直线电机5启动,船厢1进入加速上、下直线运行,当船厢1两侧超导直线电机5平稳运行时,船厢1进入平稳匀速上、下直线运行;当船厢1两侧超导直线电机5回馈制动,船厢1进入平稳匀速上、下直线运行到减速、制动过程。
当主起升平衡船厢1自重的电气传动机构4系统发生故障时,安全制动器46投入,会对升船厢1产生较大的冲击作用,采用超导直线电机5的磁悬浮产生的横向力,有利于减少安全制动器46制动过程对滚动导轨6的冲击。
以上所述仅为本实用新型的较佳实施例而已,并不用以限制本实用新型,凡在本实用新型的精神和原则之内所作的任何修改、等同替换和改进等,均应包在本实用新型范围内。
Claims (7)
1.一种超导直线电机电气升船机,其特征在于,包括船厢(1)、平行且相对布置的混凝土墙体(2),两侧的混凝土墙体(2)之间形成升船通道(21),所述船厢(1)置于升船通道(21)内;
船厢(1)的两侧均布置有电子秤传感器(3),所述电子秤传感器(3)的外侧均固定有多个吊耳(31),置于同一侧的多个吊耳(31)等距间隔布置;
混凝土墙体(2)的顶部布置有多组恒转矩的电气传动机构(4),两侧混凝土墙体(2)上的电气传动机构(4)对称布置;
所述电气传动机构(4)包括两个传动电机(41),两个传动电机(41)关于减速机(42)对称布置,两个传动电机(41)的动力输出轴均与减速机(42)的输入端相连,减速机(42)的输出端通过中间动力箱(43)与卷筒(44)相连;
所述传动电机(41)的输出轴上装有工作制动器(45),所述工作制动器(45)控制传动电机(41)的启停;
所述卷筒(44)的两侧均固定有安全制动器(46),两侧的安全制动器(46)控制卷筒(44)的启停;
所述卷筒(44)上缠绕有牵引钢丝绳(47),牵引钢丝绳(47)从卷筒(44)引出的一端与同侧的吊耳(31)相连;
所述船厢(1)外侧与同侧的混凝土墙体(2)之间装有多个恒功率负载的超导直线电机(5),所述超导直线电机(5)的永磁体(54)固定在船厢(1)上,所述混凝土墙体(2)上固定有低温杜瓦(57),所述超导直线电机(5)的磁悬浮运行超导线圈(55)和磁悬浮导向超导线圈(56)均置于低温杜瓦(57)内;
所述船厢(1)外侧与同侧的混凝土墙体(2)之间装有多个导轨(6),导轨(6)包括滑道(61)、滑动体(62)和支架(63),滑道(61)固定在混凝土墙体(2)上,支架(63)固定在船厢(1)上,滑动体(62)置于支架(63)与滑道(61)之间并可沿着滑道(61)移动;
所述船厢(1)上装有多个位置检测单元(7),位置检测单元(7)用于检测船厢(1)的位置信息。
2.根据权利要求1所述的一种超导直线电机电气升船机,其特征在于,所述船厢(1)的外侧与同侧的混凝土墙体(2)之间装有两个超导直线电机(5),置于船厢(1)两侧的超导直线电机(5)对称布置。
3.根据权利要求2所述的一种超导直线电机电气升船机,其特征在于,所述船厢(1)外侧与同侧的混凝土墙体(2)之间装有三个导轨(6),置于船厢(1)两侧的导轨(6)对称布置。
4.根据权利要求3所述的一种超导直线电机电气升船机,其特征在于,所述滑道(61)为V型滑道(61)。
5.根据权利要求3所述的一种超导直线电机电气升船机,其特征在于,所述滑道(61)为T型滑道(61)。
6.根据权利要求3所述的一种超导直线电机电气升船机,其特征在于,所述混凝土墙体(2)的顶部横梁内预设横梁预应力,横梁预应力的作用方向与船厢(1)重力的方向相反,横梁预应力与船厢(1)重力的大小相同。
7.根据权利要求6所述的一种超导直线电机电气升船机,其特征在于,所述升船通道(21)的底部布置有多个安全阻尼器(11)。
Priority Applications (1)
| Application Number | Priority Date | Filing Date | Title |
|---|---|---|---|
| CN202021381863.5U CN212358246U (zh) | 2020-07-14 | 2020-07-14 | 一种超导直线电机电气升船机 |
Applications Claiming Priority (1)
| Application Number | Priority Date | Filing Date | Title |
|---|---|---|---|
| CN202021381863.5U CN212358246U (zh) | 2020-07-14 | 2020-07-14 | 一种超导直线电机电气升船机 |
Publications (1)
| Publication Number | Publication Date |
|---|---|
| CN212358246U true CN212358246U (zh) | 2021-01-15 |
Family
ID=74130835
Family Applications (1)
| Application Number | Title | Priority Date | Filing Date |
|---|---|---|---|
| CN202021381863.5U Expired - Fee Related CN212358246U (zh) | 2020-07-14 | 2020-07-14 | 一种超导直线电机电气升船机 |
Country Status (1)
| Country | Link |
|---|---|
| CN (1) | CN212358246U (zh) |
Cited By (1)
| Publication number | Priority date | Publication date | Assignee | Title |
|---|---|---|---|---|
| CN111648339A (zh) * | 2020-07-14 | 2020-09-11 | 太原科技大学 | 超导直线电机电气升船机 |
-
2020
- 2020-07-14 CN CN202021381863.5U patent/CN212358246U/zh not_active Expired - Fee Related
Cited By (1)
| Publication number | Priority date | Publication date | Assignee | Title |
|---|---|---|---|---|
| CN111648339A (zh) * | 2020-07-14 | 2020-09-11 | 太原科技大学 | 超导直线电机电气升船机 |
Similar Documents
| Publication | Publication Date | Title |
|---|---|---|
| CN212358244U (zh) | 一种直线电机电气升船机 | |
| CN102535424B (zh) | 适应承船厢出入水的全平衡式垂直升船机 | |
| CN202466553U (zh) | 适应承船厢出入水的全平式衡垂直升船机 | |
| CN110409398B (zh) | 一种适合重载高扬程应用的全平衡摩擦驱动式垂直升船机 | |
| CN104709802B (zh) | 一种采用船闸输水原理提升的电梯及其运行控制方法 | |
| CN102627205B (zh) | 采用副对重的电梯轿厢与对重自动平衡节能装置与控制系统 | |
| CN111648336A (zh) | 直线电机液压升船机 | |
| CN108217469A (zh) | 一种差动驱动桥式起重机试验台及其差动驱动方法 | |
| CN101195458B (zh) | 电梯平衡系统 | |
| CN212358246U (zh) | 一种超导直线电机电气升船机 | |
| CN212358245U (zh) | 一种超导直线电机液压升船机 | |
| CN212358243U (zh) | 一种直线电机液压升船机 | |
| CN202936110U (zh) | 起重机械 | |
| CN101549819A (zh) | 一种节能电梯对重平衡的方法 | |
| CN102992150A (zh) | 液压变配重电梯 | |
| CN106938828B (zh) | 吊机及其起吊机构 | |
| CN111648335A (zh) | 动力平衡船厢重力升船系统 | |
| CN103663165A (zh) | 智能化四吊点自动补偿平衡大型起重组装设备 | |
| CN203667839U (zh) | 四吊点自动补偿平衡大型起重组装设备 | |
| CN203333251U (zh) | 一种水下模态试验升降及辅助稳定系统 | |
| CN104229685B (zh) | 一种水下模态试验升降及辅助稳定系统 | |
| CN112609660A (zh) | 一种水力式升船机及其承船厢安全解锁方法 | |
| CN111648339A (zh) | 超导直线电机电气升船机 | |
| CN111648338A (zh) | 超导直线电机液压升船机 | |
| CN202529666U (zh) | 采用副对重的电梯轿厢与对重自动平衡节能装置 |
Legal Events
| Date | Code | Title | Description |
|---|---|---|---|
| GR01 | Patent grant | ||
| GR01 | Patent grant | ||
| CF01 | Termination of patent right due to non-payment of annual fee |
Granted publication date: 20210115 |
|
| CF01 | Termination of patent right due to non-payment of annual fee |



