CN212335672U - 一种铁路道岔打磨小车 - Google Patents

一种铁路道岔打磨小车 Download PDF

Info

Publication number
CN212335672U
CN212335672U CN202021898654.8U CN202021898654U CN212335672U CN 212335672 U CN212335672 U CN 212335672U CN 202021898654 U CN202021898654 U CN 202021898654U CN 212335672 U CN212335672 U CN 212335672U
Authority
CN
China
Prior art keywords
grinding
wheel
vehicle body
guide rail
moving vehicle
Prior art date
Legal status (The legal status is an assumption and is not a legal conclusion. Google has not performed a legal analysis and makes no representation as to the accuracy of the status listed.)
Active
Application number
CN202021898654.8U
Other languages
English (en)
Inventor
高春雷
王鹏
何国华
张世红
程锋
王金栋
徐济松
张锐
周佳亮
宋晓阳
刘传
刘尚昆
吴和山
何喆
张玉秀
刘靖伟
伍山峰
Current Assignee (The listed assignees may be inaccurate. Google has not performed a legal analysis and makes no representation or warranty as to the accuracy of the list.)
Beijing Tieke Prasai Road Maintenance Machinery Co ltd
China Academy of Railway Sciences Corp Ltd CARS
Railway Engineering Research Institute of CARS
Original Assignee
Beijing Tieke Prasai Road Maintenance Machinery Co ltd
China Academy of Railway Sciences Corp Ltd CARS
Railway Engineering Research Institute of CARS
Priority date (The priority date is an assumption and is not a legal conclusion. Google has not performed a legal analysis and makes no representation as to the accuracy of the date listed.)
Filing date
Publication date
Application filed by Beijing Tieke Prasai Road Maintenance Machinery Co ltd, China Academy of Railway Sciences Corp Ltd CARS, Railway Engineering Research Institute of CARS filed Critical Beijing Tieke Prasai Road Maintenance Machinery Co ltd
Priority to CN202021898654.8U priority Critical patent/CN212335672U/zh
Application granted granted Critical
Publication of CN212335672U publication Critical patent/CN212335672U/zh
Active legal-status Critical Current
Anticipated expiration legal-status Critical

Links

Images

Landscapes

  • Finish Polishing, Edge Sharpening, And Grinding By Specific Grinding Devices (AREA)

Abstract

本发明涉及一种铁路维修设备,尤其是涉及一种铁路道岔打磨小车。包括移动车体、打磨装置、横移导轨,所述的打磨装置位于移动车体上,所述的移动车体一边和位于被打磨钢轨上的轮对连接,另一边和横移导轨滑动连接,所述的横移导轨一端为自由端,另一端与位于另一条钢轨上的支撑轮连接,所述移动车体和所述支撑轮之间连接有轮距调整气缸。本发明可实现道岔岔心、岔尖区域快速打磨;结构采用模块化式装配,易于转场和运输。

Description

一种铁路道岔打磨小车
技术领域
本发明涉及一种铁路维修设备,尤其是涉及一种铁路道岔打磨小车。
背景技术
钢轨打磨是钢轨病害预防和修理的有效手段。针对于道岔打磨作业,目前应用比较成熟的是砂轮端面打磨技术和砂轮周面打磨技术。通过引进和国产化的道岔打磨车打磨作业,目前可有效的解决道岔大部分区域的打磨作业问题。但道岔打磨车在作业中,虽然可以按地面障碍指示牌设置要求进行单侧打磨、双侧打磨、单侧跳跃打磨、双侧跳跃打磨等,但由于道岔本身结构限制,仍有部分区域无法进行打磨或打磨不彻底,存在打磨盲区。
因此,针对大机打磨遗留下来道岔病害伤损打磨作业,急需开展适用于我国高铁道岔“受限区”和“跳打区”的机械化打磨技术研究,研制出适合国内道岔补盲作业的中型高效打磨装备,解决尖轨、岔心、曲股等道岔区段的打磨作业瓶颈。
发明内容
本发明就是针对现有技术中道岔打磨作业的瓶颈,提供一种道岔打磨小车,能够在现有打磨车不能作业的道岔区域进行高效、高精度的打磨作业。
本发明是通过以下技术方案实现的:
一种铁路道岔打磨小车, 包括移动车体、打磨装置、横移导轨,所述的打磨装置位于移动车体上,所述的移动车体一边和位于被打磨钢轨上的轮对连接,另一边和横移导轨滑动连接,所述的横移导轨一端为自由端,另一端与位于另一条钢轨上的支撑轮连接,所述移动车体和所述支撑轮之间连接有轮距调整气缸。
优选的,所述的打磨装置包括竖向打磨机构,所述的竖向打磨机构包括位于打磨框架下端的打磨滚轮,所述的打磨框架连接有抬头机构,所述的抬头机构包括支撑板,所述的支撑板一端和打磨轮组连接,另一端和移动车体上的支座铰接,所述的支撑板下有一带摇杆的偏心轮,所述支撑板对应偏心轮的位置还有一锁定销轴。
优选的,所述的打磨装置还包括径向打磨机构, 所述径向打磨机构包括无刷电机、驱动带轮,和驱动带轮连接的圆周曲面砂轮。所述的径向打磨机构还包括摆动机构,所述的摆动机构包括回转中心轴和可绕回转中心轴旋转的框架,所述框架带有圆弧导轨,一带有操纵手轮的丝杠传动装置和框架连接。
优选的,所述的打磨装置还包括进给机构,所述进给机构包括通过手轮或电机驱动的丝杠、和丝杠上的丝母连接的径向打磨机构。
本发明具有以下优点:
(1)可实现道岔岔心、岔尖区域快速打磨;
(2)结构采用模块化式装配,易于转场和运输;
(3)采用电池组清洁能源。
附图说明
图1是本发明所述的道岔打磨作业示意图。
图2是本发明所述的道岔打磨车体结构图。
图3是本发明所述的道岔打磨装置图。
图4是本发明所述的道岔打磨抬头机构和摆动机构图。
图5是本发明所述的径向打磨机构图。
具体实施方式
下面结合附图和具体实施例对本发明做进一步的说明。
如图1所示,本发明所述的道岔打磨小车包括移动车体2、打磨装置3、动力源4和气泵5等。动力源4和气泵5固定于移动车体2上,动力源4优选的可以考虑电池组或者发电机组等。
如图2所示,打磨装置3位于移动车体2上,移动车体2一边和位于被打磨钢轨上的轮对2.2连接,另一边和横移导轨2.5滑动连接,所述的横移导轨2.5一端为自由端,另一端与位于另一条钢轨上的支撑轮2.3连接,所述移动车体2和所述支撑轮2.3之间连接有轮距调整气缸2.4。通过气缸恒压,实现轮距可伸缩调整,以保证在道岔区域轨距变化情况下,轮对与钢轨始终张紧接触。
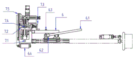
如图3所示,所述的打磨装置3包括钢轨竖向打磨机构,所述的竖向打磨机构包括位于打磨框架下端的打磨滚轮6.4,所述的打磨框架连接有抬头机构6,所述的抬头机构6包括支撑板,所述的支撑板一端和打磨框架连接,另一端和移动车体2上的支座铰接,所述的支撑板下有一带摇杆6.1的偏心轮6.2,所述支撑板对应偏心轮的位置还有一锁定销轴6.3。如图4所示,本发明所述的抬头机构6,作业时,通过操纵摇杆6.1,带动偏心轮6.2,使得滚轮6.4与钢轨接触,打磨装置3依靠自重实现一定的打磨压力,遇到较大阻力时,可克服打磨装置3重力向上抬起;滚轮6.4采用并排4组结构型式,可有效解决波磨问题;收车时,通过操作摇杆6.1,带动偏心轮6.2,可将打磨装置3抬起,并通过销轴6.3将其锁定。
如图5所示,本发明所述的打磨装置3还包括径向打磨机构9, 所述径向打磨机构包括无刷电机9.1、驱动带轮9.2,和驱动带轮9.2连接的圆周曲面砂轮9.3。
如图3所示,径向打磨机构9还包括摆动机构7,所述的摆动机构7包括回转中心轴7.1和可绕回转中心轴7,1旋转的框架,所述框架带有圆弧导轨7.2,一带有操纵手轮7.3的丝杠传动装置和框架连接。摆动机构7通过销轴和圆弧导轨安装于抬头机构6上;进给机构8和径向打磨机构9均安装于摆动机构框架上,通过丝杠传动机构和导轨实现径向打磨机构9的进给动作。
如图4所示,本发明所述的摆动机构7,通过操纵手轮7.3,可实现径向打磨机构9绕回转中心7.1,沿着圆弧导轨7.2进行摆动,以实现根据钢轨不同打磨区域调整打磨角度,并在调整好角度后,通过锁定机构7.4进行锁定。
如图5所示,本发明所述的的打磨装置3还包括进给机构8,所述进给机构8包括通过手轮或电机8.1驱动的丝杠、和丝杠上的丝母8.2连接的径向打磨机构。

Claims (4)

1.一种铁路道岔打磨小车,其特征是包括移动车体、打磨装置、横移导轨,所述的打磨装置位于移动车体上,所述的移动车体一边和位于被打磨钢轨上的轮对连接,另一边和横移导轨滑动连接,所述的横移导轨一端为自由端,另一端与位于另一条钢轨上的支撑轮连接,所述移动车体和所述支撑轮之间连接有轮距调整气缸。
2.如权利要求1所述的铁路道岔打磨小车,其特征是所述的打磨装置包括竖向打磨机构,所述的竖向打磨机构包括位于打磨框架下端的打磨滚轮,所述的打磨框架连接有抬头机构,所述的抬头机构包括支撑板,所述的支撑板一端和打磨轮组连接,另一端和移动车体上的支座铰接,所述的支撑板下有一带摇杆的偏心轮,所述支撑板对应偏心轮的位置还有一锁定销轴。
3.如权利要求2所述的铁路道岔打磨小车,其特征是所述的打磨装置还包括径向打磨机构, 所述径向打磨机构包括无刷电机、驱动带轮,和驱动带轮连接的圆周曲面砂轮,所述的径向打磨机构还包括摆动机构,所述的摆动机构包括回转中心轴和可绕回转中心轴旋转的框架,所述框架带有圆弧导轨,一带有操纵手轮的丝杠传动装置和框架连接。
4.如权利要求3所述的铁路道岔打磨小车,其特征是所述的打磨装置还包括进给机构,所述进给机构包括通过手轮或电机驱动的丝杠、和丝杠上的丝母连接的径向打磨机构。
CN202021898654.8U 2020-09-03 2020-09-03 一种铁路道岔打磨小车 Active CN212335672U (zh)

Priority Applications (1)

Application Number Priority Date Filing Date Title
CN202021898654.8U CN212335672U (zh) 2020-09-03 2020-09-03 一种铁路道岔打磨小车

Applications Claiming Priority (1)

Application Number Priority Date Filing Date Title
CN202021898654.8U CN212335672U (zh) 2020-09-03 2020-09-03 一种铁路道岔打磨小车

Publications (1)

Publication Number Publication Date
CN212335672U true CN212335672U (zh) 2021-01-12

Family

ID=74071144

Family Applications (1)

Application Number Title Priority Date Filing Date
CN202021898654.8U Active CN212335672U (zh) 2020-09-03 2020-09-03 一种铁路道岔打磨小车

Country Status (1)

Country Link
CN (1) CN212335672U (zh)

Similar Documents

Publication Publication Date Title
CN205998928U (zh) 一种修理厂用汽车升降装置
CN104631234B (zh) 一种钢轨双联自动除锈机
CN112458805A (zh) 一种智能组合型钢轨打磨车
CN111926637B (zh) 一种铁路道岔打磨小车
CN114986343A (zh) 一种刚性接触线快速打磨系统及方法
CN112482108A (zh) 一种公铁两用砂带式钢轨打磨车
CN104589193B (zh) 一种可调式钢轨除锈机
CN215482003U (zh) 一种公铁两用砂带式钢轨打磨车
CN212335672U (zh) 一种铁路道岔打磨小车
CN211163314U (zh) 风电叶片打磨机
CN216883218U (zh) 外圆自动打磨机
CN216422065U (zh) 酒瓶磨砂处理设备
KR20180093282A (ko) 고무차륜 주행용 패널 평삭장치
CN111926635A (zh) 一种钢轨打磨设备
CN116752389B (zh) 一种钢轨打磨设备
CN219793485U (zh) 一种可折叠堆置式双单元全自动钢轨打磨机
CN2193227Y (zh) 移动式道岔打磨机
CN115890442B (zh) 一种金属表面缺陷修磨设备
CN115652709A (zh) 一种可折叠堆置式双单元全自动钢轨打磨机
CN2364073Y (zh) 内燃道岔打磨机
CN216829992U (zh) 一种钢管内磨机的磨杆驱动小车
CN217460117U (zh) 一种小型钢轨轨腰除锈打磨机
CN211639751U (zh) 钢轨打磨车磨石更换装置
CN208429095U (zh) 一种矿车复轨装置
CN116289360A (zh) 一种钢轨曲面打磨机

Legal Events

Date Code Title Description
GR01 Patent grant
GR01 Patent grant