CN212298925U - 一种基于节能环保技术的蒸汽发生装置 - Google Patents
一种基于节能环保技术的蒸汽发生装置 Download PDFInfo
- Publication number
- CN212298925U CN212298925U CN202020595872.8U CN202020595872U CN212298925U CN 212298925 U CN212298925 U CN 212298925U CN 202020595872 U CN202020595872 U CN 202020595872U CN 212298925 U CN212298925 U CN 212298925U
- Authority
- CN
- China
- Prior art keywords
- heating box
- connecting pipe
- water
- main body
- pipe
- Prior art date
- Legal status (The legal status is an assumption and is not a legal conclusion. Google has not performed a legal analysis and makes no representation as to the accuracy of the status listed.)
- Active
Links
- 238000005516 engineering process Methods 0.000 title claims abstract description 8
- XLYOFNOQVPJJNP-UHFFFAOYSA-N water Substances O XLYOFNOQVPJJNP-UHFFFAOYSA-N 0.000 claims abstract description 157
- 238000010438 heat treatment Methods 0.000 claims abstract description 138
- 238000002485 combustion reaction Methods 0.000 claims abstract description 45
- 238000001914 filtration Methods 0.000 claims abstract 3
- 230000003044 adaptive effect Effects 0.000 claims description 12
- 239000002912 waste gas Substances 0.000 abstract description 11
- 239000000446 fuel Substances 0.000 abstract description 10
- 238000002309 gasification Methods 0.000 abstract description 7
- 239000002699 waste material Substances 0.000 abstract description 6
- 230000007613 environmental effect Effects 0.000 abstract description 5
- 239000007788 liquid Substances 0.000 abstract description 2
- 230000002349 favourable effect Effects 0.000 abstract 1
- 230000011218 segmentation Effects 0.000 abstract 1
- 238000002347 injection Methods 0.000 description 6
- 239000007924 injection Substances 0.000 description 6
- 238000000034 method Methods 0.000 description 4
- 238000009413 insulation Methods 0.000 description 3
- 230000009286 beneficial effect Effects 0.000 description 2
- 238000007599 discharging Methods 0.000 description 2
- 239000002737 fuel gas Substances 0.000 description 2
- 239000007789 gas Substances 0.000 description 2
- 230000005484 gravity Effects 0.000 description 2
- 238000004321 preservation Methods 0.000 description 2
- 230000000694 effects Effects 0.000 description 1
- 239000003546 flue gas Substances 0.000 description 1
- 238000012423 maintenance Methods 0.000 description 1
- 238000004519 manufacturing process Methods 0.000 description 1
- 239000000243 solution Substances 0.000 description 1
- 238000004804 winding Methods 0.000 description 1
Images
Landscapes
- Devices For Medical Bathing And Washing (AREA)
Abstract
本实用新型公开了一种基于节能环保技术的蒸汽发生装置,包括主体、燃烧室、第一加热箱、第二加热箱、第一烟道、第二烟道;所述主体的底部固定设置有所述燃烧室,所述燃烧室顶部的两侧分别固定设置有所述第一加热箱和所述第二加热箱,所述主体的顶部开设有通孔,所述主体的内部固定设置有水箱,所述水箱的顶部开设有进水口,所述进水口穿过所述主体顶部的通孔延伸至外部,所述水箱底部的一侧开设有出水口,所述出水口与第一连接管的一端固定连接;本实用新型中,通过两个加热箱分别对水管内不同的分段进行加热使液体气化,降低了对能源的浪费,对热量的利用更加充分,燃料燃烧形成的废气经过过滤后排放,更有利于环保。
Description
技术领域
本实用新型属于环保技术领域,具体涉及一种基于节能环保技术的蒸汽发生装置。
背景技术
蒸汽发生器(俗称锅炉)是利用燃料或其他能源的热能把水加热成为热水或蒸汽的机械设备。锅的原义是指在火上加热的盛水容器,炉是指燃烧燃料的场所,锅炉包括锅和炉两大部分,是蒸汽动力装置的重要组成部分;电站锅炉、汽轮机和发电机是火力发电站的主机,因此电站锅炉是生产电能的重要设备;工业锅炉是在各种工业企业中提供生产和供暖所需的蒸汽的必不可少的设备。工业锅炉数量甚多,需要消耗大量燃料;
在现有技术中,一般的蒸汽发生装置采用单一的加热装置对管道内部的水进行加热,从而使水气化,在此种方式中,热量无法充分的得到利用,从而造成燃料的浪费,燃料燃烧后产生的废气直接排放,加大了对大气的污染,不利于节能环保。
实用新型内容
本实用新型目的在于提供一种基于节能环保技术的蒸汽发生装置,用于解决现有技术中存在的技术问题,如:在现有技术中,一般的蒸汽发生装置采用单一的加热装置对管道内部的水进行加热,从而使水气化,在此种方式中,热量无法充分的得到利用,从而造成燃料的浪费,同时加大了对大气的污染,不利于节能环保。
为实现上述目的,本实用新型所采用的技术方案是:
一种基于节能环保技术的蒸汽发生装置,包括主体、燃烧室、第一加热箱、第二加热箱、第一烟道、第二烟道;
所述主体的底部固定设置有所述燃烧室,所述燃烧室顶部的两侧分别固定设置有所述第一加热箱和所述第二加热箱,所述主体的顶部开设有通孔,所述主体的内部固定设置有水箱,所述水箱的顶部开设有进水口,所述进水口穿过所述主体顶部的通孔延伸至外部,所述水箱底部的一侧开设有出水口,所述出水口与第一连接管的一端固定连接,所述出水口处固定设置有阀门,所述第一连接管的另一端靠近与第二连接管的一端固定连接;所述第二连接管缠绕在所述第一加热箱的外部;
所述第一加热箱的顶部固定设置有所述第一烟道,所述第一烟道靠近所述第一加热箱的一端穿过所述第一加热箱的顶部延伸至其内部,所述第一烟道的另一端穿过所述主体的顶部延伸至外部;
所述主体靠近所述燃烧室的一侧固定设置有第三连接管,所述第三连接管的两端均设置有外螺纹,所述第二连接管靠近所述燃烧室的一端开设有螺纹槽,所述第二连接管靠近所述燃烧室的一端与所述第三连接管的一端适配连接,所述第三连接管的另一端与第四连接管适配连接;
所述主体的底部靠近所述第一加热箱的一侧固定设置有所述第二加热箱,所述第四连接管缠绕在所述第二加热箱的外部,所述第四连接管远离所述第三连接管的一端与三通侧面的一端固定连接,所述三通的底部与回流管的一端固定连接,所述回流管的另一端与所述第三连接管的一端固定连接,所述三通的顶部与溢流管的一端固定连接,所述溢流管的另一端穿过所述主体的侧壁与集水箱的一端固定连接,所述溢流管靠近所述主体内壁的一侧与蒸汽管的一端固定连接,所述蒸汽管的另一端穿过所述主体的侧壁延伸至外部。
通过上述方案,所述主体的底部固定设置有所述燃烧室,通过设置所述燃烧室进行燃气的燃烧,所述燃烧室顶部的两侧分别固定设置有所述第一加热箱和所述第二加热箱,通过所述燃烧室对燃气进行燃烧后,由所述第一加热箱和所述第二加热箱内部的发热装置对外部水管进行加热,所述主体的顶部开设有通孔,使得所述进水口和烟道均穿过主体的顶部延伸至所述主体的外部,所述主体的内部固定设置有水箱,通过所述水箱向水管内注水,所述水箱的顶部开设有进水口,通过所述进水口向所述水箱内注水,所述进水口穿过所述主体顶部的通孔延伸至外部,从而更便于所述水箱与外部的注水管道连接,所述水箱底部的一侧开设有出水口,当所述出水口处的阀门开启时,所述水箱内部的水通过所述出水口在重力的租用下进入到所述第一连接管中,所述第一连接管的另一端靠近与第二连接管的一端固定连接;所述第二连接管缠绕在所述第一加热箱的外部,所述第一连接管内部的水流进入到所述第二连接管后,当所述第一加热箱进行加热时,所述第二连接管及内部的水同步进行加热;
所述第一加热箱的顶部固定设置有所述第一烟道,通过所述第一烟道将所述第一加热箱经过加热产生的废气排出,所述第一烟道靠近所述第一加热箱的一端穿过所述第一加热箱的顶部延伸至其内部,所述第一烟道的另一端穿过所述主体的顶部延伸至外部,从而避免废气在排放的过程中进入到所述主体的内部;
所述主体靠近所述燃烧室的一侧固定设置有第三连接管,当水水量足够多时,水流通过所述第二连接管进入到所述第三连接管的内部,在水压的作用下,由所述第三连接管将水输送至所述第四连接管,所述第三连接管的两端均设置有外螺纹,所述第二连接管靠近所述燃烧室的一端开设有螺纹槽,所述第二连接管靠近所述燃烧室的一端与所述第三连接管的一端适配连接,所述第三连接管的另一端与第四连接管适配连接,通过螺纹的适配连接,使得所述第三连接管与两端的结构便于拆卸,便于对设备进行检修与维护;
所述主体的底部靠近所述第一加热箱的一侧固定设置有所述第二加热箱,所述第四连接管缠绕在所述第二加热箱的外部,通过所述第二加热箱对第四连接管内部的水进行进一步的加热,通过所述三通,将所述第四连接管内部未充分气化成水蒸气的水流至所述回流管,通过所述回流管将水进一步的输送至所述第三连接管的内部,从而进行进一步的加热,使水充分气化,当加水量过多时,水平面没过所述三通,水进入至所述溢流管的内部,打开所述溢流管与所述集水箱之间的阀门,使得水流至所述集水箱的内部,便于进一步的处理,经过充分加热气化的蒸汽通过所述蒸汽管排出。
进一步的,所述集水箱的底部固定设置有出水口,且出水口处设置有阀门。
进一步的,所述溢流管与所述集水箱的连接处固定设置有阀门。
进一步的,所述第二加热箱的顶部固定设置有所述第二烟道。
进一步的,所述第一加热箱的内部固定设置有加热火管,所述加热火管均设置在靠近所述第一加热箱内壁的一侧,所述第二加热箱的内部结构与所述第一加热箱相同。
进一步的,所述燃烧室的一侧与进气管道固定连接。
进一步的,所述主体的内壁设置有保温层。
进一步的,所述第一烟道和所述第二烟道的排气口处设置有空气过滤网,且空气过滤网可拆卸。
通过上述方案,所述集水箱的底部固定设置有出水口,且出水口处设置有阀门,使得多余的水集中处理,避免水资源的浪费。
所述溢流管与所述集水箱的连接处固定设置有阀门,当阀门开启时,在加水量过大的情况下,多余的水通过所述溢流管流出,此时停止向水管内注水,从而便于掌握水管内的水位高度。
所述第二加热箱的顶部固定设置有所述第二烟道,通过所述第二烟道将所述第二加热箱产生的废气排出。
所述第一加热箱的内部固定设置有加热火管,所述加热火管均设置在靠近所述第一加热箱内壁的一侧,所述第二加热箱的内部结构与所述第一加热箱相同,通过加热火管提供热量对水进行加热,将所述加热火管设置在靠近加热箱内壁的一侧,使得加热箱更充分的对外部的水管进行加热,提高气化的效率。
所述燃烧室的一侧与进气管道固定连接,通过所述进气管道对所述燃烧室的内部输送燃料。
所述主体的内壁设置有保温层,使得所述主体内部的温度不易于流失,进一步的提高气化的效率。
所述第一烟道和所述第二烟道的排气口处设置有空气过滤网,且空气过滤网可拆卸,使得废气通过空气过滤网过滤后排出,当空气过滤网被杂物堵塞时,可通过更换滤网再进行使用,使得装置更加环保。
本实用新型的有益技术效果是:
(1)通过两个加热箱分别对水管内不同的分段进行加热使液体气化,降低了对能源的浪费,对热量的利用更加充分,燃料燃烧形成的废气经过过滤后排放,更有利于环保;
(2)所述主体的内壁设置有保温层,使得所述主体内部的温度不易于流失,进一步的提高气化的效率;
(3)所述溢流管与所述集水箱的连接处固定设置有阀门,当阀门开启时,在加水量过大的情况下,多余的水通过所述溢流管流出,此时停止向水管内注水,从而便于掌握水管内的水位高度。
附图说明
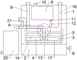
图1显示为本实用新型的实施例1和2的主体结构示意图;
图2显示为本实用新型的实施例1和2的加热箱内部结构俯视图;
图3显示为本实用新型的实施例1和2的加热箱和水管的结构示意图;
图4为图1中,A处的放大示意图。
图中,1-主体,2-燃烧室,3-第一加热箱,4-第二加热箱,5-第二连接管,6-水箱,8-进气管道,9-第二烟道,10-进水口,11-出水口,12-第一连接管,13-回流管,14-第四连接管,16-第一烟道,17-第三连接管,18-三通,19-溢流管,20-集水箱,21-蒸汽管,22-加热火管。
具体实施方式
下面结合本实用新型的附图1-4,对本实用新型实施例中的技术方案进行清楚、完整地描述,显然,所描述的实施例仅仅是本实用新型一部分实施例,而不是全部的实施例。基于本实用新型中的实施例,本领域普通技术人员在没有做出创造性劳动前提下所获得的所有其他实施例,都属于本实用新型保护的范围。
实施例1:
如图1-4所示,一种基于节能环保技术的蒸汽发生装置,包括主体1、燃烧室2、第一加热箱3、第二加热箱4、第一烟道16、第二烟道9;
所述主体1的底部固定设置有所述燃烧室2,所述燃烧室2顶部的两侧分别固定设置有所述第一加热箱3和所述第二加热箱4,所述主体1的顶部开设有通孔,所述主体1的内部固定设置有水箱6,所述水箱6的顶部开设有进水口10,所述进水口10穿过所述主体1顶部的通孔延伸至外部,所述水箱6底部的一侧开设有出水口11,所述出水口11与第一连接管12的一端固定连接,所述出水口11处固定设置有阀门,所述第一连接管12的另一端靠近与第二连接管5的一端固定连接;所述第二连接管5缠绕在所述第一加热箱3的外部;
所述第一加热箱3的顶部固定设置有所述第一烟道16,所述第一烟道16靠近所述第一加热箱3的一端穿过所述第一加热箱3的顶部延伸至其内部,所述第一烟道16的另一端穿过所述主体1的顶部延伸至外部;
所述主体1靠近所述燃烧室2的一侧固定设置有第三连接管17,所述第三连接管17的两端均设置有外螺纹,所述第二连接管5靠近所述燃烧室2的一端开设有螺纹槽,所述第二连接管5靠近所述燃烧室2的一端与所述第三连接管17的一端适配连接,所述第三连接管17的另一端与第四连接管14适配连接;
所述主体1的底部靠近所述第一加热箱3的一侧固定设置有所述第二加热箱4,所述第四连接管14缠绕在所述第二加热箱4的外部,所述第四连接管14远离所述第三连接管的一端与三通18侧面的一端固定连接,所述三通18的底部与回流管13的一端固定连接,所述回流管13的另一端与所述第三连接管17的一端固定连接,所述三通18的顶部与溢流管19的一端固定连接,所述溢流管19的另一端穿过所述主体1的侧壁与集水箱20的一端固定连接,所述溢流管19靠近所述主体1内壁的一侧与蒸汽管21的一端固定连接,所述蒸汽管21的另一端穿过所述主体1的侧壁延伸至外部。
实施例1的工作原理简述:所述主体1的底部固定设置有所述燃烧室2,通过设置所述燃烧室2进行燃气的燃烧,所述燃烧室2顶部的两侧分别固定设置有所述第一加热箱3和所述第二加热箱4,通过所述燃烧室2对燃气进行燃烧后,由所述第一加热箱3和所述第二加热箱4内部的发热装置对外部水管进行加热,所述主体1的顶部开设有通孔,使得所述进水口10和烟道均穿过主体1的顶部延伸至所述主体1的外部,所述主体1的内部固定设置有水箱6,通过所述水箱6向水管内注水,所述水箱6的顶部开设有进水口10,通过所述进水口10向所述水箱6内注水,所述进水口10穿过所述主体1顶部的通孔延伸至外部,从而更便于所述水箱6与外部的注水管道连接,所述水箱6底部的一侧开设有出水口11,当所述出水口11处的阀门开启时,所述水箱6内部的水通过所述出水口11在重力的租用下进入到所述第一连接管12中,所述第一连接管12的另一端靠近与第二连接管5的一端固定连接;所述第二连接管5缠绕在所述第一加热箱3的外部,所述第一连接管12内部的水流进入到所述第二连接管5后,当所述第一加热箱3进行加热时,所述第二连接管5及内部的水同步进行加热;
所述第一加热箱3的顶部固定设置有所述第一烟道16,通过所述第一烟道16将所述第一加热箱3经过加热产生的废气排出,所述第一烟道16靠近所述第一加热箱3的一端穿过所述第一加热箱3的顶部延伸至其内部,所述第一烟道16的另一端穿过所述主体1的顶部延伸至外部,从而避免废气在排放的过程中进入到所述主体1的内部;
所述主体1靠近所述燃烧室2的一侧固定设置有第三连接管17,当水水量足够多时,水流通过所述第二连接管5进入到所述第三连接管17的内部,在水压的作用下,由所述第三连接管17将水输送至所述第四连接管14,所述第三连接管17的两端均设置有外螺纹,所述第二连接管5靠近所述燃烧室2的一端开设有螺纹槽,所述第二连接管5靠近所述燃烧室2的一端与所述第三连接管17的一端适配连接,所述第三连接管17的另一端与第四连接管14适配连接,通过螺纹的适配连接,使得所述第三连接管17与两端的结构便于拆卸,便于对设备进行检修与维护;
所述主体1的底部靠近所述第一加热箱3的一侧固定设置有所述第二加热箱4,所述第四连接管14缠绕在所述第二加热箱4的外部,通过所述第二加热箱4对第四连接管14内部的水进行进一步的加热,通过所述三通18,将所述第四连接管14内部未充分气化成水蒸气的水流至所述回流管19,通过所述回流管19将水进一步的输送至所述第三连接管17的内部,从而进行进一步的加热,使水充分气化,当加水量过多时,水平面没过所述三通18,水进入至所述溢流管19的内部,打开所述溢流管19与所述集水箱20之间的阀门,使得水流至所述集水箱20的内部,便于进一步的处理,经过充分加热气化的蒸汽通过所述蒸汽管21排出。
实施例2:
如图1-4所示,在实施例1的基础上,进一步的,所述集水箱20的底部固定设置有出水口,且出水口处设置有阀门。
进一步的,所述溢流管19与所述集水箱20的连接处固定设置有阀门。
进一步的,所述第二加热箱4的顶部固定设置有所述第二烟道9。
进一步的,所述第一加热箱3的内部固定设置有加热火管22,所述加热火管22均设置在靠近所述第一加热箱3内壁的一侧,所述第二加热箱4的内部结构与所述第一加热箱3相同。
进一步的,所述燃烧室2的一侧与进气管道8固定连接。
进一步的,所述主体1的内壁设置有保温层。
进一步的,所述第一烟道16和所述第二烟道9的排气口处设置有空气过滤网,且空气过滤网可拆卸。
实施例2的工作原理简述:所述集水箱20的底部固定设置有出水口,且出水口处设置有阀门,使得多余的水集中处理,避免水资源的浪费。
所述溢流管19与所述集水箱20的连接处固定设置有阀门,当阀门开启时,在加水量过大的情况下,多余的水通过所述溢流管19流出,此时停止向水管内注水,从而便于掌握水管内的水位高度。
所述第二加热箱4的顶部固定设置有所述第二烟道9,通过所述第二烟道9将所述第二加热箱4产生的废气排出。
所述第一加热箱3的内部固定设置有加热火管22,所述加热火管22均设置在靠近所述第一加热箱3内壁的一侧,所述第二加热箱4的内部结构与所述第一加热箱3相同,通过加热火管22提供热量对水进行加热,将所述加热火管22设置在靠近加热箱内壁的一侧,使得加热箱更充分的对外部的水管进行加热,提高气化的效率。
所述燃烧室2的一侧与进气管道8固定连接,通过所述进气管道8对所述燃烧室2的内部输送燃料。
所述主体1的内壁设置有保温层,使得所述主体1内部的温度不易于流失,进一步的提高气化的效率。
所述第一烟道16和所述第二烟道9的排气口处设置有空气过滤网,且空气过滤网可拆卸,使得废气通过空气过滤网过滤后排出,当空气过滤网被杂物堵塞时,可通过更换滤网再进行使用,使得装置更加环保。
在本实用新型的描述中,需要理解的是,术语“逆时针”、“顺时针”“纵向”、“横向”、“上”、“下”、“前”、“后”、“左”、“右”、“竖直”、“水平”、“顶”、“底”、“内”、“外”等指示的方位或位置关系为基于附图所示的方位或位置关系,仅是为了便于描述本实用新型,而不是指示或暗示所指的装置或元件必须具有特定的方位、以特定的方位构造和操作,因此不能理解为对本实用新型的限制。
Claims (8)
1.一种基于节能环保技术的蒸汽发生装置,其特征在于,包括主体(1)、燃烧室(2)、第一加热箱(3)、第二加热箱(4)、第一烟道(16)、第二烟道(9);
所述主体(1)的底部固定设置有所述燃烧室(2),所述燃烧室(2)顶部的两侧分别固定设置有所述第一加热箱(3)和所述第二加热箱(4),所述主体(1)的顶部开设有通孔,所述主体(1)的内部固定设置有水箱(6),所述水箱(6)的顶部开设有进水口(10),所述进水口(10)穿过所述主体(1)顶部的通孔延伸至外部,所述水箱(6)底部的一侧开设有出水口(11),所述出水口(11)与第一连接管(12)的一端固定连接,所述出水口(11)处固定设置有阀门,所述第一连接管(12)的另一端靠近与第二连接管(5)的一端固定连接;所述第二连接管(5)缠绕在所述第一加热箱(3)的外部;
所述第一加热箱(3)的顶部固定设置有所述第一烟道(16),所述第一烟道(16)靠近所述第一加热箱(3)的一端穿过所述第一加热箱(3)的顶部延伸至其内部,所述第一烟道(16)的另一端穿过所述主体(1)的顶部延伸至外部;
所述主体(1)靠近所述燃烧室(2)的一侧固定设置有第三连接管(17),所述第三连接管(17)的两端均设置有外螺纹,所述第二连接管(5)靠近所述燃烧室(2)的一端开设有螺纹槽,所述第二连接管(5)靠近所述燃烧室(2)的一端与所述第三连接管(17)的一端适配连接,所述第三连接管(17)的另一端与第四连接管(14)适配连接;
所述主体(1)的底部靠近所述第一加热箱(3)的一侧固定设置有所述第二加热箱(4),所述第四连接管(14)缠绕在所述第二加热箱(4)的外部,所述第四连接管(14)远离所述第三连接管的一端与三通(18)侧面的一端固定连接,所述三通(18)的底部与回流管(13)的一端固定连接,所述回流管(13)的另一端与所述第三连接管(17)的一端固定连接,所述三通(18)的顶部与溢流管(19)的一端固定连接,所述溢流管(19)的另一端穿过所述主体(1)的侧壁与集水箱(20)的一端固定连接,所述溢流管(19)靠近所述主体(1)内壁的一侧与蒸汽管(21)的一端固定连接,所述蒸汽管(21)的另一端穿过所述主体(1)的侧壁延伸至外部。
2.根据权利要求1所述的一种基于节能环保技术的蒸汽发生装置,其特征在于,所述集水箱(20)的底部固定设置有出水口,且出水口处设置有阀门。
3.根据权利要求1所述的一种基于节能环保技术的蒸汽发生装置,其特征在于,所述溢流管(19)与所述集水箱(20)的连接处固定设置有阀门。
4.根据权利要求1所述的一种基于节能环保技术的蒸汽发生装置,其特征在于,所述第二加热箱(4)的顶部固定设置有所述第二烟道(9)。
5.根据权利要求1所述的一种基于节能环保技术的蒸汽发生装置,其特征在于,所述第一加热箱(3)的内部固定设置有加热火管(22),所述加热火管(22)均设置在靠近所述第一加热箱(3)内壁的一侧,所述第二加热箱(4)的内部结构与所述第一加热箱(3)相同。
6.根据权利要求1所述的一种基于节能环保技术的蒸汽发生装置,其特征在于,所述燃烧室(2)的一侧与进气管道(8)固定连接。
7.根据权利要求1所述的一种基于节能环保技术的蒸汽发生装置,其特征在于,所述主体(1)的内壁设置有保温层。
8.根据权利要求1所述的一种基于节能环保技术的蒸汽发生装置,其特征在于,所述第一烟道(16)和所述第二烟道(9)的排气口处设置有空气过滤网,且空气过滤网可拆卸。
Priority Applications (1)
| Application Number | Priority Date | Filing Date | Title |
|---|---|---|---|
| CN202020595872.8U CN212298925U (zh) | 2020-04-20 | 2020-04-20 | 一种基于节能环保技术的蒸汽发生装置 |
Applications Claiming Priority (1)
| Application Number | Priority Date | Filing Date | Title |
|---|---|---|---|
| CN202020595872.8U CN212298925U (zh) | 2020-04-20 | 2020-04-20 | 一种基于节能环保技术的蒸汽发生装置 |
Publications (1)
| Publication Number | Publication Date |
|---|---|
| CN212298925U true CN212298925U (zh) | 2021-01-05 |
Family
ID=73973830
Family Applications (1)
| Application Number | Title | Priority Date | Filing Date |
|---|---|---|---|
| CN202020595872.8U Active CN212298925U (zh) | 2020-04-20 | 2020-04-20 | 一种基于节能环保技术的蒸汽发生装置 |
Country Status (1)
| Country | Link |
|---|---|
| CN (1) | CN212298925U (zh) |
Cited By (1)
| Publication number | Priority date | Publication date | Assignee | Title |
|---|---|---|---|---|
| CN113892470A (zh) * | 2021-11-03 | 2022-01-07 | 益阳市金十三电子科技有限公司 | 多功能消毒驱蚊机 |
-
2020
- 2020-04-20 CN CN202020595872.8U patent/CN212298925U/zh active Active
Cited By (1)
| Publication number | Priority date | Publication date | Assignee | Title |
|---|---|---|---|---|
| CN113892470A (zh) * | 2021-11-03 | 2022-01-07 | 益阳市金十三电子科技有限公司 | 多功能消毒驱蚊机 |
Similar Documents
| Publication | Publication Date | Title |
|---|---|---|
| CN212298925U (zh) | 一种基于节能环保技术的蒸汽发生装置 | |
| CN216281371U (zh) | 可燃冰高效燃烧器 | |
| CN211925774U (zh) | 一种固废焚烧炉烟道余热回收装置 | |
| CN220287735U (zh) | 一种清洁能源加热装置 | |
| CN213421053U (zh) | 一种蒸汽供暖发电系统 | |
| CN212747454U (zh) | 沼气发电机组的余热回收装置 | |
| CN212673505U (zh) | 一种环保型锅炉 | |
| CN217154219U (zh) | 一种煤生产电用余热回收装置 | |
| CN212869722U (zh) | 一种卧式水管贯流模块蒸汽发生器 | |
| CN208816256U (zh) | 水冷进气排气管 | |
| CN208588266U (zh) | 一种火电站工业锅炉和电站锅炉烟气余热回收装置 | |
| CN221402993U (zh) | 一种配置防火装置的锅炉 | |
| CN113738501A (zh) | 一种煤粉爆燃发电系统 | |
| CN206861857U (zh) | 一种高效燃气加热炉 | |
| CN213513837U (zh) | 一种新型高温蒸汽发生器 | |
| CN209246046U (zh) | 一种高效环保蒸汽发生器 | |
| CN218495010U (zh) | 一种生物质环保锅炉 | |
| CN212108338U (zh) | 一种节能环保型蒸汽发生器 | |
| CN219301024U (zh) | 一种用于蒸汽发生器的节能器 | |
| CN204901709U (zh) | 蒸柜蒸汽发生器 | |
| CN219511359U (zh) | 一种旋流式烟气换热器 | |
| CN212132391U (zh) | 醇基燃料的蒸汽发生设备 | |
| CN215489670U (zh) | 一种新型热机用燃烧锅炉结构 | |
| CN214536095U (zh) | 一种新型热回收节能锅炉设备 | |
| CN216448129U (zh) | 一种氧化锌生产线上的余热锅炉 |
Legal Events
| Date | Code | Title | Description |
|---|---|---|---|
| GR01 | Patent grant | ||
| GR01 | Patent grant |