CN212283267U - 一种具有吸尘管道的面粉原料去石机 - Google Patents
一种具有吸尘管道的面粉原料去石机 Download PDFInfo
- Publication number
- CN212283267U CN212283267U CN202020787595.0U CN202020787595U CN212283267U CN 212283267 U CN212283267 U CN 212283267U CN 202020787595 U CN202020787595 U CN 202020787595U CN 212283267 U CN212283267 U CN 212283267U
- Authority
- CN
- China
- Prior art keywords
- dust
- fixed ring
- fixing ring
- pipeline
- stoner
- Prior art date
- Legal status (The legal status is an assumption and is not a legal conclusion. Google has not performed a legal analysis and makes no representation as to the accuracy of the status listed.)
- Expired - Fee Related
Links
- 239000000428 dust Substances 0.000 title claims abstract description 62
- 239000004575 stone Substances 0.000 title claims abstract description 16
- 235000013312 flour Nutrition 0.000 title claims abstract description 12
- 239000002994 raw material Substances 0.000 title claims abstract description 7
- 238000010521 absorption reaction Methods 0.000 claims abstract description 15
- 239000000463 material Substances 0.000 claims description 5
- 238000009434 installation Methods 0.000 claims description 2
- 238000000605 extraction Methods 0.000 claims 1
- 229910052572 stoneware Inorganic materials 0.000 claims 1
- 238000001914 filtration Methods 0.000 abstract description 15
- 241000209094 Oryza Species 0.000 description 2
- 235000007164 Oryza sativa Nutrition 0.000 description 2
- 229910052500 inorganic mineral Inorganic materials 0.000 description 2
- 239000011707 mineral Substances 0.000 description 2
- 239000011236 particulate material Substances 0.000 description 2
- 235000009566 rice Nutrition 0.000 description 2
- 239000000126 substance Substances 0.000 description 2
- 241000209140 Triticum Species 0.000 description 1
- 235000021307 Triticum Nutrition 0.000 description 1
- 230000009286 beneficial effect Effects 0.000 description 1
- 235000021329 brown rice Nutrition 0.000 description 1
- 230000008878 coupling Effects 0.000 description 1
- 238000010168 coupling process Methods 0.000 description 1
- 238000005859 coupling reaction Methods 0.000 description 1
- 238000005516 engineering process Methods 0.000 description 1
- 239000012535 impurity Substances 0.000 description 1
- 230000005389 magnetism Effects 0.000 description 1
- 208000023504 respiratory system disease Diseases 0.000 description 1
- 239000007787 solid Substances 0.000 description 1
- 239000000725 suspension Substances 0.000 description 1
Images
Landscapes
- Filtering Of Dispersed Particles In Gases (AREA)
Abstract
本实用新型公开了一种具有吸尘管道的面粉原料去石机,包括:去石机本体,吸尘管道和过滤装置,所述吸尘管道设置在去石机本体上,并且设有进尘口和出尘口,所述进尘口位置设有吸尘机,所述出尘口位置连接过滤装置,所述过滤装置包括滤袋,内固定环和外固定环,所述内固定环下方设有固定笼,所述滤袋套装在固定笼外侧,并且顶部开口位置被内固定环和外固定环夹紧,所述内固定环和外固定环通过夹紧装置固定连接,所述过滤装置与吸尘管道可拆卸连接。本实用新型设有吸尘管道,能够通过过滤装置对去石机本体排出的灰尘进行过滤,解决去石机本体容易出现扬尘的问题,提高了工人工作环境的空气质量,并且滤袋拆卸方便,便于清洗和替换。
Description
技术领域
本实用新型涉及去石机技术领域,具体是一种具有吸尘管道的面粉原料去石机。
背景技术
去石机是一种利用颗粒物料 (稻谷、糙米、大米、麦子等)与矿物质(主要为并肩石等)的密度及悬浮速度的不同, 并借助机械风力以及以一定轨迹作往复运动的筛面将矿物质从颗粒物料中分离出来的除杂设备。 它是稻米加工工艺中必不可少的关键设备。
去石机在工作时容易产生扬尘,对车间环境卫生有一定影响,而工人长期在充满灰尘的工作环境里工作容易引起呼吸道疾病,危害身体健康,另外空间里灰尘较多还存在安全隐患。
实用新型内容
本实用新型的目的在于提供一种具有吸尘管道的面粉原料去石机,以解决上述背景技术中提出的问题。
为实现上述目的,本实用新型提供如下技术方案:
一种具有吸尘管道的面粉原料去石机,包括:去石机本体,吸尘管道和过滤装置,所述吸尘管道设置在去石机本体上,并且设有进尘口和出尘口,所述进尘口位置设有吸尘机,所述出尘口位置连接过滤装置,所述过滤装置包括滤袋,内固定环和外固定环,所述内固定环下方设有固定笼,所述滤袋套装在固定笼外侧,并且顶部开口位置被内固定环和外固定环夹紧,所述内固定环和外固定环通过夹紧装置固定连接,所述过滤装置与吸尘管道可拆卸连接。
作为本实用新型进一步的方案:所述夹紧装置包括第一限位槽和第一限位块,所述第一限位槽设置在内固定环外壁上,所述外固定环在第一限位槽对应位置设有第一安装槽,所述第一安装槽内安装第一弹簧,所述第一弹簧连接第一限位块,所述第一限位块与第一限位槽配合。
作为本实用新型进一步的方案:所述第一限位块具有磁性,所述外固定环在第一安装槽附近设有第一电磁吸盘。
作为本实用新型进一步的方案:所述外固定环外壁上设有第二限位槽,所述吸尘管道在第二限位槽对应位置设有第二安装槽,所述第二安装槽内安装第二弹簧,所述第二弹簧连接第二限位块,所述第二限位块与第二限位槽配合。
作为本实用新型进一步的方案:所述第二限位块具有磁性,所述吸尘管道在第二安装槽附近设有第二电磁吸盘。
与现有技术相比,本实用新型的有益效果是:本实用新型设有吸尘管道,能够通过过滤装置对去石机本体排出的灰尘进行过滤,解决去石机本体容易出现扬尘的问题,提高了工人工作环境的空气质量,并且滤袋拆卸方便,便于清洗和替换。
附图说明
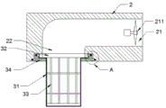
图1为本实用新型的整体结构示意图。
图2为本实用新型中吸尘管道与过滤装置的连接结构示意图。
图3为图2中A处的局部放大示意图。
具体实施方式
下面将结合本实用新型实施例中的附图,对本实用新型实施例中的技术方案进行清楚、完整地描述,显然,所描述的实施例仅仅是本实用新型一部分实施例,而不是全部的实施例。基于本实用新型中的实施例,本领域普通技术人员在没有做出创造性劳动前提下所获得的所有其他实施例,都属于本实用新型保护的范围。
参照图1-3,本实用新型实施例中,一种具有吸尘管道的面粉原料去石机,包括:去石机本体1,吸尘管道2和过滤装置3,所述吸尘管道2设置在去石机本体1上,并且设有进尘口21和出尘口22,所述进尘口21位置设有吸尘机211,所述出尘口22位置连接过滤装置3,所述过滤装置3包括滤袋31,内固定环32和外固定环34,含尘空气从进尘口21进入吸尘管道2,然后从出尘口22进入过滤装置3,被滤袋31过滤。
所述内固定环32下方设有固定笼33,所述滤袋31套装在固定笼33外侧,并且滤袋31顶部开口位置被内固定环32和外固定环34夹紧,所述固定笼33对滤袋31起到固定支撑作用,使其保持圆筒形状,所述内固定环32和外固定环34通过夹紧装置固定连接。
所述夹紧装置包括第一限位槽321和第一限位块324,所述第一限位槽321设置在内固定环32外壁上,所述外固定环34在第一限位槽321对应位置设有第一安装槽322,所述第一安装槽322内安装第一弹簧323,所述第一弹簧323连接第一限位块324,所述第一限位块324与第一限位槽321配合。所述第一限位块324具有磁性,所述外固定环34在第一安装槽322附近设有第一电磁吸盘325,内固定环32和外固定环34通过第一限位槽321和第一限位块324连接成一个整体,同时将滤袋31夹紧。
所述过滤装置3与吸尘管道2可拆卸连接,所述外固定环34外壁上设有第二限位槽341,所述吸尘管道2在第二限位槽341对应位置设有第二安装槽342,所述第二安装槽342内安装第二弹簧343,所述第二弹簧343连接第二限位块344,所述第二限位块344与第二限位槽341配合。所述第二限位块344具有磁性,所述吸尘管道2在第二安装槽342附近设有第二电磁吸盘345,只要将第二电磁吸盘345通电,第二电磁吸盘345就会吸引第二限位块344离开第二限位槽341,此时可以直接将过滤装置3从吸尘管道2上拆卸下来,方便快捷。
对于本领域技术人员而言,显然本实用新型不限于上述示范性实施例的细节,而且在不背离本实用新型的精神或基本特征的情况下,能够以其他的具体形式实现本实用新型。因此,无论从哪一点来看,均应将实施例看作是示范性的,而且是非限制性的,本实用新型的范围由所附权利要求而不是上述说明限定,因此旨在将落在权利要求的等同要件的含义和范围内的所有变化囊括在本实用新型内。不应将权利要求中的任何附图标记视为限制所涉及的权利要求。
此外,应当理解,虽然本说明书按照实施方式加以描述,但并非每个实施方式仅包含一个独立的技术方案,说明书的这种叙述方式仅仅是为清楚起见,本领域技术人员应当将说明书作为一个整体,各实施例中的技术方案也可以经适当组合,形成本领域技术人员可以理解的其他实施方式。
Claims (5)
1.一种具有吸尘管道的面粉原料去石机,包括:去石机本体(1),吸尘管道(2)和过滤装置(3),其特征在于:所述吸尘管道(2)设置在去石机本体(1)上,并且设有进尘口(21)和出尘口(22),所述进尘口(21)位置设有吸尘机(211),所述出尘口(22)位置连接过滤装置(3),所述过滤装置(3)包括滤袋(31),内固定环(32)和外固定环(34),所述内固定环(32)下方设有固定笼(33),所述滤袋(31)套装在固定笼(33)外侧,并且滤袋(31)顶部开口位置被内固定环(32)和外固定环(34)夹紧,所述内固定环(32)和外固定环(34)通过夹紧装置固定连接,所述过滤装置(3)与吸尘管道(2)可拆卸连接。
2.根据权利要求1所述的一种具有吸尘管道的面粉原料去石机,其特征在于:所述夹紧装置包括第一限位槽(321)和第一限位块(324),所述第一限位槽(321)设置在内固定环(32)外壁上,所述外固定环(34)在第一限位槽(321)对应位置设有第一安装槽(322),所述第一安装槽(322)内安装第一弹簧(323),所述第一弹簧(323)连接第一限位块(324),所述第一限位块(324)与第一限位槽(321)配合。
3.根据权利要求2所述的一种具有吸尘管道的面粉原料去石机,其特征在于:所述第一限位块(324)具有磁性,所述外固定环(34)在第一安装槽(322)附近设有第一电磁吸盘(325)。
4.根据权利要求3所述的一种具有吸尘管道的面粉原料去石机,其特征在于:所述外固定环(34)外壁上设有第二限位槽(341),所述吸尘管道(2)在第二限位槽(341)对应位置设有第二安装槽(342),所述第二安装槽(342)内安装第二弹簧(343),所述第二弹簧(343)连接第二限位块(344),所述第二限位块(344)与第二限位槽(341)配合。
5.根据权利要求4所述的一种具有吸尘管道的面粉原料去石机,其特征在于:所述第二限位块(344)具有磁性,所述吸尘管道(2)在第二安装槽(342)附近设有第二电磁吸盘(345)。
Priority Applications (1)
| Application Number | Priority Date | Filing Date | Title |
|---|---|---|---|
| CN202020787595.0U CN212283267U (zh) | 2020-05-13 | 2020-05-13 | 一种具有吸尘管道的面粉原料去石机 |
Applications Claiming Priority (1)
| Application Number | Priority Date | Filing Date | Title |
|---|---|---|---|
| CN202020787595.0U CN212283267U (zh) | 2020-05-13 | 2020-05-13 | 一种具有吸尘管道的面粉原料去石机 |
Publications (1)
| Publication Number | Publication Date |
|---|---|
| CN212283267U true CN212283267U (zh) | 2021-01-05 |
Family
ID=73966518
Family Applications (1)
| Application Number | Title | Priority Date | Filing Date |
|---|---|---|---|
| CN202020787595.0U Expired - Fee Related CN212283267U (zh) | 2020-05-13 | 2020-05-13 | 一种具有吸尘管道的面粉原料去石机 |
Country Status (1)
| Country | Link |
|---|---|
| CN (1) | CN212283267U (zh) |
-
2020
- 2020-05-13 CN CN202020787595.0U patent/CN212283267U/zh not_active Expired - Fee Related
Similar Documents
| Publication | Publication Date | Title |
|---|---|---|
| CN103331700B (zh) | 除尘砂轮机 | |
| CN202732163U (zh) | 一种三级过滤空气滤清器装置 | |
| CN201824205U (zh) | 除尘砂轮机 | |
| CN202106260U (zh) | 地面研磨机 | |
| CN202292442U (zh) | 一种收集打磨钢轨磨粉的装置 | |
| CN201997217U (zh) | 复合环保除尘机组 | |
| CN212283267U (zh) | 一种具有吸尘管道的面粉原料去石机 | |
| CN205235618U (zh) | 布袋除尘器 | |
| CN202846367U (zh) | 除尘立式砂轮机 | |
| CN201872061U (zh) | 一种安全、除尘砂轮机 | |
| CN208542718U (zh) | 一种废气处理用收集装置 | |
| CN216440276U (zh) | 一种煤矿通风除尘装置 | |
| CN204522560U (zh) | 一种移动式布袋除尘器 | |
| CN203342568U (zh) | 一种回转反吹扁袋除尘器 | |
| CN204734433U (zh) | 一种便携式工业粉尘吸尘器 | |
| CN103784080A (zh) | 吸尘器 | |
| CN211585638U (zh) | 一种脉冲除尘装置 | |
| CN109882322A (zh) | 一种便于清理的车用空气滤清器 | |
| CN202878071U (zh) | 除尘箱式砂轮机 | |
| CN208880408U (zh) | 一种可防尘的用于牛仔裤磨边的设备 | |
| CN208320223U (zh) | 一种高效的简易袋式除尘器 | |
| CN215027398U (zh) | 一种锻造车间的环保设备 | |
| CN205586687U (zh) | 多头布袋除尘装置 | |
| CN211865435U (zh) | 一种铁硼永磁铁粉末清除装置 | |
| CN206883455U (zh) | 一种手机玻璃盖板抛光粉平磨粉回收装置 |
Legal Events
| Date | Code | Title | Description |
|---|---|---|---|
| GR01 | Patent grant | ||
| GR01 | Patent grant | ||
| CF01 | Termination of patent right due to non-payment of annual fee |
Granted publication date: 20210105 |
|
| CF01 | Termination of patent right due to non-payment of annual fee |