CN212262821U - Slaughterhouse odor treatment system - Google Patents

Slaughterhouse odor treatment system Download PDF

Info

Publication number
CN212262821U
CN212262821U CN202020867492.5U CN202020867492U CN212262821U CN 212262821 U CN212262821 U CN 212262821U CN 202020867492 U CN202020867492 U CN 202020867492U CN 212262821 U CN212262821 U CN 212262821U
Authority
CN
China
Prior art keywords
layer
spray
slaughterhouse
treatment system
main pipe
Prior art date
Legal status (The legal status is an assumption and is not a legal conclusion. Google has not performed a legal analysis and makes no representation as to the accuracy of the status listed.)
Expired - Fee Related
Application number
CN202020867492.5U
Other languages
Chinese (zh)
Inventor
张朋
官阳
杨民
盛鸿磊
王学浩
Current Assignee (The listed assignees may be inaccurate. Google has not performed a legal analysis and makes no representation or warranty as to the accuracy of the list.)
Shandong Tianhong Environmental Protection Engineering Co ltd
Original Assignee
Shandong Tianhong Environmental Protection Engineering Co ltd
Priority date (The priority date is an assumption and is not a legal conclusion. Google has not performed a legal analysis and makes no representation as to the accuracy of the date listed.)
Filing date
Publication date
Application filed by Shandong Tianhong Environmental Protection Engineering Co ltd filed Critical Shandong Tianhong Environmental Protection Engineering Co ltd
Priority to CN202020867492.5U priority Critical patent/CN212262821U/en
Application granted granted Critical
Publication of CN212262821U publication Critical patent/CN212262821U/en
Expired - Fee Related legal-status Critical Current
Anticipated expiration legal-status Critical

Links

Images

Landscapes

  • Treating Waste Gases (AREA)

Abstract

本实用新型涉及一种屠宰场恶臭处理系统,属于环保治理技术领域;包括依次连通的雾化碱液吸收塔、除水器、等离子设备、风机、排气筒,还包括控制系统;雾化碱液吸收塔内包括填料层和喷淋层,所述喷淋层上设置有螺旋喷嘴,所述螺旋喷嘴呈圆形,所述螺旋喷嘴包括喷淋主管和喷淋主管两侧对称设置的喷淋支管,喷淋主管一端设置有进液口,喷淋支管一端连通喷淋主管,喷淋主管和喷淋支管上均匀布置有喷淋口,雾化碱液吸收塔顶端设置有出气口;净化效率高,不产生二次污染,耐冲击负荷,占地面积小,运行成本低,设备功率随污染物浓度变化,设备维护方便。

Figure 202020867492

The utility model relates to a slaughterhouse odor treatment system, which belongs to the technical field of environmental protection treatment. The liquid absorption tower includes a packing layer and a spray layer, the spray layer is provided with a spiral nozzle, the spiral nozzle is circular, and the spiral nozzle includes a spray main pipe and a spray pipe symmetrically arranged on both sides of the spray main pipe The branch pipe, one end of the spray main pipe is provided with a liquid inlet, and one end of the spray branch pipe is connected to the spray main pipe. High, no secondary pollution, impact load resistance, small footprint, low operating cost, equipment power changes with pollutant concentration, and equipment maintenance is convenient.

Figure 202020867492

Description

Slaughterhouse stink processing system
Technical Field
The utility model relates to a slaughterhouse stench processing system belongs to environmental protection and administers technical field.
Background
The malodorous pollutant components generated in slaughtering places mainly comprise methyl mercaptan and methyl sulfide gas generated by decomposing organic components in slaughtering wastewater by microorganisms, and malodorous gas such as hydrogen sulfide, ammonia gas and the like generated by anaerobic bacteria in the process of treating the slaughtering wastewater. The existing slaughterhouse waste gas treatment system mainly comprises a reagent oxidation method and a biological method.
Reagent oxidation method: oxidizing pollutant molecules (methyl mercaptan and methyl sulfide) into tasteless and harmless substances by using oxidizing agents such as hypochlorous acid, hydrogen peroxide, sulfuric acid and the like, and absorbing hydrogen sulfide and ammonia gas by using alkali liquor to achieve the purpose of eliminating malodorous gases. The method has the disadvantages that a large amount of chemical reagent wastewater is generated, and a pollution source is transferred from a gas phase to a liquid phase, so that the wastewater treatment difficulty is increased. Easy to produce secondary pollution, not saving energy, high cost, not solving the essential problem, pollution transfer and the like.
The biological method comprises the following steps: the special strains are selected, so that pollutant components can be ingested and converted into carbon dioxide, nitrate and other substances without malodor through the physiological metabolism of the flora, and the purpose of eliminating the malodor pollutants is achieved. The disadvantages of this method are: the biological method has poor capability of resisting the change of the concentration of pollutants, and can inhibit the treatment efficiency of flora and even cause the death of the flora when the environment of the flora is mutated. And because the physiological reaction of the flora is a long process, the treatment efficiency of the biological method is low, and the occupied area of the biological method equipment is large. Maintenance is difficult. Has the defects of low efficiency, large occupied area, difficult maintenance and difficult control of reaction environment.
Therefore, it is necessary to provide a slaughterhouse malodor treatment system which has high purification efficiency, no secondary pollution, impact load resistance, small floor area, low operation cost, equipment power variation with pollutant concentration and convenient equipment maintenance.
SUMMERY OF THE UTILITY MODEL
The to-be-solved technical problem of the utility model is: the slaughterhouse odor treatment system overcomes the defects of the prior art, is high in purification efficiency, free of secondary pollution, impact-resistant in load, small in occupied area, low in operation cost, capable of changing the power of equipment along with the concentration of pollutants and convenient to maintain.
The utility model discloses a slaughterhouse malodor treatment system, which comprises an atomized alkali liquor absorption tower, a dehydrator, a plasma device, a fan, an exhaust funnel and a control system, wherein the atomized alkali liquor absorption tower, the dehydrator, the plasma device, the fan and the exhaust funnel are sequentially communicated; the atomizing alkali liquor absorption tower comprises a packing layer and a spraying layer, wherein the spraying layer is provided with a spiral nozzle, the spiral nozzle is circular, the spiral nozzle comprises a spraying main pipe and a spraying branch pipe, the spraying branch pipe is symmetrically arranged on two sides of the main pipe, one end of the spraying main pipe is provided with an inlet, one end of the spraying branch pipe is communicated with the spraying main pipe, the spraying main pipe and the spraying branch pipe are uniformly provided with a spraying port, and the top end of the atomizing alkali liquor absorption tower is provided with a gas outlet.
The collected peculiar smell gas passes through an atomized alkali liquor absorption tower, the waste gas flows from bottom to top, and the sprayed absorption liquid is absorbed and dissolved with chemical reactions of hydrogen sulfide, ammonia gas and the like in the waste gas on the surface of the filler layer from top to bottom; thereby achieving the purpose of primary purification. After alkali washing, the waste gas enters a plasma device after being dewatered by a dehydrator, the plasma in the plasma device reacts with the odor components in the waste gas, the odor molecules are decomposed to generate odorless substances through atomic-level collision bombardment, finally the odor components are treated, and the tail gas reaching the standard is driven by a fan to be discharged through an exhaust funnel. The purification efficiency is high, no secondary pollution is generated, the impact load is resisted, the occupied area is small, the operation cost is low, the equipment power is changed along with the pollutant concentration, and the equipment maintenance is convenient.
Preferably, the atomized alkali liquor absorption tower sequentially comprises a first packing layer, a first spraying layer, a second packing layer, a second spraying layer, a third packing layer, a third spraying layer, a fourth packing layer and a tower bottom liquid phase layer from top to bottom, the first packing layer is filled with a PP wire mesh dewatering packing, and the second packing layer, the third packing layer and the fourth packing layer are filled with multi-surface hollow spheres; the first layer, the second sprays the layer, the third sprays and is provided with spiral nozzle on the layer, and spiral nozzle's inlet is through spraying pump intercommunication tower bottom liquid phase layer, and tower bottom liquid phase layer is provided with air inlet, water inlet and dosing mouth, and atomizing alkali lye absorption tower bottom is provided with the drain-off mouth.
Compared with the conventional filler, the polyhedral hollow sphere filler has the advantages of large specific surface area, high porosity, small resistance, good wettability and the like, can provide a sufficient interface for the gas-liquid mass transfer process, and improves the mass transfer efficiency. The spray layer in the atomized alkali liquor absorption tower is provided with the spiral nozzle, so that the atomization effect is good, and the liquid phase is uniformly dispersed. The liquid phase atomized by the spiral nozzle is uniformly sprayed on the polyhedral hollow sphere filler, flows through gaps of the filler from top to bottom, and wets the surface of the filler to form a flowing liquid film. Waste gas passes through the packing layer from bottom to top under the action of the fan and contacts with the liquid film in a reverse direction to generate a mass transfer process, and pollutants in the waste gas are absorbed, wrapped and entrained into the liquid phase, so that the aim of purifying the waste gas is fulfilled. The purified waste gas is discharged from a gas outlet at the top of the tower, and the liquid phase absorbing the pollutants is collected at the bottom of the tower and recycled by a spray pump to reach a certain concentration and then is discharged in a replacement way.
Specifically, the polyhedral hollow sphere filler can be a hollow sphere filler with 5-15 surfaces.
Preferably, a liquid level sensor is arranged on the tower bottom liquid phase layer, the water inlet is communicated with factory tap water through a first electromagnetic valve, the drain port is communicated with a factory sewage pipe through a second electromagnetic valve, a pressure sensor and a temperature sensor are installed on a communication pipeline of the dehydrator and the plasma equipment, and the liquid level sensor, the first electromagnetic valve, the second electromagnetic valve, the pressure sensor, the temperature sensor, the spray pump, the plasma equipment and the fan are connected with the control system.
The control system controls the first electromagnetic valve to automatically replenish water according to the level of the liquid level sensor, the time relay can control the second electromagnetic valve to automatically drain water, and the wind pressure of the pressure sensor is smaller than a set value or the temperature of the temperature sensor is larger than the set value to control the plasma equipment to automatically shut down. Utilize control system automatic control slaughterhouse stench processing system operation, equipment power changes along with pollutant concentration, and the running cost is low. Specifically, the control system is a PLC control system.
Preferably, the medicine adding port is inclined downwards by 40-50 degrees, so that the medicine and the base liquid phase layer are accelerated to be uniformly mixed.
Preferably, the top end of the exhaust funnel is provided with a lightning rod, so that the safety is improved.
Preferably, the plasma equipment is communicated with a flushing water tank through a flushing pump, the flushing water tank is communicated with factory tap water, and the flushing pump is connected with a control system.
Here, the plasma equipment needs to output plasma outwards through the quartz tube to achieve the purpose of waste gas treatment, and the impurities in the waste gas can cover the surface of the quartz tube after long-time operation, so that the effect of the plasma equipment on the waste gas is hindered, and local overhigh temperature can be caused to damage the generating element of the plasma equipment. Therefore, a flushing water tank is arranged, and the surface of the plasma element in the plasma equipment is periodically flushed by clean water.
Preferably, a cutoff steam trap is connected between the plasma equipment and the fan, and the cutoff steam trap is communicated with a sewage pipe of a plant area.
The arrangement of the cutoff steam trap and the dehydrator can improve the treatment applicability of the whole system to high-humidity waste gas. The cutoff steam trap can play a role in preventing condensed water in the pipeline from flowing into the fan to influence the operation of the fan in the normal operation stage, and can play a role in collecting flushing wastewater in the flushing stage. The dehydrator can effectively block water vapor and impurities carried in the waste gas, and the treatment efficiency of the plasma equipment is improved.
Preferably, the exhaust funnel is provided with a sampling point, so that the tail gas reaching the standard can be conveniently sampled and detected.
Preferably, the first packing layer, the second packing layer, the third packing layer and the fourth packing layer are respectively communicated with a packing unloading hole, the first spraying layer, the second spraying layer and the third spraying layer are respectively communicated with a manhole, and a viewing mirror is arranged on the manhole; the internal condition of the atomized alkali liquor absorption tower can be observed at any time, and the maintenance is convenient.
Compared with the prior art, the utility model discloses following beneficial effect has:
slaughterhouse foul smell processing system, purification efficiency is high, does not produce secondary pollution, and shock-resistant load, area is little, and the running cost is low, and equipment power changes along with pollutant concentration, and equipment maintenance is convenient.
Drawings
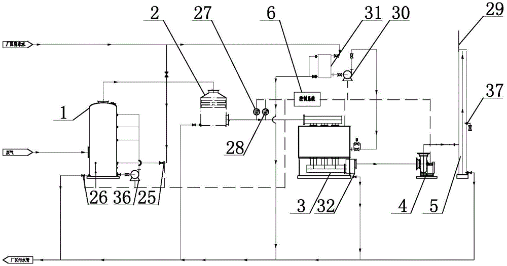
FIG. 1 is a schematic structural diagram of a slaughterhouse malodor treatment system according to the present invention;
FIG. 2 is a schematic structural view of the atomized alkali liquor absorption tower of the present invention;
fig. 3 is a schematic plan view of the spiral nozzle of the present invention.
In the figure: 1. an atomized alkali liquor absorption tower; 2. a dehydrator; 3. a plasma device; 4. a fan; 5. an exhaust funnel; 6. a control system; 7. a first filler layer; 8. a first spray layer; 9. a second packing layer; 10. a second spray layer; 11. a third packing layer; 12. a third spray layer; 13. a fourth packing layer; 14. a liquid phase layer at the bottom of the tower; 15. spraying a main pipe; 16. spraying branch pipes; 17. a liquid inlet; 18. a spray port; 19. an air outlet; 20 an air inlet; 21. a water inlet; 22. a medicine adding port; 23. a discharge port; 24. a liquid level sensor; 25. a first solenoid valve; 26. a second solenoid valve; 27. a pressure sensor; 28. a temperature sensor; 29 a lightning rod; 30. a flush pump; 31. a flush tank; 32. a cutoff trap; 33. unloading the filling hole; 34 a manhole; 35. a sight glass; 36. a spray pump; 37. sampling points.
Detailed Description
The invention will be further described with reference to the accompanying drawings:
example 1
As shown in fig. 1-3, the slaughterhouse malodor treatment system of the present invention comprises an atomized alkali liquor absorption tower 1, a dehydrator 2, a plasma device 3, a fan 4, an exhaust funnel 5, and a control system 6, which are sequentially connected; including the packing layer and spray the layer in the atomizing alkali lye absorption tower 1, it is provided with the spiral nozzle on the layer to spray, the spiral nozzle is circular, the spiral nozzle is including spraying 15 and spraying the branch pipe 16 that is responsible for 15 bilateral symmetry settings, sprays 15 one ends of being responsible for and is provided with inlet 17, and 16 one ends of branch pipe intercommunication that spray sprays is responsible for 15, sprays to be responsible for 15 and spray and evenly arranged on the branch pipe 16 and spray mouth 18, and 1 tops of atomizing alkali lye absorption tower are provided with gas outlet 19.
The collected peculiar smell gas passes through the atomized alkali liquor absorption tower 1, the waste gas from bottom to top, and the spray absorption liquid from top to bottom passes through the spray opening 18 to be absorbed and dissolved on the surface of the filler of the packing layer through chemical reactions of hydrogen sulfide, ammonia gas and the like in the waste gas; thereby achieving the purpose of primary purification. After alkaline washing, the waste gas enters a plasma device 3 after being dewatered by a dehydrator 2, peculiar smell components are treated, and tail gas reaching the standard is driven by a fan 4 to be discharged through an exhaust funnel 5. The purification efficiency is high, no secondary pollution is generated, the impact load is resisted, the occupied area is small, the operation cost is low, the equipment power is changed along with the pollutant concentration, and the equipment maintenance is convenient.
The atomized alkali liquor absorption tower 1 sequentially comprises a first packing layer 7, a first spraying layer 8, a second packing layer 9, a second spraying layer 10, a third packing layer 11, a third spraying layer 12, a fourth packing layer 13 and a tower bottom liquid phase layer 14 from top to bottom, the first packing layer 7 is filled with a PP wire mesh dewatering packing, and the second packing layer 9, the third packing layer 11 and the fourth packing layer 13 are filled with multi-surface hollow spheres; the first spraying layer 8, the second spraying layer 10 and the third spraying layer 12 are provided with spiral nozzles, liquid inlets 17 of the spiral nozzles are communicated with the tower bottom liquid phase layer 14 through a spraying pump 36, the tower bottom liquid phase layer 14 is provided with air inlets 20, water inlets 21 and a chemical feeding port 22, and the bottom of the atomized alkali liquor absorption tower 1 is provided with a drain port 23.
Compared with the conventional filler, the polyhedral hollow sphere filler has the advantages of large specific surface area, high porosity, small resistance, good wettability and the like, can provide a sufficient interface for the gas-liquid mass transfer process, and improves the mass transfer efficiency. The spray layer in the atomized alkali liquor absorption tower 1 is provided with a spiral nozzle, so that the atomization effect is good, and the liquid phase is uniformly dispersed. The liquid phase atomized by the spiral nozzle is uniformly sprayed on the polyhedral hollow sphere filler, flows through gaps of the filler from top to bottom, and wets the surface of the filler to form a flowing liquid film. Waste gas passes through the packing layer from bottom to top under the action of the fan 4 and contacts with the liquid film in a reverse direction to generate a mass transfer process, and pollutants in the waste gas are absorbed, wrapped and entrained into the liquid phase, so that the aim of purifying the waste gas is fulfilled. The purified waste gas is discharged from a gas outlet 19 at the top of the tower, and the liquid phase absorbing the pollutants is collected at the bottom of the tower and recycled by a spray pump 36 to reach a certain concentration and then is discharged in a replacement way.
Specifically, the polyhedral hollow sphere filler can be a hollow sphere filler with 5-15 surfaces.
Wherein, the tower bottom liquid phase layer 14 is provided with a liquid level sensor 24, the water inlet 21 is communicated with factory tap water through a first electromagnetic valve 25, the drain outlet 23 is communicated with a factory sewage pipe through a second electromagnetic valve 26, a communicating pipeline of the dehydrator 2 and the plasma equipment 3 is provided with a pressure sensor 27 and a temperature sensor 28, and the liquid level sensor 24, the first electromagnetic valve 25, the second electromagnetic valve 26, the pressure sensor 27, the temperature sensor 28, the spray pump 36, the plasma equipment 3 and the fan 4 are connected with the control system 6.
The control system 6 controls the first electromagnetic valve 25 to automatically replenish water according to the height of the liquid level sensor 24, can control the second electromagnetic valve 26 to automatically drain water through a time relay, and controls the plasma equipment 3 to automatically shut down when the wind pressure of the pressure sensor 27 is smaller than a set value or the temperature of the temperature sensor 28 is larger than the set value. Utilize 6 automatic control of control system slaughterhouse stench processing system operation, equipment power changes along with pollutant concentration, and the running cost is low. Specifically, the control system 6 is a PLC control system.
Wherein, the medicine adding opening 22 is inclined downwards by 40 degrees to 50 degrees, which is convenient for accelerating the even mixing of the medicine and the bottom liquid phase layer.
Wherein, the top of the exhaust funnel 5 is provided with a lightning rod 29, so that the safety is improved.
Wherein, the plasma equipment 3 is communicated with a flushing water tank 31 through a flushing pump 30, the flushing water tank 31 is communicated with factory tap water, and the flushing pump 30 is connected with the control system 6.
Here, the plasma device 3 needs to output plasma outwards through the quartz tube to achieve the purpose of waste gas treatment, and the impurities in the waste gas can cover the surface of the quartz tube after long-time operation, so that the effect of the plasma device 3 on the waste gas is hindered, and local overhigh temperature can be caused to damage the generating elements of the plasma device 3. A rinsing water tank 31 is provided to periodically rinse the surface of the plasma element in the plasma equipment 3 with clean water.
Wherein, a cut-off steam trap 32 is connected between the plasma equipment 3 and the fan 4, and the cut-off steam trap 32 is communicated with a factory sewage pipe.
The arrangement of the cutoff steam trap 32 and the dehydrator 2 can improve the treatment applicability of the whole system to the high-humidity exhaust gas. The cutoff steam trap 32 can prevent condensed water in the pipeline from flowing into the fan 4 to affect the operation of the fan 4 in the normal operation stage, and can play a role in collecting washing wastewater in the washing stage. The dehydrator 2 can effectively block water vapor and impurities carried in the waste gas, and the treatment efficiency of the plasma equipment 3 is increased.
Wherein, be provided with sampling point 37 on the aiutage 5, be convenient for sample inspection tail gas up to standard.
The first packing layer 7, the second packing layer 9, the third packing layer 11 and the fourth packing layer 13 are respectively communicated with a packing unloading hole 33, the first spraying layer 8, the second spraying layer 10 and the third spraying layer 12 are respectively communicated with a manhole 34, and a viewing mirror 35 is arranged on the manhole 34; the internal condition of the atomized alkali liquor absorption tower 1 can be observed at any time, and the maintenance is convenient.
Slaughterhouse foul smell processing system, the working process as follows:
the collected peculiar smell gas passes through the atomized alkali liquor absorption tower 1, the waste gas from bottom to top, and the spray absorption liquid from top to bottom passes through the spray opening 18 to be absorbed and dissolved on the surface of the filler of the packing layer through chemical reactions of hydrogen sulfide, ammonia gas and the like in the waste gas; thereby achieving the purpose of primary purification. After alkaline washing, the waste gas enters a plasma device 3 after being dewatered by a dehydrator 2, peculiar smell components are treated, and tail gas reaching the standard is driven by a fan 4 to be discharged through an exhaust funnel 5.

Claims (9)

1.一种屠宰场恶臭处理系统,其特征在于:包括依次连通的雾化碱液吸收塔(1)、除水器(2)、等离子设备(3)、风机(4)、排气筒(5),还包括控制系统(6);雾化碱液吸收塔(1)内包括填料层和喷淋层,所述喷淋层上设置有螺旋喷嘴,所述螺旋喷嘴呈圆形,所述螺旋喷嘴包括喷淋主管(15)和喷淋主管(15)两侧对称设置的喷淋支管(16),喷淋主管(15)一端设置有进液口(17),喷淋支管(16)一端连通喷淋主管(15),喷淋主管(15)和喷淋支管(16)上均匀布置有喷淋口(18),雾化碱液吸收塔(1)顶端设置有出气口(19)。1. a slaughterhouse malodor treatment system, it is characterized in that: comprise the atomized lye absorption tower (1), water eliminator (2), plasma equipment (3), fan (4), exhaust cylinder ( 5), also comprising a control system (6); the atomized lye absorption tower (1) includes a packing layer and a spray layer, the spray layer is provided with a spiral nozzle, the spiral nozzle is circular, the The spiral nozzle comprises a spray main pipe (15) and a spray branch pipe (16) symmetrically arranged on both sides of the spray main pipe (15), one end of the spray main pipe (15) is provided with a liquid inlet (17), and the spray branch pipe (16) One end is connected to the spray main pipe (15), the spray main pipe (15) and the spray branch pipe (16) are evenly arranged with spray ports (18), and the top of the atomized lye absorption tower (1) is provided with an air outlet (19) . 2.根据权利要求1所述的屠宰场恶臭处理系统,其特征在于:雾化碱液吸收塔(1)内从上而下依次包括第一填料层(7)、第一喷淋层(8)、第二填料层(9)、第二喷淋层(10)、第三填料层(11)、第三喷淋层(12)、第四填料层(13)、塔底液相层(14),第二填料层(9)、第三填料层(11)、第四填料层(13)内填充多面空心球;第一喷淋层(8)、第二喷淋层(10)、第三喷淋层(12)上设置有螺旋喷嘴,螺旋喷嘴的进液口(17)通过喷淋泵(36)连通塔底液相层(14),塔底液相层(14)设置有进气口(20)、进水口(21)和加药口(22),雾化碱液吸收塔(1)底部设置有排净口(23)。2. The slaughterhouse malodor treatment system according to claim 1, characterized in that: the atomized lye absorption tower (1) sequentially comprises a first packing layer (7) and a first spray layer (8) from top to bottom ), the second packing layer (9), the second spray layer (10), the third packing layer (11), the third spray layer (12), the fourth packing layer (13), the liquid phase layer at the bottom of the tower ( 14), the second filler layer (9), the third filler layer (11), and the fourth filler layer (13) are filled with polyhedral hollow spheres; the first spray layer (8), the second spray layer (10), The third spray layer (12) is provided with a spiral nozzle, and the liquid inlet (17) of the spiral nozzle is communicated with the liquid phase layer (14) at the bottom of the tower through a spray pump (36), and the liquid phase layer (14) at the bottom of the tower is provided with The air inlet (20), the water inlet (21) and the dosing port (22), and the bottom of the atomized lye absorption tower (1) is provided with a drain port (23). 3.根据权利要求2所述的屠宰场恶臭处理系统,其特征在于:塔底液相层(14)设置有液位传感器(24),进水口(21)通过第一电磁阀(25)连通厂区自来水,排净口(23)通过第二电磁阀(26)连通厂区污水管,除水器(2)与等离子设备(3)的连通管道上安装有压力传感器(27)和温度传感器(28),液位传感器(24)、第一电磁阀(25)、第二电磁阀(26)、压力传感器(27)、温度传感器(28)、喷淋泵(36)、等离子设备(3)和风机(4)连接控制系统(6)。3. The slaughterhouse malodor treatment system according to claim 2, characterized in that: the liquid layer (14) at the bottom of the tower is provided with a liquid level sensor (24), and the water inlet (21) is communicated through the first solenoid valve (25) The tap water in the plant area, the drain port (23) is connected to the sewage pipe in the plant area through the second solenoid valve (26). ), liquid level sensor (24), first solenoid valve (25), second solenoid valve (26), pressure sensor (27), temperature sensor (28), spray pump (36), plasma equipment (3) and The fan (4) is connected to the control system (6). 4.根据权利要求2所述的屠宰场恶臭处理系统,其特征在于:加药口(22)斜向下40°-50°。4. The slaughterhouse malodor treatment system according to claim 2, wherein the dosing port (22) is inclined downward by 40°-50°. 5.根据权利要求1-4任一项所述的屠宰场恶臭处理系统,其特征在于:排气筒(5)顶端设置有避雷针(29)。5. The slaughterhouse malodor treatment system according to any one of claims 1-4, characterized in that: the top of the exhaust cylinder (5) is provided with a lightning rod (29). 6.根据权利要求1-4任一项所述的屠宰场恶臭处理系统,其特征在于:等离子设备(3)通过冲洗泵(30)连通有冲洗水箱(31),冲洗水箱(31)连通厂区自来水,冲洗泵(30)连接控制系统(6)。6. slaughterhouse malodor treatment system according to any one of claims 1-4, is characterized in that: plasma equipment (3) is communicated with flushing water tank (31) by flushing pump (30), and flushing water tank (31) is communicated with factory area Tap water, the flushing pump (30) is connected to the control system (6). 7.根据权利要求1-4任一项所述的屠宰场恶臭处理系统,其特征在于:等离子设备(3)和风机(4)之间连接有断流疏水器(32),断流疏水器(32)连通厂区污水管。7. The slaughterhouse malodor treatment system according to any one of claims 1-4, characterized in that: a current-breaking steam trap (32) is connected between the plasma equipment (3) and the fan (4), and the current-breaking steam trap (32) Connect to the sewage pipe in the plant area. 8.根据权利要求1-4任一项所述的屠宰场恶臭处理系统,其特征在于:排气筒(5)上设置有取样点(37)。8. The slaughterhouse odor treatment system according to any one of claims 1-4, characterized in that: a sampling point (37) is provided on the exhaust cylinder (5). 9.根据权利要求2-4任一项所述的屠宰场恶臭处理系统,其特征在于:第一填料层(7)、第二填料层(9)、第三填料层(11)、第四填料层(13)分别连通有卸填料孔(33),第一喷淋层(8)、第二喷淋层(10)、第三喷淋层(12)分别连通有人孔(34),人孔(34)上设置有视镜(35)。9. The slaughterhouse malodor treatment system according to any one of claims 2-4, characterized in that: a first filler layer (7), a second filler layer (9), a third filler layer (11), a fourth filler layer (11), a fourth filler layer The packing layers (13) are respectively connected with unloading holes (33), and the first spray layer (8), the second spray layer (10) and the third spray layer (12) are respectively connected with manholes (34), A sight glass (35) is arranged on the hole (34).
CN202020867492.5U 2020-05-20 2020-05-20 Slaughterhouse odor treatment system Expired - Fee Related CN212262821U (en)

Priority Applications (1)

Application Number Priority Date Filing Date Title
CN202020867492.5U CN212262821U (en) 2020-05-20 2020-05-20 Slaughterhouse odor treatment system

Applications Claiming Priority (1)

Application Number Priority Date Filing Date Title
CN202020867492.5U CN212262821U (en) 2020-05-20 2020-05-20 Slaughterhouse odor treatment system

Publications (1)

Publication Number Publication Date
CN212262821U true CN212262821U (en) 2021-01-01

Family

ID=73879199

Family Applications (1)

Application Number Title Priority Date Filing Date
CN202020867492.5U Expired - Fee Related CN212262821U (en) 2020-05-20 2020-05-20 Slaughterhouse odor treatment system

Country Status (1)

Country Link
CN (1) CN212262821U (en)

Cited By (1)

* Cited by examiner, † Cited by third party
Publication number Priority date Publication date Assignee Title
CN114618292A (en) * 2022-04-12 2022-06-14 同济大学 Strengthen the treatment device and operation mode for removing sulfur-containing odor and greenhouse gas

Cited By (2)

* Cited by examiner, † Cited by third party
Publication number Priority date Publication date Assignee Title
CN114618292A (en) * 2022-04-12 2022-06-14 同济大学 Strengthen the treatment device and operation mode for removing sulfur-containing odor and greenhouse gas
CN114618292B (en) * 2022-04-12 2023-01-20 同济大学 Treatment device for removing sulfur-containing stink and greenhouse gas in enhanced mode and operation mode

Similar Documents

Publication Publication Date Title
CN101455938B (en) Plasma biology deodorization technique and system of vent gas from steel-drum spray-painting production line
CN102068878A (en) Method for treating odors produced by drying sewage sludge
CN208066104U (en) A kind of chemical industry waste water station foul smell is collected and processing system
CN106861395A (en) It is a kind of for the oxidization processing system waste gas produced in feces of livestock and poultry harmless treatment
CN204247050U (en) A kind of sludge drying produces foul gas UV photodissociation cleaning equipment
CN205109351U (en) Stench waste gas treatment system
CN206587584U (en) A complete set of sludge and odor treatment system
CN215233244U (en) A kind of waste gas treatment equipment for paper mill sewage treatment station
CN212262821U (en) Slaughterhouse odor treatment system
CN210544342U (en) Odor ultra-clean emission treatment device for urban sewage treatment plant
CN201669049U (en) Deodorizer
CN209254476U (en) A kind of off-gas cleaning equipment of organic waste equipment
CN101708417A (en) Device for treating malodorous gas in pharmaceutical industry
CN212119577U (en) Laboratory exhaust treatment device
CN219002609U (en) Ozone catalytic oxidation deodorizing device
CN111517458A (en) Centralized treatment device and treatment method for waste gas of sewage treatment plant
CN211886197U (en) Automatic dosing system of spraying acid-base washing tower
CN110559827B (en) Treatment process of papermaking waste gas
CN205392133U (en) Sewage exhaust treatment device
CN209406063U (en) A kind of end exhaust gas total system
CN205627572U (en) Landfill leachate foul gas purifies integrated equipment
CN209791257U (en) plasticizer VOCs photolysis system
CN212215087U (en) Super oxidation exhaust-gas treatment system of spraying method
CN208911795U (en) A kind of waterproof roll flue gas purification system
CN109126418B (en) Combined gas purifying equipment and purifying process thereof

Legal Events

Date Code Title Description
GR01 Patent grant
GR01 Patent grant
CF01 Termination of patent right due to non-payment of annual fee

Granted publication date: 20210101

CF01 Termination of patent right due to non-payment of annual fee