CN212259017U - 针对指针式仪表的物联网计量仪器通用系统 - Google Patents
针对指针式仪表的物联网计量仪器通用系统 Download PDFInfo
- Publication number
- CN212259017U CN212259017U CN202021521104.4U CN202021521104U CN212259017U CN 212259017 U CN212259017 U CN 212259017U CN 202021521104 U CN202021521104 U CN 202021521104U CN 212259017 U CN212259017 U CN 212259017U
- Authority
- CN
- China
- Prior art keywords
- module
- instrument
- metering
- controller
- coding
- Prior art date
- Legal status (The legal status is an assumption and is not a legal conclusion. Google has not performed a legal analysis and makes no representation as to the accuracy of the status listed.)
- Active
Links
- 238000006243 chemical reaction Methods 0.000 claims abstract description 30
- 230000006855 networking Effects 0.000 claims abstract 3
- 238000011161 development Methods 0.000 abstract description 11
- 230000000007 visual effect Effects 0.000 abstract description 8
- 238000012544 monitoring process Methods 0.000 abstract description 7
- 230000009466 transformation Effects 0.000 abstract description 7
- 238000005259 measurement Methods 0.000 description 40
- 238000010586 diagram Methods 0.000 description 17
- 238000005516 engineering process Methods 0.000 description 15
- 238000004891 communication Methods 0.000 description 14
- 230000005540 biological transmission Effects 0.000 description 9
- 238000013461 design Methods 0.000 description 8
- 238000013480 data collection Methods 0.000 description 5
- 238000000034 method Methods 0.000 description 4
- 238000012986 modification Methods 0.000 description 3
- 230000004048 modification Effects 0.000 description 3
- 238000012795 verification Methods 0.000 description 3
- 238000010276 construction Methods 0.000 description 2
- 238000012423 maintenance Methods 0.000 description 2
- WHXSMMKQMYFTQS-UHFFFAOYSA-N Lithium Chemical compound [Li] WHXSMMKQMYFTQS-UHFFFAOYSA-N 0.000 description 1
- 101100434411 Saccharomyces cerevisiae (strain ATCC 204508 / S288c) ADH1 gene Proteins 0.000 description 1
- 101150102866 adc1 gene Proteins 0.000 description 1
- 230000009977 dual effect Effects 0.000 description 1
- 230000000694 effects Effects 0.000 description 1
- 230000007613 environmental effect Effects 0.000 description 1
- 238000007689 inspection Methods 0.000 description 1
- 238000009434 installation Methods 0.000 description 1
- 229910052744 lithium Inorganic materials 0.000 description 1
- 230000002093 peripheral effect Effects 0.000 description 1
- 230000008439 repair process Effects 0.000 description 1
Images
Landscapes
- Arrangements For Transmission Of Measured Signals (AREA)
Abstract
本实用新型提供了一种针对指针式仪表的物联网计量仪器通用系统。该通用系统包括控制器计量编码模块、定位模块、多参数转换模块、显示模块、摄像模块、NB模块和电源模块。该通用系统可以直接安装在现有的指针式仪表上,通过控制器计量编码模块实现了计量编码功能;摄像模块一方面对表号进行识别,通过验证表号和计量码的对应,完善了计量编码功能;另一方面对指针数据进行识别,转化为数据信息并用于显示屏的显示。同时,本实用新型的通用系统还可以实现视觉识别、仪表定位、数据的远程上传、仪表状态监测、仪表功能拓展,实现了传统仪表的智能化改造,将传统仪表转换为物联网仪表,适应了时代的发展,极大地推进了我国计量事业的发展。
Description
技术领域
本实用新型涉及仪表设计领域和计量器具编码领域,具体地说是一种针对指针式仪表的物联网计量仪器通用系统。
背景技术
计量是实现单位统一、保证量值准确可靠的活动,关系国计民生。计量发展水平是国家核心竞争力的重要标志之一。随着我国经济的发展,需要强检计量器具的行业越来越广。但是,目前存在计量器具统计困难、企业鉴定管理不善、监督管理有限和社会对计量器具检定结果获知困难等问题。
计量器具的唯一性识别编码的提出为以上问题的解决带来了曙光。计量器具编码就是按着国家制定的统一标准,对所有的计量器具进行编号,相当于个人身份证。每个计量器具都有唯一的身份,这样可以实现计量器具的全生命周期管理。进而为计量器具的统计、企业鉴定管理、监督部门监督和大众信息获取提供了便利,同时可以提高我国计量水平和计量器具的管理水平。实现全国范围内的计量器具统一性编码对于国家计量事业的发展具有重要意义。
物联网技术的高速发展为计量器具统一性编码的实现提供了一种思路。该技术可以支持计量器具的广泛接入和便捷化管理,实现计量器具统一性编码和可视化管理平台的构建。物联网技术的发展,为计量器具的智能化改造提供了一种思路。
目前,可以应用在计量器具上的通信技术主要有分组无线服务技术(GPRS)、无线局域网(WIFI)、ZigBee、Lo Ra(Long Rang)、RF mesh、NB-IoT(Narrow Band Internet ofThings)等几种主流技术。
GPRS是一种较早使用的无线传输网络,利用移动公司的通信基站,实现仪表数据的传输。具有网络覆盖广、通信可靠、维护简单等优点,但是此种方式成本较高。
WIFI是无线网络技术。其优点是无需部署采集器和集中器,可以通过网线直接相连。但是WIFI信号衰减较快、穿墙能力弱、功耗较大,不适合远距离传输。
ZigBee特点是可自组网,网络稳定性高。但是价格昂贵,传输速率低。且仪表互为路由节点,这就造成了功耗高。而且,其工作频率与WIFI相近,易受干扰。
Lo Ra技术属于物联网通信技术之一,具有远距离、低功耗、维护成本低等特点,可以实现超远距离无线传输。但其采用私有协议,兼容性较差。
RF mesh(无线射频网状网网络)技术,该抄表系统采用星形网络结构,即集中器与各个表之间形成一对多连接。该系统结构可靠性差。且采用非标准188网络协议,系统的兼容性差。
NB-IoT(Narrow Band Internet of Things,NB-IoT)是一种窄带物联网技术,其特点是覆盖广、容量大、成本低、功耗少、架构优等,相比于其他的仪表计量的通信技术,该系统在信息安全、移动性、容量、成本及功耗等方面都有巨大的优势,系统的稳定性和可靠性高。
目前,尚没有文献对计量器具进行唯一性识别编码的详细报道。
实用新型内容
本实用新型的目的就是提供一种针对指针式仪表的物联网计量仪器通用系统,该系统能够直接安装在现有的指针式仪表上,实现仪表的计量编码。
本实用新型的目的是这样实现的:一种针对指针式仪表的物联网计量仪器通用系统,包括:
控制器计量编码模块,分别与定位模块、多参数转换模块、显示模块、摄像模块、NB模块和电源模块相接,用于实现仪表的计量编码、数据的收发、存储和上传,同时对与其相接的各模块进行控制;
定位模块,与控制器计量编码模块和电源模块相接,用于在控制器计量编码模块的控制下对仪表的位置进行定位,并将定位信息发送至控制器计量编码模块;
多参数转换模块,与控制器计量编码模块相接,用于采集模拟量或数字量的输入,并将所采集到的数据发送至控制器计量编码模块;
显示模块,与控制器计量编码模块相接,用于在控制器计量编码模块的控制下,对仪表的数据包进行显示,所述仪表的数据包包括计量码、表号和数据;
摄像模块,与控制器计量编码模块相接,用于在控制器计量编码模块的控制下,对仪表的表号和指针进行摄像,并将摄像信息传输至控制器计量编码模块,以实现仪表表号和数据的采集及上传;
NB模块,与控制器计量编码模块相接,用于将控制器计量编码模块所发的仪表的数据包进行上传;以及
电源模块,用于为上述各模块提供工作所需电压。
优选的,所述控制器计量编码模块采用STM32L431RCT6型号的单片机。
优选的,所述摄像模块采用OV7670模块。
优选的,所述定位模块包括范围定位模块和精准定位模块;所述范围定位模块采用NB模块中内置的GNSS定位模块,所述精准定位模块采用DWM1000芯片。
优选的,所述多参数转换模块包括模拟量输入模块和数字量输入模块。
优选的,所述模拟量输入模块采用的转换芯片为LM324。
优选的,所述显示模块采用SSD1306芯片驱动OLED显示屏。
优选的,所述NB模块采用ME3616。
为实现计量器具的唯一性识别编码和计量器具的智能化改造,基于物联网技术,针对计量仪表领域,本实用新型提供了一种物联网计量仪器通用系统。该通用系统可以直接安装在现有的指针式仪表上,实现计量编码功能;同时,本实用新型的通用系统还可以实现仪表定位、数据的远程上传、仪表状态监测、仪表功能拓展,实现了传统仪表的智能化改造,将传统仪表转换为物联网仪表,适应了时代的发展,极大地推进了我国计量事业的发展。
本实用新型所提供的物联网计量仪器通用系统,可以直接安装在现有指针式仪表上,可实现计量编码、视觉识别、仪表定位、多参数转换、数据显示、数据上传、支持其他功能拓展。该通用系统实现了仪表编码,进而可以解决计量器具统计困难、企业鉴定管理无序和公众鉴定信息获知困难的问题,可以实现仪表的可视化管理;摄像模块一方面对表号进行识别,通过验证表号和计量码的对应,完善了计量编码功能;另一方面对指针数据定位进行识别,转化为数据信息并用于显示屏的显示以及数据上传;定位模块可以实现仪表的定位,这就使得一旦计量器具发生故障,实时监控系统能及时发现,并快速找到故障点,进行抢修,排除隐患,大大提高了效率,节约了人工成本;多参数转换模块支持其他信号的采集和上传,可以实现仪表的状态信息监测;显示模块可以显示仪表的数据包信息(计量码+表号+数据);基于NB-IoT技术,可以实现远程仪表数据接收和仪表状态监测以及仪表的定位。
本实用新型所提供的物联网计量仪器通用系统,为仪表计量编码、仪表的智能化改造、仪表定位、多参数转换、仪表数据远程管理、仪表环境状态监测和计量鉴定系统的构建提供了一种可能性。
附图说明
图1是本实用新型所提供的针对指针式仪表的物联网计量仪器通用系统的结构框图。
图2是本实用新型中控制器计量编码模块的原理结构图。
图3是本实用新型中摄像模块的接口图。
图4是本实用新型中精准定位模块的原理图。
图5是本实用新型中多参数转换模块的原理图。
图6是本实用新型中模拟量输入模块的原理图。
图7是本实用新型中显示模块的原理图。
图8是本实用新型中NB模块的原理图。
图9是本实用新型中电源模块的原理图。
具体实施方式
如图1所示,本实用新型所提供的针对指针式仪表的物联网计量仪器通用系统包括控制器计量编码模块、定位模块、多参数转换模块、显示模块、摄像模块、NB模块和电源模块;定位模块又包括范围定位模块和精准定位模块;多参数转换模块包括模拟量输入模块和数字量输入模块。控制器计量编码模块分别与多参数转换模块、显示模块、摄像模块、NB模块、电源模块、范围定位模块和精准定位模块相连接。控制器计量编码模块用于实现计量编码、数据的收发和储存;摄像模块一方面实现表号的视觉识别,以完善计量编码功能,防止人为改装仪表;另一方面实现数据采集,读取指针式仪表数据;范围定位模块和精准定位模块用于实现仪表定位;多参数转换模块,其上的模拟口(对应图1中的模拟量输入模块)和数字口(对应图1中的数字量输入模块)还支持拓展各种模块,符合仪表设计的普适性原则和个性化需求;显示模块用于显示仪表的计量码、表号、数据信息和状态信息;NB模块接收控制器的数据并进行上传;电源模块为各个模块进行供电。
为实现计量器具唯一性识别编码,全国计量器具管理标准化技术委员会(SAC/TC525)提出了国家标准《计量器具识别编码》,明确了编码规则和实现方式。计量器具识别编码按照GB/T 36377—2018的规则编制,由领域标头、计量器具类别代码、计量器具编码主体代码、计量器具序列码和识别编码扩展信息五部分组成,编码的前四部分为定长,具有唯一性,为基础信息,共计33位;编码的第五部分不定长,为可选的扩展信息。它们共同用于识别计量器具基础信息和扩展信息时的采集和交换,从给计量器具定义唯一性识别编码开始,一直到该计量器具不再使用或者报废,该计量器具的唯一性识别编码一直都不变。
本实用新型按照GB/T 36377—2018的规则对计量器具进行编码,用串口通信方式,将计量码通过上位机下发到控制器计量编码模块,并存于控制器计量编码模块的FLASH中,实现计量码的录入与锁存;同时,为防止人为改装仪表,完善计量编码功能,加入摄像模块用于表号的视觉识别。将表号一同存入控制器计量编码模块的FLASH中,实现计量码和表号的关联。在每次上传数据时,启动摄像模块,采集表号信息,并与录入到FLASH中的表号进行验证,表号一致,将数据包显示并上传;表号不一致,控制器计量编码模块启动自锁模式,停止工作并报警。控制器计量编码模块将数据包统一成“计量码+表号+数据”的形式,在按下显示模块中的显示按键时,由显示模块中的显示屏显示数据包,支持表号的二次验证。同时,控制器计量编码模块根据设定的数据远程上报频率,实现数据包的远程上传,在平台上注册的设备信息中含有计量码和表号,支持表号的三次验证。这就在硬件上实现了计量仪表的唯一性编码,同时采用多种验证方式,完善了计量编码功能。
另外,本实用新型基于定位技术,通过定位模块将仪表的位置信息上报给控制器计量编码模块,实现位置信息的存储和上传;基于NB-IoT技术,通过NB模块将控制器计量编码模块所发的数据包上传,实现对仪表的数据上传和状态监测;基于多参数转换技术,通过多参数转换模块来拓展其他模块,满足个性化需求。该系统可直接安装在现有指针式仪表上,实现了传统仪表改装成物联网仪表。
下面结合具体电路结构详细介绍本实用新型通用系统中的各模块。
如图2所示,控制器计量编码模块基于低功耗的考虑,选用STM32L431RCT6型号的单片机。其低功耗性能十分优越,适合做仪表开发。引脚和所支持外设数量满足本设计需求。控制器计量编码模块不仅仅对整个系统实现控制功能,还实现计量编码功能。按照GB/T36377—2018的规则对计量器具进行编码,上位机与单片机(或称控制器)的引脚51和52对应连接,实现串口通信。用串口调试助手(其为一个小程序)将计量码下发到单片机,并存于单片机的FLASH中,实现计量码的录入与锁存,实现了计量编码功能。
引脚2为单片机的工作指示灯,用于调试电路和工作提醒;引脚3、4为外部低速时钟输入口;引脚5、6为外部高速时钟输入口;引脚7为单片机的复位引脚,用于复位程序;引脚8、9、10、11、14、15、26、27、50、53、54、55、56、57、58、59为摄像模块的接口,使摄像模块与单片机实现通信,实现视觉识别功能,用于识别表号和数据采集;引脚21为模拟量输入模块的输入口,用于实现多参数转换功能,支持模拟量的采集和上传;引脚22为数字量输入模块的输入口,用于实现多参数转换功能,支持数字量的采集和上传;引脚28为显示按键的输入引脚,实现按键激活显示屏显示数据;引脚29、30为OLED显示屏的接口,用于显示数据包(计量码+表号+数据)、仪表数据信息和状态信息;引脚33、34、35、36、37、38、39为精准定位模块的输入口,使精准定位模块与单片机实现通信,实现仪表精准定位功能;引脚42、43为NB模块的输入口,通过NB模块可将单片机的数据发送到云平台,实现远程数据传送功能;引脚46、49是ST-LINK的接口,是程序下载口;VBAT、VSS、VDD为电源接口,其上接3.3V电源。
摄像模块采用OV7670模块,它是一种CMOS器件,兼容I2C接口,低功耗性能优越。OV7670模块与摄像接口实现连接,用于识别指针的数据信息和仪表的表号信息。识别指针的数据信息用于数据采集,进而实现传统指针式仪表转换为物联网仪表;识别仪表的表号信息,并通过控制器录入到FLASH中。每次显示和上报数据时,启动摄像模块,先进行表号信息采集,并完成表号对比,与FLASH中表号实现对应,则继续进行数据采集工作。视觉识别功能不仅仅实现了数据采集,还完善了计量编码功能,有效的防止了人为改装仪表的发生。
图3是摄像模块的接口图。OV7670为集成模块,只需插入图3中接口,便可实现通讯。接口图中引脚1和2为模块的供电接口,实现模块的3.3V供电;引脚3和4为I2C的时钟和数据输入口,用于摄像模块与单片机进行通讯;网络标号PCLK代表传感器的像素时钟输出,用于输出图像信息;XCLK为模块时钟输入口,进行时钟配置;VSYNC为帧控制引脚,HREF为像素控制引脚,两者实现对输出的图像信息进行配置;D0-D7是像素输出数字口;RESET实现模块的复位;PWDN用于控制器激活模块。
定位模块分为范围定位模块和精准定位模块。范围定位时选用了内置定位模块的NB模块,即范围定位是依靠ME3616中集成的GNSS定位模块实现的,范围定位模块是GPS和北斗的结合,大大提高了定位精度。但是,考虑到在仪表室内安装定位模块存在信号屏蔽现象,室内安装大大降低了GNSS的定位精度;同时,存在小范围内多个仪表共存的情况,这时范围定位不能实现定位找到仪表的需求。基于此两点,本实用新型设计了精准定位模块。精准定位模块选用的是DWM1000芯片,精准定位模块的定位精度高达10厘米,满足设计的需要。同时,为了满足低功耗的设计理念,精准定位模块长期处于深度睡眠状态。只有在控制器发送唤醒指令后,精准定位模块才开始工作,进行位置信息的上报。完成数据上报后,继续深度睡眠,等待控制器的再次唤醒。
图4是精准定位模块的原理图。引脚5、6、7、8为模块的电源输入口,该模块也是3.3V供电;引脚3为模块的复位引脚,用于程序复位;引脚22为中断请求引脚,用于向控制器发出中断信号;引脚2为唤醒引脚,用于唤醒精确定位模块,使之工作。在无需定位信息时,该模块处于深度休眠状态,满足低功耗需求;引脚17、18、19、20为SPI通信口,用于模块和控制器之间的通信。
多参数转换模块是通过多参数输入模块实现的。多参数转换模块由模拟量输入模块和数字量输入模块构成。模拟量输入模块是基于单片机采集传感器的模拟量而设计;数字量输入模块是基于单片机采集数字量而设计。多参数转换模块的设计,支持各种数字量和模拟量输入,这就可以根据所需,自行拓展各种模块(根据所需,加入相应传感器,便可以实现功能拓展),实现仪表的状态监测,同时满足了个性化需求,使得本实用新型的通用系统更加实用,便于普及。
图5是多参数转换模块的原理图。数字量输出的传感器对应连接引脚2和3,便可实现数字量采集;模拟量输出的传感器对应连接引脚1和3,便可实现模拟量采集。
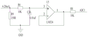
图6是模拟量输入模块的原理图。基于低成本考虑,转换芯片选用的是LM324。整个电路实现将4-20mA的模拟信号转换为0-3.3V的数字信号,实现控制器采集模拟信号的功能。其上的4-20mA网络标号,是模拟量的输入口;ADC1网络标号,实现与控制器的连接。
图7是显示模块的原理图。显示模块基于低功耗考虑,选用SSD1306驱动显示屏。SSD1306芯片专为共阴极OLED面板设计,嵌入了对比控制器,系统性能优越。且外部器件少,功耗极低,满足设计需要。引脚5、6、7、8、14为模块的电源引脚,芯片支持3.3V供电。引脚10、11连接控制器,实现显示模块与控制器通信,而且实现显示功能。通过OLED显示屏,可显示仪表的数据包(计量码+表号+数据)。计量码用于仪表管理,用户可以直接在显示屏查看,便利性强;表号用于验证仪表,完善计量编码功能;数据包含仪表示数和仪表状态。显示仪表数据信息是最基本的功能;仪表的状态信息是通过多参数转换模块实现的。根据所需要监控的仪表状态参数,进行相应传感器的接入,便可以实现仪表状态信息显示。
图8是NB模块的原理图。NB模块选用的是高新兴的ME3616。其低功耗性能十分优越,适合做仪表开发。同时,ME3616-G模组中集成了NBIOT和GNSS(GPS+北斗)双系统,在数据传输的同时,实现GNSS的定位,这就无需再添加GNSS定位模块,可以实现基础定位(即范围定位)。
引脚31、32为电源引脚,支持3.3V供电;引脚9、10连接控制器,与控制器进行通信,实现接收控制器数据的功能;引脚12、13、14、15连接SIM卡,实现NB模块与基站通信;引脚19是NB模块的开关控制引脚,用于模块的上电和下电;引脚20是电压输出引脚,用于模块接口电平匹配;引脚21连接NB模块的指示灯,模块工作时指示灯亮;引脚24连接GNSS的天线,用于实现范围定位;引脚27连接NB天线,用于支持NB模块的数据传输到云平台。
图9是电源模块的原理图。电源模块用于给各个模块供电。整个系统采用5V锂电池进行供电。因为各个模块的所需工作电压为3.3V,所以选用LT1763电压转换芯片,将5V电压转为3.3V,为各个模块供电。引脚8为5V电压的输入引脚,引脚1为3.3V输出引脚。5V电压经过LT1763后转为3.3V电压,为各个模块供电。
本实用新型所提供的物联网计量仪器通用系统可以直接安装在现有的指针式仪表上,将传统指针式仪表转换为物联网仪表,同时实现计量编码功能。
安装该物联网计量仪器通用系统时,注意将摄像模块对准指针和表号位置,以实现数据和表号的采集。这就可以实现仪表的计量编码和仪表的智能化改造。同时,多参数转换模块支持数字信号和模拟信号的采集,可以拓展所需模块,本实用新型满足普适性的同时,可兼顾个性化需求。
Claims (8)
1.一种针对指针式仪表的物联网计量仪器通用系统,其特征是,包括:
控制器计量编码模块,分别与定位模块、多参数转换模块、显示模块、摄像模块、NB模块和电源模块相接,用于实现仪表的计量编码、数据的收发、存储和上传,同时对与其相接的各模块进行控制;
定位模块,与控制器计量编码模块和电源模块相接,用于在控制器计量编码模块的控制下对仪表的位置进行定位,并将定位信息发送至控制器计量编码模块;
多参数转换模块,与控制器计量编码模块相接,用于采集模拟量或数字量的输入,并将所采集到的数据发送至控制器计量编码模块;
显示模块,与控制器计量编码模块相接,用于在控制器计量编码模块的控制下,对仪表的数据包进行显示,所述仪表的数据包包括计量码、表号和数据;
摄像模块,与控制器计量编码模块相接,用于在控制器计量编码模块的控制下,对仪表的表号和指针进行摄像,并将摄像信息传输至控制器计量编码模块,以实现仪表表号和数据的采集及上传;
NB模块,与控制器计量编码模块相接,用于将控制器计量编码模块所发的仪表的数据包进行上传;以及
电源模块,用于为上述各模块提供工作所需电压。
2.根据权利要求1所述的针对指针式仪表的物联网计量仪器通用系统,其特征是,所述控制器计量编码模块采用STM32L431RCT6型号的单片机。
3.根据权利要求1所述的针对指针式仪表的物联网计量仪器通用系统,其特征是,所述摄像模块采用OV7670模块。
4.根据权利要求1所述的针对指针式仪表的物联网计量仪器通用系统,其特征是,所述定位模块包括范围定位模块和精准定位模块;所述范围定位模块采用NB模块中内置的GNSS定位模块,所述精准定位模块采用DWM1000芯片。
5.根据权利要求1所述的针对指针式仪表的物联网计量仪器通用系统,其特征是,所述多参数转换模块包括模拟量输入模块和数字量输入模块。
6.根据权利要求5所述的针对指针式仪表的物联网计量仪器通用系统,其特征是,所述模拟量输入模块采用的转换芯片为LM324。
7.根据权利要求1所述的针对指针式仪表的物联网计量仪器通用系统,其特征是,所述显示模块采用SSD1306芯片驱动OLED显示屏。
8.根据权利要求1所述的针对指针式仪表的物联网计量仪器通用系统,其特征是,所述NB模块采用ME3616。
Priority Applications (1)
| Application Number | Priority Date | Filing Date | Title |
|---|---|---|---|
| CN202021521104.4U CN212259017U (zh) | 2020-07-28 | 2020-07-28 | 针对指针式仪表的物联网计量仪器通用系统 |
Applications Claiming Priority (1)
| Application Number | Priority Date | Filing Date | Title |
|---|---|---|---|
| CN202021521104.4U CN212259017U (zh) | 2020-07-28 | 2020-07-28 | 针对指针式仪表的物联网计量仪器通用系统 |
Publications (1)
| Publication Number | Publication Date |
|---|---|
| CN212259017U true CN212259017U (zh) | 2020-12-29 |
Family
ID=73981877
Family Applications (1)
| Application Number | Title | Priority Date | Filing Date |
|---|---|---|---|
| CN202021521104.4U Active CN212259017U (zh) | 2020-07-28 | 2020-07-28 | 针对指针式仪表的物联网计量仪器通用系统 |
Country Status (1)
| Country | Link |
|---|---|
| CN (1) | CN212259017U (zh) |
Cited By (1)
| Publication number | Priority date | Publication date | Assignee | Title |
|---|---|---|---|---|
| CN111953747A (zh) * | 2020-07-28 | 2020-11-17 | 河北大学 | 针对指针式仪表的物联网计量仪器通用系统 |
-
2020
- 2020-07-28 CN CN202021521104.4U patent/CN212259017U/zh active Active
Cited By (1)
| Publication number | Priority date | Publication date | Assignee | Title |
|---|---|---|---|---|
| CN111953747A (zh) * | 2020-07-28 | 2020-11-17 | 河北大学 | 针对指针式仪表的物联网计量仪器通用系统 |
Similar Documents
| Publication | Publication Date | Title |
|---|---|---|
| CN102693615B (zh) | 一种无线自组网抄表系统采集器装置及运行方法 | |
| CN211205414U (zh) | 一种远程升级的nb-iot物联网燃气表 | |
| CN201967144U (zh) | 基于ZigBee、3G网络的温室无线远程植物生理生态监测系统 | |
| CN203422836U (zh) | 一种远程抄表系统 | |
| CN102130942A (zh) | 一种基于ZigBee、3G网络的温室无线远程植物生理生态监测系统 | |
| CN103941312A (zh) | 一种远程雨量监测系统 | |
| CN201576047U (zh) | 统计型电压监测仪 | |
| CN212256564U (zh) | 针对电信号输出型仪表的物联网计量仪器通用系统 | |
| CN203552448U (zh) | 一种基于ZigBee无线传感器网络的大坝安全监测系统 | |
| CN101988855A (zh) | 低功耗无线数字温度自动监测系统 | |
| CN212259017U (zh) | 针对指针式仪表的物联网计量仪器通用系统 | |
| Zhang et al. | A kind of design schema of wireless smart water meter reading system based on zigbee technology | |
| CN204758062U (zh) | 物联网智能远传燃气表 | |
| TWI721312B (zh) | 用於讀取水表之無線讀表系統及其方法 | |
| CN210804738U (zh) | 一种多功能无线抄表装置 | |
| CN111932854B (zh) | 针对电信号输出型仪表的物联网计量仪器通用系统 | |
| CN111953747A (zh) | 针对指针式仪表的物联网计量仪器通用系统 | |
| CN203519235U (zh) | Gprs燃气压力温度监测仪 | |
| CN201522335U (zh) | 低功耗无线数字温度自动监测系统 | |
| CN102506932A (zh) | 一种热工型能效数据采集终端 | |
| CN107884653B (zh) | 可扩展模块的用电检查设备 | |
| CN216851998U (zh) | 一种基于cat1通信的网关终端系统 | |
| CN101763717A (zh) | 基于dcplc方式的数据采集装置 | |
| CN206991536U (zh) | 基于单片机的远程抄表系统 | |
| CN204559893U (zh) | 无线通讯器、表计查询装置和表计查询系统 |
Legal Events
| Date | Code | Title | Description |
|---|---|---|---|
| GR01 | Patent grant | ||
| GR01 | Patent grant |