CN212240082U - Fork shaft type drilling clamp - Google Patents
Fork shaft type drilling clamp Download PDFInfo
- Publication number
- CN212240082U CN212240082U CN202020392288.2U CN202020392288U CN212240082U CN 212240082 U CN212240082 U CN 212240082U CN 202020392288 U CN202020392288 U CN 202020392288U CN 212240082 U CN212240082 U CN 212240082U
- Authority
- CN
- China
- Prior art keywords
- fixed
- type
- iron
- type iron
- fork
- Prior art date
- Legal status (The legal status is an assumption and is not a legal conclusion. Google has not performed a legal analysis and makes no representation as to the accuracy of the status listed.)
- Expired - Fee Related
Links
- 238000005553 drilling Methods 0.000 title claims abstract description 9
- XEEYBQQBJWHFJM-UHFFFAOYSA-N Iron Chemical compound [Fe] XEEYBQQBJWHFJM-UHFFFAOYSA-N 0.000 claims abstract description 85
- 229910052742 iron Inorganic materials 0.000 claims abstract description 40
- 235000000396 iron Nutrition 0.000 abstract description 5
- 238000003754 machining Methods 0.000 abstract description 4
- 238000004519 manufacturing process Methods 0.000 description 3
- 238000003825 pressing Methods 0.000 description 3
- 238000000034 method Methods 0.000 description 2
- 238000012986 modification Methods 0.000 description 2
- 230000004048 modification Effects 0.000 description 2
- 238000010586 diagram Methods 0.000 description 1
- 230000000694 effects Effects 0.000 description 1
- 230000008092 positive effect Effects 0.000 description 1
Images
Landscapes
- Earth Drilling (AREA)
Abstract
The utility model belongs to the technical field of anchor clamps, a fork shaft type drilling anchor clamps is disclosed, including base, the workstation of base upper end, the workstation is fixed in the base upper end, the workstation upper end is fixed with the bottom plate, threaded connection has V type iron on the bottom plate, V type iron one side is fixed with the fixed block, V type iron is equipped with a plurality ofly along bottom plate length direction, each V type iron upper end all is equipped with the detachable clamp plate, install the fork shaft between clamp plate and the V type iron, V type iron side is fixed with the connecting rod; the utility model discloses a, set up a plurality of V type irons on the workstation, V type iron is inside to be set up two V type grooves, and every V type inslot portion all can install the fork axle, once can adorn a plurality of work pieces of clamp, improves machining efficiency, through the fixed fork axle of clamp plate, and the location is reliable, guarantees product size requirement.
Description
Technical Field
The utility model belongs to the technical field of anchor clamps, especially, relate to a fork axle class boring grab.
Background
At present, for special structure products such as a fork shaft, a machining center is usually used in the drilling process. The machining center is high in price, low in efficiency in machining and multiple in working procedures, which increases unnecessary cost for production and manufacturing and limits the production capacity of products.
How to better and more quickly finish the drilling processing of the special structure products, reduce the investment of equipment and personnel in the processing and enlarge the productivity of the products, which provides a technical problem to be solved urgently for manufacturers.
SUMMERY OF THE UTILITY MODEL
Problem to prior art existence, the utility model provides a fork axle class boring grab.
The utility model discloses a realize like this, a forked axle class boring grab includes the workstation of base, base upper end, the workstation is fixed the base upper end, the workstation upper end is fixed with the bottom plate, threaded connection has V type iron on the bottom plate, V type iron one side is fixed with the fixed block, V type iron is equipped with a plurality ofly, every along bottom plate length direction V type iron upper end all is equipped with the detachable clamp plate, install the forked axle between clamp plate and the V type iron, the V type iron side is fixed with the connecting rod.
As the utility model relates to a preferred technical scheme of fork axle class boring grab, two V type grooves have been seted up far away from the bottom plate end to V type iron, every V type inslot portion all can the joint the fork axle.
As the utility model relates to a preferred technical scheme of fork axle class boring grab, the inside first fastening screw that runs through of clamp plate, first fastening screw threaded connection be in V shaped iron upper end.
As the utility model relates to a preferred technical scheme of fork axle class boring grab, the inside second fastening screw that wears to be equipped with of connecting rod, second fastening screw threaded connection be in V type iron side.
As the utility model relates to a preferred technical scheme of fork axle class boring grab, the fixed block with all be fixed with the reference column between the V shaped iron.
The utility model discloses an advantage and positive effect do: the utility model discloses a, set up a plurality of V type irons on the workstation, V type iron is inside to be set up two V type grooves, and every V type inslot portion all can install the fork axle, once can adorn a plurality of work pieces of clamp, improves machining efficiency, through the fixed fork axle of clamp plate, and the location is reliable, guarantees product size requirement.
Drawings
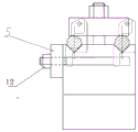
Fig. 1 is a schematic structural diagram provided in an embodiment of the present invention;
fig. 2 is a schematic view of a workbench according to an embodiment of the present invention;
fig. 3 is a schematic view of a connecting rod provided by an embodiment of the present invention;
in the figure: 1. a base plate; 2. v-shaped iron; 3. a positioning column; 4. pressing a plate; 5. a connecting rod; 6. a base; 7. a work table; 8. a fixed block; 9. a fork shaft; 10. a V-shaped groove; 11. a first fastening screw; 12. and a second fastening screw.
Detailed Description
In order to further understand the contents, features and effects of the present invention, the following embodiments are illustrated and described in detail with reference to the accompanying drawings.
The structure of the present invention will be described in detail with reference to the accompanying drawings.
As shown in fig. 1 to 3, the embodiment of the utility model provides a forked axle class boring grab includes workstation 7 of base 6, the 6 upper ends of base, workstation 7 is fixed 6 upper ends of base, 7 upper ends of workstation are fixed with bottom plate 1, threaded connection has V type iron 2 on the bottom plate 1, 2 one sides of V type iron are fixed with fixed block 8, V type iron 2 is equipped with a plurality ofly, every along 1 length direction of bottom plate 2 upper ends of V type iron all are equipped with detachable clamp plate 4, install forked axle 9 between clamp plate 4 and the V type iron 2, 2 sides of V type iron are fixed with connecting rod 5.
Specifically, two V-shaped grooves 10 are formed in the end, far away from the bottom plate 1, of the V-shaped iron 2, and each V-shaped groove 10 can be clamped with the fork shaft 9.
Specifically, a first fastening screw 11 penetrates through the inside of the pressing plate 4, and the first fastening screw 11 is in threaded connection with the upper end of the V-shaped iron 2.
Specifically, a second fastening screw 12 penetrates through the connecting rod 5, and the second fastening screw 12 is in threaded connection with the side surface of the V-shaped iron 2.
Specifically, positioning columns 3 are fixed between the fixing blocks 8 and the V-shaped iron 2.
The utility model discloses a theory of operation: when the clamping fixture is used, the fork shafts 9 are placed inside the V-shaped grooves 10 in each V-shaped iron 2, the clamping ports in the fork shafts 9 are placed towards the direction of the workbench 7, the pressing plates 4 are placed at the upper ends of the V-shaped irons 2 after the fork shafts 9 are placed, the clamping fixtures are fixed at the upper ends of the V-shaped irons 2 through the first fastening screws 11, after the fork shafts 9 are fixed, machining workpieces are placed inside the positioning columns 3 to be fixed, the connecting rods are fixed to the side faces of the V-shaped irons 2 through the second fastening screws 12, the positioning columns 3 are fixed, and the workpieces are machined.
The above description is only for the preferred embodiment of the present invention, and is not intended to limit the present invention in any way, and all the modifications and equivalents of the technical spirit of the present invention to any simple modifications of the above embodiments are within the scope of the technical solution of the present invention.
Claims (5)
1. The utility model provides a fork axle type boring grab, its characterized in that, fork axle type boring grab includes workstation (7) of base (6), base (6) upper end, workstation (7) are fixed base (6) upper end, workstation (7) upper end is fixed with bottom plate (1), threaded connection has V type iron (2) on bottom plate (1), V type iron (2) one side is fixed with fixed block (8), V type iron (2) are equipped with a plurality ofly, every along bottom plate (1) length direction V type iron (2) upper end all is equipped with detachable clamp plate (4), install fork axle (9) between clamp plate (4) and V type iron (2), V type iron (2) side is fixed with connecting rod (5).
2. The fork shaft type drilling clamp as claimed in claim 1, wherein two V-shaped grooves (10) are formed in the end, away from the bottom plate (1), of the V-shaped iron (2), and the fork shaft (9) can be clamped inside each V-shaped groove (10).
3. The drilling clamp for the fork shafts as claimed in claim 1, wherein a first fastening screw (11) penetrates through the pressure plate (4), and the first fastening screw (11) is screwed on the upper end of the V-shaped iron (2).
4. The drilling clamp for the fork shafts as claimed in claim 1, wherein a second fastening screw (12) penetrates through the connecting rod (5), and the second fastening screw (12) is in threaded connection with the side surface of the V-shaped iron (2).
5. The drilling jig for the fork shafts as claimed in claim 1, wherein positioning posts (3) are fixed between the fixing block (8) and the V-shaped iron (2).
Priority Applications (1)
| Application Number | Priority Date | Filing Date | Title |
|---|---|---|---|
| CN202020392288.2U CN212240082U (en) | 2020-03-25 | 2020-03-25 | Fork shaft type drilling clamp |
Applications Claiming Priority (1)
| Application Number | Priority Date | Filing Date | Title |
|---|---|---|---|
| CN202020392288.2U CN212240082U (en) | 2020-03-25 | 2020-03-25 | Fork shaft type drilling clamp |
Publications (1)
| Publication Number | Publication Date |
|---|---|
| CN212240082U true CN212240082U (en) | 2020-12-29 |
Family
ID=73986438
Family Applications (1)
| Application Number | Title | Priority Date | Filing Date |
|---|---|---|---|
| CN202020392288.2U Expired - Fee Related CN212240082U (en) | 2020-03-25 | 2020-03-25 | Fork shaft type drilling clamp |
Country Status (1)
| Country | Link |
|---|---|
| CN (1) | CN212240082U (en) |
-
2020
- 2020-03-25 CN CN202020392288.2U patent/CN212240082U/en not_active Expired - Fee Related
Similar Documents
| Publication | Publication Date | Title |
|---|---|---|
| CN104589107A (en) | Multi-station milling clamp of bushing | |
| CN210909097U (en) | Special drilling clamp for L-shaped parts | |
| CN105834810B (en) | Mutually pass through the processing tool and processing method of curved surface | |
| CN212240082U (en) | Fork shaft type drilling clamp | |
| CN110434372A (en) | A kind of thin plate drilling tool fixture and its clamping method | |
| CN214722553U (en) | Duplex universal joint fork milling plane clamp | |
| CN213917175U (en) | Large-sized flat plate part machining tool | |
| CN215546826U (en) | Workpiece clamping device | |
| CN215317141U (en) | Five quick clamping general frocks in longmen | |
| CN212398237U (en) | Special drill jig for special-shaped parts | |
| CN111283439A (en) | Workbench suitable for machining large-sized workpiece plane | |
| CN210388439U (en) | Pneumatic combined clamp suitable for small and micro parts | |
| CN206343913U (en) | A kind of milling fixture for processing diplopore connecting rod medial launder | |
| CN214488973U (en) | Frock clamp that mould processing milling machine was used | |
| CN214444676U (en) | Integral type frock clamp | |
| CN210173071U (en) | Four-axis bridge plate clamp | |
| CN211565219U (en) | Intelligent fixture for drilling and milling of main frame | |
| CN211841092U (en) | Caliper tool | |
| CN102814678A (en) | Drilling tool of differential mechanism | |
| CN207888261U (en) | A kind of boring and milling machine fixture for milling square cross end face | |
| CN206065981U (en) | A kind of knee-and-column milling machine splicing sleeve bores boring fixture | |
| CN217727910U (en) | Multistation connecting rod class part hole finish machining anchor clamps | |
| CN220217615U (en) | Simple and reliable hydraulic clamping milling fixture | |
| CN215393899U (en) | Quick positioning and aligning tool for shaft milling grooves | |
| CN217344535U (en) | Arc corner part processing centre gripping frock |
Legal Events
| Date | Code | Title | Description |
|---|---|---|---|
| GR01 | Patent grant | ||
| GR01 | Patent grant | ||
| CF01 | Termination of patent right due to non-payment of annual fee |
Granted publication date: 20201229 |
|
| CF01 | Termination of patent right due to non-payment of annual fee |