CN212210912U - Solar photovoltaic panel sun facing adjusting mechanism - Google Patents
Solar photovoltaic panel sun facing adjusting mechanism Download PDFInfo
- Publication number
- CN212210912U CN212210912U CN202021078642.0U CN202021078642U CN212210912U CN 212210912 U CN212210912 U CN 212210912U CN 202021078642 U CN202021078642 U CN 202021078642U CN 212210912 U CN212210912 U CN 212210912U
- Authority
- CN
- China
- Prior art keywords
- solar photovoltaic
- photovoltaic panel
- adjustment mechanism
- support
- plate
- Prior art date
- Legal status (The legal status is an assumption and is not a legal conclusion. Google has not performed a legal analysis and makes no representation as to the accuracy of the status listed.)
- Active
Links
Images
Classifications
-
- Y—GENERAL TAGGING OF NEW TECHNOLOGICAL DEVELOPMENTS; GENERAL TAGGING OF CROSS-SECTIONAL TECHNOLOGIES SPANNING OVER SEVERAL SECTIONS OF THE IPC; TECHNICAL SUBJECTS COVERED BY FORMER USPC CROSS-REFERENCE ART COLLECTIONS [XRACs] AND DIGESTS
- Y02—TECHNOLOGIES OR APPLICATIONS FOR MITIGATION OR ADAPTATION AGAINST CLIMATE CHANGE
- Y02E—REDUCTION OF GREENHOUSE GAS [GHG] EMISSIONS, RELATED TO ENERGY GENERATION, TRANSMISSION OR DISTRIBUTION
- Y02E10/00—Energy generation through renewable energy sources
- Y02E10/50—Photovoltaic [PV] energy
- Y02E10/56—Power conversion systems, e.g. maximum power point trackers
Landscapes
- Photovoltaic Devices (AREA)
Abstract
本实用新型公开了一种太阳能光伏板向阳调节机构,包括底板、气缸、太阳能光伏板本体、T型拉杆和齿条,所述底板顶端中间位置处的两端皆安装有支撑块,且支撑块的内部铰接有支撑杆,所述支撑杆的两侧皆铰接有连接杆,且连接杆的底端安装有弧形橡胶块,所述底板的内部开设有凹槽,且凹槽的内部设置有气缸,所述连接杆的顶端铰接有安装板,且安装板的顶端安装有支撑架,所述安装板的内部安装有太阳能光伏板本体。该种太阳能光伏板向阳调节机构通过支撑板带动连接杆升降,连接杆在支撑块的作用下发生翻转,带动太阳能光伏板本体翻转,便于对太阳能光伏板本体向两侧皆可以翻转,提高了太阳能光伏板本体的利用率和转化率。
The utility model discloses a solar photovoltaic panel sunward adjustment mechanism, which comprises a bottom plate, a cylinder, a solar photovoltaic panel body, a T-shaped tie rod and a rack. Support blocks are installed at both ends at the middle position of the top of the bottom plate, and the support blocks A support rod is hinged inside the support rod, connecting rods are hinged on both sides of the support rod, and an arc rubber block is installed at the bottom end of the connecting rod, a groove is opened inside the bottom plate, and the interior of the groove is provided with a The top end of the connecting rod is hinged with a mounting plate, the top end of the mounting plate is mounted with a support frame, and the interior of the mounting plate is mounted with a solar photovoltaic panel body. The solar photovoltaic panel sun adjustment mechanism drives the connecting rod to rise and fall through the support plate, and the connecting rod is turned over under the action of the support block, which drives the solar photovoltaic panel body to turn over, so that the solar photovoltaic panel body can be turned over to both sides, and the solar energy is improved. The utilization rate and conversion rate of the photovoltaic panel body.
Description
技术领域technical field
本实用新型涉及太阳能光伏板技术领域,具体为一种太阳能光伏板向阳调节机构。The utility model relates to the technical field of solar photovoltaic panels, in particular to a solar photovoltaic panel sunward adjustment mechanism.
背景技术Background technique
随着社会的发展,太阳能行业发展迅速,太阳能光伏板是由半导体物料制成的薄身固定光伏电池所组成,太阳能作为一种新型能源,其无污染,成本低等特点,其应用已遍布全球,传统的太阳能光伏板向阳调节机构基本可以满足人们的使用需求,但是依旧存在一定的问题,具体问题如下所述:With the development of society, the solar energy industry has developed rapidly. Solar photovoltaic panels are composed of thin fixed photovoltaic cells made of semiconductor materials. As a new type of energy, solar energy has the characteristics of no pollution and low cost, and its applications have spread all over the world. , the traditional solar photovoltaic panel sunshine adjustment mechanism can basically meet the needs of people, but there are still certain problems, the specific problems are as follows:
1、目前市场上大多数太阳能光伏板向阳调节机构只能按照支架角度进行固定,无法根据太阳的光照位置而发生转变,使得光照时间较短,则太阳能转换为电能的效率低下;1. At present, most of the solar photovoltaic panels on the market can only be fixed according to the angle of the bracket, and cannot be changed according to the position of the sun's illumination, so that the illumination time is short, and the efficiency of converting solar energy into electric energy is low;
2、目前市场上大多数太阳能光伏板向阳调节机构由于外壳没有保护结构,在冰雹雨雪天气时容易被击打,从而导致太阳能光伏板损坏,进而影响太阳能光伏板的功能。2. At present, most of the solar photovoltaic panels on the market have no protective structure for the sun adjustment mechanism of the outer casing, which is easy to be hit in the weather of hail, rain and snow, resulting in damage to the solar photovoltaic panel, which in turn affects the function of the solar photovoltaic panel.
实用新型内容Utility model content
本实用新型的目的在于提供一种太阳能光伏板向阳调节机构,以解决上述背景技术中提出的无法根据太阳的光照位置而发生转变与雹雨雪天气时容易被击打,导致太阳能光伏板损坏的问题。The purpose of the present utility model is to provide a solar photovoltaic panel sunward adjustment mechanism, to solve the problem that the solar photovoltaic panel cannot be changed according to the position of the sun's illumination and is easily hit in the weather of hail, rain and snow, which may cause damage to the solar photovoltaic panel. question.
为实现上述目的,本实用新型提供如下技术方案:一种太阳能光伏板向阳调节机构,包括底板、气缸、太阳能光伏板本体、T型拉杆和齿条,所述底板顶端中间位置处的两端皆安装有支撑块,且支撑块的内部铰接有支撑杆,所述支撑杆的两侧皆铰接有连接杆,且连接杆的底端安装有弧形橡胶块,所述底板的内部开设有凹槽,且凹槽的内部设置有气缸,所述连接杆的顶端铰接有安装板,且安装板的顶端安装有支撑架,所述安装板的内部安装有太阳能光伏板本体,所述支撑架的内部皆开设有第一滑槽,所述第一滑槽的内部通过轴承安装有转轴,且转轴的外壁安装有第二齿轮,所述转轴的外壁安装有第一齿轮,且第一齿轮位于外壳的内部,所述转轴的一侧安装有转扭,所述第一滑槽的顶端和底端皆开设有第二滑槽,且第二滑槽的内部设置有滑板。In order to achieve the above purpose, the utility model provides the following technical solutions: a solar photovoltaic panel sunward adjustment mechanism, comprising a bottom plate, a cylinder, a solar photovoltaic panel body, a T-shaped tie rod and a rack, and both ends at the middle position of the top of the bottom plate are A support block is installed, and a support rod is hinged inside the support block, a connecting rod is hinged on both sides of the support rod, and an arc rubber block is installed at the bottom end of the connecting rod, and a groove is opened inside the bottom plate , and the interior of the groove is provided with a cylinder, the top of the connecting rod is hinged with a mounting plate, and the top of the mounting plate is mounted with a support frame, the interior of the mounting plate is installed with a solar photovoltaic panel body, and the interior of the support frame is installed Both are provided with a first chute, the inside of the first chute is mounted with a rotating shaft through a bearing, and the outer wall of the rotating shaft is mounted with a second gear, the outer wall of the rotating shaft is mounted with a first gear, and the first gear is located in the outer wall of the casing. Inside, a twist is installed on one side of the rotating shaft, the top and bottom ends of the first chute are both provided with a second chute, and a slide plate is arranged inside the second chute.
优选的,所述气缸的输出端安装有支撑板,且支撑板远离弧形橡胶块的一侧与连接杆底相铰接。Preferably, a support plate is installed at the output end of the cylinder, and the side of the support plate away from the arc-shaped rubber block is hinged with the bottom of the connecting rod.
优选的,所述第一滑槽的内部设置有滑块,且滑块的一端安装有遮挡板,所述遮挡板位于太阳能光伏板本体的顶端。Preferably, a sliding block is arranged inside the first chute, and a shielding plate is installed at one end of the sliding block, and the shielding plate is located at the top end of the solar photovoltaic panel body.
优选的,所述转轴外壁通过轴承安装有贯穿支撑架的外壳,且外壳的内部开设有十字槽。Preferably, the outer wall of the rotating shaft is mounted with a casing penetrating the support frame through a bearing, and a cross groove is opened inside the casing.
优选的,所述十字槽内部设置有与第一齿轮相匹配的T型拉杆,且T型拉杆的外壁套设有弹簧。Preferably, a T-shaped tie rod matched with the first gear is arranged inside the cross groove, and the outer wall of the T-shaped tie rod is sleeved with a spring.
优选的,所述滑板顶端安装有与第二齿轮相啮合的齿条,且齿条的一侧与滑块相连接。Preferably, the top end of the slide plate is provided with a rack that meshes with the second gear, and one side of the rack is connected to the slider.
与现有技术相比,本实用新型的有益效果是:该太阳能光伏板向阳调节机构;Compared with the prior art, the beneficial effects of the utility model are: the solar photovoltaic panel sunward adjustment mechanism;
1、通过安装有支撑板、连接杆和太阳能光伏板本体,通过启动气缸带动支撑板升降,从而支撑板带动连接杆升降,进而连接杆在支撑块的作用下发生翻转,带动太阳能光伏板本体进行翻转,便于操作人员对太阳能光伏板本体向两侧进行翻转,从而可以吸收更多热能转化为电能提高了太阳能光伏板本体的利用率和转化率;1. By installing the support plate, the connecting rod and the solar photovoltaic panel body, the support plate is moved up and down by starting the air cylinder, so that the support plate drives the connecting rod to rise and fall, and then the connecting rod is turned over under the action of the support block, which drives the solar photovoltaic panel body to move. It is easy for the operator to flip the solar photovoltaic panel body to both sides, so that more heat energy can be absorbed and converted into electric energy, which improves the utilization rate and conversion rate of the solar photovoltaic panel body;
2、同时装置通过安装有遮挡板、第一滑槽和滑板,通过第二齿轮与齿条进行啮合移动,从而齿条带动滑板在第一滑槽内左右滑动,使得带动两侧的遮挡板向内侧移动至相接处,进而盖住太阳能光伏板本体,确保太阳能光伏板本体的安全,避免冰雹和雨雪天气对太阳能光伏板本体造成损坏;2. At the same time, the device is equipped with a shielding plate, a first chute and a sliding plate, and meshes with the rack through the second gear, so that the rack drives the sliding plate to slide left and right in the first sliding groove, so that the shielding plates on both sides are driven to move towards the side. The inner side moves to the junction, and then covers the solar photovoltaic panel body to ensure the safety of the solar photovoltaic panel body and avoid damage to the solar photovoltaic panel body caused by hail and rain and snow;
3、同时装置通过安装有转轴、T型拉杆和第一齿轮,通过转轴转动至合适位置后,松开T型拉杆,在弹簧自身弹力作用下带动T型拉杆与第一齿轮进行卡合,避免有人勿碰转扭带动转轴进行转动。3. At the same time, the device is equipped with a rotating shaft, a T-shaped pull rod and the first gear. After the rotating shaft is rotated to a suitable position, the T-shaped pull rod is released, and the T-shaped pull rod is driven by the elastic force of the spring to engage with the first gear. Do not touch and twist the shaft to drive the shaft to rotate.
附图说明Description of drawings
图1为本实用新型正视剖视结构示意图;Fig. 1 is the front view sectional structure schematic diagram of the present utility model;
图2为本实用新型正视结构示意图;Fig. 2 is the front view structure schematic diagram of the utility model;
图3为本实用新型俯视结构示意图;Fig. 3 is the top view structure schematic diagram of the utility model;
图4为本实用新型图1中A部放大结构示意图;Fig. 4 is the enlarged structural schematic diagram of part A in Fig. 1 of the utility model;
图5为本实用新型图1中B部放大结构示意图;Fig. 5 is the enlarged structural schematic diagram of part B in Fig. 1 of the present utility model;
图6为本实用新型图3中C部放大结构示意图。FIG. 6 is an enlarged structural schematic diagram of the C part in FIG. 3 of the present utility model.
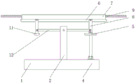
图中:1、底板;2、支撑块;3、凹槽;4、气缸;5、支撑板;6、安装板;7、支撑架;8、连接杆;9、遮挡板;10、光伏板本体;11、弧形橡胶块;12、支撑杆;13、第一滑槽;14、滑块;15、转扭;16、转轴;17、外壳;18、十字槽;19、T型拉杆;20、第一齿轮;21、弹簧;22、第二齿轮;23、第二滑槽;24、滑板;25、齿条。In the figure: 1. Bottom plate; 2. Support block; 3. Groove; 4. Cylinder; 5. Supporting plate; 6. Mounting plate; 7. Supporting frame; 8. Connecting rod; 9. Blocking plate; 10. Photovoltaic panel Main body; 11. Arc rubber block; 12. Support rod; 13. First chute; 14. Slider; 15. Torsion; 16. Rotary shaft; 17. Housing; 20, the first gear; 21, the spring; 22, the second gear; 23, the second chute; 24, the slide plate; 25, the rack.
具体实施方式Detailed ways
下面将结合本实用新型实施例中的附图,对本实用新型实施例中的技术方案进行清楚、完整地描述,显然,所描述的实施例仅仅是本实用新型一部分实施例,而不是全部的实施例。基于本实用新型中的实施例,本领域普通技术人员在没有做出创造性劳动前提下所获得的所有其他实施例,都属于本实用新型保护的范围。The technical solutions in the embodiments of the present utility model will be clearly and completely described below with reference to the accompanying drawings in the embodiments of the present utility model. Obviously, the described embodiments are only a part of the embodiments of the present utility model, rather than all the implementations. example. Based on the embodiments of the present invention, all other embodiments obtained by those of ordinary skill in the art without creative work fall within the protection scope of the present invention.
请参阅图1-6,本实用新型提供一种技术方案:一种太阳能光伏板向阳调节机构,包括底板1、气缸4、太阳能光伏板本体10、T型拉杆19和齿条25,底板1顶端中间位置处的两端皆安装有支撑块2,且支撑块2的内部铰接有支撑杆12,支撑杆12的两侧皆铰接有连接杆8,且连接杆8的底端安装有弧形橡胶块11,底板1的内部开设有凹槽3,且凹槽3的内部设置有气缸4,该气缸4的型号可以为TGA-500;1-6, the present utility model provides a technical solution: a solar photovoltaic panel sunward adjustment mechanism, comprising a
气缸4的输出端安装有支撑板5,且支撑板5远离弧形橡胶块11的一侧与连接杆8底相铰接,通过启动气缸4带动支撑板5进行升降,从而支撑板5带动连接杆8进行升降,进而连接杆8在支撑块2的作用下发生翻转,带动太阳能光伏板本体10进行翻转,便于操作人员对太阳能光伏板本体10向两侧进行翻转;A
连接杆8的顶端铰接有安装板6,且安装板6的顶端安装有支撑架7,安装板6的内部安装有太阳能光伏板本体10,支撑架7的内部皆开设有第一滑槽13;The top of the connecting
第一滑槽13的内部设置有滑块14,且滑块14的一端安装有遮挡板9,遮挡板9位于太阳能光伏板本体10的顶端,使得遮挡板9通过滑块14在第一滑槽13内左右滑动,从而两侧的遮挡板9向内侧移动至相接处,进而盖住太阳能光伏板本体10,确保太阳能光伏板本体10的安全不受雨淋;A
第一滑槽13的内部通过轴承安装有转轴16;A rotating
转轴16外壁通过轴承安装有贯穿支撑架7的外壳17,且外壳17的内部开设有十字槽18,通过向外侧拉动T型拉杆19与第一齿轮20分离,使得弹簧21在十字槽18内发生缩紧,接着操作人员通过转动转扭15即可带动转轴16进行转动,该结构便于带动遮挡板9进行开起闭合;The outer wall of the
十字槽18内部设置有与第一齿轮20相匹配的T型拉杆19,且T型拉杆19的外壁套设有弹簧21,通过转轴16转动至合适位置后,松开T型拉杆19,在弹簧21自身弹力作用下带动T型拉杆19与第一齿轮20进行卡合,避免有人勿碰转扭15带动转轴16进行转动;Inside the
转轴16的外壁安装有第二齿轮22,转轴16的外壁安装有第一齿轮20,且第一齿轮20位于外壳17的内部,转轴16的一侧安装有转扭15,第一滑槽13的顶端和底端皆开设有第二滑槽23,且第二滑槽23的内部设置有滑板24;A
滑板24顶端安装有与第二齿轮22相啮合的齿条25,且齿条25的一侧与滑块14相连接,通过转动转轴16带动第二齿轮22与齿条25进行啮合移动,从而齿条25通过滑板24在第二滑槽23内进移动,进而齿条25带动滑块14和遮挡板9进行移动,该结构便于简单,便于操作人员进行操作。The top of the sliding
工作原理:在使用太阳能光伏板向阳调节机构时,先接通外部电源,然后操作人员通过启动气缸4带动支撑板5向上移动,从而支撑板5带动连接杆8向上移动,进而连接杆8在支撑块2的作用下通过支撑杆12使得另一侧的连接杆8带动弧形橡胶块11向下与底板1相接触,从而安装板6带动太阳能光伏板本体10进行翻转,当气缸4带动支撑板5向下移动时,使得太阳能光伏板本体10向另一侧翻转,该结构便于通过调整太阳能光伏板本体10的角度来调节太阳能光伏板本体10的受光面的角度,提高了太阳能转换电能的效率,当遇到冰雹天气时,操作人员通过向上拉动T型拉杆19与第一齿轮20分离,使得弹簧21在十字槽18发生缩紧,然后操作人员通过转动转扭15带动转轴16进行转动,从而转轴16带动第二齿轮22与齿条25进行啮合移动,进而齿条25通过滑板24在第二滑槽23内左右移动,使得滑块14带动遮挡板9在第一滑槽13内进行移动,使得两组遮挡板9向内侧移动,将太阳能光伏板本体10进行关闭,避免冰雹砸落在太阳能光伏板本体10上,对太阳能光伏板本体10造成损坏,当操作人员松开T型拉杆19在弹簧21自身弹力作用下与第一齿轮20进行卡合,从而T型拉杆19固定住转轴16的位置,避免有人勿碰而导致遮挡板9发生移动;以上为本实用新型的全部原理。Working principle: When using the solar photovoltaic panel sunward adjustment mechanism, the external power supply is first connected, and then the operator drives the
尽管参照前述实施例对本实用新型进行了详细的说明,对于本领域的技术人员来说,其依然可以对前述各实施例所记载的技术方案进行修改,或者对其中部分技术特征进行等同替换,凡在本实用新型的精神和原则之内,所作的任何修改、等同替换、改进等,均应包含在本实用新型的保护范围之内。Although the present invention has been described in detail with reference to the foregoing embodiments, for those skilled in the art, it is still possible to modify the technical solutions described in the foregoing embodiments, or perform equivalent replacements for some of the technical features. Within the spirit and principle of the present utility model, any modifications, equivalent replacements, improvements, etc. made shall be included within the protection scope of the present utility model.
Claims (6)
Priority Applications (1)
| Application Number | Priority Date | Filing Date | Title |
|---|---|---|---|
| CN202021078642.0U CN212210912U (en) | 2020-06-12 | 2020-06-12 | Solar photovoltaic panel sun facing adjusting mechanism |
Applications Claiming Priority (1)
| Application Number | Priority Date | Filing Date | Title |
|---|---|---|---|
| CN202021078642.0U CN212210912U (en) | 2020-06-12 | 2020-06-12 | Solar photovoltaic panel sun facing adjusting mechanism |
Publications (1)
| Publication Number | Publication Date |
|---|---|
| CN212210912U true CN212210912U (en) | 2020-12-22 |
Family
ID=73808496
Family Applications (1)
| Application Number | Title | Priority Date | Filing Date |
|---|---|---|---|
| CN202021078642.0U Active CN212210912U (en) | 2020-06-12 | 2020-06-12 | Solar photovoltaic panel sun facing adjusting mechanism |
Country Status (1)
| Country | Link |
|---|---|
| CN (1) | CN212210912U (en) |
Cited By (4)
| Publication number | Priority date | Publication date | Assignee | Title |
|---|---|---|---|---|
| CN113489446A (en) * | 2021-06-30 | 2021-10-08 | 同济大学 | Unfolding device for multistage drawer type solar photovoltaic panel |
| CN113757770A (en) * | 2021-09-23 | 2021-12-07 | 嘉寓光能科技(阜新)有限公司 | Solar heating system |
| CN113965154A (en) * | 2021-09-23 | 2022-01-21 | 晟高发新能源发展(江苏)有限公司 | Solar photovoltaic panel adjusting device |
| CN116566289A (en) * | 2023-03-20 | 2023-08-08 | 黄石市俊锋玻璃股份有限公司 | Photovoltaic glass with anti-seismic structure |
-
2020
- 2020-06-12 CN CN202021078642.0U patent/CN212210912U/en active Active
Cited By (5)
| Publication number | Priority date | Publication date | Assignee | Title |
|---|---|---|---|---|
| CN113489446A (en) * | 2021-06-30 | 2021-10-08 | 同济大学 | Unfolding device for multistage drawer type solar photovoltaic panel |
| CN113757770A (en) * | 2021-09-23 | 2021-12-07 | 嘉寓光能科技(阜新)有限公司 | Solar heating system |
| CN113965154A (en) * | 2021-09-23 | 2022-01-21 | 晟高发新能源发展(江苏)有限公司 | Solar photovoltaic panel adjusting device |
| CN116566289A (en) * | 2023-03-20 | 2023-08-08 | 黄石市俊锋玻璃股份有限公司 | Photovoltaic glass with anti-seismic structure |
| CN116566289B (en) * | 2023-03-20 | 2023-11-24 | 黄石市俊锋玻璃股份有限公司 | Photovoltaic glass with anti-seismic structure |
Similar Documents
| Publication | Publication Date | Title |
|---|---|---|
| CN212210912U (en) | Solar photovoltaic panel sun facing adjusting mechanism | |
| CN211981817U (en) | Scissor-fork type solar panel mounting rack | |
| CN210899058U (en) | Folded cascade photovoltaic board mechanism for new forms of energy heating | |
| CN221767956U (en) | Photovoltaic building structure | |
| CN206971827U (en) | The solar panel sun-shading louver that can be generated electricity | |
| CN213342103U (en) | Photoelectric curtain wall and energy storage integrated device | |
| CN221709733U (en) | Generator capable of adjusting angle in self-adaptive manner | |
| CN112072988A (en) | Movable photovoltaic power generation device | |
| CN216981835U (en) | Solar cell panel strutting arrangement convenient to adjust | |
| CN212456653U (en) | A solar lighting green building | |
| CN116915138A (en) | Photovoltaic support with adjustable angle | |
| CN109995317A (en) | A solar mobile charging device | |
| CN217883319U (en) | Protective mounting structure for roof photovoltaic power generation equipment | |
| CN217133326U (en) | A kind of battery safety detection device for electric bicycle | |
| CN119543784B (en) | Solar panel automatic sun-tracking cradle head equipment suitable for cold and dry areas | |
| CN222215623U (en) | A rotary drive mechanism | |
| CN216531156U (en) | Small photovoltaic power generation equipment | |
| CN213693562U (en) | A multifunctional solar photovoltaic panel assembly | |
| CN220139491U (en) | Photovoltaic board protection device | |
| CN222048125U (en) | A heat collecting bracket structure | |
| CN215222118U (en) | Novel solar panel for photovoltaic new energy | |
| CN223809730U (en) | Solar panel protector for photovoltaic engineering | |
| CN220383000U (en) | Double-glass silica gel frame for solar power generation panel | |
| CN218276569U (en) | Openable solar photovoltaic panel fixing support | |
| CN219554913U (en) | Automatic cleaning mechanism for photovoltaic power generation plate |
Legal Events
| Date | Code | Title | Description |
|---|---|---|---|
| GR01 | Patent grant | ||
| GR01 | Patent grant | ||
| TR01 | Transfer of patent right | ||
| TR01 | Transfer of patent right |
Effective date of registration: 20250102 Address after: Buildings 1 and 2, No. 128 Jiazigou Road, Jialing District, Nanchong City, Sichuan Province, 637000 Patentee after: Huaqing Badu photoelectric Group Co.,Ltd. Country or region after: China Address before: No.279 Feilu Avenue, Luzhai Town, Luzhai County, Liuzhou City, Guangxi Zhuang Autonomous Region Patentee before: Liuzhou Bauhinia Badu sunshine new energy Co.,Ltd. Country or region before: China |
|
| TR01 | Transfer of patent right | ||
| TR01 | Transfer of patent right |
Effective date of registration: 20251205 Address after: 101200 Beijing City Pinggu District Dahuashan Town Xiyu West Street 151.NO Patentee after: Beijing Yaoshi Technology Co.,Ltd. Country or region after: China Address before: Buildings 1 and 2, No. 128 Jiazigou Road, Jialing District, Nanchong City, Sichuan Province, 637000 Patentee before: Huaqing Badu photoelectric Group Co.,Ltd. Country or region before: China |
