CN212133534U - Metal surface defect detection device - Google Patents
Metal surface defect detection device Download PDFInfo
- Publication number
- CN212133534U CN212133534U CN202022621408.4U CN202022621408U CN212133534U CN 212133534 U CN212133534 U CN 212133534U CN 202022621408 U CN202022621408 U CN 202022621408U CN 212133534 U CN212133534 U CN 212133534U
- Authority
- CN
- China
- Prior art keywords
- sliding sleeve
- threaded rod
- sliding
- fixedly connected
- metal surface
- Prior art date
- Legal status (The legal status is an assumption and is not a legal conclusion. Google has not performed a legal analysis and makes no representation as to the accuracy of the status listed.)
- Expired - Fee Related
Links
- 238000001514 detection method Methods 0.000 title claims abstract description 38
- 239000002184 metal Substances 0.000 title claims abstract description 31
- 230000007547 defect Effects 0.000 title claims abstract description 28
- 235000017166 Bambusa arundinacea Nutrition 0.000 claims description 9
- 235000017491 Bambusa tulda Nutrition 0.000 claims description 9
- 241001330002 Bambuseae Species 0.000 claims description 9
- 235000015334 Phyllostachys viridis Nutrition 0.000 claims description 9
- 239000011425 bamboo Substances 0.000 claims description 9
- 230000000149 penetrating effect Effects 0.000 claims description 2
- 238000000034 method Methods 0.000 abstract description 8
- 230000004075 alteration Effects 0.000 description 1
- 230000009286 beneficial effect Effects 0.000 description 1
- 238000010586 diagram Methods 0.000 description 1
- 238000002474 experimental method Methods 0.000 description 1
- 238000003754 machining Methods 0.000 description 1
- 238000005259 measurement Methods 0.000 description 1
- 239000007769 metal material Substances 0.000 description 1
- 238000012986 modification Methods 0.000 description 1
- 230000004048 modification Effects 0.000 description 1
- 238000006467 substitution reaction Methods 0.000 description 1
- 238000011179 visual inspection Methods 0.000 description 1
Images
Landscapes
- Investigating Or Analyzing Materials By The Use Of Magnetic Means (AREA)
Abstract
The utility model discloses a metal surface defect detection device, including the slide bar, the equal fixedly connected with backup pad in both sides of slide bar, the surperficial movable sleeve of slide bar is equipped with the sliding sleeve, the back of the body surface of sliding sleeve runs through and is provided with the second threaded rod, the inner chamber front side of second threaded rod runs through to the inner chamber of sliding sleeve, and the rear side of second threaded rod runs through to the rear side and the fixedly connected with fastening knob of sliding sleeve. The utility model discloses a slide bar, the mounting panel, adjust knob, the sliding sleeve, a supporting plate, first threaded rod, contrast scale mark, detect the head, the fixed plate, the cooperation of threaded cylinder and balance line is used, can carry out the accurate detection to metal surface defect, easy operation simultaneously, the person of facilitating the use uses, it is general for the range estimation to have solved current metal surface defect and detected, this kind of method accuracy is very poor, can't satisfy the detection of accurate work piece, even there is some detection device, but all operate complicacy, the problem that inconvenient user used.
Description
Technical Field
The utility model relates to a metal work piece detects technical field, specifically is a metal surface defect detection device.
Background
The metal workpiece refers to a combination of metal blocks, metal rods, metal pipes and the like which are made of metal materials and have various specifications and shapes, and in the field of modern machining, after the workpiece is machined, the requirement on the flatness of the surface of the workpiece is higher and higher, and particularly the requirement on the flatness of the surface of the workpiece needing to be tightly matched with other workpieces is higher, so that the surface flatness of an important part of the workpiece needs to be carefully detected to meet the assembly requirement.
The existing metal surface defect detection is usually visual inspection, the method has poor accuracy and cannot meet the detection of precise workpieces, and even if a small part of detection devices exist, most detection devices are complex to operate and inconvenient for users to use.
SUMMERY OF THE UTILITY MODEL
An object of the utility model is to provide a metal surface defect detection device possesses the advantage that can detect defect accurate and easy operation, has solved current metal surface defect and has detected usually for the eye measurement, and this kind of method accuracy is very poor, can't satisfy the detection of accurate work piece, even has the small part detection device, nevertheless mostly operates complicacy, the problem that inconvenient user used.
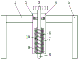
In order to achieve the above object, the utility model provides a following technical scheme: a metal surface defect detection device comprises a slide bar, wherein supporting plates are fixedly connected to two sides of the slide bar, a sliding sleeve is movably sleeved on the surface of the slide bar, a second threaded rod penetrates through the back surface of the sliding sleeve, the front side of an inner cavity of the second threaded rod penetrates through an inner cavity of the sliding sleeve, the rear side of the second threaded rod penetrates through the rear side of the sliding sleeve and is fixedly connected with a fastening knob, a mounting plate is fixedly connected to the front surface of the sliding sleeve, a fixing plate is fixedly connected to the front side of the bottom of the sliding sleeve, a sliding groove is formed in the center of the front surface of the fixing plate, a sliding block is slidably connected to the inner cavity of the sliding groove, a threaded cylinder is fixedly connected to the front surface of the sliding block, a first threaded rod is in threaded connection with the inner cavity of the threaded cylinder, the top of the first threaded rod penetrates through the mounting plate and extends to an adjusting, the top of the front surface of the threaded cylinder is provided with a balance line in a surrounding manner, and the center of the bottom of the threaded cylinder is fixedly connected with a detection head.
Preferably, the inner cavity of the sliding sleeve is in sliding connection with the surface of the sliding rod, and the size of the inner cavity of the sliding sleeve is slightly larger than the diameter of the sliding rod.
Preferably, antiskid lines have all been seted up on the surface of adjust knob and fastening knob, the fixed cover in junction that the surface of first threaded rod just is located the mounting panel is equipped with the bearing, and the outer fixed surface of bearing connects in the junction of mounting panel.
Preferably, a threaded hole is formed in the back surface of the sliding sleeve and at the joint of the sliding sleeve and the second threaded rod, and the inner cavity of the threaded hole is in threaded connection with the surface of the second threaded rod.
Preferably, the bottom of the detection head is of an arc-shaped structure, and the top of the balance line and the top of the comparison scale line are located on the same horizontal plane.
Compared with the prior art, the beneficial effects of the utility model are as follows:
1. the utility model discloses a slide bar, the mounting panel, adjust knob, the sliding sleeve, a supporting plate, first threaded rod, contrast scale mark, detect the head, the fixed plate, the cooperation of threaded cylinder and balance line is used, can carry out the accurate detection to metal surface defect, easy operation simultaneously, the person of facilitating the use uses, it is general for the range estimation to have solved current metal surface defect and detected, this kind of method accuracy is very poor, can't satisfy the detection of accurate work piece, even there is some detection device, but all operate complicacy, the problem that inconvenient user used.
2. The utility model discloses a use of mounting panel, can fix first threaded rod, use through the bearing, can make things convenient for first threaded rod to rotate, use through adjust knob, can conveniently rotate first threaded rod, use through the sliding sleeve, conveniently adjust the detection position, use through the second threaded rod, can fix the sliding sleeve, use through the fastening knob, can conveniently rotate the second threaded rod, use through spout and slider, can carry on spacingly to the removal of a screw thread section of thick bamboo, avoid it to produce at the in-process of removing and rotate, use through the contrast scale mark, can survey the defect degree of depth, use through the balance line, can contrast the falling depth of detection head with the contrast scale mark, thereby conveniently read out the defect degree of depth.
Drawings
FIG. 1 is a schematic structural view of the present invention;
FIG. 2 is a partial left sectional structural view of the present invention;
fig. 3 is a front view structure diagram of the threaded cylinder of the present invention.
In the figure: the device comprises a sliding rod 1, a mounting plate 2, an adjusting knob 3, a sliding sleeve 4, a support plate 5, a first threaded rod 6, a contrast scale mark 7, a detection head 8, a fixing plate 9, a threaded cylinder 10, a sliding chute 11, a sliding block 12, a second threaded rod 13, a fastening knob 14, a threaded hole 15 and a balance line 16.
Detailed Description
The technical solutions in the embodiments of the present invention will be described clearly and completely with reference to the accompanying drawings in the embodiments of the present invention, and it is obvious that the described embodiments are only some embodiments of the present invention, not all embodiments. Based on the embodiments in the present invention, all other embodiments obtained by a person skilled in the art without creative work belong to the protection scope of the present invention.
In the description of the present invention, it should be noted that the terms "upper", "lower", "inner", "outer", "front end", "rear end", "both ends", "one end", "the other end", and the like indicate orientations or positional relationships based on the orientations or positional relationships shown in the drawings, and are only for convenience of description and simplification of description, but do not indicate or imply that the device or element to be referred must have a specific orientation, be constructed in a specific orientation, and be operated, and thus, should not be construed as limiting the present invention. Furthermore, the terms "first" and "second" are used for descriptive purposes only and are not to be construed as indicating or implying relative importance.
In the description of the present invention, it is to be noted that, unless otherwise explicitly specified or limited, the terms "mounted", "provided", "connected", and the like are to be construed broadly, such as "connected", which may be fixedly connected, detachably connected, or integrally connected; can be mechanically or electrically connected; they may be connected directly or indirectly through intervening media, or they may be interconnected between two elements. The specific meaning of the above terms in the present invention can be understood in specific cases to those skilled in the art.
The utility model discloses a slide bar 1, mounting panel 2, adjust knob 3, sliding sleeve 4, backup pad 5, first threaded rod 6, contrast scale mark 7, detect first 8, fixed plate 9, a screw thread section of thick bamboo 10, spout 11, slider 12, second threaded rod 13, fastening knob 14, screw hole 15 and 16 parts of balance line are general standard or the part that technical staff in the field knows, and its structure and principle all are that this technical staff all can learn through the technical manual or learn through conventional experimental method.
Referring to fig. 1-3, a metal surface defect detecting device includes a sliding rod 1, wherein two sides of the sliding rod 1 are fixedly connected with supporting plates 5, a sliding sleeve 4 is movably sleeved on the surface of the sliding rod 1, a detecting position is conveniently adjusted by using the sliding sleeve 4, an inner cavity of the sliding sleeve 4 is slidably connected with the surface of the sliding rod 1, the size of the inner cavity of the sliding sleeve 4 is slightly larger than the diameter of the sliding rod 1, a second threaded rod 13 is arranged on the back surface of the sliding sleeve 4 in a penetrating manner, a threaded hole 15 is arranged on the back surface of the sliding sleeve 4 and at the connection position of the sliding sleeve 4 and the second threaded rod 13, the inner cavity of the threaded hole 15 is in threaded connection with the surface of the second threaded rod 13, the sliding sleeve 4 can be fixed by using the second threaded rod 13, the second threaded rod 13 can be conveniently rotated by using a fastening knob 14, the front side of the inner cavity of the second threaded rod 13 penetrates to the inner cavity of, the front surface of the sliding sleeve 4 is fixedly connected with a mounting plate 2, the first threaded rod 6 can be fixed by using the mounting plate 2, the front side of the bottom of the sliding sleeve 4 is fixedly connected with a fixing plate 9, the center of the front surface of the fixing plate 9 is provided with a sliding groove 11, the inner cavity of the sliding groove 11 is slidably connected with a sliding block 12, the movement of a threaded cylinder 10 can be limited by using the sliding groove 11 and the sliding block 12, the threaded cylinder is prevented from rotating in the moving process, the front surface of the sliding block 12 is fixedly connected with the threaded cylinder 10, the inner cavity of the threaded cylinder 10 is in threaded connection with the first threaded rod 6, the top of the first threaded rod 6 penetrates through the mounting plate 2 and extends to the top thereof to be fixedly connected with an adjusting knob 3, the first threaded rod 6 can be conveniently rotated by using the adjusting knob 3, the surfaces of the adjusting knob 3 and a fastening knob 14 are both provided with anti-slip threads, a, and the outer fixed surface of bearing connects in the junction of mounting panel 2, use through the bearing, can make things convenient for first threaded rod 6 to rotate, the positive surface of fixed plate 9 and the both sides that are located screw thread section of thick bamboo 10 have all seted up contrast scale mark 7, use through contrast scale mark 7, can survey the defect degree of depth, the top of screw thread section of thick bamboo 10 positive surface is encircleed and has been seted up balanced line 16, use through balanced line 16, can contrast the depth of fall of detecting head 8 with contrast scale mark 7, thereby conveniently read out the defect degree of depth, the center department fixedly connected with of screw thread section of thick bamboo 10 bottom detects head 8, the bottom of detecting head 8 is the arc structure, the top of balanced line 16 and the top of contrast scale mark 7 are in same horizontal plane, through slide bar 1, mounting panel 2, adjust knob 3, sliding sleeve 4, backup pad 5, first threaded rod 6, contrast scale mark 7, Detect head 8, fixed plate 9, threaded cylinder 10 and balance line 16's cooperation and use, can carry out the accurate detection to metal surface defect, easy operation simultaneously, the person of facilitating the use uses, has solved current metal surface defect and has detected for the range estimation usually, and this kind of method accuracy is very poor, can't satisfy the detection of accurate work piece, even have the small part detection device, but mostly all operate complicacy, the problem that the inconvenient user used.
When the device is used, the device is placed on a metal surface to be measured, the detection head 8 is aligned to the metal detection surface, the balance line 16 on the surface of the threaded cylinder 10 is flush with the initial scale of the comparison scale line 7 at first, the slide rod 1 is supported by the supporting plate 5, the fastening knob 14 is rotated, the front side of the second threaded rod 13 is in close contact with the surface of the slide rod 1, the sliding sleeve 4 is fixed, the adjusting knob 3 is rotated to rotate the first threaded rod 6, the threaded cylinder 10 is driven to descend through threaded connection of the first threaded rod and the threaded cylinder 10, the detection head 8 is driven to descend, when the detection head 8 is tightly attached to the metal surface, the rotation is stopped, the reading is read through observing the distance between the descending balance line 16 and the initial value of the comparison scale line 7, the reading is the depth of the metal surface defect, the operation is simple, and the detection precision is high.
In summary, the following steps: this metal surface defect detection device uses through the cooperation of slide bar 1, mounting panel 2, adjust knob 3, sliding sleeve 4, backup pad 5, first threaded rod 6, contrast scale mark 7, detection head 8, fixed plate 9, a screw thread section of thick bamboo 10 and balance line 16, has solved current metal surface defect and has detected for range finding usually, and this kind of method accuracy is very poor, can't satisfy the detection of accurate work piece, even there is some detection device, but all operate complicacy, the problem that inconvenient user used.
Although embodiments of the present invention have been shown and described, it will be appreciated by those skilled in the art that changes, modifications, substitutions and alterations can be made in these embodiments without departing from the principles and spirit of the invention, the scope of which is defined in the appended claims and their equivalents.
Claims (5)
1. A metal surface defect detection device comprises a slide bar (1), and is characterized in that: the two sides of the sliding rod (1) are fixedly connected with supporting plates (5), the surface of the sliding rod (1) is movably sleeved with a sliding sleeve (4), the back surface of the sliding sleeve (4) is provided with a second threaded rod (13) in a penetrating manner, the front side of the inner cavity of the second threaded rod (13) is penetrated through the inner cavity of the sliding sleeve (4), the rear side of the second threaded rod (13) is penetrated through the rear side of the sliding sleeve (4) and is fixedly connected with a fastening knob (14), the front surface of the sliding sleeve (4) is fixedly connected with a mounting plate (2), the front side of the bottom of the sliding sleeve (4) is fixedly connected with a fixing plate (9), the center of the front surface of the fixing plate (9) is provided with a sliding groove (11), the inner cavity of the sliding groove (11) is slidably connected with a sliding block (12), the front surface of the sliding block (12) is fixedly connected with a threaded barrel, the top of first threaded rod (6) runs through mounting panel (2) and extends to its top fixedly connected with adjust knob (3), contrast scale mark (7) have all been seted up to the positive surface of fixed plate (9) and the both sides that are located a screw thread section of thick bamboo (10), the top on the positive surface of a screw thread section of thick bamboo (10) is encircleed and has been seted up balanced line (16), fixedly connected with detection head (8) are located to the center of a screw thread section of thick bamboo (10) bottom.
2. A metal surface defect detecting apparatus according to claim 1, wherein: the inner cavity of the sliding sleeve (4) is in sliding connection with the surface of the sliding rod (1), and the size of the inner cavity of the sliding sleeve (4) is slightly larger than the diameter of the sliding rod (1).
3. A metal surface defect detecting apparatus according to claim 1, wherein: anti-skidding line has all been seted up on the surface of adjust knob (3) and fastening knob (14), the fixed cover in junction that the surface of first threaded rod (6) just is located mounting panel (2) is equipped with the bearing, and the outer fixed surface of bearing connects in the junction of mounting panel (2).
4. A metal surface defect detecting apparatus according to claim 1, wherein: and a threaded hole (15) is formed in the back surface of the sliding sleeve (4) and at the joint of the sliding sleeve and the second threaded rod (13).
5. A metal surface defect detecting apparatus according to claim 1, wherein: the bottom of the detection head (8) is of an arc-shaped structure, and the top of the balance line (16) and the top of the comparison scale mark (7) are located on the same horizontal plane.
Priority Applications (1)
| Application Number | Priority Date | Filing Date | Title |
|---|---|---|---|
| CN202022621408.4U CN212133534U (en) | 2020-11-13 | 2020-11-13 | Metal surface defect detection device |
Applications Claiming Priority (1)
| Application Number | Priority Date | Filing Date | Title |
|---|---|---|---|
| CN202022621408.4U CN212133534U (en) | 2020-11-13 | 2020-11-13 | Metal surface defect detection device |
Publications (1)
| Publication Number | Publication Date |
|---|---|
| CN212133534U true CN212133534U (en) | 2020-12-11 |
Family
ID=73666726
Family Applications (1)
| Application Number | Title | Priority Date | Filing Date |
|---|---|---|---|
| CN202022621408.4U Expired - Fee Related CN212133534U (en) | 2020-11-13 | 2020-11-13 | Metal surface defect detection device |
Country Status (1)
| Country | Link |
|---|---|
| CN (1) | CN212133534U (en) |
Cited By (1)
| Publication number | Priority date | Publication date | Assignee | Title |
|---|---|---|---|---|
| CN113352214A (en) * | 2021-06-03 | 2021-09-07 | 江苏联群电子科技有限公司 | Resistance black magnetic bar grooving and detecting integrated device |
-
2020
- 2020-11-13 CN CN202022621408.4U patent/CN212133534U/en not_active Expired - Fee Related
Cited By (2)
| Publication number | Priority date | Publication date | Assignee | Title |
|---|---|---|---|---|
| CN113352214A (en) * | 2021-06-03 | 2021-09-07 | 江苏联群电子科技有限公司 | Resistance black magnetic bar grooving and detecting integrated device |
| CN113352214B (en) * | 2021-06-03 | 2023-07-25 | 江苏联群电子科技有限公司 | Integrated device for cutting grooves and detecting resistance black magnetic bars |
Similar Documents
| Publication | Publication Date | Title |
|---|---|---|
| CN212133534U (en) | Metal surface defect detection device | |
| CN215833179U (en) | Product hardness detection table | |
| CN218916303U (en) | Metal surface detects roughness appearance | |
| CN211926743U (en) | Metal product processing flatness detection device | |
| CN211401060U (en) | Carbide anvil depth of parallelism detection instrument | |
| CN218673405U (en) | A detect structure for public four corners of clamping copper detects | |
| CN217520464U (en) | Handheld coating thickness meter | |
| CN217210672U (en) | Thickness detection equipment for highway engineering supervision | |
| CN214856697U (en) | Electronic spine measuring instrument convenient to adjust | |
| CN217194285U (en) | High-efficient concentricity of lathe chuck detects frock | |
| CN216593102U (en) | Measuring device for detecting height value of shell product | |
| CN216348194U (en) | Precision instrument detection device for tubular workpiece detection | |
| US20190285394A1 (en) | Gage for detecting a diameter of a bolt hole back socket | |
| CN210603157U (en) | A roughness inspection tool | |
| CN209655950U (en) | A kind of accuracy detecting device of complex configuration casting | |
| CN210664309U (en) | Shaft center hole inspection table | |
| CN210981148U (en) | Simple and easy detection device of precision machine part | |
| CN207407775U (en) | A kind of engine base seam allowance cubing | |
| CN217541760U (en) | Bearing inner diameter gauge | |
| CN222544579U (en) | A cylindrical side hole position inspection tool | |
| CN210570345U (en) | Simple surface difference detection mechanism | |
| CN214199960U (en) | Brake shoe excircle straightness accuracy examines utensil | |
| CN215725855U (en) | Inner hole roughness detection equipment convenient to fix | |
| CN208872206U (en) | A kind of workpiece sensing clamp tool | |
| CN210108329U (en) | Roughness detects frock |
Legal Events
| Date | Code | Title | Description |
|---|---|---|---|
| GR01 | Patent grant | ||
| GR01 | Patent grant | ||
| CF01 | Termination of patent right due to non-payment of annual fee | ||
| CF01 | Termination of patent right due to non-payment of annual fee |
Granted publication date: 20201211 |