CN212122806U - Steel pipe rust cleaning device that polishes for construction - Google Patents
Steel pipe rust cleaning device that polishes for construction Download PDFInfo
- Publication number
- CN212122806U CN212122806U CN202020325790.1U CN202020325790U CN212122806U CN 212122806 U CN212122806 U CN 212122806U CN 202020325790 U CN202020325790 U CN 202020325790U CN 212122806 U CN212122806 U CN 212122806U
- Authority
- CN
- China
- Prior art keywords
- fixedly connected
- block
- polishing
- groove
- plate
- Prior art date
- Legal status (The legal status is an assumption and is not a legal conclusion. Google has not performed a legal analysis and makes no representation as to the accuracy of the status listed.)
- Expired - Fee Related
Links
- 229910000831 Steel Inorganic materials 0.000 title claims abstract description 35
- 239000010959 steel Substances 0.000 title claims abstract description 35
- JEIPFZHSYJVQDO-UHFFFAOYSA-N iron(III) oxide Inorganic materials O=[Fe]O[Fe]=O JEIPFZHSYJVQDO-UHFFFAOYSA-N 0.000 title claims abstract description 21
- 238000004140 cleaning Methods 0.000 title claims abstract description 13
- 238000010276 construction Methods 0.000 title claims abstract description 10
- 238000005498 polishing Methods 0.000 claims abstract description 50
- 230000007246 mechanism Effects 0.000 claims abstract description 26
- 238000009435 building construction Methods 0.000 claims description 6
- 230000000694 effects Effects 0.000 abstract description 4
- 230000008859 change Effects 0.000 abstract description 3
- 230000001737 promoting effect Effects 0.000 abstract description 2
- 230000009471 action Effects 0.000 description 2
- 239000000428 dust Substances 0.000 description 2
- 229910001651 emery Inorganic materials 0.000 description 2
- 230000005484 gravity Effects 0.000 description 2
- 238000000034 method Methods 0.000 description 2
- 230000004075 alteration Effects 0.000 description 1
- 230000009286 beneficial effect Effects 0.000 description 1
- 238000010586 diagram Methods 0.000 description 1
- 238000009434 installation Methods 0.000 description 1
- 239000002184 metal Substances 0.000 description 1
- 230000004048 modification Effects 0.000 description 1
- 238000012986 modification Methods 0.000 description 1
- 238000006467 substitution reaction Methods 0.000 description 1
Images
Landscapes
- Finish Polishing, Edge Sharpening, And Grinding By Specific Grinding Devices (AREA)
Abstract
The utility model discloses a steel pipe rust cleaning device that polishes for construction, including bottom plate, rotary mechanism, curb plate, roof, spout, slide bar, slider, grinding machanism and first electric putter, the left side at bottom plate top is provided with rotary mechanism, the right side fixedly connected with curb plate at bottom plate top, the top fixedly connected with roof of curb plate, the spout has been seted up in the left side of roof bottom, fixedly connected with slide bar on the inner wall of spout. The utility model discloses a bottom plate, rotary mechanism, rotating electrical machines, rotatory pivot, concave piece, second electric putter, splint, curb plate, roof, spout, slide bar, slider, grinding machanism and first electric putter mutually support, realize polishing efficient effect, can be fast thorough carry out the omnidirectional rust cleaning of polishing to the surface of steel pipe, and after the grinding piece damages, can be convenient dismantle it get off to change, the practicality is strong, is worth promoting.
Description
Technical Field
The utility model relates to a building technical field specifically is a steel pipe rust cleaning device that polishes for construction.
Background
The steel pipe need be used to construction's in-process, the steel pipe need polish rust cleaning work before using, like the patent that application number is 201821643697.4, a building steel pipe surface rust remove device, include its pivoted axle of polishing of being driven by power unit, the one end of axle of polishing is provided with the abrasive dust mechanism, the abrasive dust mechanism is including the symmetry setting at epaxial two fixed disks of polishing and the abrasive paper of polishing of one, and the both sides of polishing abrasive paper are wrapped up respectively and are fixed on two fixed disks, thereby form the sunken region of polishing that is used for polishing the steel pipe between two fixed disks. The utility model discloses an installation is polished abrasive paper and is replaced the emery wheel between two fixed disks of polishing axle drive to the effectual emery wheel of having avoided is at the in-process of polishing, because the operation is careless to the wearing and tearing that cause the metal product surface, sets up the support sleeve letter of being made by abrasive rubber between two fixed disks in addition and holds up the operation to polishing abrasive paper, thereby makes it can form suitable sunken radian, so that polish the rust cleaning to the convex surface of steel pipe. The utility model provides a steel pipe rust cleaning equipment for construction, including support, dabber, casing slip and grinding device, dabber and casing slip all set up with the support is perpendicular, casing slip overcoat in the dabber, grinding device is including the ring of polishing and the polishing wheel with the coaxial setting of ring of polishing, the ring of polishing is rotatable to be installed in the casing slip to can follow telescopic length direction and slide in the casing slip, the rotatable overcoat of wheel of polishing is in the spindle to can follow the length direction of dabber and slide at the spindle, form the centre gripping space between wheel of polishing and the ring of polishing, install drive arrangement on the support, drive arrangement is used for providing power for ring of polishing and wheel of polishing. The utility model provides a pair of steel pipe rust cleaning equipment for construction is convenient for detach the rust stain of the inside and outside both sides of steel pipe, is convenient for improve work efficiency, reduces working strength.
However, above-mentioned two patents all have the relatively poor problem of efficiency of polishing when in-service use, can't be quick carry out the omnidirectional rust cleaning work of polishing to the surface of steel pipe to influenced the normal use of steel pipe, brought very big inconvenience for the construction unit, the piece of polishing of not being convenient for dismantle moreover, after the piece of polishing damaged, can't be quick dismantle it get off and change.
SUMMERY OF THE UTILITY MODEL
An object of the utility model is to provide a steel pipe rust cleaning device that polishes for construction to solve the problem that proposes among the above-mentioned background art.
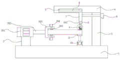
In order to achieve the above object, the utility model provides a following technical scheme: a steel pipe polishing and rust removing device for building construction comprises a bottom plate, a rotating mechanism, side plates, a top plate, a sliding groove, a sliding rod, a sliding block, a polishing mechanism and a first electric push rod, wherein the rotating mechanism is arranged on the left side of the top of the bottom plate, the side plate is fixedly connected to the right side of the top of the bottom plate, the top of the side plate is fixedly connected with the top plate, the sliding groove is formed in the left side of the bottom of the top plate, the sliding rod is fixedly connected to the inner wall of the sliding groove, the sliding block is connected to the surface of the sliding rod in a sliding mode, the bottom of the sliding block penetrates through the sliding groove and extends to the outside of the sliding block and is fixedly connected with the polishing mechanism, the first electric;
the rotating mechanism comprises a rotating motor, the bottom of the rotating motor is fixedly connected with the top of the bottom plate, a rotating shaft is fixedly connected to an output shaft of the rotating motor, a concave block is fixedly connected to the right end of the rotating shaft, the top and the bottom of the concave block are fixedly connected with second electric push rods, and opposite ends of the two second electric push rods penetrate through the concave block and extend to the interior of the concave block to be fixedly connected with a clamping plate;
the polishing mechanism comprises a third electric push rod, the top of the third electric push rod is fixedly connected with the bottom of the sliding block, the bottom of the third electric push rod is fixedly connected with a mounting plate, the bottom of the mounting plate is provided with a placing groove, the inside of the placing groove is movably connected with a supporting rod, the bottom of the supporting rod penetrates through the placing groove and extends to the outside of the supporting rod, the right side of the inner wall of the concave block is fixedly connected with a limiting block, the right side of the supporting rod is provided with a limiting groove corresponding to the limiting block, the left side of the limiting block penetrates through the limiting groove and extends to the inside of the limiting groove, the top of the left side of the supporting rod is provided with a clamping groove, the inside of the clamping groove is movably connected with a threaded rod, the left end of the threaded rod sequentially penetrates through the clamping groove, the, the left end of the threaded rod is fixedly connected with a handle.
Preferably, the top of the bottom plate corresponds to the position of the polishing block and is fixedly connected with an air cylinder, and the top of the air cylinder is fixedly connected with an arc-shaped supporting block.
Preferably, the surface of the sliding block and the inner wall of the sliding chute are in contact with each other.
Preferably, the clamping plate is arc-shaped.
Preferably, the limiting block is movably connected with the limiting groove.
Compared with the prior art, the beneficial effects of the utility model are as follows:
1. the utility model discloses a bottom plate, rotary mechanism, rotating electrical machines, rotatory pivot, concave piece, second electric putter, splint, curb plate, roof, spout, slide bar, slider, grinding machanism and first electric putter mutually support, realize polishing efficient effect, can be fast thorough carry out the omnidirectional rust cleaning of polishing to the surface of steel pipe, and after the grinding piece damages, can be convenient dismantle it get off to change, the practicality is strong, is worth promoting.
2. The utility model discloses a set up cylinder and arc-shaped supporting shoe, played the auxiliary stay effect to the steel pipe, produced the skew because of the action of gravity when preventing that the steel pipe is rotatory.
Drawings
FIG. 1 is a structural section view in elevation of the present invention;
FIG. 2 is an enlarged view of a portion of A in FIG. 1 according to the present invention;
fig. 3 is a schematic structural diagram of a side view of the arc-shaped supporting block of the present invention.
In the figure: the grinding machine comprises a base plate 1, a rotating mechanism 2, a rotating motor 201, a rotating shaft 202, a concave block 203, a second electric push rod 204, a clamping plate 205, a side plate 3, a top plate 4, a sliding groove 5, a sliding rod 6, a sliding block 7, a grinding mechanism 8, a third electric push rod 801, an 802 mounting plate, a 803 placing groove 804 supporting rod, a grinding block 805, a limiting block 806, a limiting groove 807, a 808 clamping groove, a 809 threaded rod, a handle 810, a first electric push rod 9, a cylinder 10 and an arc-shaped supporting block 11.
Detailed Description
The technical solutions in the embodiments of the present invention will be described clearly and completely with reference to the accompanying drawings in the embodiments of the present invention, and it is obvious that the described embodiments are only some embodiments of the present invention, not all embodiments. Based on the embodiments in the present invention, all other embodiments obtained by a person skilled in the art without creative work belong to the protection scope of the present invention.
Referring to fig. 1-3, a steel pipe polishing and rust removing device for building construction comprises a bottom plate 1, a rotating mechanism 2, a side plate 3, a top plate 4, a sliding groove 5, a sliding rod 6, a sliding block 7, a polishing mechanism 8 and a first electric push rod 9, wherein the rotating mechanism 2 is arranged on the left side of the top of the bottom plate 1, the side plate 3 is fixedly connected on the right side of the top of the bottom plate 1, the top plate 4 is fixedly connected on the top of the side plate 3, the sliding groove 5 is arranged on the left side of the bottom of the top plate 4, the sliding rod 6 is fixedly connected on the inner wall of the sliding groove 5, the sliding block 7 is slidably connected on the surface of the sliding rod 6, the polishing mechanism 8 is fixedly connected on the bottom of the sliding block 7 through the sliding groove 5 and extends to the outside of the sliding block, the surface of the sliding block 7 is in contact with the inner wall of, bottom plate 1 top just corresponds the fixed position of sanding block 805 and is connected with cylinder 10, and the top fixedly connected with arc supporting shoe 11 of cylinder 10 has played the auxiliary stay effect to the steel pipe through setting up cylinder 10 and arc supporting shoe 11, prevents that the steel pipe from producing the skew because of the action of gravity when rotatory.
Rotary mechanism 2 includes rotating electrical machines 201, the bottom of rotating electrical machines 201 and the top fixed connection of bottom plate 1, fixedly connected with rotation shaft 202 on the output shaft of rotating electrical machines 201, the right-hand member fixedly connected with concave piece 203 of rotation shaft 202, the equal fixedly connected with second electric putter 204 in top and the bottom of concave piece 203, concave piece 203 is all run through and extend to its inside fixedly connected with splint 205 to the opposite one end of two second electric putter 204, splint 205 is the arc.
The polishing mechanism 8 comprises a third electric push rod 801, the top of the third electric push rod 801 is fixedly connected with the bottom of the sliding block 7, the bottom of the third electric push rod 801 is fixedly connected with a mounting plate 802, the bottom of the mounting plate 802 is provided with a placing groove 803, the inside of the placing groove 803 is movably connected with a supporting rod 804, the bottom of the supporting rod 804 penetrates through the placing groove 803 and extends to the outside of the supporting rod 804, the right side of the inner wall of the concave block 203 is fixedly connected with a limiting block 806, the right side of the supporting rod 804 is provided with a limiting groove 807 corresponding to the limiting block 806, the left side of the limiting block 806 penetrates through the limiting groove 807 and extends to the inside of the limiting groove, the limiting block 806 is movably connected with the limiting groove 807, the top of the left side of the supporting rod 804 is provided with a clamping groove 808, the inside of the clamping groove 808 is movably connected with a threaded, threaded rod 809 and mounting panel 802 between threaded rod 809, threaded rod 809's left end fixedly connected with handle 810.
When the steel pipe polishing device is used, one end of a steel pipe is placed in the concave block 203, so that an external controller controls the two second electric push rods 204 to drive the clamping plate 205 to clamp the steel pipe at the same time, then the cylinder 10 is controlled to drive the arc-shaped supporting block 11 to move upwards, so that the top of the arc-shaped supporting block 11 is in contact with the bottom of the steel pipe, then the third electric push rod 801 is controlled, so that the third electric push rod 801 drives the mounting plate 802 and the polishing block 805 to move downwards, so that the polishing block 805 is in contact with the steel pipe, then the rotating motor 201 and the first electric push rod 9 are started, so that the rotating shaft 202 and the concave block 203 are sequentially driven to rotate by the rotating motor 201, so that the steel pipe is driven to rotate, meanwhile, the sliding block 7 and the polishing mechanism 8 are driven by the first electric push rod 9 to continuously move left and right back and forth, so, put the other end of steel pipe in spill piece 203, then repeat above step can, when the piece 805 of polishing is dismantled to needs, only need anticlockwise rotation handle 810 to it is rotatory to drive threaded rod 809, thereby makes threaded rod 809 break away from draw-in groove 808 and standing groove 803 completely, then can separate bracing piece 804 and stopper 806, thereby can take off the piece 805 of polishing.
Although embodiments of the present invention have been shown and described, it will be appreciated by those skilled in the art that changes, modifications, substitutions and alterations can be made in these embodiments without departing from the principles and spirit of the invention, the scope of which is defined in the appended claims and their equivalents.
Claims (5)
1. The utility model provides a steel pipe rust cleaning device that polishes for construction, includes bottom plate (1), rotary mechanism (2), curb plate (3), roof (4), spout (5), slide bar (6), slider (7), grinding machanism (8) and first electric putter (9), its characterized in that: the grinding machine is characterized in that a rotating mechanism (2) is arranged on the left side of the top of the bottom plate (1), a side plate (3) is fixedly connected to the right side of the top of the bottom plate (1), a top plate (4) is fixedly connected to the top of the side plate (3), a sliding groove (5) is formed in the left side of the bottom of the top plate (4), a sliding rod (6) is fixedly connected to the inner wall of the sliding groove (5), a sliding block (7) is slidably connected to the surface of the sliding rod (6), the bottom of the sliding block (7) penetrates through the sliding groove (5) and extends to the outside of the sliding groove and is fixedly connected with a grinding mechanism (8), a first electric push rod (9) is fixedly connected to the top of the right side of the side plate (3), and the left end of;
the rotating mechanism (2) comprises a rotating motor (201), the bottom of the rotating motor (201) is fixedly connected with the top of the bottom plate (1), an output shaft of the rotating motor (201) is fixedly connected with a rotating shaft (202), the right end of the rotating shaft (202) is fixedly connected with a concave block (203), the top and the bottom of the concave block (203) are fixedly connected with second electric push rods (204), and the opposite ends of the two second electric push rods (204) penetrate through the concave block (203) and extend to the inside of the concave block and are fixedly connected with clamping plates (205);
the polishing mechanism (8) comprises a third electric push rod (801), the top of the third electric push rod (801) is fixedly connected with the bottom of the sliding block (7), the bottom of the third electric push rod (801) is fixedly connected with a mounting plate (802), the bottom of the mounting plate (802) is provided with a placing groove (803), the inside of the placing groove (803) is movably connected with a supporting rod (804), the bottom of the supporting rod (804) penetrates through the placing groove (803) and extends to the outside of the placing groove and is fixedly connected with a polishing block (805), the right side of the inner wall of the concave block (203) is fixedly connected with a limiting block (806), the right side of the supporting rod (804) is provided with a limiting groove (807) corresponding to the limiting block (806), the left side of the limiting block (806) penetrates through the limiting groove (807) and extends to the inside of the limiting groove, and the top of the, the inside swing joint of draw-in groove (808) has threaded rod (809), the left end of threaded rod (809) from right to left runs through draw-in groove (808), standing groove (803) and mounting panel (802) in proper order and extends to the outside of mounting panel (802), threaded connection between threaded rod (809) and mounting panel (802), the left end fixedly connected with handle (810) of threaded rod (809).
2. The steel pipe polishing and rust removing device for building construction as claimed in claim 1, wherein: the polishing device is characterized in that the top of the bottom plate (1) corresponds to the position of the polishing block (805) and is fixedly connected with an air cylinder (10), and the top of the air cylinder (10) is fixedly connected with an arc-shaped supporting block (11).
3. The steel pipe polishing and rust removing device for building construction as claimed in claim 1, wherein: the surface of the sliding block (7) is in mutual contact with the inner wall of the sliding groove (5).
4. The steel pipe polishing and rust removing device for building construction as claimed in claim 1, wherein: the clamping plate (205) is arc-shaped.
5. The steel pipe polishing and rust removing device for building construction as claimed in claim 1, wherein: the limiting block (806) is movably connected with the limiting groove (807).
Priority Applications (1)
| Application Number | Priority Date | Filing Date | Title |
|---|---|---|---|
| CN202020325790.1U CN212122806U (en) | 2020-03-16 | 2020-03-16 | Steel pipe rust cleaning device that polishes for construction |
Applications Claiming Priority (1)
| Application Number | Priority Date | Filing Date | Title |
|---|---|---|---|
| CN202020325790.1U CN212122806U (en) | 2020-03-16 | 2020-03-16 | Steel pipe rust cleaning device that polishes for construction |
Publications (1)
| Publication Number | Publication Date |
|---|---|
| CN212122806U true CN212122806U (en) | 2020-12-11 |
Family
ID=73674264
Family Applications (1)
| Application Number | Title | Priority Date | Filing Date |
|---|---|---|---|
| CN202020325790.1U Expired - Fee Related CN212122806U (en) | 2020-03-16 | 2020-03-16 | Steel pipe rust cleaning device that polishes for construction |
Country Status (1)
| Country | Link |
|---|---|
| CN (1) | CN212122806U (en) |
Cited By (3)
| Publication number | Priority date | Publication date | Assignee | Title |
|---|---|---|---|---|
| CN114683079A (en) * | 2022-01-29 | 2022-07-01 | 江苏拜欧尼克智能科技有限公司 | Multifunctional machining equipment for core rod |
| CN114683100A (en) * | 2022-03-15 | 2022-07-01 | 诸暨市斌果科技有限公司 | A pipeline quick grinding connection device |
| CN115476209A (en) * | 2022-08-04 | 2022-12-16 | 上海桑赢实业有限公司 | High-efficient grinding device is used in processing of car transmission shaft with dust removal function |
-
2020
- 2020-03-16 CN CN202020325790.1U patent/CN212122806U/en not_active Expired - Fee Related
Cited By (3)
| Publication number | Priority date | Publication date | Assignee | Title |
|---|---|---|---|---|
| CN114683079A (en) * | 2022-01-29 | 2022-07-01 | 江苏拜欧尼克智能科技有限公司 | Multifunctional machining equipment for core rod |
| CN114683100A (en) * | 2022-03-15 | 2022-07-01 | 诸暨市斌果科技有限公司 | A pipeline quick grinding connection device |
| CN115476209A (en) * | 2022-08-04 | 2022-12-16 | 上海桑赢实业有限公司 | High-efficient grinding device is used in processing of car transmission shaft with dust removal function |
Similar Documents
| Publication | Publication Date | Title |
|---|---|---|
| CN204800393U (en) | Steel pipe welded seam grinding device with dust absorption function | |
| CN212122806U (en) | Steel pipe rust cleaning device that polishes for construction | |
| CN201295877Y (en) | Steel pipe polishing machine | |
| CN204800408U (en) | Solar energy power supply steel pipe welded seam grinding device | |
| CN108890492A (en) | A kind of architectural engineering rectangular steel tube polishing derusting device | |
| CN106863054A (en) | A kind of automobile chair guide rail fillet device | |
| CN206912849U (en) | A kind of handware sanding apparatus | |
| CN206643707U (en) | A kind of stone plate sanding apparatus | |
| CN210997864U (en) | Grinding machine for machining | |
| CN220699224U (en) | Ceramic roller double-end grinding device | |
| CN106985049A (en) | A kind of steel pipe processing rust removalling equipment of building engineering field | |
| CN215432957U (en) | Inferior gram force panel edge grinding device | |
| CN212735488U (en) | Machining grinding device | |
| CN109366268A (en) | A kind of hard alloy pole grinding device | |
| CN110576377A (en) | A gear type steel derusting and peeling device | |
| CN210160913U (en) | Polisher that building material used | |
| CN210335415U (en) | Infrared single crystal bar edge grinding device | |
| CN202763647U (en) | Cup body polisher | |
| CN112548806A (en) | Steel bar rust cleaning device for building construction | |
| CN218613460U (en) | Pump body fixing tool | |
| CN206952734U (en) | A kind of steel pipe processing rust removalling equipment of building engineering field | |
| CN215147709U (en) | Deep basal pit steel sheet pile supporting module | |
| CN217255070U (en) | Vehicle perforated plate grinding device | |
| CN218639306U (en) | Polishing machine for strip-shaped steel structure | |
| CN216442277U (en) | Steel pipe rust cleaning equipment for building |
Legal Events
| Date | Code | Title | Description |
|---|---|---|---|
| GR01 | Patent grant | ||
| GR01 | Patent grant | ||
| CF01 | Termination of patent right due to non-payment of annual fee | ||
| CF01 | Termination of patent right due to non-payment of annual fee |
Granted publication date: 20201211 |