CN212106016U - 发动机尾气净化装置 - Google Patents
发动机尾气净化装置 Download PDFInfo
- Publication number
- CN212106016U CN212106016U CN202020690546.5U CN202020690546U CN212106016U CN 212106016 U CN212106016 U CN 212106016U CN 202020690546 U CN202020690546 U CN 202020690546U CN 212106016 U CN212106016 U CN 212106016U
- Authority
- CN
- China
- Prior art keywords
- gas purification
- engine
- purification device
- particle catcher
- oxidation catalyst
- Prior art date
- Legal status (The legal status is an assumption and is not a legal conclusion. Google has not performed a legal analysis and makes no representation as to the accuracy of the status listed.)
- Active
Links
- 238000000746 purification Methods 0.000 title claims abstract description 26
- 239000002245 particle Substances 0.000 claims abstract description 56
- 239000003054 catalyst Substances 0.000 claims abstract description 44
- 238000007254 oxidation reaction Methods 0.000 claims abstract description 40
- 230000003647 oxidation Effects 0.000 claims abstract description 38
- 230000003584 silencer Effects 0.000 claims description 9
- OKTJSMMVPCPJKN-UHFFFAOYSA-N Carbon Chemical compound [C] OKTJSMMVPCPJKN-UHFFFAOYSA-N 0.000 claims description 5
- 229910002804 graphite Inorganic materials 0.000 claims description 3
- 239000010439 graphite Substances 0.000 claims description 3
- 239000007789 gas Substances 0.000 abstract description 35
- UGFAIRIUMAVXCW-UHFFFAOYSA-N Carbon monoxide Chemical compound [O+]#[C-] UGFAIRIUMAVXCW-UHFFFAOYSA-N 0.000 abstract description 15
- 229910002091 carbon monoxide Inorganic materials 0.000 abstract description 14
- 229930195733 hydrocarbon Natural products 0.000 abstract description 12
- 150000002430 hydrocarbons Chemical class 0.000 abstract description 12
- 239000004215 Carbon black (E152) Substances 0.000 abstract description 11
- CURLTUGMZLYLDI-UHFFFAOYSA-N Carbon dioxide Chemical compound O=C=O CURLTUGMZLYLDI-UHFFFAOYSA-N 0.000 abstract description 8
- 239000013618 particulate matter Substances 0.000 abstract description 8
- 229910002092 carbon dioxide Inorganic materials 0.000 abstract description 7
- 238000001914 filtration Methods 0.000 abstract description 7
- 238000012423 maintenance Methods 0.000 abstract description 7
- 238000004140 cleaning Methods 0.000 abstract description 5
- 239000001569 carbon dioxide Substances 0.000 abstract description 3
- 238000009434 installation Methods 0.000 abstract description 3
- XLYOFNOQVPJJNP-UHFFFAOYSA-N water Substances O XLYOFNOQVPJJNP-UHFFFAOYSA-N 0.000 abstract description 3
- 239000002912 waste gas Substances 0.000 abstract 1
- 230000008929 regeneration Effects 0.000 description 11
- 238000011069 regeneration method Methods 0.000 description 11
- 239000000919 ceramic Substances 0.000 description 4
- 239000011248 coating agent Substances 0.000 description 4
- 238000000576 coating method Methods 0.000 description 4
- MWUXSHHQAYIFBG-UHFFFAOYSA-N Nitric oxide Chemical compound O=[N] MWUXSHHQAYIFBG-UHFFFAOYSA-N 0.000 description 3
- 238000006243 chemical reaction Methods 0.000 description 3
- 230000007613 environmental effect Effects 0.000 description 3
- 238000012544 monitoring process Methods 0.000 description 3
- 229910000510 noble metal Inorganic materials 0.000 description 3
- 230000001590 oxidative effect Effects 0.000 description 3
- 230000009471 action Effects 0.000 description 2
- 229910052799 carbon Inorganic materials 0.000 description 2
- 238000002485 combustion reaction Methods 0.000 description 2
- 238000010586 diagram Methods 0.000 description 2
- 230000000694 effects Effects 0.000 description 2
- 238000000034 method Methods 0.000 description 2
- 238000012986 modification Methods 0.000 description 2
- 230000004048 modification Effects 0.000 description 2
- 239000011148 porous material Substances 0.000 description 2
- 238000007789 sealing Methods 0.000 description 2
- 239000000779 smoke Substances 0.000 description 2
- 230000009967 tasteless effect Effects 0.000 description 2
- 238000011144 upstream manufacturing Methods 0.000 description 2
- 238000005452 bending Methods 0.000 description 1
- 230000009286 beneficial effect Effects 0.000 description 1
- 231100000357 carcinogen Toxicity 0.000 description 1
- 239000003183 carcinogenic agent Substances 0.000 description 1
- 230000003197 catalytic effect Effects 0.000 description 1
- 235000019504 cigarettes Nutrition 0.000 description 1
- 229910052878 cordierite Inorganic materials 0.000 description 1
- 238000005260 corrosion Methods 0.000 description 1
- 230000007797 corrosion Effects 0.000 description 1
- 230000003111 delayed effect Effects 0.000 description 1
- JSKIRARMQDRGJZ-UHFFFAOYSA-N dimagnesium dioxido-bis[(1-oxido-3-oxo-2,4,6,8,9-pentaoxa-1,3-disila-5,7-dialuminabicyclo[3.3.1]nonan-7-yl)oxy]silane Chemical compound [Mg++].[Mg++].[O-][Si]([O-])(O[Al]1O[Al]2O[Si](=O)O[Si]([O-])(O1)O2)O[Al]1O[Al]2O[Si](=O)O[Si]([O-])(O1)O2 JSKIRARMQDRGJZ-UHFFFAOYSA-N 0.000 description 1
- 239000006185 dispersion Substances 0.000 description 1
- 230000002349 favourable effect Effects 0.000 description 1
- 239000003546 flue gas Substances 0.000 description 1
- 229910052751 metal Inorganic materials 0.000 description 1
- 239000002184 metal Substances 0.000 description 1
- 239000010970 precious metal Substances 0.000 description 1
- 238000004321 preservation Methods 0.000 description 1
- 230000008569 process Effects 0.000 description 1
- 230000002035 prolonged effect Effects 0.000 description 1
- 230000009467 reduction Effects 0.000 description 1
- 229910001220 stainless steel Inorganic materials 0.000 description 1
- 239000010935 stainless steel Substances 0.000 description 1
- 230000000007 visual effect Effects 0.000 description 1
Images
Classifications
-
- Y—GENERAL TAGGING OF NEW TECHNOLOGICAL DEVELOPMENTS; GENERAL TAGGING OF CROSS-SECTIONAL TECHNOLOGIES SPANNING OVER SEVERAL SECTIONS OF THE IPC; TECHNICAL SUBJECTS COVERED BY FORMER USPC CROSS-REFERENCE ART COLLECTIONS [XRACs] AND DIGESTS
- Y02—TECHNOLOGIES OR APPLICATIONS FOR MITIGATION OR ADAPTATION AGAINST CLIMATE CHANGE
- Y02A—TECHNOLOGIES FOR ADAPTATION TO CLIMATE CHANGE
- Y02A50/00—TECHNOLOGIES FOR ADAPTATION TO CLIMATE CHANGE in human health protection, e.g. against extreme weather
- Y02A50/20—Air quality improvement or preservation, e.g. vehicle emission control or emission reduction by using catalytic converters
-
- Y—GENERAL TAGGING OF NEW TECHNOLOGICAL DEVELOPMENTS; GENERAL TAGGING OF CROSS-SECTIONAL TECHNOLOGIES SPANNING OVER SEVERAL SECTIONS OF THE IPC; TECHNICAL SUBJECTS COVERED BY FORMER USPC CROSS-REFERENCE ART COLLECTIONS [XRACs] AND DIGESTS
- Y02—TECHNOLOGIES OR APPLICATIONS FOR MITIGATION OR ADAPTATION AGAINST CLIMATE CHANGE
- Y02A—TECHNOLOGIES FOR ADAPTATION TO CLIMATE CHANGE
- Y02A50/00—TECHNOLOGIES FOR ADAPTATION TO CLIMATE CHANGE in human health protection, e.g. against extreme weather
- Y02A50/20—Air quality improvement or preservation, e.g. vehicle emission control or emission reduction by using catalytic converters
- Y02A50/2351—Atmospheric particulate matter [PM], e.g. carbon smoke microparticles, smog, aerosol particles, dust
-
- Y—GENERAL TAGGING OF NEW TECHNOLOGICAL DEVELOPMENTS; GENERAL TAGGING OF CROSS-SECTIONAL TECHNOLOGIES SPANNING OVER SEVERAL SECTIONS OF THE IPC; TECHNICAL SUBJECTS COVERED BY FORMER USPC CROSS-REFERENCE ART COLLECTIONS [XRACs] AND DIGESTS
- Y02—TECHNOLOGIES OR APPLICATIONS FOR MITIGATION OR ADAPTATION AGAINST CLIMATE CHANGE
- Y02T—CLIMATE CHANGE MITIGATION TECHNOLOGIES RELATED TO TRANSPORTATION
- Y02T10/00—Road transport of goods or passengers
- Y02T10/10—Internal combustion engine [ICE] based vehicles
- Y02T10/40—Engine management systems
Landscapes
- Exhaust Gas After Treatment (AREA)
- Processes For Solid Components From Exhaust (AREA)
Abstract
本实用新型公开了一种发动机尾气净化装置,涉及废气净化技术领域,包括依次相连的进气管、氧化催化器、颗粒捕捉器和排气室,进气管与发动机的排气管相连,排气室的末端设有出气口;颗粒捕捉器的进出口均设有压差传感器,压差传感器与驾驶室内的监控器相连。通过在发动机排气管上安装本实用新型,可使发动机的尾气经过氧化催化器的氧化,使尾气中的一氧化碳和碳氢化合物转化为无害的水和二氧化碳,再利用颗粒捕捉器对尾气中的颗粒物进行拦截过滤,过滤效率达到95%以上,从而实现对尾气的净化。车辆安装本实用新型后的尾气排放满足排放标准;仅需定时对其进行拆洗保养即可,操作方便;在消音器位置替换安装本实用新型,并不影响整车性能及外观。
Description
技术领域
本实用新型涉及废气净化技术领域,尤其涉及一种发动机尾气净化装置。
背景技术
目前,许多70年代生产的机动车发动机为风冷发动机,尾气排放不达标。车辆启动时会排放很多黑烟,发动机工作时会排放大量碳氢化合物、氮氧化物、一氧化碳等致癌物,致使开车人员和车内人员感觉不适,不仅刺激眼睛,视觉效果极差,还会产生很大噪音,严重影响周围环境。
实用新型内容
本实用新型所要解决的技术问题是针对上述现有技术的不足,提供一种发动机尾气净化装置,能够有效净化发动机尾气,确保尾气排放达标。
为解决上述技术问题,本实用新型所采取的技术方案是:
一种发动机尾气净化装置,包括依次相连的进气管、氧化催化器、颗粒捕捉器和排气室,所述进气管与发动机的排气管相连,所述排气室的末端设有出气口;所述颗粒捕捉器的进出口均设有压差传感器,所述压差传感器与驾驶室内的监控器相连。
优选的,所述氧化催化器和颗粒捕捉器均设有温度传感器,所述温度传感器与监控器相连。
优选的,所述进气管与氧化催化器之间、氧化催化器与颗粒捕捉器之间、颗粒捕捉器与排气室之间均设有石墨垫片、且通过连接件相连。
优选的,所述颗粒捕捉器与排气室之间的连接件为翻边法兰,所述进气管与氧化催化器之间、氧化催化器与颗粒捕捉器之间的连接件为抱箍。
优选的,所述颗粒捕捉器包括壳体、DPF衬套及DPF柱芯,所述DPF柱芯设置于DPF衬套内,所述DPF衬套设置于壳体内,所述壳体的侧壁上设有铭牌及用于安装压差传感器和温度传感器的传感器接头。
优选的,所述排气室包括出气筒和偏心的出气管,所述出气筒与颗粒捕捉器相邻的一端设有挡圈、另一端设有端盖,所述端盖的中部设有与出气管贯通的出气孔,所述出气孔偏离端盖圆心设置。
优选的,所述排气室与颗粒捕捉器之间设有消声器,所述消声器内设有转向弯管,所述转向弯管的两端分别与颗粒捕捉器出口及排气室进口相连。
优选的,所述监控器包括处理器、显示屏和报警器,所述压差传感器、温度传感器、显示屏和报警器均与处理器连接。
优选的,所述监控器与移动终端无线连接。
优选的,所述发动机尾气净化装置通过支架与发动机的外壁相连。
采用上述技术方案所产生的有益效果在于:与现有技术相比,通过在发动机排气管上原消音器位置安装本实用新型,发动机的尾气依次经过进气管、氧化催化器、颗粒捕捉器和排气室,利用氧化催化器对发动机排放尾气中的一氧化碳和碳氢化合物转化为无害的水和二氧化碳,利用颗粒捕捉器对尾气中的颗粒物进行拦截过滤,过滤效率达到95%以上,从而实现对尾气的净化。车辆安装本实用新型后的尾气排放无黑烟、无味,实现尾气排放环保达标的目的;本实用新型维护方便,仅需定时对其进行拆洗保养即可,操作方便快捷;在消音器位置替换安装本实用新型,并不影响整车性能及外观。
附图说明
图1是本实用新型实施例提供的一种发动机尾气净化装置的结构示意图;
图2是图1的主视图;
图3是图2的右视图;
图4是图1中颗粒捕捉器的分解示意图;
图5是图4中颗粒捕捉器组装后的示意图;
图6是图1中排气室的结构示意图;
图7是图6中排气室的分解示意图;
图8是本实用新型一个实施例与排气管的连接示意图;
图9是本实用新型实施例中监控器的流程框图;
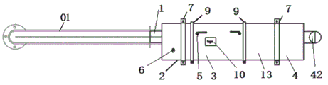
图中:01-排气管;1-进气管;2-氧化催化器;3-颗粒捕捉器,31-壳体,32- DPF衬套,33-DPF柱芯;4-排气室,41-出气筒,42-出气管,43-挡圈,44-端盖,45-出气孔;5-压差传感器接头;6-温度传感器接头;7-支架;8-翻边法兰;9-抱箍;10-铭牌;11-卡套;12-弯管;13-消声器;14-测温孔;15-测压孔。
具体实施方式
为了使本实用新型的目的、技术方案及优点更加清楚明白,以下结合附图及具体实施例,对本实用新型作进一步详细的说明。应当理解,此处所描述的具体实施例仅仅用以解释本实用新型,并不用于限定本实用新型。
如图1-3、8所示,本实用新型提供的一种发动机尾气净化装置,包括依次相连的进气管1、氧化催化器2、颗粒捕捉器3和排气室4,所述进气管1与发动机的排气管01相连,所述排气室4的末端设有出气口;所述颗粒捕捉器3的进出口均设有压差传感器5,所述压差传感器5与驾驶室内的监控器相连。其中,可在进气管与氧化催化器之间安装进气分散室,方便发动机尾气与氧化催化器充分接触。氧化催化器为DOC(柴油氧化型催化器),将其通过进气管与发动机排气管相连,通过氧化反应,将发动机排气中的一氧化碳(CO)和碳氢化合物(HC)转化为无害的水(H2O)和二氧化碳(CO2)的装置,其结构形式与三效催化转化器基本相同,只是催化剂涂层有所不同,DOC只具有氧化能力,没有还原能力。
本实用新型利用氧化催化器及颗粒捕捉器对发动机尾气进行净化的工作原理是通过 DOC 表面涂覆的贵金属催化剂处理掉柴油发动机尾气中的 CO、HC 和部分颗粒物(PM),再由表面涂覆催化剂的颗粒捕集器(又称 CDPF)拦截掉 PM 并在再生温度达到时将其再生。催化剂的运用在该系统内的主要作用是降低反应所需的温度,因此可以利用发动机自身排气温度,一般为 200~500℃来实现DPF 中颗粒的连续被动再生。
DOC是柴油氧化催化剂(Diesel Oxidation Catalyst)的简写,一般是指涂覆了贵金属催化剂的陶瓷或金属载体,DOC 在连续被动再生系统中,DPF 往往需要搭载催化剂涂层或耦合上游的 DOC,耦合的 DOC 将 NO 氧化为 NO2,再用氧化性极强的 NO2 氧化捕集的颗粒,使堆积在DPF过滤体的颗粒在 250℃左右氧化,颗粒一边过滤沉积,一边氧化燃烧,保持动态平衡,DPF过滤体在低背压下长期连续运行,从而延长再生周期,减少主动再生次数。DOC 的有效工作温度范围为 200℃~350℃之间,其可以氧化颗粒中的 SOF,降低颗粒排放,同时也可以氧化排气中的 CO、HC,释放氧化热加热 DPF。
颗粒捕捉器选用柴油机颗粒物捕集器,即CDPF(Catalyzed Diesel ParticulateFilter的缩写)柴油机颗粒物捕集器,就是以壁流式堇青石蜂窝陶瓷载体(DPF),这种滤芯的外形和蜂窝陶瓷催化剂相似,但相邻的两个孔道,一个在进气口处被堵住,另一个在出口处被堵住,排气从一个空袋流入后,必须穿过陶瓷的多孔性壁面从相邻孔道流出,结果排气中的 PM 就被沉积在各流入孔道的壁面上。在 DPF 上会被涂上一层贵金属催化剂,配合前段的 DOC 共同作用下,使 DPF 中的颗粒在较低温度下氧化达到 DPF 持续再生。利用上游的 DOC,耦合的 DOC 将 NO 氧化为 NO2,再用氧化性极强的 NO2 氧化捕集的颗粒,使堆积在过滤体的颗粒在 250℃左右发生激烈的氧化反应,颗粒一边过滤沉积,一边氧化燃烧,保持动态平衡,过滤体在低背压下长期连续运行,从而延长再生周期,减少主动再生次数。
其反应方程式为:[C]+ 2NO2→CO2+ 2NO
DOC 的有效工作温度范围为 200℃~450℃之间,除了可以氧化颗粒中的颗粒物(PM),降低颗粒排放,同时也可以氧化排气中的 CO、HC,释放氧化热加热 DPF,为后续再生提供一定热源。在 DPF 上也涂有贵金属催化剂可以使得在 DPF 中已经被还原为 NO 的NO2,就在DPF 中再次被氧化成 NO2 立刻再与碳颗粒发生反应。
反应方程式为:NO + ½ O2→ NO2 [C]+ 2NO2→CO2 + 2NO
在 DOC 和 CDPF 催化剂的共同作用下,使 DPF 中的颗粒可以在较低温度下不断的被氧化成为 CO2排出 DPF,这就是高效的连续被动再生颗粒捕集装置。
通过柴油氧化催化剂将柴油机尾气中的 CO 和 HC 氧化为无害的 H2O 和 CO2,同时也把NO 氧化成为 NO2。柴油机主要尾气排放物 NOx,基本是由 NO 和 NO2在缸内高温燃烧所产生,而在燃烧排出的烟气中约 90%以上为 NO。DOC 氧化 NO 为 NO2的能力其实是该系统最关键的因素。因为,碳颗粒在空气中一般需要 550~600℃的高温才可以被氧化成CO2,但是NO2可以让颗粒物在 200 多度左右时候就开始氧化,因此,整个系统的再生温度被大大的降低了。
如图3、5所示,所述氧化催化器2和颗粒捕捉器3均设有温度传感器6,所述温度传感器6与监控器相连。利用温度传感器能够实时监控氧化催化器及颗粒捕捉器内的温度,能够及时了解尾气处理情况。
在本实用新型的一个具体实施例中,所述进气管1与氧化催化器2之间、氧化催化器2与颗粒捕捉器3之间、颗粒捕捉器3与排气室4之间均设有石墨垫片、且通过连接件相连。如图2所示,所述颗粒捕捉器3与排气室4之间的连接件为翻边法兰8,所述进气管1与氧化催化器2之间、氧化催化器2与颗粒捕捉器3之间的连接件为抱箍9。采用该结构,利用石墨垫片自润滑、耐腐蚀、热稳定的密封性能,能够保证整体密封效果。
在本实用新型的一个具体实施例中,如图4、5所示,所述颗粒捕捉器3包括壳体31、DPF衬套32及DPF柱芯33,所述DPF柱芯33设置于DPF衬套32内,所述DPF衬套32设置于壳体31内,所述壳体31的侧壁上设有铭牌10及用于安装压差传感器的压差传感器接头5和用于安装温度传感器的温度传感器接头6。压差传感器接头5及温度传感器接头6的一端与壳体31连接、另一端通过卡套11与弯管12相连,弯管12内通有与压差传感器及温度传感器相连的导线。壳体的外壁上设有用于安装压差传感器的测压孔15及用于安装温度传感器的测温孔14。其中,颗粒捕捉器(DPF过滤体)为两端小孔间隔堵住的陶瓷载体,柴油机尾气进入进气孔道,因进气孔道末端被堵住,尾气必须通过进气孔道的过滤壁面进入相邻的排气孔道,并从排气孔道将尾气排入大气,此过程中尾气中的颗粒物被过滤壁面过滤截留;过滤效率不低于95%。
在本实用新型的一个具体实施例中,如图6、7所示,所述排气室4包括出气筒41和偏心的出气管42,所述出气筒41与颗粒捕捉器3相邻的一端设有挡圈43、另一端设有端盖44,所述端盖44的中部设有与出气管42贯通的出气孔45,所述出气孔45偏离端盖44圆心设置。进气管通过保温不锈钢管与发动机的排气管相连。采用该结构能够延缓尾气流速,可使尾气中颗粒物在DOC及DPF内进行过滤沉积及氧化燃烧,确保了尾气净化处理效果。
进一步优化上述技术方案,如图1、2所示,所述排气室4与颗粒捕捉器3之间设有消声器13,所述消声器13内设有转向弯管,所述转向弯管的两端分别与颗粒捕捉器3出口及排气室4进口相连。借助消声器可降低尾气噪音,净化周围环境。
在本实用新型的一个具体实施例中,如图9所示,所述监控器包括处理器、显示屏和报警器,所述压差传感器、温度传感器、显示屏和报警器均与处理器连接。可将显示屏、报警器及处理器安装在驾驶室内,方便驾驶人员实时监控尾气处理工况,及时对本实用新型进行保养。
进一步优化上述技术方案,所述监控器与移动终端无线连接。其中,移动终端可选用电脑或手机,方便实时显示车辆的运行状态及发动机尾气净化装置的工作状态,并提示保养时间。将信息连接到电脑或者手机上,实时显示车辆的运行状态、本实用新型工作状态,提示本实用新型的保养时间。
如图1、8所示,所述发动机尾气净化装置通过支架7与发动机的外壁相连。本实用新型安装在原有的消声器位置,并不影响整车性能及外观。
综上所述,本实用新型的主要功能是去除发动机排气中的颗粒物、未燃碳氢化合物(HC)、一氧化碳(CO)、同时承载相关催化器及消声的作用。具有以下优点:
(1)净化尾气,确保尾气排放环保达标,净化周围环境,有利于保护工作人员的身体健康。
(2)工作人员在驾驶室通过显示屏可以在线监控,信息连接到电脑或者手机上,能够实时显示车辆的运行状态及本实用新型的工作状态,提示其保养时间。
(3)保养简单方便,一般一年拆下来保养清洗一次即可。
(4)本实用新型安装在原有消声器位置,不影响整车性能及外观。
(5)采用本实用新型能够达到目测无黑烟、无味。烟度值、碳氢化合物和一氧化碳均可达到环保标准。
本文中应用了具体个例对本实用新型的原理及实施方式进行了阐述,以上实施例的说明只是用于帮助理解本实用新型的方法及其核心思想。应当指出,对于本技术领域的普通技术人员来说,在不脱离本实用新型原理的前提下,还可以对本实用新型进行若干改进和修饰,这些改进和修饰也落入本实用新型权利要求的保护范围内。
Claims (10)
1.一种发动机尾气净化装置,其特征在于:包括依次相连的进气管、氧化催化器、颗粒捕捉器和排气室,所述进气管与发动机的排气管相连,所述排气室的末端设有出气口;所述颗粒捕捉器的进出口均设有压差传感器,所述压差传感器与驾驶室内的监控器相连。
2.根据权利要求1所述的发动机尾气净化装置,其特征在于:所述氧化催化器和颗粒捕捉器均设有温度传感器,所述温度传感器与监控器相连。
3.根据权利要求2所述的发动机尾气净化装置,其特征在于:所述进气管与氧化催化器之间、氧化催化器与颗粒捕捉器之间、颗粒捕捉器与排气室之间均设有石墨垫片、且通过连接件相连。
4.根据权利要求3所述的发动机尾气净化装置,其特征在于:所述颗粒捕捉器与排气室之间的连接件为翻边法兰,所述进气管与氧化催化器之间、氧化催化器与颗粒捕捉器之间的连接件为抱箍。
5.根据权利要求2所述的发动机尾气净化装置,其特征在于:所述颗粒捕捉器包括壳体、DPF衬套及DPF柱芯,所述DPF柱芯设置于DPF衬套内,所述DPF衬套设置于壳体内,所述壳体的侧壁上设有铭牌及用于安装压差传感器和温度传感器的传感器接头。
6.根据权利要求1所述的发动机尾气净化装置,其特征在于:所述排气室包括出气筒和偏心的出气管,所述出气筒与颗粒捕捉器相邻的一端设有挡圈、另一端设有端盖,所述端盖的中部设有与出气管贯通的出气孔,所述出气孔偏离端盖圆心设置。
7.根据权利要求1所述的发动机尾气净化装置,其特征在于:所述排气室与颗粒捕捉器之间设有消声器,所述消声器内设有转向弯管,所述转向弯管的两端分别与颗粒捕捉器出口及排气室进口相连。
8.根据权利要求2所述的发动机尾气净化装置,其特征在于:所述监控器包括处理器、显示屏和报警器,所述压差传感器、温度传感器、显示屏和报警器均与处理器连接。
9.根据权利要求8所述的发动机尾气净化装置,其特征在于:所述监控器与移动终端无线连接。
10.根据权利要求1-8任一项所述的发动机尾气净化装置,其特征在于:所述发动机尾气净化装置通过支架与发动机的外壁相连。
Priority Applications (1)
| Application Number | Priority Date | Filing Date | Title |
|---|---|---|---|
| CN202020690546.5U CN212106016U (zh) | 2020-04-29 | 2020-04-29 | 发动机尾气净化装置 |
Applications Claiming Priority (1)
| Application Number | Priority Date | Filing Date | Title |
|---|---|---|---|
| CN202020690546.5U CN212106016U (zh) | 2020-04-29 | 2020-04-29 | 发动机尾气净化装置 |
Publications (1)
| Publication Number | Publication Date |
|---|---|
| CN212106016U true CN212106016U (zh) | 2020-12-08 |
Family
ID=73618401
Family Applications (1)
| Application Number | Title | Priority Date | Filing Date |
|---|---|---|---|
| CN202020690546.5U Active CN212106016U (zh) | 2020-04-29 | 2020-04-29 | 发动机尾气净化装置 |
Country Status (1)
| Country | Link |
|---|---|
| CN (1) | CN212106016U (zh) |
Cited By (2)
| Publication number | Priority date | Publication date | Assignee | Title |
|---|---|---|---|---|
| CN114964824A (zh) * | 2022-08-01 | 2022-08-30 | 北京复兰环保科技有限公司 | 车辆后处理单元测试方法、装置和系统 |
| WO2023098180A1 (zh) * | 2021-11-30 | 2023-06-08 | 中船动力研究院有限公司 | 一种用于发动机黑碳排放测试的预处理系统 |
-
2020
- 2020-04-29 CN CN202020690546.5U patent/CN212106016U/zh active Active
Cited By (3)
| Publication number | Priority date | Publication date | Assignee | Title |
|---|---|---|---|---|
| WO2023098180A1 (zh) * | 2021-11-30 | 2023-06-08 | 中船动力研究院有限公司 | 一种用于发动机黑碳排放测试的预处理系统 |
| CN114964824A (zh) * | 2022-08-01 | 2022-08-30 | 北京复兰环保科技有限公司 | 车辆后处理单元测试方法、装置和系统 |
| CN114964824B (zh) * | 2022-08-01 | 2022-11-15 | 北京复兰环保科技有限公司 | 车辆后处理单元测试方法、装置和系统 |
Similar Documents
| Publication | Publication Date | Title |
|---|---|---|
| US7862640B2 (en) | Low temperature diesel particulate matter reduction system | |
| WO2011132918A2 (ko) | 암모니아 분해 모듈을 가지는 디젤엔진 배기가스 배출장치 | |
| CN210105952U (zh) | 一种铁路工程机械发动机尾气净化装置 | |
| CN108625933A (zh) | 一种基于doc和dpf的柴油机颗粒捕捉器 | |
| CN212106016U (zh) | 发动机尾气净化装置 | |
| CN105134344A (zh) | 一种柴油车尾气污染物同步催化净化耦合装置 | |
| WO2021097655A1 (zh) | 智能型柴油车尾气处理系统 | |
| CN207974875U (zh) | 一种柴油车尾气催化净化转化器 | |
| EP3864260B1 (en) | An exhaust aftertreatment unit for an exhaust system of an internal combustion engine | |
| CN1554859A (zh) | 柴油车排气微粒捕集装置 | |
| CN215521021U (zh) | 一种柴油机尾气净化装置 | |
| CN204663633U (zh) | 一种柴油发动机高性能尾气净化装置 | |
| KR101011760B1 (ko) | NOx 전환율이 개선된 SCR 촉매조성물 및 이를 이용한 디젤엔진 배기가스 배출장치 | |
| JP2012092746A (ja) | 排気浄化装置 | |
| CN215057688U (zh) | 收割机的尾气后处理总成装置 | |
| CN216446996U (zh) | 一种新材料汽车尾气净化装置 | |
| CN210264859U (zh) | 一种发电机组黑烟处理净化器 | |
| CN204572135U (zh) | 轻型发动机尾气处理装置 | |
| CN111156068B (zh) | 发动机后处理系统及车辆 | |
| CN117211939B (zh) | 一种老式特种车辆尾气后处理装置的设计方法 | |
| CN108868983B (zh) | 一种集成式scr总成 | |
| CN208236488U (zh) | 一种降低汽车尾气颗粒物排放的消声器 | |
| CN2471935Y (zh) | 车用消音净化器 | |
| CN204457957U (zh) | 柴油车尾气颗粒净化用后处理装置 | |
| CN205064047U (zh) | 一种柴油车尾气污染物同步催化净化耦合装置 |
Legal Events
| Date | Code | Title | Description |
|---|---|---|---|
| GR01 | Patent grant | ||
| GR01 | Patent grant |