CN212018782U - 计算机清理用除尘装置 - Google Patents
计算机清理用除尘装置 Download PDFInfo
- Publication number
- CN212018782U CN212018782U CN202020439598.5U CN202020439598U CN212018782U CN 212018782 U CN212018782 U CN 212018782U CN 202020439598 U CN202020439598 U CN 202020439598U CN 212018782 U CN212018782 U CN 212018782U
- Authority
- CN
- China
- Prior art keywords
- fixedly connected
- wall
- dust
- computer
- mainframe box
- Prior art date
- Legal status (The legal status is an assumption and is not a legal conclusion. Google has not performed a legal analysis and makes no representation as to the accuracy of the status listed.)
- Expired - Fee Related
Links
- 239000000428 dust Substances 0.000 title claims abstract description 63
- 230000007246 mechanism Effects 0.000 claims abstract description 46
- 238000007664 blowing Methods 0.000 claims abstract description 30
- 238000001914 filtration Methods 0.000 claims abstract description 28
- 238000009434 installation Methods 0.000 claims abstract description 9
- OKTJSMMVPCPJKN-UHFFFAOYSA-N Carbon Chemical compound [C] OKTJSMMVPCPJKN-UHFFFAOYSA-N 0.000 claims description 8
- 238000004140 cleaning Methods 0.000 claims description 6
- 238000001179 sorption measurement Methods 0.000 claims description 5
- 239000000835 fiber Substances 0.000 claims description 4
- 229910052799 carbon Inorganic materials 0.000 claims description 2
- 241000883990 Flabellum Species 0.000 claims 1
- 230000000694 effects Effects 0.000 abstract description 15
- 230000008901 benefit Effects 0.000 abstract description 5
- 230000002035 prolonged effect Effects 0.000 abstract description 4
- 230000002093 peripheral effect Effects 0.000 description 2
- 230000004075 alteration Effects 0.000 description 1
- 230000009286 beneficial effect Effects 0.000 description 1
- 230000002026 carminative effect Effects 0.000 description 1
- 238000005516 engineering process Methods 0.000 description 1
- 238000002474 experimental method Methods 0.000 description 1
- 230000006386 memory function Effects 0.000 description 1
- 238000012986 modification Methods 0.000 description 1
- 230000004048 modification Effects 0.000 description 1
- 238000006467 substitution reaction Methods 0.000 description 1
- 238000003466 welding Methods 0.000 description 1
Images
Landscapes
- Filtering Of Dispersed Particles In Gases (AREA)
Abstract
本实用新型公开了计算机清理用除尘装置,包括主机箱,所述主机箱内壁的底部固定连接有元件本体,所述主机箱内壁的顶部开设有吹风槽,所述主机箱的顶部固定连接有壳体,所述壳体的两侧均开设有进气槽,所述进气槽的内壁固定连接有防尘网,所述壳体的内腔设置有吹风机构。本实用新型通过设置吹风槽、壳体、进气槽、防尘网、吹风机构、箱体、出气槽、过滤机构、安装机构、抽风机、出风管、抽风管、竖管、固定机构和吹风罩相互配合,达到了提高计算机清理用除尘装置除尘效果的优点,使计算机在使用时,能够有效的对计算机内部元件进行除尘,防止灰尘吸附在元件表面,同时防止元件出现短路,延长了计算机的使用寿命。
Description
技术领域
本实用新型涉及计算机技术领域,具体为计算机清理用除尘装置。
背景技术
计算机俗称电脑,是现代一种用于高速计算的电子计算机器,可以进行数值计算,又可以进行逻辑计算,还具有存储记忆功能,是能够按照程序运行,自动、高速处理海量数据的现代化智能电子设备,由硬件系统和软件系统所组成,没有安装任何软件的计算机称为裸机,可分为超级计算机、工业控制计算机、网络计算机、个人计算机、嵌入式计算机五类,较先进的计算机有生物计算机、光子计算机、量子计算机等。
人们在对计算机进行清理时,需要用到计算机清理用除尘装置,目前现有的计算机清理用除尘装置除尘效果不佳,导致计算机在使用时,内部仍然存有灰尘,灰尘吸附在计算机内部元件表面,造成元件容易出现短路,缩短了计算机的使用寿命。
实用新型内容
(一)解决的技术问题
针对现有技术的不足,本实用新型提供了计算机清理用除尘装置,具备提高计算机清理用除尘装置除尘效果的优点,解决了现有的计算机清理用除尘装置除尘效果不佳,导致计算机在使用时,内部仍然存有灰尘,灰尘吸附在计算机内部元件表面,造成元件容易出现短路的问题。
(二)技术方案
为实现上述目的,本实用新型提供如下技术方案:计算机清理用除尘装置,包括主机箱,所述主机箱内壁的底部固定连接有元件本体,所述主机箱内壁的顶部开设有吹风槽,所述主机箱的顶部固定连接有壳体,所述壳体的两侧均开设有进气槽,所述进气槽的内壁固定连接有防尘网,所述壳体的内腔设置有吹风机构,所述主机箱的两侧均固定连接有箱体,所述箱体的顶部开设有出气槽,所述箱体内腔的顶部设置有过滤机构,所述箱体内壁的底部设置有安装机构,所述安装机构的顶部固定连接有抽风机,所述抽风机的顶部连通有出风管,所述抽风机的内侧连通有抽风管,所述抽风管的内端贯穿至主机箱的内腔并连通有竖管,所述竖管外侧的顶部和底部均设置有固定机构,所述竖管的内侧连通有吹风罩。
优选的,所述吹风机构包括伺服电机,所述伺服电机的顶部与壳体内壁的顶部固定连接,所述伺服电机的输出端固定连接有扇叶。
优选的,所述过滤机构包括过滤壳,所述过滤壳的表面与箱体内壁一侧的顶部固定连接,所述过滤壳内壁一侧的顶部固定连接有纤维过滤层,所述过滤壳内壁一侧的底部固定连接有活性炭吸附层。
优选的,所述安装机构包括安装板,所述安装板的底部通过螺栓与箱体内壁的底部固定连接,所述安装板顶部的两侧均固定连接有安装支架,所述安装支架的顶部与抽风机的底部固定连接。
优选的,所述固定机构包括固定块,所述固定块的外侧通过螺栓与主机箱的内壁固定连接,所述固定块的内侧固定连接有固定柱,所述固定柱的内侧与竖管的外侧固定连接。
(三)有益效果
与现有技术相比,本实用新型提供了计算机清理用除尘装置,具备以下有益效果:
1、本实用新型通过设置吹风槽、壳体、进气槽、防尘网、吹风机构、箱体、出气槽、过滤机构、安装机构、抽风机、出风管、抽风管、竖管、固定机构和吹风罩相互配合,达到了提高计算机清理用除尘装置除尘效果的优点,使计算机在使用时,能够有效的对计算机内部元件进行除尘,防止灰尘吸附在元件表面,同时防止元件出现短路,延长了计算机的使用寿命。
2、本实用新型通过设置吹风槽,对主机箱内腔的灰尘起到方便吹动的作用,通过设置进气槽,对壳体的内腔起到方便进气的作用,通过设置防尘网,对壳体的内腔起到防尘的作用,通过设置吹风机构,对主机箱内腔的灰尘起到吹动的作用,通过设置出气槽,对箱体的内腔起到方便排气的作用,通过设置过滤机构,对灰尘起到过滤的作用,通过设置安装机构,对抽风机起到方便安装的作用,通过设置固定机构,对竖管起到方便固定的作用。
附图说明
图1为本实用新型结构示意图;
图2为本实用新型箱体内部结构剖面放大图;
图3为本实用新型左视结构剖面图。
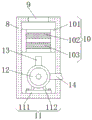
图中:1、主机箱;2、元件本体;3、吹风槽;4、壳体;5、进气槽;6、防尘网;7、吹风机构;71、伺服电机;72、扇叶;8、箱体;9、出气槽;10、过滤机构;101、过滤壳;102、纤维过滤层;103、活性炭吸附层;11、安装机构;111、安装板;112、安装支架;12、抽风机;13、出风管;14、抽风管;15、竖管;16、固定机构;161、固定块;162、固定柱;17、吹风罩。
具体实施方式
下面将结合本实用新型实施例中的附图,对本实用新型实施例中的技术方案进行清楚、完整地描述,显然,所描述的实施例仅仅是本实用新型一部分实施例,而不是全部的实施例。基于本实用新型中的实施例,本领域普通技术人员在没有做出创造性劳动前提下所获得的所有其他实施例,都属于本实用新型保护的范围。
本实用新型的所有部件均为通用的标准部件或本领域技术人员知晓的部件,其结构和原理都为本领域技术人员均可通过技术手册得知或通过常规实验方法获知。
请参阅图1-3,计算机清理用除尘装置,包括主机箱1,主机箱1内壁的底部固定连接有元件本体2,主机箱1内壁的顶部开设有吹风槽3,主机箱1的顶部固定连接有壳体4,壳体4的两侧均开设有进气槽5,进气槽5的内壁固定连接有防尘网6,壳体4的内腔设置有吹风机构7,主机箱1的两侧均固定连接有箱体8,箱体8的顶部开设有出气槽9,箱体8内腔的顶部设置有过滤机构10,箱体8内壁的底部设置有安装机构11,安装机构11的顶部固定连接有抽风机12,抽风机12的顶部连通有出风管13,抽风机12的内侧连通有抽风管14,抽风管14的内端贯穿至主机箱1的内腔并连通有竖管15,竖管15外侧的顶部和底部均设置有固定机构16,竖管15的内侧连通有吹风罩17,吹风机构7包括伺服电机71,伺服电机71的顶部与壳体4内壁的顶部固定连接,伺服电机71的输出端固定连接有扇叶72,过滤机构10包括过滤壳101,过滤壳101的表面与箱体8内壁一侧的顶部固定连接,过滤壳101内壁一侧的顶部固定连接有纤维过滤层102,过滤壳101内壁一侧的底部固定连接有活性炭吸附层103,安装机构11包括安装板111,安装板111的底部通过螺栓与箱体8内壁的底部固定连接,安装板111顶部的两侧均固定连接有安装支架112,安装支架112的顶部与抽风机12的底部固定连接,固定机构16包括固定块161,固定块161的外侧通过螺栓与主机箱1的内壁固定连接,固定块161的内侧固定连接有固定柱162,固定柱162的内侧与竖管15的外侧固定连接,通过设置吹风槽3,对主机箱1内腔的灰尘起到方便吹动的作用,通过设置进气槽5,对壳体4的内腔起到方便进气的作用,通过设置防尘网6,对壳体4的内腔起到防尘的作用,通过设置吹风机构7,对主机箱1内腔的灰尘起到吹动的作用,通过设置出气槽9,对箱体8的内腔起到方便排气的作用,通过设置过滤机构10,对灰尘起到过滤的作用,通过设置安装机构11,对抽风机12起到方便安装的作用,通过设置固定机构16,对竖管15起到方便固定的作用,通过设置吹风槽3、壳体4、进气槽5、防尘网6、吹风机构7、箱体8、出气槽9、过滤机构10、安装机构11、抽风机12、出风管13、抽风管14、竖管15、固定机构16和吹风罩17相互配合,达到了提高计算机清理用除尘装置除尘效果的优点,使计算机在使用时,能够有效的对计算机内部元件进行除尘,防止灰尘吸附在元件表面,同时防止元件出现短路,延长了计算机的使用寿命。
使用时,首先人们通过外设控制器分别打开伺服电机71和抽风机12,伺服电机71启动带动扇叶72开始转动,进气槽5对壳体4的内腔方便进气,防尘网6对壳体4的内腔进行防尘,扇叶72转动通过吹风槽3吹动主机箱1内腔的灰尘,同时抽风机12启动通过抽风管14对竖管15的内腔进行抽动,竖管15通过吹风罩17对灰尘进行抽动,灰尘通过吹风罩17进入竖管15的内腔,然后灰尘通过抽风管14、抽风机12和出风管13进入箱体8的内腔,然后通过纤维过滤层102和活性炭吸附层103对灰尘进行过滤,灰尘留在箱体8内腔的底部,过滤后的空气通过出气槽9排出即可,使计算机在使用时,能够有效的对计算机内部元件进行除尘,防止灰尘吸附在元件表面,同时防止元件出现短路,延长了计算机的使用寿命,从而达到了提高计算机清理用除尘装置除尘效果的优点。
本申请文件中使用到的标准零件均可以从市场上购买,而且根据说明书和附图的记载均可以进行订制,各个零件的具体连接方式均采用现有技术中成熟的螺栓、铆钉、焊接等常规手段,机械、零件和设备均采用现有技术中常规的型号,控制方式是通过控制器来自动控制,控制器的控制电路通过本领域的技术人员简单编程即可实现,属于本领域的公知常识,并且本实用新型主要用来保护机械装置,所以本实用新型不再详细解释控制方式和电路连接,且说明书中提到的外设控制器可为本文提到的电器元件起到控制作用,而且该外设控制器为常规的已知设备。
尽管已经示出和描述了本实用新型的实施例,对于本领域的普通技术人员而言,可以理解在不脱离本实用新型的原理和精神的情况下可以对这些实施例进行多种变化、修改、替换和变型,本实用新型的范围由所附权利要求及其等同物限定。
Claims (5)
1.计算机清理用除尘装置,包括主机箱(1),其特征在于:所述主机箱(1)内壁的底部固定连接有元件本体(2),所述主机箱(1)内壁的顶部开设有吹风槽(3),所述主机箱(1)的顶部固定连接有壳体(4),所述壳体(4)的两侧均开设有进气槽(5),所述进气槽(5)的内壁固定连接有防尘网(6),所述壳体(4)的内腔设置有吹风机构(7),所述主机箱(1)的两侧均固定连接有箱体(8),所述箱体(8)的顶部开设有出气槽(9),所述箱体(8)内腔的顶部设置有过滤机构(10),所述箱体(8)内壁的底部设置有安装机构(11),所述安装机构(11)的顶部固定连接有抽风机(12),所述抽风机(12)的顶部连通有出风管(13),所述抽风机(12)的内侧连通有抽风管(14),所述抽风管(14)的内端贯穿至主机箱(1)的内腔并连通有竖管(15),所述竖管(15)外侧的顶部和底部均设置有固定机构(16),所述竖管(15)的内侧连通有吹风罩(17)。
2.根据权利要求1所述的计算机清理用除尘装置,其特征在于:所述吹风机构(7)包括伺服电机(71),所述伺服电机(71)的顶部与壳体(4)内壁的顶部固定连接,所述伺服电机(71)的输出端固定连接有扇叶(72)。
3.根据权利要求1所述的计算机清理用除尘装置,其特征在于:所述过滤机构(10)包括过滤壳(101),所述过滤壳(101)的表面与箱体(8)内壁一侧的顶部固定连接,所述过滤壳(101)内壁一侧的顶部固定连接有纤维过滤层(102),所述过滤壳(101)内壁一侧的底部固定连接有活性炭吸附层(103)。
4.根据权利要求1所述的计算机清理用除尘装置,其特征在于:所述安装机构(11)包括安装板(111),所述安装板(111)的底部通过螺栓与箱体(8)内壁的底部固定连接,所述安装板(111)顶部的两侧均固定连接有安装支架(112),所述安装支架(112)的顶部与抽风机(12)的底部固定连接。
5.根据权利要求1所述的计算机清理用除尘装置,其特征在于:所述固定机构(16)包括固定块(161),所述固定块(161)的外侧通过螺栓与主机箱(1)的内壁固定连接,所述固定块(161)的内侧固定连接有固定柱(162),所述固定柱(162)的内侧与竖管(15)的外侧固定连接。
Priority Applications (1)
| Application Number | Priority Date | Filing Date | Title |
|---|---|---|---|
| CN202020439598.5U CN212018782U (zh) | 2020-03-31 | 2020-03-31 | 计算机清理用除尘装置 |
Applications Claiming Priority (1)
| Application Number | Priority Date | Filing Date | Title |
|---|---|---|---|
| CN202020439598.5U CN212018782U (zh) | 2020-03-31 | 2020-03-31 | 计算机清理用除尘装置 |
Publications (1)
| Publication Number | Publication Date |
|---|---|
| CN212018782U true CN212018782U (zh) | 2020-11-27 |
Family
ID=73488851
Family Applications (1)
| Application Number | Title | Priority Date | Filing Date |
|---|---|---|---|
| CN202020439598.5U Expired - Fee Related CN212018782U (zh) | 2020-03-31 | 2020-03-31 | 计算机清理用除尘装置 |
Country Status (1)
| Country | Link |
|---|---|
| CN (1) | CN212018782U (zh) |
Cited By (1)
| Publication number | Priority date | Publication date | Assignee | Title |
|---|---|---|---|---|
| CN113967637A (zh) * | 2021-10-27 | 2022-01-25 | 国网浙江省电力有限公司嵊泗县供电公司 | 一种沉降式除尘与防水型室外配电箱及其工作方法 |
-
2020
- 2020-03-31 CN CN202020439598.5U patent/CN212018782U/zh not_active Expired - Fee Related
Cited By (1)
| Publication number | Priority date | Publication date | Assignee | Title |
|---|---|---|---|---|
| CN113967637A (zh) * | 2021-10-27 | 2022-01-25 | 国网浙江省电力有限公司嵊泗县供电公司 | 一种沉降式除尘与防水型室外配电箱及其工作方法 |
Similar Documents
| Publication | Publication Date | Title |
|---|---|---|
| CN212018782U (zh) | 计算机清理用除尘装置 | |
| CN210938332U (zh) | 一种数控机床除尘装置 | |
| CN214042231U (zh) | 一种具有防尘结构的计算机主机箱 | |
| CN216741602U (zh) | 一种采煤掘进机用降尘工具 | |
| CN210676196U (zh) | 一种便携式的计算机主机用除尘装置 | |
| CN210327295U (zh) | 一种发电机用集电系统 | |
| CN221155895U (zh) | 一种无水扬尘处理装置 | |
| CN215642509U (zh) | 一种计算机机箱除尘装置 | |
| CN213858657U (zh) | 一种五金加工抛光装置 | |
| CN215507975U (zh) | 一种计算机主板散热器清灰装置 | |
| CN210186746U (zh) | 一种新型高效玻璃打磨用集尘设备 | |
| CN213172629U (zh) | 一种双极性高性能型微弧氧化整流机 | |
| CN222659524U (zh) | 一种洁净室除尘结构 | |
| CN220415842U (zh) | 一种设有防尘去异味结构的通风风机 | |
| CN212200596U (zh) | 一种一体化给水设备 | |
| CN217411854U (zh) | 一种具备废屑清理功能的数控设备 | |
| CN222830262U (zh) | 一种计算机机箱除尘设备 | |
| CN111457528A (zh) | 一种消防机器人的排烟装置 | |
| CN215980055U (zh) | 一种智能节能集成吊顶换气扇 | |
| CN213193168U (zh) | 一种环保全自动空气自净器 | |
| CN221713814U (zh) | 一种除尘环保设备 | |
| CN221900366U (zh) | 一种防爆高压电气柜 | |
| CN221762296U (zh) | 一种具有防尘功能的离心风机 | |
| CN220049259U (zh) | 吹气除尘装置 | |
| CN210079151U (zh) | 一种车间内除尘环保装置 |
Legal Events
| Date | Code | Title | Description |
|---|---|---|---|
| GR01 | Patent grant | ||
| GR01 | Patent grant | ||
| CF01 | Termination of patent right due to non-payment of annual fee |
Granted publication date: 20201127 |
|
| CF01 | Termination of patent right due to non-payment of annual fee |