CN211985270U - 室内综合清扫扫地机器人 - Google Patents

室内综合清扫扫地机器人 Download PDF

Info

Publication number
CN211985270U
CN211985270U CN202020136864.7U CN202020136864U CN211985270U CN 211985270 U CN211985270 U CN 211985270U CN 202020136864 U CN202020136864 U CN 202020136864U CN 211985270 U CN211985270 U CN 211985270U
Authority
CN
China
Prior art keywords
chassis
upper cover
longitudinal telescopic
longitudinal
sweeping
Prior art date
Legal status (The legal status is an assumption and is not a legal conclusion. Google has not performed a legal analysis and makes no representation as to the accuracy of the status listed.)
Active
Application number
CN202020136864.7U
Other languages
English (en)
Inventor
庄瑶琪
赵付舟
吴洋
Current Assignee (The listed assignees may be inaccurate. Google has not performed a legal analysis and makes no representation or warranty as to the accuracy of the list.)
Suzhou Institute Of Technology
Original Assignee
Changshu Institute of Technology
Priority date (The priority date is an assumption and is not a legal conclusion. Google has not performed a legal analysis and makes no representation as to the accuracy of the date listed.)
Filing date
Publication date
Application filed by Changshu Institute of Technology filed Critical Changshu Institute of Technology
Priority to CN202020136864.7U priority Critical patent/CN211985270U/zh
Application granted granted Critical
Publication of CN211985270U publication Critical patent/CN211985270U/zh
Active legal-status Critical Current
Anticipated expiration legal-status Critical

Links

Images

Landscapes

  • Electric Vacuum Cleaner (AREA)

Abstract

本实用新型公开了室内综合清扫扫地机器人,包括底盘和上盖,底盘和所述上盖通过纵向伸缩机构连接控制上盖升降,上盖的前侧设有碰撞挡板,上盖的左右两侧设有测距传感器,碰撞挡板与上盖之间通过碰撞传感部件连接,底盘设有主动轮、从动轮、露出于底盘的下表面的吸附滚筒及滚扫吸尘装置,吸附滚筒的内部设有静电发生器,吸附滚筒的顶部设置有导流刮板,导流刮板的后端延伸至垃圾收纳盒的开口,底盘设有纵向伸缩转向装置,纵向伸缩转向装置能够将底盘顶起并转动一定角度。本实用新型使扫地机器人在转向时,吸附滚筒远离地面并保持扫地机器人整体高度不变,减少毛发缠绕的可能也避免了扫地机器人在家具下卡滞的问题。

Description

室内综合清扫扫地机器人
技术领域
本实用新型涉及一种扫地机器人,特别是涉及一种室内综合清扫扫地机器人。
背景技术
目前人们的居住条件不断改善,需要定期费时费力地频繁清扫室内的垃圾,这些垃圾主要包括灰尘,细小碎屑,人的脱发。而且家养宠物的人越来越多,动物由于天生掉毛严重导致家庭卫生堪忧。市场常见的扫地机器人是通过滚扫装置配合抽风系统将垃圾吸入,当扫地机器人遇到较多的人体及动物毛发时,这些毛发容易缠绕在滚扫装置上影响其滚动进而影响到清扫效果,这样不但无法有效清扫灰尘也无法清扫毛发,扫地机器人清扫效率就变低。另外,扫地机器人在进行原地转弯过程中,滚扫装置也在进行原地转动,这使得毛发更加容易发生缠绕。
实用新型内容
针对上述现有技术的缺陷,本实用新型的目的是提供一种室内综合清扫扫地机器人,解决扫地机器人在清扫过程中容易发生毛发缠绕的问题。本实用新型的目的是提供一种室内综合清扫扫地机器人的控制方法。
本实用新型的技术方案是这样的:一种室内综合清扫扫地机器人,包括底盘和上盖,所述底盘与所述上盖之间设有纵向伸缩间隙,所述底盘和所述上盖通过纵向伸缩机构连接,所述底盘的纵向投影呈圆形设置,所述纵向伸缩转向装置设置于所述底盘的纵向投影的圆心位置,所述纵向伸缩机构包括横梁、电磁线圈、弹簧和衔铁,所述横梁与所述底盘固定连接,所述电磁线圈绕设在所述横梁上,所述衔铁与所述上盖固定连接并位于所述电磁线圈的上方,所述弹簧的两端分别连接所述横梁和所述上盖,所述纵向伸缩机构控制所述纵向伸缩间隙的大小,所述上盖的前侧设有碰撞挡板,所述上盖的左右两侧设有测距传感器,所述碰撞挡板与所述底盘之间设有横向间隙,所述碰撞挡板与所述上盖之间通过碰撞传感部件连接,所述底盘设有驱动扫地机器人在底面移动的主动轮和从动轮,所述底盘设有纵向伸缩转向装置,所述纵向伸缩转向装置包括足盘、转轴纵向设置的旋转电机和纵向伸缩轴,所述足盘与所述旋转电机的转轴连接,所述旋转电机的定子与所述纵向伸缩轴的伸缩端固定连接,所述纵向伸缩轴的固定端与所述底盘连接,所述纵向伸缩轴伸长时所述足盘从所述底盘的下表面向下伸出,所述底盘上位于所述纵向伸缩转向装置的前方设有露出于所述底盘的下表面的吸附滚筒,所述吸附滚筒的内部设有静电发生器,所述吸附滚筒的顶部与所述吸附滚筒的滚动方向相对设置有导流刮板,所述导流刮板的前端紧贴所述吸附滚筒的表面设置,所述导流刮板的后端延伸至垃圾收纳盒的开口,所述垃圾收纳盒设置于所述底盘内,所述底盘上位于所述纵向伸缩转向装置的后方设有滚扫吸尘装置,所述滚扫吸尘装置包括条形凹槽、滚刷、集尘抽屉、过滤网布和抽气风扇,所述条形凹槽设置于所述底盘的底部,所述滚刷设置于所述条形凹槽内并且所述滚刷的转动轴呈水平设置,所述条形凹槽后侧设有滚扫开口,所述集尘抽屉设置于所述滚扫开口处,所述集尘抽屉的前侧设置集尘入口,所述集尘入口与所述滚扫开口相贴合,所述集尘抽屉的后侧设置所述过滤网布,所述过滤网布的后侧设置所述抽气风扇。
进一步地,所述横梁设有滑孔,所述上盖设有滑柱,所述滑柱设置于所述滑孔内与所述滑孔呈纵向滑动配合。
进一步地,所述碰撞传感部件包括横向触手、横向导向筒、固定极和感应器弹簧,所述固定极固定安装在所述横向导向筒内,所述横向导向筒固定连接于所述上盖,所述横向触手固定连接于所述碰撞挡板,所述横向触手设置于所述横向导向筒内与所述横向导向筒呈横向滑动配合,所述感应器弹簧的两端分别连接于所述横向导向筒的前端和所述碰撞挡板的内侧,所述横向触手与所述固定极接触时构成开关信号的闭合回路。
进一步地,所述条形凹槽的后侧设有向地面延伸并触及地面的铲刷,所述条形凹槽的顶壁设有向下延伸的耙齿,所述滚刷设置用于清扫地面的刷毛,所述耙齿的底端与所述滚刷的刷毛接触。
进一步地,所述上盖设有活动盖板,所述垃圾收纳盒和所述集尘抽屉位于所述活动盖板的下方,所述垃圾收纳盒与所述底盘卡接,所述集尘抽屉与所述底盘卡接。
一种室内综合清扫扫地机器人的控制方法,所述控制方法基于上述室内综合清扫扫地机器人进行,所述扫地机器人需要进行转向时,所述纵向伸缩机构收缩减小所述纵向伸缩间隙,所述纵向伸缩轴伸长使所述足盘从所述底盘的下表面向下伸出触及地面并顶起所述底盘,所述旋转电机转动转向角度后所述纵向伸缩轴缩短收回所述足盘使所述底盘降下,最后所述纵向伸缩机构伸长恢复所述纵向伸缩间隙的原有大小。
本实用新型所提供的技术方案的优点在于,吸附滚筒设置在滚扫吸尘装置的前方,先吸附毛发,然后进行滚扫,同时利用静电吸附的方式吸附毛发,结合将扫地机器人原地顶起转向,使机器人在转向时,吸附滚筒及滚扫吸尘装置与地面间隙增大减少吸附,避免了现有技术中原地转向时滚扫装置同时进行滚动和转动引起的毛发缠绕问题。采用纵向伸缩机构在扫地机器人的底盘顶起转向时,上盖高度位置不变,可以避免扫地机器人因顶起后高度变高而卡滞在家具底部,如果正常清扫时发生卡滞,还可通过降低上盖来降低整体高度,减少了清扫失败的问题。
附图说明
图1为室内综合清扫扫地机器人仰视结构示意图。
图2为室内综合清扫扫地机器人俯视结构示意图。
图3为图1的M向示意图。
图4为碰撞传感部件结构示意图。
图5为纵向伸缩转向装置结构示意图。
图6为纵向伸缩机构结构示意图。
图7为室内综合清扫扫地机器人清扫路径示意图。
具体实施方式
下面结合实施例对本实用新型作进一步说明,但不作为对本实用新型的限定。
请结合图1至图6所示,本实用新型实施例涉及的室内综合清扫扫地机器人的具体结构包括底盘29和上盖20,底盘29与上盖20之间设有纵向伸缩间隙以供上盖20上下升降。底盘29和上盖20之间通过纵向伸缩机构103连接,纵向伸缩机构控制纵向伸缩间隙的大小。请结合图6所示,纵向伸缩机构103包括横梁36、电磁线圈30、锥形弹簧31和衔铁35,横梁36与底盘29固定连接,电磁线圈30绕设在横梁36上,衔铁35 与上盖20固定连接并位于电磁线圈30的上方。锥形弹簧31的大端连接在横梁36上,小端连接在上盖20上。在横梁36设有左右两个滑孔33,上盖20上相对应地设有两个滑柱32,滑柱32设置于滑孔33内与滑孔33呈纵向滑动配合。电磁线圈30通电,衔铁 35向下运动并使锥形弹簧31压缩,滑柱32顺着滑孔33向下运动,最终衔铁35与电磁线圈30吸合。衔铁35与电磁线圈30的吸合带动上盖20整体向下运动一段距离,形成室内综合清扫扫地机器人整体高度下降。
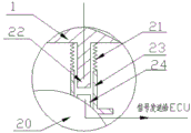
上盖20的前侧设有碰撞挡板1,上盖20的左右两侧设有测距传感器5,碰撞挡板1与底盘29之间设有横向间隙供碰撞挡板1进行横向移动。碰撞挡板1与上盖20之间通过碰撞传感部件101连接。请结合图4所示,碰撞传感部件101包括横向触手22、横向导向筒23、固定极24和感应器弹簧21。固定极24固定安装在横向导向筒23内,横向导向筒23固定连接于上盖20。横向触手22固定连接于碰撞挡板1,横向触手22设置于横向导向筒23内呈横向滑动配合。感应器弹簧21的两端分别连接于横向导向筒23 的前端和碰撞挡板1的内侧。当碰撞挡板1没有受到墙壁27等障碍物碰撞时,在感应器弹簧21的弹力作用下横向触手22与固定极24分离;当碰撞挡板1受到墙壁27等障碍物碰撞时,冲击力克服感应器弹簧21的弹力作用使横向触手22与固定极24接触,两者构成开关信号的闭合回路且发送碰撞电信号给电控单元28。底盘29的纵向投影呈圆形设置,在底盘29的纵向投影的圆心位置设有纵向伸缩转向装置102。请结合图5 所示,纵向伸缩转向装置102包括足盘15、转轴纵向设置的旋转电机14和纵向伸缩轴。纵向伸缩轴由直线电机13构成,足盘15与旋转电机14的转轴12连接,旋转电机14 的定子与纵向伸缩轴的伸缩端(即直线电机13的动子25)固定连接,纵向伸缩轴的固定端(即直线电机13的定子)与底盘29连接,纵向伸缩轴伸长时足盘从底盘29的下表面向下伸出。
室内综合清扫扫地机器人的底盘29设有驱动扫地机器人在地面移动的主动轮6和从动轮9,主动轮驱动电机8通过主动轮轴7驱动两个主动轮6,两个从动轮9由从动轮轴10连接起来。主动轮6和从动轮9分别位于纵向伸缩机构的前后两侧。底盘29上,在纵向伸缩机构和主动轮6、从动轮9位于纵向伸缩转向装置102的前侧设置了吸附滚筒3,位于纵向伸缩转向装置102的后侧设置了滚扫吸尘装置。滚筒静电发生器4的一端与驱动电机2的定子刚性连接,滚筒静电发生器4的另一端与吸附滚筒轴承11的内圈连接,滚筒静电发生器4不转动。吸附滚筒3的一端与驱动电机2的转子刚性连接,吸附滚筒3的另一端与吸附滚筒轴承11的外端连接。滚筒静电发生器4与电控单元28 电连接产生恒定极性的电荷,通过静电屏蔽效应在转动的吸附滚筒3上产生恒定极性的异性电荷,吸附滚筒3上的异性电荷可以吸附地面的毛发和可吸附的垃圾。吸附滚筒3 的顶部与吸附滚筒3的滚动方向相对设置有导流刮板18,导流刮板18的前端紧贴吸附滚筒3的表面设置,导流刮板18的后端延伸至垃圾收纳盒19的开口。
滚扫吸尘装置包括底部开口的条形凹槽45、滚刷37、集尘抽屉43、过滤网布40 和抽气风扇41。条形凹槽45设置于底盘29的底部,滚刷37设置于条形凹槽内并且所述滚刷的转动轴呈水平设置,滚刷37与滚刷轴承44连接一体,通过一个单独电机驱动滚刷轴承44带动滚刷37进行转动清扫。条形凹槽45后侧设有滚扫开口,集尘抽屉43 设置于滚扫开口处,集尘抽屉43的前侧设置集尘入口,集尘入口与滚扫开口相贴合,集尘抽屉43的后侧设置过滤网布40,过滤网布40的后侧设置抽气风扇41,抽气风扇 41通过一个独立电机带动旋转。出气孔42安装在底盘29的侧面,便于将从过滤布网 40过滤而出的空气排出。条形凹槽45的后侧设有向地面延伸并触及地面的铲刷38,铲刷38在扫地小车移动时接触地面,达到将垃圾聚集的作用,最大限度避免垃圾的遗漏。条形凹槽45的顶壁设有向下延伸的耙齿39,44滚刷设置用于清扫地面的刷毛,耙齿39 的底端与滚刷37的刷毛接触,在滚刷轴承44转动时,耙齿39可刮除粘在滚刷37上的垃圾。
吸附滚筒3与滚刷37为同向转动。垃圾收纳盒19和集尘抽屉43通过卡接方式设置于底盘29内,便于拆卸清洗。上盖20上设有前活动盖板16a和后活动盖板16b,垃圾收纳盒19位于前活动盖板16a的下方,集尘抽屉43位于后活动盖板16b的下方。吸附在吸附滚筒3上的毛发随吸附滚筒3的转动移动到导流刮板18时被刮下,并存入垃圾收纳盒19a中;滚刷37扫起的垃圾在抽气风扇41的作用下进入集尘抽屉43;沿前铰链17a手动翻开前活动盖板16a,可以手工取出垃圾收纳盒19a;沿后铰链17b手动翻开后活动盖板16b,可以手工取出集尘抽屉43。
请结合图7所示,室内综合清扫扫地机器人的清扫路径是这样的:在一个特定的区域内,室内综合清扫扫地机器人从C点出发沿路径26a向前移动至D点,与墙壁27发生碰撞,电控单元28收到碰撞电信号使纵向伸缩转向装置动作进行转向,纵向伸缩机构103收缩减小底盘29与上盖20的纵向伸缩间隙,使上盖20下降一段距离,整体高度下降。直线电机动作驱动纵向伸缩轴伸长使足盘从底盘29的下表面向下伸出触及地面并顶起底盘29,旋转电机向右转动转向角度后纵向伸缩轴缩短收回足盘使底盘29降下,最后纵向伸缩机构伸长恢复纵向伸缩间隙的原有大小,完成转向。完成转向后室内综合清扫扫地机器人移动设定距离到达E点,电控单元28再次控制纵向伸缩机构配合纵向伸缩转向装置动作进行转向,此时室内综合清扫扫地机器人实际完成了一个调头动作,调头动作完成后室内综合清扫扫地机器人从E点沿路径26b向前移动至F点,触碰到墙壁后再次进行转向、前移、转向完成调头,实现区域内的来回清扫。

Claims (5)

1.一种室内综合清扫扫地机器人,其特征在于,包括底盘和上盖,所述底盘与所述上盖之间设有纵向伸缩间隙,所述底盘和所述上盖通过纵向伸缩机构连接,所述底盘的纵向投影呈圆形设置,所述纵向伸缩机构包括横梁、电磁线圈、弹簧和衔铁,所述横梁与所述底盘固定连接,所述电磁线圈绕设在所述横梁上,所述衔铁与所述上盖固定连接并位于所述电磁线圈的上方,所述弹簧的两端分别连接所述横梁和所述上盖,所述纵向伸缩机构控制所述纵向伸缩间隙的大小,所述上盖的前侧设有碰撞挡板,所述上盖的左右两侧设有测距传感器,所述碰撞挡板与所述底盘之间设有横向间隙,所述碰撞挡板与所述上盖之间通过碰撞传感部件连接,所述底盘设有驱动扫地机器人在底面移动的主动轮和从动轮,所述底盘设有纵向伸缩转向装置,所述纵向伸缩转向装置设置于所述底盘的纵向投影的圆心位置,所述纵向伸缩转向装置包括足盘、转轴纵向设置的旋转电机和纵向伸缩轴,所述足盘与所述旋转电机的转轴连接,所述旋转电机的定子与所述纵向伸缩轴的伸缩端固定连接,所述纵向伸缩轴的固定端与所述底盘连接,所述纵向伸缩轴伸长时所述足盘从所述底盘的下表面向下伸出,所述底盘上位于所述纵向伸缩转向装置的前方设有露出于所述底盘的下表面的吸附滚筒,所述吸附滚筒的内部设有静电发生器,所述吸附滚筒的顶部与所述吸附滚筒的滚动方向相对设置有导流刮板,所述导流刮板的前端紧贴所述吸附滚筒的表面设置,所述导流刮板的后端延伸至垃圾收纳盒的开口,所述垃圾收纳盒设置于所述底盘内,所述底盘上位于所述纵向伸缩转向装置的后方设有滚扫吸尘装置,所述滚扫吸尘装置包括条形凹槽、滚刷、集尘抽屉、过滤网布和抽气风扇,所述条形凹槽设置于所述底盘的底部,所述滚刷设置于所述条形凹槽内并且所述滚刷的转动轴呈水平设置,所述条形凹槽后侧设有滚扫开口,所述集尘抽屉设置于所述滚扫开口处,所述集尘抽屉的前侧设置集尘入口,所述集尘入口与所述滚扫开口相贴合,所述集尘抽屉的后侧设置所述过滤网布,所述过滤网布的后侧设置所述抽气风扇。
2.根据权利要求1所述的室内综合清扫扫地机器人,其特征在于,所述横梁设有滑孔,所述上盖设有滑柱,所述滑柱设置于所述滑孔内与所述滑孔呈纵向滑动配合。
3.根据权利要求1所述的室内综合清扫扫地机器人,其特征在于,所述碰撞传感部件包括横向触手、横向导向筒、固定极和感应器弹簧,所述固定极固定安装在所述横向导向筒内,所述横向导向筒固定连接于所述上盖,所述横向触手固定连接于所述碰撞挡板,所述横向触手设置于所述横向导向筒内与所述横向导向筒呈横向滑动配合,所述感应器弹簧的两端分别连接于所述横向导向筒的前端和所述碰撞挡板的内侧,所述横向触手与所述固定极接触时构成开关信号的闭合回路。
4.根据权利要求1所述的室内综合清扫扫地机器人,其特征在于,所述条形凹槽的后侧设有向地面延伸并触及地面的铲刷,所述条形凹槽的顶壁设有向下延伸的耙齿,所述滚刷设置用于清扫地面的刷毛,所述耙齿的底端与所述滚刷的刷毛接触。
5.根据权利要求1所述的室内综合清扫扫地机器人,其特征在于,所述上盖设有活动盖板,所述垃圾收纳盒和所述集尘抽屉位于所述活动盖板的下方,所述垃圾收纳盒与所述底盘卡接,所述集尘抽屉与所述底盘卡接。
CN202020136864.7U 2020-01-21 2020-01-21 室内综合清扫扫地机器人 Active CN211985270U (zh)

Priority Applications (1)

Application Number Priority Date Filing Date Title
CN202020136864.7U CN211985270U (zh) 2020-01-21 2020-01-21 室内综合清扫扫地机器人

Applications Claiming Priority (1)

Application Number Priority Date Filing Date Title
CN202020136864.7U CN211985270U (zh) 2020-01-21 2020-01-21 室内综合清扫扫地机器人

Publications (1)

Publication Number Publication Date
CN211985270U true CN211985270U (zh) 2020-11-24

Family

ID=73419456

Family Applications (1)

Application Number Title Priority Date Filing Date
CN202020136864.7U Active CN211985270U (zh) 2020-01-21 2020-01-21 室内综合清扫扫地机器人

Country Status (1)

Country Link
CN (1) CN211985270U (zh)

Cited By (2)

* Cited by examiner, † Cited by third party
Publication number Priority date Publication date Assignee Title
CN112690703A (zh) * 2020-12-18 2021-04-23 苏州寻迹智行机器人技术有限公司 一种新型自主移动机器人
CN115177177A (zh) * 2021-04-02 2022-10-14 广东博智林机器人有限公司 一种地面清理设备

Cited By (3)

* Cited by examiner, † Cited by third party
Publication number Priority date Publication date Assignee Title
CN112690703A (zh) * 2020-12-18 2021-04-23 苏州寻迹智行机器人技术有限公司 一种新型自主移动机器人
CN115177177A (zh) * 2021-04-02 2022-10-14 广东博智林机器人有限公司 一种地面清理设备
CN115177177B (zh) * 2021-04-02 2023-12-26 广东博智林机器人有限公司 一种地面清理设备

Similar Documents

Publication Publication Date Title
CN101273307B (zh) 可自动移动的地面灰尘收集设备
CN107080500B (zh) 智能清洁机器人系统
CN211985270U (zh) 室内综合清扫扫地机器人
CN113243832B (zh) 清洁机器人及清洁机器人的控制方法
CN107212818A (zh) 一种智能拖地机
CN112120605A (zh) 一种扫拖一体式扫地机
CN112401758B (zh) 具备角落清洁模式的可变形扫地机器人及其控制方法
JP2013233305A (ja) 自走式掃除機
CN206829045U (zh) 一种树叶收集装置
CN108294694A (zh) 一种家用智能扫地机
CN202981878U (zh) 家用智能清洁器
CN111067427A (zh) 一种扫地机器人
CN107049158A (zh) 滚布及其智能清洁机器人
CN112535432A (zh) 一种带清洗座的清洁机器人
CN111184476B (zh) 静电吸附式扫地机器人及其控制方法
CN111248816A (zh) 室内综合清扫扫地机器人及其控制方法
CN212996284U (zh) 自主移动设备
WO2013157325A1 (ja) 吸口体およびそれを備えた掃除機
CN112690709A (zh) 一种无死角智能化扫地机器人及其工作方法
CN117281427A (zh) 清洁设备
JP2013013538A (ja) 室内用集塵装置およびこの装置を機能させるためのプログラム
CN211834222U (zh) 静电吸附式扫地机器人
CN2894586Y (zh) 吸尘器
CN213787181U (zh) 吸拖一体扫地机
CN215191261U (zh) 一种自移动设备的底座系统及自移动设备

Legal Events

Date Code Title Description
GR01 Patent grant
GR01 Patent grant
CP03 Change of name, title or address

Address after: 215500 Suzhou, Changshou City Province, South Ring Road No. 99, No., No. three

Patentee after: Suzhou Institute of Technology

Country or region after: China

Address before: 215500 Suzhou, Changshou City Province, South Ring Road No. 99, No., No. three

Patentee before: CHANGSHU INSTITUTE OF TECHNOLOGY

Country or region before: China