CN211888639U - 一种横担打孔机 - Google Patents

一种横担打孔机 Download PDF

Info

Publication number
CN211888639U
CN211888639U CN202020447424.3U CN202020447424U CN211888639U CN 211888639 U CN211888639 U CN 211888639U CN 202020447424 U CN202020447424 U CN 202020447424U CN 211888639 U CN211888639 U CN 211888639U
Authority
CN
China
Prior art keywords
groove
holes
male die
die
male
Prior art date
Legal status (The legal status is an assumption and is not a legal conclusion. Google has not performed a legal analysis and makes no representation as to the accuracy of the status listed.)
Active
Application number
CN202020447424.3U
Other languages
English (en)
Inventor
姜东方
李沅
刘志远
方刚
Current Assignee (The listed assignees may be inaccurate. Google has not performed a legal analysis and makes no representation or warranty as to the accuracy of the list.)
Henan Boao Electrical Equipment Co ltd
Original Assignee
Henan Boao Electrical Equipment Co ltd
Priority date (The priority date is an assumption and is not a legal conclusion. Google has not performed a legal analysis and makes no representation as to the accuracy of the date listed.)
Filing date
Publication date
Application filed by Henan Boao Electrical Equipment Co ltd filed Critical Henan Boao Electrical Equipment Co ltd
Priority to CN202020447424.3U priority Critical patent/CN211888639U/zh
Application granted granted Critical
Publication of CN211888639U publication Critical patent/CN211888639U/zh
Active legal-status Critical Current
Anticipated expiration legal-status Critical

Links

Images

Landscapes

  • Perforating, Stamping-Out Or Severing By Means Other Than Cutting (AREA)

Abstract

一种横担打孔机,包括底板,所述底板上固定设置有模座,模座的上表面上设置有凹槽,凹槽的槽底面上间隔设置有多个避位孔,避位孔贯穿模座,待打孔的横担间隙卡入凹槽内且横担的左端面与凹槽的左端面贴合设置,凹槽的上方设置有“门”型的支撑架,模座位于支撑架的内部,支撑架沿左右方向间隔设置两个,支撑架上竖直设置有升降液压缸,升降液压缸的下端与支撑架固定连接,升降液压缸的上端固定连接有升降梁,升降梁的左右两端分别与左右两升降液压缸固定连接;所述升降梁的下表面上固定设置有多个凸模且多个凸模与多个避位孔一一对应设置。总之,本实用新型一次装夹可以在横担上同时打多个孔,提高了打孔效率,满足了大批量生产的需求。

Description

一种横担打孔机
技术领域
本实用新型涉及横担加工技术领域,具体涉及一种横担打孔机。
背景技术
在电力设备中,横担常用来支撑电线、安装绝缘子等,是电线杆塔中不可或缺的重要零件,在加工横担时,需要在横担上间隔打上若干个孔,这些孔是为了后续方便安装各种部件,现有的横担打孔机采用冲压打孔的方式,即采用升降气缸带动凸模下降对模座上的横担进行打孔,模座上设置有与凸模对应的避位孔,此种方式一次只能在横担上大一个孔,当需要在长板形的横担上打多个孔时需要将横担进行多次装夹,分几次打孔,打孔效率不高,难以满足大批量生产的需求。
实用新型内容
本实用新型提供一种横担打孔机,目的在于:一次装夹在横担上同时打多个孔,提高打孔效率,满足大批量生产的需求。
为了实现上述目的,本实用新型提供了如下技术方案:
一种横担打孔机,包括底板,所述底板上固定设置有模座,模座的上表面上沿左右方向设置有凹槽,凹槽的左端与模座的左端面间距设置,凹槽的右端延伸至模座的右端面,凹槽的槽底面上沿左右方向间隔设置有多个避位孔,避位孔贯穿模座,待打孔的横担间隙卡入凹槽内且横担的左端面与凹槽的左端面贴合设置,横担的右端延伸至模座右端面的右侧,横担的底面与凹槽的底面贴合设置;所述凹槽的上方设置有“门”型的支撑架,模座位于支撑架的内部,支撑架沿左右方向间隔设置两个,支撑架上竖直设置有升降液压缸,升降液压缸的下端与支撑架固定连接,升降液压缸的上端固定连接有升降梁,升降梁的左右两端分别与左右两升降液压缸固定连接;所述升降梁的下表面上固定设置有多个凸模且多个凸模与多个避位孔一一对应设置,多个凸模的下表面位于同一水平面上。
优选地,所述支撑架上设置有导向孔且导向孔关于升降液压缸对称设置两个,导向孔内设置有导向柱,导向柱的下端滑动穿设在导向孔内,导向柱的上端与升降梁固定连接。
优选地,所述凸模包括第一凸模、第二凸模、第三凸模、第四凸模和第五凸模,第一凸模、第二凸模、第三凸模、第四凸模和第五凸模从左至右依次设置,第一凸模、第三凸模和第五凸模冲出的孔为圆孔,第二凸模和第四凸模冲出的孔为长孔,凹槽槽底面上的避位孔对应设置。
优选地,所述模座通过连接板支撑在底板的上方,模座的下方中空设置。
相对于现有技术,本实用新型的有益效果为:整个装置结构简单、紧凑,使用方便,将待打孔的横担间隙卡入凹槽内后,再启动升降液压缸带动升降梁下降,升降梁带动凸模下降对横担进行打孔,一次装夹即可打多个孔,提高了打孔效率,可以满足大批量生产的需求,另外,通过一次同时打多个孔,可增大各个孔之间的相对位置精度;导向柱滑动穿设在导向孔内,可以增加升降梁升降的稳定性,提高后续凸模打孔的精度。总之,本实用新型一次装夹可以在横担上同时打多个孔,提高了打孔效率,满足了大批量生产的需求。
附图说明
图1为本实用新型的主视图;
图2为本实用新型的左视图;
图3为本实用新型的立体结构示意图;
图4为本实用新型使用状态的立体结构示意图。
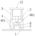
图中:1、底板,2、连接板,3、第一凸模,4、支撑架,401、导向孔,5、导向柱,6、第二凸模,7、第三凸模,8、模座,801、凹槽,9、第四凸模,10、升降液压缸,11、第五凸模,12、升降梁,13、横担。
具体实施方式
为了使本领域的技术人员更好地理解本实用新型的技术方案,下面将结合本实用新型实施例中的附图,对本实用新型实施例中的技术方案进行清楚、完整地描述。
实施例:如图1至图4所示,本实用新型提供一种横担打孔机,包括底板1,所述底板1上固定设置有模座8,模座8的上表面上沿左右方向设置有凹槽801,凹槽801的左端与模座8的左端面间距设置,凹槽801的右端延伸至模座8的右端面,凹槽801的槽底面上沿左右方向间隔设置有多个避位孔,避位孔贯穿模座8,待打孔的横担13间隙卡入凹槽801内且横担13的左端面与凹槽801的左端面贴合设置,横担13的右端延伸至模座8右端面的右侧,横担13的底面与凹槽801的底面贴合设置,由于在后续安装中只需保证横担13上各个空之间的位置精度,而一次打多个孔即可保证各个孔之间的相对位置精度,因此通过凹槽801间隙装夹横担13即可满足使用要求,且打孔完毕只要拿起横担13的右端即可,取放较为方便。
所述凹槽801的上方设置有“门”型的支撑架4,模座8位于支撑架4的内部,支撑架4沿左右方向间隔设置两个,支撑架4上竖直设置有升降液压缸10,升降液压缸10的下端与支撑架4固定连接,升降液压缸10的上端固定连接有升降梁12,升降梁12的左右两端分别与左右两升降液压缸10固定连接,本实施例中,所述支撑架4上设置有导向孔401且导向孔401关于升降液压缸10对称设置两个,导向孔401内设置有导向柱5,导向柱5的下端滑动穿设在导向孔401内,导向柱5的上端与升降梁12固定连接,可以增加升降梁12升降的稳定性,提高后续打孔的精度。
所述升降梁12的下表面上固定设置有多个凸模且多个凸模与多个避位孔一一对应设置,多个凸模的下表面位于同一水平面上,多个凸模同时下降对横担13进行冲压打孔,可同时打多个孔,提高打孔效率。
进一步地,所述凸模包括第一凸模3、第二凸模6、第三凸模7、第四凸模9和第五凸模11,第一凸模3、第二凸模6、第三凸模7、第四凸模9和第五凸模11从左至右依次设置,第一凸模3、第三凸模7和第五凸模11冲出的孔为圆孔,第二凸模6和第四凸模9冲出的孔为长孔,凹槽801槽底面上的避位孔对应设置,多个凸模设置成不同的形状以打不同形状的孔。
进一步地,所述模座8通过连接板2支撑在底板2的上方,模座8的下方中空设置,方便凸模冲下横担13上的料通过避位孔落入到模座8下方,方便清理落料。
本实用新型提供的一种横担打孔机,在实际使用过程中,首先拿起横担13的右端将待打孔的横担13间隙卡入凹槽801内后,再启动升降液压缸10带动升降梁12下降,升降梁12带动凸模下降对横担13进行打孔,通过一次装夹即可同时打多个孔,提高了打孔效率,可以满足大批量生产的需求,另外,通过一次同时打多个孔,可增大各个孔之间的相对位置精度,打孔完成后通过拿起横担13的右端来取出整个横担,取放较为方便。总之,本实用新型一次装夹可以在横担上同时打多个孔,提高了打孔效率,满足了大批量生产的需求。
本文中应用了具体个例对本实用新型的原理及实施方式进行了阐述,以上实施例的说明只是用于帮助理解本实用新型的方法及其核心思想,应当指出,对于本技术领域的普通技术人员来说,在不脱离本实用新型原理的前提下,还可以对本实用新型进行若干改进和修饰,这些改进和修饰也落入本实用新型权利要求的保护范围内。

Claims (4)

1.一种横担打孔机,其特征在于:包括底板(1),所述底板(1)上固定设置有模座(8),模座(8)的上表面上沿左右方向设置有凹槽(801),凹槽(801)的左端与模座(8)的左端面间距设置,凹槽(801)的右端延伸至模座(8)的右端面,凹槽(801)的槽底面上沿左右方向间隔设置有多个避位孔,避位孔贯穿模座(8),待打孔的横担(13)间隙卡入凹槽(801)内且横担(13)的左端面与凹槽(801)的左端面贴合设置,横担(13)的右端延伸至模座(8)右端面的右侧,横担(13)的底面与凹槽(801)的底面贴合设置;所述凹槽(801)的上方设置有“门”型的支撑架(4),模座(8)位于支撑架(4)的内部,支撑架(4)沿左右方向间隔设置两个,支撑架(4)上竖直设置有升降液压缸(10),升降液压缸(10)的下端与支撑架(4)固定连接,升降液压缸(10)的上端固定连接有升降梁(12),升降梁(12)的左右两端分别与左右两升降液压缸(10)固定连接;所述升降梁(12)的下表面上固定设置有多个凸模且多个凸模与多个避位孔一一对应设置,多个凸模的下表面位于同一水平面上。
2.根据权利要求1所述的横担打孔机,其特征在于:所述支撑架(4)上设置有导向孔(401)且导向孔(401)关于升降液压缸(10)对称设置两个,导向孔(401)内设置有导向柱(5),导向柱(5)的下端滑动穿设在导向孔(401)内,导向柱(5)的上端与升降梁(12)固定连接。
3.根据权利要求1所述的横担打孔机,其特征在于:所述凸模包括第一凸模(3)、第二凸模(6)、第三凸模(7)、第四凸模(9)和第五凸模(11),第一凸模(3)、第二凸模(6)、第三凸模(7)、第四凸模(9)和第五凸模(11)从左至右依次设置,第一凸模(3)、第三凸模(7)和第五凸模(11)冲出的孔为圆孔,第二凸模(6)和第四凸模(9)冲出的孔为长孔,凹槽(801)槽底面上的避位孔对应设置。
4.根据权利要求1所述的横担打孔机,其特征在于:所述模座(8)通过连接板(2)支撑在底板(1)的上方,模座(8)的下方中空设置。
CN202020447424.3U 2020-03-31 2020-03-31 一种横担打孔机 Active CN211888639U (zh)

Priority Applications (1)

Application Number Priority Date Filing Date Title
CN202020447424.3U CN211888639U (zh) 2020-03-31 2020-03-31 一种横担打孔机

Applications Claiming Priority (1)

Application Number Priority Date Filing Date Title
CN202020447424.3U CN211888639U (zh) 2020-03-31 2020-03-31 一种横担打孔机

Publications (1)

Publication Number Publication Date
CN211888639U true CN211888639U (zh) 2020-11-10

Family

ID=73274896

Family Applications (1)

Application Number Title Priority Date Filing Date
CN202020447424.3U Active CN211888639U (zh) 2020-03-31 2020-03-31 一种横担打孔机

Country Status (1)

Country Link
CN (1) CN211888639U (zh)

Cited By (1)

* Cited by examiner, † Cited by third party
Publication number Priority date Publication date Assignee Title
CN113103193A (zh) * 2021-05-29 2021-07-13 佛山市顺德区兆达电子有限公司 一种线路板冲压模具的开拔装置

Cited By (1)

* Cited by examiner, † Cited by third party
Publication number Priority date Publication date Assignee Title
CN113103193A (zh) * 2021-05-29 2021-07-13 佛山市顺德区兆达电子有限公司 一种线路板冲压模具的开拔装置

Similar Documents

Publication Publication Date Title
CN211888639U (zh) 一种横担打孔机
CN210966488U (zh) 一种路灯灯杆加工设备
CN209998187U (zh) 一种多种工艺结合的冲压连续模
CN218109012U (zh) 一种槽钢加工用三面冲孔装置
CN213002216U (zh) 一种冲压模具定位稳固的模具定位装置
CN213826723U (zh) 一种用于生产电机铁芯冲压床的固定装置
CN213968553U (zh) 一种导向式冲孔装置
CN212822067U (zh) 一种金属制品冲切装置
CN210876925U (zh) 一种球头支架折弯固定装置
CN213857775U (zh) 一种银点切断焊接装置
CN104001837A (zh) 线材双动折弯成型模具
CN211296505U (zh) 一种无刷电机转子永磁片自动插入机构
CN211757999U (zh) 一种条形工料初始导向定位装置
CN211218488U (zh) 一种插针加工用冲压装置
CN210705133U (zh) 可有效避免小间距孔开裂的钻孔装置
CN218838725U (zh) 一种压力机多点液压垫结构
CN217550866U (zh) 一种金属件机械冲压设备
CN220611914U (zh) 一种管型钣金件四向拉伸模
CN222944291U (zh) 一种皮带连接器的冲孔模具
CN220497462U (zh) 一种五金产品的冲压模具
CN220196113U (zh) 一种变压器五金件连续冲压模具
CN215824024U (zh) 一种提升光电板尺寸稳定性加工装置
CN223382419U (zh) 一种五金件冲孔模具
CN214601578U (zh) 一种模具刮料机构
CN218835778U (zh) 一种用于岸桥控制柜的便携式铜排冲孔机

Legal Events

Date Code Title Description
GR01 Patent grant
GR01 Patent grant
PE01 Entry into force of the registration of the contract for pledge of patent right

Denomination of utility model: A cross arm punch

Effective date of registration: 20210428

Granted publication date: 20201110

Pledgee: Bank of China Limited by Share Ltd. Luohe branch

Pledgor: Henan Boao Electrical Equipment Co.,Ltd.

Registration number: Y2021980003116

PE01 Entry into force of the registration of the contract for pledge of patent right
PC01 Cancellation of the registration of the contract for pledge of patent right

Granted publication date: 20201110

Pledgee: Bank of China Limited by Share Ltd. Luohe branch

Pledgor: Henan Boao Electrical Equipment Co.,Ltd.

Registration number: Y2021980003116

PC01 Cancellation of the registration of the contract for pledge of patent right