CN211888203U - Cleaning and sterilizing device for medical instruments - Google Patents
Cleaning and sterilizing device for medical instruments Download PDFInfo
- Publication number
- CN211888203U CN211888203U CN202020366818.6U CN202020366818U CN211888203U CN 211888203 U CN211888203 U CN 211888203U CN 202020366818 U CN202020366818 U CN 202020366818U CN 211888203 U CN211888203 U CN 211888203U
- Authority
- CN
- China
- Prior art keywords
- cleaning
- box body
- box
- branch pipe
- pipe
- Prior art date
- Legal status (The legal status is an assumption and is not a legal conclusion. Google has not performed a legal analysis and makes no representation as to the accuracy of the status listed.)
- Expired - Fee Related
Links
- 238000004140 cleaning Methods 0.000 title claims abstract description 76
- 230000001954 sterilising effect Effects 0.000 title description 2
- XLYOFNOQVPJJNP-UHFFFAOYSA-N water Substances O XLYOFNOQVPJJNP-UHFFFAOYSA-N 0.000 claims abstract description 34
- 238000010438 heat treatment Methods 0.000 claims abstract description 32
- 238000004659 sterilization and disinfection Methods 0.000 claims abstract description 17
- 230000000249 desinfective effect Effects 0.000 claims abstract description 15
- 230000008093 supporting effect Effects 0.000 claims description 7
- 238000007789 sealing Methods 0.000 claims description 4
- 238000005406 washing Methods 0.000 claims description 4
- 238000001035 drying Methods 0.000 abstract description 7
- 230000000694 effects Effects 0.000 description 2
- 230000004075 alteration Effects 0.000 description 1
- 244000052616 bacterial pathogen Species 0.000 description 1
- 230000009286 beneficial effect Effects 0.000 description 1
- 238000007664 blowing Methods 0.000 description 1
- 239000003153 chemical reaction reagent Substances 0.000 description 1
- 239000000645 desinfectant Substances 0.000 description 1
- 238000001914 filtration Methods 0.000 description 1
- 238000000338 in vitro Methods 0.000 description 1
- 239000000463 material Substances 0.000 description 1
- 238000000034 method Methods 0.000 description 1
- 238000012986 modification Methods 0.000 description 1
- 230000004048 modification Effects 0.000 description 1
- 238000006467 substitution reaction Methods 0.000 description 1
- 238000003466 welding Methods 0.000 description 1
Images
Landscapes
- Apparatus For Disinfection Or Sterilisation (AREA)
Abstract
The utility model discloses a cleaning and disinfecting device for medical instruments, which comprises a box body, wherein both sides of a cleaning pool are provided with electric telescopic rods, a clamping block is welded on a cleaning frame, a plurality of ultraviolet disinfection lamps are fixedly arranged on the inner walls of both sides of the box body through screws, a water outlet of a water pump is communicated with the cleaning pool through a water pipe, an air outlet of an air blower is fixedly connected with a first branch pipe and a second branch pipe through air pipes, one end of the first branch pipe passes through the box body and is communicated with the cleaning pool, one end of the second branch pipe is fixedly arranged on the side surface of a heating box, a filter screen and a heating screen are fixedly arranged in the heating box through screws, one side of the heating box is fixedly communicated with a drying air pipe, the utility model can automatically clean and disinfect the medical instruments, and can directly dry after the cleaning and disinfecting are finished, the working strength of cleaning personnel is reduced, and the working efficiency is improved.
Description
Technical Field
The utility model relates to the technical field of medical equipment, in particular to a cleaning and disinfecting device for medical equipment.
Background
Medical instruments refer to instruments, devices, appliances, in-vitro diagnostic reagents and calibrators, materials and other similar or related items used directly or indirectly on the human body, including the required computer software. For medical instruments such as scalpels, scissors and forceps which are directly used for human bodies, cleaning and disinfection are needed after the medical instruments are used so as to be convenient for next use, and if the cleaning and disinfection are not complete enough, germs can be remained, so that the safety of patients and medical staff is affected.
However, the existing cleaning and disinfecting device for medical instruments is generally cleaned manually after being soaked by disinfectant, so that the medical instruments are easily cleaned and cannot be cleaned completely, potential safety hazards are caused, in addition, the workload of manual cleaning is large, health potential hazards are easily brought to cleaning personnel, the medical instruments need to be transferred to a drying box for drying after being cleaned, the workload is large, and the cleaning personnel can scratch hands and other potential safety hazards in the process of transferring the medical instruments.
SUMMERY OF THE UTILITY MODEL
An object of the utility model is to provide a cleaning and disinfecting device for medical instrument, the device can carry out automatic washing and disinfection to medical instrument, can directly dry after cleaning and disinfecting accomplishes simultaneously, has reduced the working strength of purger, has improved work efficiency to solve the problem that proposes among the above-mentioned background.
In order to achieve the above object, the utility model provides a following technical scheme: a cleaning and disinfecting device for medical instruments comprises a box body, wherein a cleaning pool is fixedly installed on the bottom surface inside the box body, a drain pipe is arranged at the bottom of the cleaning pool, one end of the drain pipe penetrates out of the bottom of the box body, electric telescopic rods are arranged on two sides of the cleaning pool, hooks are welded on one side, opposite to the telescopic parts, of each electric telescopic rod, the hooks are clamped on clamping blocks, the clamping blocks are welded on a cleaning frame, the cleaning frame is arranged above the cleaning pool, a plurality of ultraviolet disinfection lamps are fixedly installed on the inner walls of the two sides of the box body through screws, a water pump is fixedly installed on one side of the box body through a mounting plate, a water outlet of the water pump is communicated with the cleaning pool through a water pipe, a water inlet of the water pump is communicated with an external water source through a water pipe, an air blower is fixedly installed on one side of the box body through the, the one end of first branch pipe is passed the box and is linked together with the washing pond, the one end fixed mounting of second branch pipe is in the side of heating cabinet, the heating cabinet welding is at the top surface of box, there are filter screen and heating screen in the inside of heating cabinet through screw fixed mounting, one side and the fixed intercommunication of stoving tuber pipe of heating cabinet, the top of box is worn out to the one end of stoving tuber pipe.
Preferably, the bottom of the cleaning pool is fixedly provided with two heating blocks through screws.
Preferably, the number of the clamping blocks is four, and the four clamping blocks are uniformly arranged on two sides of the cleaning frame.
Preferably, a first valve is arranged on the first branch pipe, a second valve is arranged on the second branch pipe, and a third valve is arranged on the drain pipe.
Preferably, the front surface of the box body is hinged with a box door through a hinge, and a sealing strip is arranged between the box door and the box body.
Preferably, four supporting legs are uniformly welded on the bottom surface of the box body, and anti-slip pads are arranged on the bottom surfaces of the four supporting legs.
Compared with the prior art, the beneficial effects of the utility model are that:
make through electric telescopic handle wash the frame and in wasing the pond up-and-down motion, make rivers wash medical instrument, the air-blower carries out the air-blast through first branch pipe to wasing the pond, make water roll, make the cleaning performance better, the heating screen heats the air in the second branch pipe, dry the medical instrument of wasing through the stoving tuber pipe, disinfect medical instrument through the ultraviolet ray disinfection lamp, can carry out automatic washing and disinfection to medical instrument, can directly dry after the completion of cleaning and disinfection simultaneously, cleaning personnel's working strength has been reduced, and the work efficiency is improved.
Drawings
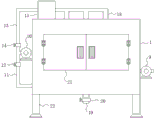
Fig. 1 is a schematic structural view of the present invention;
FIG. 2 is a schematic cross-sectional view of the present invention shown in FIG. 1;
fig. 3 is a schematic top view of the cleaning frame of the present invention.
In the figure: 1. a box body; 2. a cleaning tank; 3. an electric telescopic rod; 4. a hook is clamped; 5. a clamping block; 6. cleaning the frame; 7. a heating block; 8. an ultraviolet disinfection lamp; 9. a water pump; 10. a blower; 11. a first branch pipe; 12. a first valve; 13. a second branch pipe; 14. a second valve; 15. a heating box; 16. filtering with a screen; 17. heating the net; 18. drying the air pipe; 19. a drain pipe; 20. a third valve; 21. a box door; 22. and (7) supporting legs.
Detailed Description
The technical solutions in the embodiments of the present invention will be described clearly and completely with reference to the accompanying drawings in the embodiments of the present invention, and it is obvious that the described embodiments are only some embodiments of the present invention, not all embodiments. Based on the embodiments in the present invention, all other embodiments obtained by a person skilled in the art without creative work belong to the protection scope of the present invention.
Referring to fig. 1-3, the present invention provides a technical solution: a cleaning and disinfecting device for medical instruments comprises a box body 1, a cleaning pool 2 is fixedly installed on the bottom surface inside the box body 1, a drain pipe 19 is arranged at the bottom of the cleaning pool 2, one end of the drain pipe 19 penetrates out of the bottom of the box body 1, electric telescopic rods 3 are arranged on two sides of the cleaning pool 2, a clamping hook 4 is welded on one surface of each electric telescopic rod 3 opposite to the telescopic part, the clamping hook 4 is clamped on a clamping block 5, the clamping block 5 is welded on a cleaning frame 6, the cleaning frame 6 is arranged above the cleaning pool 2, a plurality of ultraviolet disinfection lamps 8 are fixedly installed on the inner walls of two sides of the box body 1 through screws, two heating blocks 7 are fixedly installed at the bottom of the cleaning pool 2 through screws, water in the cleaning pool 2 can be heated through the heating blocks 7, preliminary disinfection can be carried out while cleaning, the disinfection is carried out, the disinfection effect is better, and, the four fixture blocks 5 are uniformly arranged on two sides of the cleaning frame 6, the cleaning frame 6 can be more stable in up-and-down movement through the four fixture blocks 5 and the electric telescopic rods 3 corresponding to the fixture blocks 5, the cleaning frame 6 can be conveniently taken down and replaced, a box door 21 is hinged to the front of the box body 1 through hinges, a sealing strip is arranged between the box door 21 and the box body 1, external air can be prevented from entering the box body 1 through the sealing strip, and the environment inside the box body 1 is kept sterile;
a water pump 9 is fixedly arranged on one side of a box body 1 through a mounting plate, a water outlet of the water pump 9 is communicated with a cleaning pool 2 through a water pipe, a water inlet of the water pump 9 is communicated with an external water source through a water pipe, an air blower 10 is fixedly arranged on one side of the box body 1 through the mounting plate, an air outlet of the air blower 10 is fixedly connected with a first branch pipe 11 and a second branch pipe 13 through air pipes, one end of the first branch pipe 11 penetrates through the box body 1 and is communicated with the cleaning pool 2, one end of the second branch pipe 13 is fixedly arranged on the side surface of a heating box 15, the heating box 15 is welded on the top surface of the box body 1, a filter screen 16 and a heating screen 17 are fixedly arranged in the heating box 15 through screws, one side of the heating box 15 is fixedly communicated with a drying air pipe 18, one end of the drying air pipe 18 penetrates out of, be provided with third valve 20 on the drain pipe 19, can control the closure of first branch pipe 11 through first valve 12, can be to the closure of second branch pipe 13 through second valve 14, can control the closure of drain pipe 19 through third valve 20, four landing legs 22 have evenly been welded to the bottom surface of box 1, and the bottom surface of four landing legs 22 is provided with the slipmat, plays supporting role to box 1 through landing leg 22, and the slipmat can be so that the supporting effect is better.
The working principle is as follows: opening a box door 21 to place medical instruments in a cleaning frame 6, adding a proper amount of water into a cleaning pool 2 through a water pump 9, heating the water through a heating block 7, when the temperature of the water reaches a disinfection temperature, placing the cleaning frame 6 into the cleaning pool through an electric telescopic rod 3, driving the cleaning frame 6 to move up and down in the cleaning pool 2 through the electric telescopic rod 3, enabling water flow to wash the medical instruments, simultaneously starting an air blower 10 to blow air, starting a first valve 12 at the moment, closing a second valve 14, blowing the air from a first branch pipe 11 to the cleaning pool 2 to enable the water to roll, enabling the cleaning effect to be better, after cleaning is completed, lifting the cleaning frame 6 above the cleaning pool 2 through the electric telescopic rod 3, disinfecting the medical instruments through an ultraviolet disinfection lamp 8, closing the first valve 12 at the moment, opening the second valve 14, and simultaneously starting a heating net 17, air blown by the blower 10 enters the heating box 15 from the second branch pipe 13, the filter screen 16 filters the air, the heating screen 17 heats the air, and hot air enters the box body 1 through the drying air pipe 18 to dry medical instruments, so that the cleaning and disinfection of the medical instruments are completed.
Although embodiments of the present invention have been shown and described, it will be appreciated by those skilled in the art that changes, modifications, substitutions and alterations can be made in these embodiments without departing from the principles and spirit of the invention, the scope of which is defined in the appended claims and their equivalents.
Claims (6)
1. The utility model provides a cleaning and disinfecting device for medical instrument, includes box (1), its characterized in that: the cleaning device is characterized in that a cleaning pool (2) is fixedly mounted on the bottom surface inside the box body (1), a drain pipe (19) is arranged at the bottom of the cleaning pool (2), one end of the drain pipe (19) penetrates out of the bottom of the box body (1), electric telescopic rods (3) are arranged on two sides of the cleaning pool (2), a clamping hook (4) is welded on one side, opposite to the telescopic part, of each electric telescopic rod (3), the clamping hook (4) is clamped on a clamping block (5), the clamping block (5) is welded on a cleaning frame (6), the cleaning frame (6) is arranged above the cleaning pool (2), a plurality of ultraviolet disinfection lamps (8) are fixedly mounted on the inner walls of two sides of the box body (1) through screws, a water pump (9) is fixedly mounted on one side of the box body (1) through a mounting plate, and a water outlet of the water pump (9) is communicated with, the water inlet of water pump (9) leads to pipe and is linked together with outside water source, there is air-blower (10) one side of box (1) through mounting panel fixed mounting, the air outlet of air-blower (10) passes through tuber pipe and first branch pipe (11) and second branch pipe (13) fixed connection, the one end of first branch pipe (11) is passed box (1) and is linked together with washing pond (2), the one end fixed mounting of second branch pipe (13) is in the side of heating cabinet (15), the top surface at box (1) is welded in heating cabinet (15), there are filter screen (16) and heating screen (17) in the inside of heating cabinet (15) through screw fixed mounting, one side and the fixed intercommunication of stoving tuber pipe (18) of heating cabinet (15), the top of box (1) is worn out to the one end of stoving tuber pipe (18).
2. The cleaning and disinfecting apparatus for medical instruments according to claim 1, characterized in that: the bottom of the cleaning pool (2) is fixedly provided with two heating blocks (7) through screws.
3. The cleaning and disinfecting apparatus for medical instruments according to claim 1, characterized in that: the number of the clamping blocks (5) is four, and the four clamping blocks (5) are uniformly arranged on two sides of the cleaning frame (6).
4. The cleaning and disinfecting apparatus for medical instruments according to claim 1, characterized in that: the first branch pipe (11) is provided with a first valve (12), the second branch pipe (13) is provided with a second valve (14), and the drain pipe (19) is provided with a third valve (20).
5. The cleaning and disinfecting apparatus for medical instruments according to claim 1, characterized in that: the front of the box body (1) is hinged with a box door (21) through a hinge, and a sealing strip is arranged between the box door (21) and the box body (1).
6. The cleaning and disinfecting apparatus for medical instruments according to claim 1, characterized in that: four supporting legs (22) are uniformly welded on the bottom surface of the box body (1), and anti-slip pads are arranged on the bottom surfaces of the four supporting legs (22).
Priority Applications (1)
| Application Number | Priority Date | Filing Date | Title |
|---|---|---|---|
| CN202020366818.6U CN211888203U (en) | 2020-03-22 | 2020-03-22 | Cleaning and sterilizing device for medical instruments |
Applications Claiming Priority (1)
| Application Number | Priority Date | Filing Date | Title |
|---|---|---|---|
| CN202020366818.6U CN211888203U (en) | 2020-03-22 | 2020-03-22 | Cleaning and sterilizing device for medical instruments |
Publications (1)
| Publication Number | Publication Date |
|---|---|
| CN211888203U true CN211888203U (en) | 2020-11-10 |
Family
ID=73269789
Family Applications (1)
| Application Number | Title | Priority Date | Filing Date |
|---|---|---|---|
| CN202020366818.6U Expired - Fee Related CN211888203U (en) | 2020-03-22 | 2020-03-22 | Cleaning and sterilizing device for medical instruments |
Country Status (1)
| Country | Link |
|---|---|
| CN (1) | CN211888203U (en) |
Cited By (2)
| Publication number | Priority date | Publication date | Assignee | Title |
|---|---|---|---|---|
| CN112791207A (en) * | 2021-01-06 | 2021-05-14 | 南通市第一人民医院 | Automatic disinfection device of hemodialysis machine |
| CN113926778A (en) * | 2021-10-24 | 2022-01-14 | 扬州大学 | Integrated efficient cleaning device and cleaning method for sewage pump |
-
2020
- 2020-03-22 CN CN202020366818.6U patent/CN211888203U/en not_active Expired - Fee Related
Cited By (2)
| Publication number | Priority date | Publication date | Assignee | Title |
|---|---|---|---|---|
| CN112791207A (en) * | 2021-01-06 | 2021-05-14 | 南通市第一人民医院 | Automatic disinfection device of hemodialysis machine |
| CN113926778A (en) * | 2021-10-24 | 2022-01-14 | 扬州大学 | Integrated efficient cleaning device and cleaning method for sewage pump |
Similar Documents
| Publication | Publication Date | Title |
|---|---|---|
| CN209734592U (en) | Cleaning and sterilizing device for gynecological nursing instrument | |
| CN112138181A (en) | Cleaning and sterilizing device for equipment of clinical laboratory | |
| CN204798235U (en) | Wound care clean bench | |
| CN214406733U (en) | Drying device for cleaning medical instruments | |
| CN211888203U (en) | Cleaning and sterilizing device for medical instruments | |
| CN113305100A (en) | A wash dry disinfection integral type electronic equipment for medical instrument | |
| CN214488103U (en) | Slide glass cleaning device capable of preventing slide glass from being adhered to each other | |
| CN113855827A (en) | Nursing disinfecting equipment | |
| CN212282268U (en) | An ENT endoscope disinfection device | |
| CN205698313U (en) | A kind of Gynecological nursing bed | |
| CN207563347U (en) | A kind of medical instrument cleaning plant | |
| CN111001023A (en) | A kind of first aid nursing article disinfection device with drying structure and using method | |
| CN213051772U (en) | Nursing disinfecting and cleaning device | |
| CN111686275A (en) | Domestic sterilizer of intelligence | |
| CN208195039U (en) | A kind of medical instrument cleaning-sterilizing case that cleaning efficiency is high | |
| CN215994263U (en) | A kind of disinfection storage equipment for nursing in operating room | |
| CN211938109U (en) | Cleaning and drying device for ophthalmologic nursing | |
| CN211132281U (en) | Ultrasonic department probe disinfecting equipment | |
| CN211024766U (en) | A kind of hand disinfection basin for nurses | |
| CN210521426U (en) | A device for sterilizing surgical instruments for general surgery | |
| CN211157500U (en) | Instrument degassing unit for thyroid gland treatment | |
| CN216679238U (en) | Cleaning and disinfecting device for medical instruments | |
| CN221181094U (en) | Medical instrument disinfection cabinet with classification function | |
| CN219003962U (en) | High-efficient cleaning and maintaining device for medical instrument | |
| CN216365718U (en) | A wound treatment device for surgical care |
Legal Events
| Date | Code | Title | Description |
|---|---|---|---|
| GR01 | Patent grant | ||
| GR01 | Patent grant | ||
| CF01 | Termination of patent right due to non-payment of annual fee | ||
| CF01 | Termination of patent right due to non-payment of annual fee |
Granted publication date: 20201110 Termination date: 20210322 |