CN211867865U - Floor type mechanical arm mounting and supporting base capable of preventing shaking - Google Patents

Floor type mechanical arm mounting and supporting base capable of preventing shaking Download PDF

Info

Publication number
CN211867865U
CN211867865U CN202020427904.3U CN202020427904U CN211867865U CN 211867865 U CN211867865 U CN 211867865U CN 202020427904 U CN202020427904 U CN 202020427904U CN 211867865 U CN211867865 U CN 211867865U
Authority
CN
China
Prior art keywords
base body
gear
floor type
limiting plate
mechanical arm
Prior art date
Legal status (The legal status is an assumption and is not a legal conclusion. Google has not performed a legal analysis and makes no representation as to the accuracy of the status listed.)
Active
Application number
CN202020427904.3U
Other languages
Chinese (zh)
Inventor
罗涛
Current Assignee (The listed assignees may be inaccurate. Google has not performed a legal analysis and makes no representation or warranty as to the accuracy of the list.)
Wuhu Jiaoka Robot Technology Co ltd
Original Assignee
Ningbo Maika Robot Technology Co ltd
Priority date (The priority date is an assumption and is not a legal conclusion. Google has not performed a legal analysis and makes no representation as to the accuracy of the date listed.)
Filing date
Publication date
Application filed by Ningbo Maika Robot Technology Co ltd filed Critical Ningbo Maika Robot Technology Co ltd
Priority to CN202020427904.3U priority Critical patent/CN211867865U/en
Application granted granted Critical
Publication of CN211867865U publication Critical patent/CN211867865U/en
Active legal-status Critical Current
Anticipated expiration legal-status Critical

Links

Images

Landscapes

  • Hooks, Suction Cups, And Attachment By Adhesive Means (AREA)

Abstract

The utility model discloses a floor type mechanical arm erection bracing base that prevents rocking, including base body, arm body and servo motor, base body's up end fixed mounting has the arm body, and base body's the fixed servo motor that is provided with in middle part, the output shaft passes through first gear and transmission shaft interconnect, and transmission shaft bearing installs in base body's inside, the transmission shaft passes through first track and first bracing piece interconnect, the output shaft passes through second track and second bracing piece interconnect, one side activity of second gear is provided with the mounting panel, the sucking disc passes through spring and gas leakage fastener interconnect. This floor type arm installation support base that prevents rocking can stretch out the gyro wheel and conveniently remove floor type arm to can withdraw the gyro wheel in the arm use, make the sucking disc hug closely with ground simultaneously, thereby prevent that floor type arm during operation from producing and rocking.

Description

Floor type mechanical arm mounting and supporting base capable of preventing shaking
Technical Field
The utility model relates to an arm technical field specifically is a prevent console mode arm installation support base that rocks.
Background
Floor type arm can remove the material, automation mechanized operations such as pile up neatly can replace part manual operation to the accuracy is high, can effectively improve machining efficiency, and when carrying out mechanized operation, the arm rocks and can cause the influence to the precision of its operation.
However, the existing supporting base has the following problems when in use:
1. the floor type mechanical arm is inconvenient to move due to heavy weight, and can be displaced only by completely lifting the support base and the mechanical arm, so that a large amount of manpower is consumed;
2. when the floor type mechanical arm is used, the floor type mechanical arm is inconvenient to be stably fixed with the ground, so that the operation precision is influenced by shaking when the floor type mechanical arm is used.
Aiming at the problems, innovative design is urgently needed to be carried out on the basis of the original supporting base.
SUMMERY OF THE UTILITY MODEL
An object of the utility model is to provide a floor type arm installation support base that prevents rocking to solve above-mentioned background art and propose because the weight of floor type arm is heavy, so inconvenient removal, need will support base and arm and lift up completely and just can the displacement, need spend a large amount of manpowers, floor type arm is inconvenient when using, fixed inconvenient and the ground is firm, thereby takes place to rock the problem that can influence the precision of operation when using.
In order to achieve the above object, the utility model provides a following technical scheme: an anti-shaking floor type mechanical arm mounting and supporting base comprises a base body, a mechanical arm body and a servo motor, wherein the mechanical arm body is fixedly mounted on the upper end face of the base body, the servo motor is fixedly arranged in the middle of the base body, an output shaft is fixedly connected to the end portion of the servo motor, the output shaft is connected with a transmission shaft through a first gear, a transmission shaft bearing is mounted in the base body, the transmission shaft is connected with a first supporting rod through a first crawler, the first supporting rod bearing is mounted on the right side in the base body, the output shaft is connected with a second supporting rod through a second crawler, the second supporting rod bearing is mounted on the left side in the base body, a second gear is sleeved on the outer sides of the second supporting rod and the first supporting rod, and a mounting plate is movably arranged on one side of the second gear, and mounting panel movable mounting is in the inside both sides of base body to the mounting panel passes through connecting rod and sucking disc interconnect, the sucking disc passes through spring and gas leakage fastener interconnect, and gas leakage fastener activity runs through in the surface of sucking disc.
Preferably, the output shaft and the first support rod form a transmission mechanism through the first gear, the transmission shaft and the first crawler, the first support rod and the second support rod are symmetrically arranged relative to the central axis of the base body, and the first support rod and the second support rod are coaxially arranged with the second gear.
Preferably, the other side of the second gear is movably provided with a limiting plate, the limiting plate is movably arranged on two sides of the inside of the base body, and the lower end face of the limiting plate is movably provided with a roller.
Preferably, the avris of mounting panel and limiting plate all is provided with the sawtooth structure of indent, and mounting panel and limiting plate all with the second gear between be the meshing connection to mounting panel and limiting plate all set up about base body's the central axis symmetry.
Preferably, the mounting plate and the limiting plate are connected with the base body in a sliding mode through clamping, the mounting plate and the connecting rod are fixedly connected, and the limiting plate and the roller are connected in a rotating mode.
Preferably, the sucking disc passes through the sliding connection that is the block between spring and the gas leakage fastener, and the gas leakage fastener sets up to middle part open-ended hollow structure to the junction of sucking disc and gas leakage fastener sets up to elastic rubber material.
Compared with the prior art, the beneficial effects of the utility model are that: the anti-shaking floor type mechanical arm is provided with the supporting base, the roller can be extended out to conveniently move the floor type mechanical arm, the roller can be retracted in the use process of the mechanical arm, and the sucker is tightly attached to the ground, so that shaking of the floor type mechanical arm during working is prevented;
1. the output shaft and the first support rod form a transmission mechanism through the first gear, the transmission shaft and the first crawler belt, and the output shaft and the second support rod form a transmission structure through the second crawler belt, so that the servo motor drives the output shaft to rotate to drive the two second gears to synchronously and reversely rotate, so that the limiting plate can extend out of the base body, and the roller arranged on the lower end face of the limiting plate is convenient to move the mechanical arm body;
2. when the second gear rotates to drive the limiting plate to withdraw the base body, the mounting plate can stretch out of the base body, the mounting plate is connected with the sucker through the connecting rod, and the sucker is adsorbed on the ground and can be prevented from shaking during the operation of the mechanical arm body.
Drawings
FIG. 1 is a schematic view of the overall front cut structure of the present invention;
FIG. 2 is a schematic view of the internal structure of the base body of the present invention;
FIG. 3 is a schematic view of the distribution structure of the rollers of the present invention;
fig. 4 is a schematic view of the connection structure of the suction cup and the air leakage clamping member of the present invention.
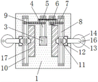
In the figure: 1. a base body; 2. a mechanical arm body; 3. a servo motor; 4. an output shaft; 5. a first gear; 6. a drive shaft; 7. a first track; 8. a first support bar; 9. a second crawler belt; 10. a second support bar; 11. a second gear; 12. mounting a plate; 13. a connecting rod; 14. a suction cup; 15. a spring; 16. air leakage clamping pieces; 17. a limiting plate; 18. and a roller.
Detailed Description
The technical solutions in the embodiments of the present invention will be described clearly and completely with reference to the accompanying drawings in the embodiments of the present invention, and it is obvious that the described embodiments are only some embodiments of the present invention, not all embodiments. Based on the embodiments in the present invention, all other embodiments obtained by a person skilled in the art without creative work belong to the protection scope of the present invention.
Referring to fig. 1-4, the present invention provides a technical solution: an anti-shaking floor type mechanical arm mounting and supporting base comprises a base body 1, a mechanical arm body 2, a servo motor 3, an output shaft 4, a first gear 5, a transmission shaft 6, a first crawler 7, a first supporting rod 8, a second crawler 9, a second supporting rod 10, a second gear 11, a mounting plate 12, a connecting rod 13, a sucker 14, a spring 15, an air leakage clamping piece 16, a limiting plate 17 and a roller 18, wherein the mechanical arm body 2 is fixedly mounted on the upper end face of the base body 1, the servo motor 3 is fixedly arranged in the middle of the base body 1, the output shaft 4 is fixedly connected to the end portion of the servo motor 3, the output shaft 4 is connected with the transmission shaft 6 through the first gear 5, the transmission shaft 6 is mounted inside the base body 1 in a bearing mode, the transmission shaft 6 is connected with the first supporting rod 8 through the first crawler 7, and the first supporting rod 8 is mounted on the right side inside the base, output shaft 4 passes through second track 9 and second bracing piece 10 interconnect, and second bracing piece 10 bearing installation is in base body 1's inside left side, and the outside of second bracing piece 10 and first bracing piece 8 all overlaps and is equipped with second gear 11, one side activity of second gear 11 is provided with mounting panel 12, and mounting panel 12 movable mounting is in base body 1's inside both sides, and mounting panel 12 passes through connecting rod 13 and sucking disc 14 interconnect, sucking disc 14 passes through spring 15 and gas leakage fastener 16 interconnect, and gas leakage fastener 16 activity runs through in the surface of sucking disc 14.
Output shaft 4 constitutes drive mechanism through first gear 5, transmission shaft 6 and first track 7 and first bracing piece 8, and first bracing piece 8 and second bracing piece 10 set up about base body 1's the central axis symmetry, and be coaxial setting between first bracing piece 8 and second bracing piece 10 and second gear 11, output shaft 4 is rotatory can drive the synchronous reverse movement of first bracing piece 8 and second bracing piece 10, thereby makes the synchronous reverse movement of second gear 11 of both sides.
The opposite side activity of second gear 11 is provided with limiting plate 17, and limiting plate 17 movable mounting is in base body 1's inside both sides, and the activity of the lower terminal surface of limiting plate 17 is provided with gyro wheel 18, the avris of mounting panel 12 and limiting plate 17 all is provided with the serration structure of indent, and be meshing connection between mounting panel 12 and limiting plate 17 all and the second gear 11, and mounting panel 12 and limiting plate 17 all set up about base body 1's the central axis symmetry, mounting panel 12 and limiting plate 17 all and the sliding connection who is the block between base body 1, and be fixed connection between mounting panel 12 and the connecting rod 13, and be connected for rotating between limiting plate 17 and the gyro wheel 18, make mounting panel 12 and limiting plate 17 only one can stretch out outside base body 1, thereby the convenience is removed or is firm arm body 2.
The sucking disc 14 passes through the sliding connection for the block between spring 15 and the gas leakage fastener 16, and gas leakage fastener 16 sets up to middle part open-ended hollow column structure to the junction of sucking disc 14 and gas leakage fastener 16 sets up to the elastic rubber material, can make sucking disc 14 and ground lose closely to laminate, conveniently withdraws sucking disc 14.
The working principle is as follows: when the anti-shaking floor type mechanical arm is used for mounting a supporting base, according to the figures 1-4, when a mechanical arm body 2 needs to be moved, as shown in figure 2, a servo motor 3 is started, the servo motor 3 works to drive an output shaft 4 to rotate, the output shaft 4 forms a transmission mechanism with a first supporting rod 8 through a first gear 5, a transmission shaft 6 and a first crawler 7, and the output shaft 4 forms a transmission mechanism with a second supporting rod 10 through a second crawler 9, so that the output shaft 4 rotates to drive the first supporting rod 8 and the second supporting rod 10 to synchronously and reversely rotate, a second gear 11 is fixedly sleeved on the outer sides of the first supporting rod 8 and the second supporting rod 10, so that the second gears 11 on the two sides synchronously rotate in the same direction, as shown in figure 1, the second gear 11 is in meshed connection with a mounting plate 12 and a limiting plate 17, and the second gear 11 and the mounting plate 12 are in sliding connection with the base body 1 in a clamping manner, the second gear 11 rotates to enable the limiting plate 17 to extend out of the base body 1, as shown in fig. 3, rollers 18 are movably mounted on two sides of the limiting plate 17, so that the limiting plate 17 extends out to facilitate the movement of the base body 1 and the mechanical arm body 2;
as shown in fig. 1, when the mechanical arm body 2 works, the servo motor 3 is started to drive the second gear 11 to drive the limiting plate 17 to withdraw the base body 1, and simultaneously the mounting plate 12 extends out of the base body 1, the mounting plate 12 is connected with the sucker 14 through the connecting rod 13, so that the mounting plate 12 extends out to enable the sucker 14 to be tightly attached to the ground, thereby preventing the mechanical arm body 2 from shaking, as shown in fig. 4, the air leakage clamping piece 16 is connected with the sucker 14 through the spring 15, under the elastic action of the spring 15, the sealing performance of the sucker 14 can be kept, the sucker 14 can be lost to be tightly attached to the ground by pulling the air leakage clamping piece 16, and the sucker 14 can be conveniently packed up.
Although the present invention has been described in detail with reference to the foregoing embodiments, it will be apparent to those skilled in the art that modifications may be made to the embodiments or portions thereof without departing from the spirit and scope of the invention.

Claims (6)

1. The utility model provides an anti-rock console mode arm installation support base, includes base body (1), arm body (2) and servo motor (3), its characterized in that: the mechanical arm body (2) is fixedly installed on the upper end face of the base body (1), the servo motor (3) is fixedly arranged in the middle of the base body (1), the output shaft (4) is fixedly connected to the end portion of the servo motor (3), the output shaft (4) is connected with the transmission shaft (6) through the first gear (5), the transmission shaft (6) is installed in the base body (1) in a bearing mode, the transmission shaft (6) is connected with the first supporting rod (8) through the first crawler belt (7) in a mutual mode, the first supporting rod (8) is installed on the right side of the interior of the base body (1) in a bearing mode, the output shaft (4) is connected with the second supporting rod (10) through the second crawler belt (9) in a mutual mode, the second supporting rod (10) is installed on the left side of the interior of the base body (1) in a bearing mode, and the second gear (11) is sleeved on the outer sides of the second supporting rod (10), one side activity of second gear (11) is provided with mounting panel (12), and mounting panel (12) movable mounting in the inside both sides of base body (1) to mounting panel (12) are through connecting rod (13) and sucking disc (14) interconnect, sucking disc (14) are through spring (15) and gas leakage fastener (16) interconnect, and gas leakage fastener (16) activity runs through in the surface of sucking disc (14).
2. The floor type mechanical arm installation and support base capable of preventing shaking as claimed in claim 1, wherein: output shaft (4) constitute drive mechanism through first gear (5), transmission shaft (6) and first track (7) and first bracing piece (8), and first bracing piece (8) and second bracing piece (10) are around the central axis symmetry setting of base body (1), and be coaxial setting between first bracing piece (8) and second bracing piece (10) and second gear (11).
3. The floor type mechanical arm installation and support base capable of preventing shaking as claimed in claim 1, wherein: the other side of the second gear (11) is movably provided with a limiting plate (17), the limiting plate (17) is movably mounted on two sides of the interior of the base body (1), and a roller (18) is movably arranged on the lower end face of the limiting plate (17).
4. The floor type mechanical arm installation and support base capable of preventing shaking as claimed in claim 3, wherein: the avris of mounting panel (12) and limiting plate (17) all is provided with the sawtooth structure of indent, and mounting panel (12) and limiting plate (17) all with second gear (11) between be the meshing connection to mounting panel (12) and limiting plate (17) all set up about the central axis symmetry of base body (1).
5. The floor type mechanical arm installation and support base capable of preventing shaking as claimed in claim 3, wherein: mounting panel (12) and limiting plate (17) all with base body (1) between be the sliding connection of block, and be fixed connection between mounting panel (12) and connecting rod (13) to be connected for rotating between limiting plate (17) and gyro wheel (18).
6. The floor type mechanical arm installation and support base capable of preventing shaking as claimed in claim 1, wherein: the sucker (14) is in sliding connection with the air leakage clamping piece (16) through a spring (15) in a clamping mode, the air leakage clamping piece (16) is of a hollow structure with an opening in the middle, and the joint of the sucker (14) and the air leakage clamping piece (16) is made of elastic rubber.
CN202020427904.3U 2020-03-30 2020-03-30 Floor type mechanical arm mounting and supporting base capable of preventing shaking Active CN211867865U (en)

Priority Applications (1)

Application Number Priority Date Filing Date Title
CN202020427904.3U CN211867865U (en) 2020-03-30 2020-03-30 Floor type mechanical arm mounting and supporting base capable of preventing shaking

Applications Claiming Priority (1)

Application Number Priority Date Filing Date Title
CN202020427904.3U CN211867865U (en) 2020-03-30 2020-03-30 Floor type mechanical arm mounting and supporting base capable of preventing shaking

Publications (1)

Publication Number Publication Date
CN211867865U true CN211867865U (en) 2020-11-06

Family

ID=73256315

Family Applications (1)

Application Number Title Priority Date Filing Date
CN202020427904.3U Active CN211867865U (en) 2020-03-30 2020-03-30 Floor type mechanical arm mounting and supporting base capable of preventing shaking

Country Status (1)

Country Link
CN (1) CN211867865U (en)

Cited By (1)

* Cited by examiner, † Cited by third party
Publication number Priority date Publication date Assignee Title
CN115302539A (en) * 2022-08-01 2022-11-08 苏州赛福德自动化科技有限公司 Industrial explosion-proof robot

Cited By (1)

* Cited by examiner, † Cited by third party
Publication number Priority date Publication date Assignee Title
CN115302539A (en) * 2022-08-01 2022-11-08 苏州赛福德自动化科技有限公司 Industrial explosion-proof robot

Similar Documents

Publication Publication Date Title
CN106003009B (en) A kind of separated axis synchrodrive tool hand
CN111306424B (en) A 3D Laser Scanner for Building Models of Ancient Buildings
CN211867865U (en) Floor type mechanical arm mounting and supporting base capable of preventing shaking
CN217371490U (en) Clamping device for fixing horizontal and vertical tails of airplane
CN112265421A (en) An amphibious robot based on gear transmission
CN211801848U (en) Paint spraying apparatus is used in processing of building blocks toy
CN211938233U (en) Industrial dust remover
CN111956133A (en) Automatic clear up ceramic tile surface cement spot equipment
CN111115104A (en) Make things convenient for mechanical equipment to remove and adjust horizontally erection equipment
CN118357829A (en) Wind power blade polishing device convenient to position and install and use method
CN213104580U (en) High temperature disk seat bush side opening processingequipment
CN206231480U (en) It is a kind of based on double leval jib without revolution divertical motion device
CN211192634U (en) Rotary arm support of welding robot
CN213764708U (en) Steel structure welding device
CN214643466U (en) Machining workstation with adjustable
CN213352503U (en) Rotary worktable for robot machining
CN209380119U (en) A kind of robot three-shaft linkage turnover device
CN222475968U (en) Steam turbine rotor hoisting accessory
CN215149137U (en) Mechanical grabbing arm convenient to move
CN215036630U (en) Full-automatic feeding mechanism is used in emery wheel production
CN215908324U (en) Novel worm gear and worm transmission mechanism
CN220459296U (en) Water sucking machine capable of randomly adjusting water sucking target head
CN223326024U (en) Polishing mechanism for field construction of oilfield movable house
CN218138105U (en) Six-shaft manipulator for composite board production
CN218293643U (en) Coal mining is with dust removal atomizer convenient to remove

Legal Events

Date Code Title Description
GR01 Patent grant
GR01 Patent grant
TR01 Transfer of patent right
TR01 Transfer of patent right

Effective date of registration: 20231207

Address after: 241000 No. 19 Weisi Road, Jiujiang Economic Development Zone, Wuhu City, Anhui Province

Patentee after: Wuhu jiaoka Robot Technology Co.,Ltd.

Address before: 315191 721 Yanhu Road, Jiangshan Town, Yinzhou District, Ningbo, Zhejiang

Patentee before: Ningbo Maika Robot Technology Co.,Ltd.