CN211803060U - Special-shaped beam forming production line with right-angle steps - Google Patents
Special-shaped beam forming production line with right-angle steps Download PDFInfo
- Publication number
- CN211803060U CN211803060U CN202020332323.1U CN202020332323U CN211803060U CN 211803060 U CN211803060 U CN 211803060U CN 202020332323 U CN202020332323 U CN 202020332323U CN 211803060 U CN211803060 U CN 211803060U
- Authority
- CN
- China
- Prior art keywords
- production line
- corners
- steps
- wall height
- height
- Prior art date
- Legal status (The legal status is an assumption and is not a legal conclusion. Google has not performed a legal analysis and makes no representation as to the accuracy of the status listed.)
- Active
Links
- 238000004519 manufacturing process Methods 0.000 title claims abstract description 29
- 238000010438 heat treatment Methods 0.000 claims abstract description 31
- 238000007493 shaping process Methods 0.000 claims abstract description 23
- 230000007246 mechanism Effects 0.000 claims abstract description 21
- 238000001816 cooling Methods 0.000 claims abstract description 18
- 239000000463 material Substances 0.000 claims abstract description 18
- 229910000831 Steel Inorganic materials 0.000 claims description 27
- 239000010959 steel Substances 0.000 claims description 27
- 238000005096 rolling process Methods 0.000 claims description 15
- 238000003856 thermoforming Methods 0.000 claims description 13
- 238000005520 cutting process Methods 0.000 claims description 8
- 238000000641 cold extrusion Methods 0.000 claims description 7
- 238000006243 chemical reaction Methods 0.000 claims 1
- 238000005097 cold rolling Methods 0.000 abstract description 14
- 238000000034 method Methods 0.000 abstract description 10
- 206010066054 Dysmorphism Diseases 0.000 abstract description 3
- 238000005516 engineering process Methods 0.000 abstract description 3
- 239000000047 product Substances 0.000 description 28
- 238000005098 hot rolling Methods 0.000 description 13
- 238000002360 preparation method Methods 0.000 description 4
- 230000008569 process Effects 0.000 description 4
- 238000000465 moulding Methods 0.000 description 3
- 230000002035 prolonged effect Effects 0.000 description 3
- 238000004364 calculation method Methods 0.000 description 2
- 238000010586 diagram Methods 0.000 description 2
- 230000007704 transition Effects 0.000 description 2
- XLYOFNOQVPJJNP-UHFFFAOYSA-N water Substances O XLYOFNOQVPJJNP-UHFFFAOYSA-N 0.000 description 2
- 238000005452 bending Methods 0.000 description 1
- 230000008859 change Effects 0.000 description 1
- 230000000694 effects Effects 0.000 description 1
- 239000007921 spray Substances 0.000 description 1
- 239000013589 supplement Substances 0.000 description 1
- 230000009466 transformation Effects 0.000 description 1
- 239000002699 waste material Substances 0.000 description 1
- 238000004065 wastewater treatment Methods 0.000 description 1
Images
Landscapes
- Metal Rolling (AREA)
- Bending Of Plates, Rods, And Pipes (AREA)
Abstract
A special-shaped beam forming production line with right-angle steps is characterized by comprising a feeding device (1), a primary forming roller unit (2), a heating device (3), a thermal forming roller mechanism (4), a cooling device (5), a shaping device (6) and a correcting device (7). The utility model discloses full play cold characteristics of pricking technology, creatively simultaneously with the hot forming technique use cold rolling production line on, solved the rapid prototyping problem of dysmorphism closed angle class part, it is fast to have the shaping, of high quality, with low costs, the characteristics of practicing thrift raw and other materials.
Description
Technical Field
The utility model relates to a cold rolling technique, especially a technique with cold rolling and the complicated special-shaped cross-section girder steel of hot rolling looks structure preparation, specifically speaking are take special-shaped roof beam shaping production line of right angle step.
Background
At present, in some large electromechanical products, such as the bottom beam of the high-speed rail vehicle shown in fig. 1, not only the length is longer, generally more than 10 meters, but also one side edge of the bottom beam is provided with a step body so as to be convenient for overlapping other components, the upper surface is an inclined surface, the two sides are unequal in height, most importantly, the included angle between the two sides and the upper surface is required to be a right angle or a sharp angle, the included angle cannot be radian, and the thickness of the bottom beam is not more than 10 millimeters. If the section with the special structure is formed by hot rolling, the thickness of the section is not suitable for hot rolling, and the section is mechanically removed after hot rolling, so that the preparation period is long, the material waste is serious, the cost is too high, and a sharp-angled or right-angled structure cannot be processed by hot rolling. Therefore, the hot rolling process is not sufficient, and if cold rolling forming is adopted, because the plate bending process must have circular arc transition, sharp corner forming cannot be realized, and meanwhile, the step surface cannot be formed by cold rolling, the cold rolling technology is also not sufficient. Therefore, it is urgently needed to develop a new forming device to solve the processing problem of the parts with complex structures.
SUMMERY OF THE UTILITY MODEL
The utility model aims at designing a take heterotypic roof beam shaping production line of right angle step that has combined cold rolling and thermoforming technique to the long strip shape plate beam of heterotypic thin wall can not hot rolling shaping again.
The technical scheme of the utility model is that:
the utility model provides a take heterotypic roof beam shaping production line of right angle step, its characterized by includes:
the feeding device 1 is used for feeding the cut steel plate material into a production line;
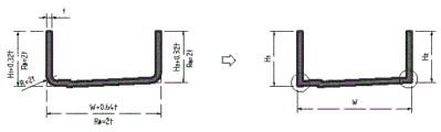
a primary forming roll set 2, the primary forming roll set 2 is used for rolling the flat-plate-shaped strip into shapes similar to the left, right and lower bottom edges of a finished civil beam; the height of the rolled edge is controlled to be H1+0.32t of the wall height of the side with the step, H1 is the theoretical height of the finished product, t is the wall thickness of the finished product, H2+0.32t of the wall height of the side without the step, H2 is the theoretical height of the finished product, the width of the bottom edge is controlled to be W +0.64t, and W is the theoretical width of the finished product;
the heating device 3 is used for locally heating two corners with circular arcs of the beam plate after primary forming, so that the temperature of the circular corners reaches the plastic deformation temperature, and a foundation is laid for the flow of a lower material;
the hot forming roller mechanism 4 is used for extruding two arc corners of the beam plate in a heating state, and enabling materials at the arc corners to flow to form a right-angle shape while forming a step body;
the cooling device 5 is used for cooling the hot-formed beam, eliminating thermal deformation and recovering to a normal temperature state;
a shaping device 6, wherein the shaping device 6 is used for integrating the size and the shape of the cooled beam slab to meet the size requirement;
and the correcting device 7 is used for correcting the shaped beam plate in the length direction and is used as a basis for subsequent cutting judgment.
The heating device 3 is an intermediate frequency heating furnace, and the heating temperature is 950 ℃ and 1100 ℃.
The heating temperature of the intermediate frequency heating furnace is 1050 ℃.
The thermoforming roller mechanism 4 comprises three groups, the first group of thermoforming roller mechanism 4 controls the wall height of the side with steps to be H1+0.32t, H1 is the theoretical height of a finished product, t is the wall thickness of the finished product, the wall height of the side without steps is H2+0.32t, H2 is the theoretical height of the finished product, the width of the bottom side is W +0.64t, W is the theoretical width of the finished product, the corner radius of two corners is controlled to be 2t, the second group of thermoforming roller mechanism 4 controls the wall height of the side with steps to be H1+0.16t, the wall height of the side without steps to be H2+0.16t, H2 is the theoretical height of the finished product, the width of the bottom side is W +0.32t, the corner radius of two corners is controlled to be t, and the third group of thermoforming roller mechanism 4 controls the wall height of the side with steps to be H1, the wall height of the side without steps to be H2, the width of the bottom side is W, and arcs of the corners of the two corners are eliminated.
The number of the shaping rollers is three, so that cooling deformation is eliminated, the rebound time of the profile is prolonged and restrained, and the size of the profile is kept.
The primary forming roller set 2 is composed of six groups of cold extrusion rollers, and the six groups of cold extrusion rollers gradually adjust the warping angles of two side edges of the steel strip to finally realize that the plane steel strip becomes the steel strip with a groove.
The utility model has the advantages that:
the utility model discloses full play cold characteristics of pricking technology, creatively simultaneously with the hot forming technique use cold rolling production line on, solved the rapid prototyping problem of dysmorphism closed angle class part, it is fast to have the shaping, of high quality, with low costs, the characteristics of practicing thrift raw and other materials.
The utility model discloses a heat altered shape has realized the flow of material, supplements the interior arc material to outer arc department and has realized the closed angle and handle, utilizes the hot rolling forming roll to realize the rapid prototyping of dysmorphism face.
The utility model discloses the small investment, it is fast to take effect, only needs add the heating on former cold rolling production line and put cooling apparatus, can realize the transformation of production line. And the used roller can be repeatedly used by repairing (changing a large angle into a small angle).
Drawings
Fig. 1 is a schematic sectional structure view of a molded product according to an embodiment of the present invention.
Fig. 2 is a schematic diagram of the steel strip cold rolling forming process of the present invention.
Fig. 3 is a layout diagram of the cold rolling forming roller of the present invention.
Fig. 4 is a schematic layout view of the hot-rolling forming roll of the present invention.
Fig. 5 is a schematic view of the hot rolled first and last formed products of the present invention.
Fig. 6 is a schematic view of the assembly line of the present invention.
Detailed Description
The present invention will be further described with reference to the accompanying drawings and examples.
As shown in fig. 1-6.
The utility model provides a take special-shaped roof beam shaping production line of right angle step, the cross-sectional structure of special-shaped roof beam is as shown in figure 1, and its relation is that two corners require for the right angle, for this reason, the utility model designs a production line as shown in figure 6, this production line includes:
the feeding device 1 is used for feeding the cut steel plate material into a production line; the structure of the feeding device 1 is completely the same as that of the prior art, and the feeding device can be directly realized by adopting a cold extrusion production line in the prior art;
a primary forming roll set 2, the primary forming roll set 2 is used for rolling the flat-plate-shaped strip into shapes similar to the left, right and lower bottom edges of a finished civil beam; the height of the rolled edge is controlled to be H1+0.32t of the wall height of the side with the step, H1 is the theoretical height of the finished product, t is the wall thickness of the finished product, H2+0.32t of the wall height of the side without the step, H2 is the theoretical height of the finished product, the width of the bottom edge is controlled to be W +0.64t, and W is the theoretical width of the finished product; the primary forming roller set 2 is composed of six groups of cold extrusion rollers, and the six groups of cold extrusion rollers gradually adjust the warping angles of two side edges of the steel strip to finally realize that the plane steel strip becomes the steel strip with a groove. The rolling roller structure used by each group of primarily-formed rolling mill units is shown in figure 3;
the heating device 3 is used for locally heating two corners with circular arcs of the beam plate after primary forming, so that the temperature of the circular corners reaches the plastic deformation temperature, and a foundation is laid for the flow of a lower material; the heating device 3 generally adopts an intermediate frequency heating furnace, the heating temperature is 950 ℃ and 1100 ℃, and the optimal heating temperature is 1050 ℃.
The hot forming roller mechanism 4 is used for extruding two arc corners of the beam plate in a heating state, and enabling materials at the arc corners to flow to form a right-angle shape while forming a step body; the thermoforming roller mechanism 4 comprises three groups, the first group of thermoforming roller mechanism 4 controls the wall height of the side with steps to be H1+0.32t, H1 is the theoretical height of a finished product, t is the wall thickness of the finished product, the wall height of the side without steps is H2+0.32t, H2 is the theoretical height of the finished product, the width of the bottom side is W +0.64t, W is the theoretical width of the finished product, the corner radius of two corners is controlled to be 2t, the second group of thermoforming roller mechanism 4 controls the wall height of the side with steps to be H1+0.16t, the wall height of the side without steps to be H2+0.16t, H2 is the theoretical height of the finished product, the width of the bottom side is W +0.32t, the corner radius of two corners is controlled to be t, and the third group of thermoforming roller mechanism 4 controls the wall height of the side with steps to be H1, the wall height of the side without steps to be H2, the width of the bottom side is W, and arcs of the corners of the two corners are eliminated. The structure of the hot forming roll mechanism is shown in fig. 4.
The cooling device 5 is used for cooling the hot-formed beam, eliminating thermal deformation and recovering to a normal temperature state; the cooling device 5 can adopt a conventional water cooling device, such as spray cooling, and is mainly used for well performing wastewater treatment and environment protection;
a shaping device 6, wherein the shaping device 6 is used for integrating the size and the shape of the cooled beam slab to meet the size requirement; the number of the shaping rollers is three, so that cooling deformation is eliminated, the rebound time of the profile is prolonged and restrained, and the size of the profile is kept. The shape and the configuration of the roller mechanism are similar to those of the roller mechanism 4 of the hot forming roller mechanism; the evolution of the profile change of the material throughout the forming process is shown in fig. 2.
And the correcting device 7 is used for correcting the shaped beam plate in the length direction and is used as a basis for subsequent cutting judgment. The correcting and cutting device is completely the same as the correcting and cutting device used on the existing production line and can be directly adopted.
The utility model discloses a use method of production line is:
a molding production process of a special-shaped beam with right-angle steps takes a product shown in figure 1 as an example, and the final molding is carried out on a production line shown in figure 6, and the molding production process comprises seven steps of material preparation, cold rolling, heating, hot rolling, cooling, shaping and correcting, and specifically comprises the following steps:
the first step, blanking, cutting the steel strip coil into steel strip coils with required width according to the size and the loss of a final formed product; the cutting equipment can be carried out by adopting the existing uncoiling equipment; the material preparation is completed, the material width can be obtained through conventional calculation, and the calculation is carried out by adopting the principle that the volume is unchanged.
Secondly, putting the cut steel strip coil on a frame, and placing the cut steel strip coil on a feeding machine at the starting end of a cold rolling production line through a coiling machine;
thirdly, enabling the steel strip to enter a first group of cold rolls through an unreeling machine or a traction machine, utilizing the rolling pressure of the cold rolls to enable two sides of the steel strip to be upwards tilted by 20 degrees at a set position, and enabling the steel strip to enter a second group of cold rolls;
fourthly, rolling by a second group of cold rolls to further tilt the two tilted side edges to 40 degrees, and then further rolling in a third group of cold rolls;
fifthly, rolling by a third group of cold rolls to further tilt the two side edges tilted in the fourth step to 60 degrees, and then further rolling in a fourth group of cold rolls;
sixthly, rolling by a fourth group of cold rolls to further tilt the two side edges tilted in the fifth step to 75 degrees, and then further rolling in a fifth group of cold rolls;
seventhly, rolling by a fifth group of cold rolls to further tilt the two side edges tilted in the sixth step to 80 degrees, and then further rolling in a sixth group of cold rolls;
eighthly, rolling by a sixth group of cold rolling rolls to further tilt the two side edges tilted in the seventh step to 89 degrees, wherein 89 degrees are adopted to reserve a deformation space for subsequent hot forming, angle changes in the third step to the 8 th step are shown in fig. 2, particularly the angle changes of an initial angle, an intermediate transition angle and a final angle can be adjusted according to specific implementation conditions, the upper and lower groups of four groups of rolls used in the process are basically different, and the difference is that the angle of a side roll is changed, as shown in fig. 3. Then the steel strip enters an intermediate frequency heater for heating, preferably, the steel strip is locally heated at a right angle, namely, the steel strip is mainly heated at a circle in the figure 4, and the heating temperature is controlled to be near the plastic deformation temperature of the steel strip; the heating temperature of the intermediate frequency heating furnace is 950 ℃ and 1100 ℃, and the optimal heating temperature is 1050 ℃;
the ninth step, the heated steel strip is sent into a group of high temperature resistant hot forming rollers for hot rolling forming, the required step surface and right angle are formed through the structural design of the hot rolling rollers, and the arc angle formed in the seventh step is pressed into a right angle through plastic deformation; as shown in fig. 4 and 5, the hot forming roll is composed of three groups, the first group of hot forming rolls controls the wall height of the side with steps to be H1+0.32t, H1 is the theoretical height of the finished product, t is the wall thickness of the finished product, the wall height of the side without steps H2+0.32t, H2 is the theoretical height of the finished product, the width of the bottom side is W +0.64t, W is the theoretical width of the finished product, and the corner radius of two corners is controlled to be 2t at the same time, the second group of hot forming rolls controls the wall height of the side with steps to be H1+0.16t, the wall height of the side without steps H2+0.16t, H2 is the theoretical height of the finished product, the width of the bottom side is W +0.32t while the corner radius of two corners is controlled to be t, and the third group of hot forming rolls controls the wall height of the side with steps to be H1, the wall height of the side without steps H2, the bottom side width is controlled to be W;
step ten, the section bar which is subjected to hot rolling forming is sent into a water cooling device for cooling so as to recover the size of the steel strip to the size at the normal temperature;
step ten, feeding the cooled section into a shaping roller for shaping, so that the shape and the size of the section are maintained; the number of the shaping rollers is three, so that cooling deformation is eliminated, the rebound time of the profile is prolonged and restrained, and the dimension of the profile is kept.
And finally, enabling the shaped section bar to enter a correction mechanism to perform distortion correction in the length direction, and then cutting to obtain the special-shaped beam with the right-angle steps shown in the figure 1.
The utility model discloses the part that does not relate to all is the same with prior art or can adopt prior art to realize.
Claims (6)
1. The utility model provides a take heterotypic roof beam shaping production line of right angle step, its characterized by includes:
the feeding device (1) is used for feeding the cut steel plate material into a production line;
the primary forming roll set (2) is used for rolling the flat-plate-shaped strip into shapes similar to the left, right and lower bottom edges of a finished civil beam; the height of the rolled edge is controlled to be H1+0.32t of the wall height of the side with the step, H1 is the theoretical height of the finished product, t is the wall thickness of the finished product, H2+0.32t of the wall height of the side without the step, H2 is the theoretical height of the finished product, the width of the bottom edge is controlled to be W +0.64t, and W is the theoretical width of the finished product;
the heating device (3) is used for locally heating two corners with circular arcs of the beam plate after primary forming, so that the temperature of the circular corners reaches the plastic deformation temperature, and a foundation is laid for the flow of a lower material;
the hot forming roller mechanism (4) is used for extruding two arc corners of the beam plate in a heating state, and enabling materials at the arc corners to flow to form a right-angle shape while forming a step body;
the cooling device (5) is used for cooling the hot-formed beam, eliminating thermal deformation and recovering to a normal temperature state;
a shaping device (6), wherein the shaping device (6) is used for integrating the size and the shape of the cooled beam slab to meet the size requirement;
and the correcting device (7) is used for correcting the shaped beam plate in the length direction and is used as a basis for subsequent cutting judgment.
2. The production line as claimed in claim 1, wherein the heating device (3) is an intermediate frequency heating furnace, and the heating temperature is 950 ℃ and 1100 ℃.
3. The production line as claimed in claim 2, wherein the heating temperature of the intermediate frequency heating furnace is 1050 ℃.
4. The production line as claimed in claim 1, wherein said thermoforming roll mechanism (4) is composed of three groups, the first group of thermoforming roll mechanism (4) controls the wall height of the side with steps, the wall height of the side without steps, the bottom edge width and the corner radius of two corners to reach the parameters reached by the preforming roll set (2), the second group of thermoforming roll mechanism (4) controls the wall height of the side with steps to be H1+0.16t, the wall height of the side without steps to be H2+0.16t, the bottom edge width to be W +0.32t and the corner radius of two corners to be t, and the third group of thermoforming roll mechanism (4) controls the wall height of the side with steps to be H1, the wall height of the side without steps to be H2, the bottom edge width to be W and simultaneously eliminates the corner arc of two corners.
5. A production line as claimed in claim 1, characterised in that the shaping devices (6) comprise three sets of shaping rollers, which on the one hand eliminate the cooling distortion and on the other hand prolong the rebound time of the profile to maintain its dimensions.
6. The production line of claim 1, wherein the primary forming roll unit (2) comprises six groups of cold extrusion rolls, and the six groups of cold extrusion rolls gradually adjust the warping angles of the two side edges of the steel strip to finally realize the conversion of the planar steel strip into the grooved steel strip.
Applications Claiming Priority (2)
| Application Number | Priority Date | Filing Date | Title |
|---|---|---|---|
| CN201922208924 | 2019-12-11 | ||
| CN2019222089241 | 2019-12-11 |
Publications (1)
| Publication Number | Publication Date |
|---|---|
| CN211803060U true CN211803060U (en) | 2020-10-30 |
Family
ID=73012633
Family Applications (1)
| Application Number | Title | Priority Date | Filing Date |
|---|---|---|---|
| CN202020332323.1U Active CN211803060U (en) | 2019-12-11 | 2020-03-17 | Special-shaped beam forming production line with right-angle steps |
Country Status (1)
| Country | Link |
|---|---|
| CN (1) | CN211803060U (en) |
Cited By (1)
| Publication number | Priority date | Publication date | Assignee | Title |
|---|---|---|---|---|
| CN111151573A (en) * | 2019-12-11 | 2020-05-15 | 江苏顺力冷弯型钢实业有限公司 | A special-shaped beam forming production line with right-angle steps |
-
2020
- 2020-03-17 CN CN202020332323.1U patent/CN211803060U/en active Active
Cited By (1)
| Publication number | Priority date | Publication date | Assignee | Title |
|---|---|---|---|---|
| CN111151573A (en) * | 2019-12-11 | 2020-05-15 | 江苏顺力冷弯型钢实业有限公司 | A special-shaped beam forming production line with right-angle steps |
Similar Documents
| Publication | Publication Date | Title |
|---|---|---|
| CN102728707B (en) | Roll-bending method and device for hat-shaped profile with variable cross-section | |
| CN103978030B (en) | The production process equipment of a kind of three side spiral with ribbing | |
| CN111229860A (en) | Method for forming vehicle sharp-corner square tube | |
| CN201537814U (en) | Tailored welded blank roll forming device | |
| CN102489958B (en) | Process and equipment for manufacturing wide-width magnesium alloy plate in coils | |
| CN102615223A (en) | Method for simultaneously rolling and expanding two trapezoid-cross-section flange ring forge pieces | |
| CN208495433U (en) | A kind of cold and hot combined shaping square and rectangular pipe formation system that corner thickens | |
| CN102430575B (en) | Process and device for flattening W-like arc-shaped magnesium alloy blank plate | |
| CN103599927A (en) | Hot rolling titanium plate production method and system | |
| CN111151573A (en) | A special-shaped beam forming production line with right-angle steps | |
| CN103643756A (en) | Double-metal-clad-plate curtain wall and processing technology and dies thereof | |
| CN102229044B (en) | Wide magnesium alloy ultra-thin plate continuous extrusion device and method | |
| CN110726064A (en) | Corner thickened cold-hot composite molded square rectangular steel pipe and preparation method thereof | |
| CN211803060U (en) | Special-shaped beam forming production line with right-angle steps | |
| CN103042034A (en) | Method and die for preparing magnesium alloy board with multistage continuous corner cutting deformation | |
| CN110665962B (en) | Pass system and rolling method of narrow-flange asymmetric steel rail beam hot rolling mill | |
| JP5237573B2 (en) | Aluminum alloy sheet, sheet, and method for producing molded member | |
| CN211804668U (en) | Vehicle closed angle square tube production line | |
| CN111229828A (en) | Forming method of special-shaped beam with right-angle steps | |
| CN105689390A (en) | Method for rolling section steel semi-continuously by using compact type universal rolling mills | |
| CN110722015A (en) | A cold and hot composite forming system for forming square and rectangular tubes with thickened corners | |
| CN104625654A (en) | Production method for unequal thickness U rib formation | |
| CN111168338A (en) | Vehicle closed angle square tube production line | |
| CN203817045U (en) | Production technological arrangement for screw-thread steel bar with three ribbed sides | |
| CN110142292B (en) | Rolling method and rolling system of closed section steel |
Legal Events
| Date | Code | Title | Description |
|---|---|---|---|
| GR01 | Patent grant | ||
| GR01 | Patent grant | ||
| PE01 | Entry into force of the registration of the contract for pledge of patent right |
Denomination of utility model: A production line for forming special-shaped beams with right angle steps Effective date of registration: 20230419 Granted publication date: 20201030 Pledgee: Bank of Nanjing Co.,Ltd. Jiangning sub branch Pledgor: JIANGSU SHUNLI COLD-FORMED STEEL INDUSTRIAL CO.,LTD. Registration number: Y2023980038439 |
|
| PE01 | Entry into force of the registration of the contract for pledge of patent right |