CN211769714U - 一种轮盘卷取机变径缸在线更换工具 - Google Patents
一种轮盘卷取机变径缸在线更换工具 Download PDFInfo
- Publication number
- CN211769714U CN211769714U CN201922308288.XU CN201922308288U CN211769714U CN 211769714 U CN211769714 U CN 211769714U CN 201922308288 U CN201922308288 U CN 201922308288U CN 211769714 U CN211769714 U CN 211769714U
- Authority
- CN
- China
- Prior art keywords
- frame
- reducing cylinder
- roller
- combined
- tool
- Prior art date
- Legal status (The legal status is an assumption and is not a legal conclusion. Google has not performed a legal analysis and makes no representation as to the accuracy of the status listed.)
- Active
Links
- 229910000831 Steel Inorganic materials 0.000 claims description 9
- 239000010959 steel Substances 0.000 claims description 9
- 238000009434 installation Methods 0.000 claims description 4
- 238000000034 method Methods 0.000 description 6
- 239000003638 chemical reducing agent Substances 0.000 description 2
- 238000000926 separation method Methods 0.000 description 2
- 230000009286 beneficial effect Effects 0.000 description 1
- 238000004364 calculation method Methods 0.000 description 1
- 238000005097 cold rolling Methods 0.000 description 1
- 238000007796 conventional method Methods 0.000 description 1
- 238000010586 diagram Methods 0.000 description 1
- 230000005484 gravity Effects 0.000 description 1
- 238000012423 maintenance Methods 0.000 description 1
- 230000004048 modification Effects 0.000 description 1
- 238000012986 modification Methods 0.000 description 1
- 238000003032 molecular docking Methods 0.000 description 1
- 238000005096 rolling process Methods 0.000 description 1
Images
Landscapes
- Conveying And Assembling Of Building Elements In Situ (AREA)
Abstract
本实用新型涉及一种轮盘卷取机变径缸在线更换工具,包括组合式框架、滚轮、连接件及吊耳;所述组合式框架通过连接件可拆卸地组合在一起,组合式框架用于套设在变径缸的外侧,组合式框架内沿变径缸周向设有多个滚轮,各滚轮分别与变径缸的外表面接触;组合式框架的顶部设吊耳。本实用新型通过在线更换工具将变径缸吊起并转动,实现变径缸与拉杆丝扣脱开,其结构简单,使用方便,大大降低了劳动强度,提升了作业效率。
Description
技术领域
本实用新型涉及设备维修技术领域,尤其涉及一种轮盘卷取机变径缸在线更换工具。
背景技术
冷轧联合机组轮盘卷取机中的变径缸更换时,由于变径缸的吨位较大,在其与光杠对接过程中需要进行相对转动,由于光杠为细长部件,且又贯穿于卷取机中心,因此不便旋转;目前通常采用的方法是:将变径缸用吊车吊起后固定,人工盘动卷取机的电机轴,由电机轴带动减速机和卷筒轴一起转动,将变径缸与拉杆之间的丝扣脱开,从而将变径缸拆下或装上;采用这种方式需要8-10小时才能将变径缸拆下或装上,其工作效率低,劳动强度大,占用吊车时间长。
发明内容
本实用新型提供了一种轮盘卷取机变径缸在线更换工具,通过该工具将变径缸吊起并转动,实现变径缸与拉杆丝扣脱开,其结构简单,使用方便,大大降低了劳动强度,提升了作业效率。
为了达到上述目的,本实用新型采用以下技术方案实现:
一种轮盘卷取机变径缸在线更换工具,包括组合式框架、滚轮、连接件及吊耳;所述组合式框架通过连接件可拆卸地组合在一起,组合式框架用于套设在变径缸的外侧,组合式框架内沿变径缸周向设有多个滚轮,各滚轮分别与变径缸的外表面接触;组合式框架的顶部设吊耳。
所述组合式框架是由U形下框及水平上框组成的口字形框架结构,U形下框的2个立边顶部通过连接件与水平上框的两端固定连接;U形下框的横边顶部、水平上框的底部分别设有2个滚轮。
所述连接件为螺栓连接件,由螺栓、螺母及垫圈组成。
所述滚轮通过滚轮支架与U形下框或水平上框连接,滚轮与滚轮支架通过轮轴连接,滚轮能够绕轮轴转动。
所述水平上框底部的2个滚轮对应的滚轮支架与水平上框之间设有螺栓调节机构,用于调节对应滚轮的安装高度。
所述组合式框架由槽钢、方钢或矩形管制成。
与现有技术相比,本实用新型的有益效果是:
1)通过在线更换工具将变径缸吊起并转动,实现变径缸与拉杆丝扣脱开,工具结构简单,使用方便,大大降低了劳动强度,提升了作业效率;
2)与采用将电机轴、减速机和卷筒轴一起转动的方案相比,能够避免多个重型部件旋转存在的安全隐患,防止出现安全事故,提高作业的安全性;
3)作业时间大幅缩短,不需要长时间占用吊车,给轧机区域其他工段创造了良好的作业条件。
附图说明
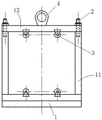
图1是本实用新型所述一种轮盘卷取机变径缸在线更换工具的结构示意图。
图中:1.组合式框架 11.U形下框 12.水平上框 2.连接件 3.滚轮 4.吊耳
具体实施方式
下面结合附图对本实用新型的具体实施方式作进一步说明:
如图1所示,本实用新型所述一种轮盘卷取机变径缸在线更换工具,包括组合式框架1、滚轮3、连接件2及吊耳4;所述组合式框架1通过连接件2可拆卸地组合在一起,组合式框架1用于套设在变径缸的外侧,组合式框架1内沿变径缸周向设有多个滚轮3,各滚轮3分别与变径缸的外表面接触;组合式框架1的顶部设吊耳4。
所述组合式框架1是由U形下框11及水平上框12组成的口字形框架结构,U形下框11的2个立边顶部通过连接件2与水平上框12的两端固定连接;U形下框11的横边顶部、水平上框12的底部分别设有2个滚轮3。
所述连接件2为螺栓连接件,由螺栓、螺母及垫圈组成。
所述滚轮3通过滚轮支架与U形下框11或水平上框12连接,滚轮3与滚轮支架通过轮轴连接,滚轮3能够绕轮轴转动。
所述水平上框12底部的2个滚轮3对应的滚轮支架与水平上框12之间设有螺栓调节机构,用于调节对应滚轮3的安装高度。
所述组合式框架1由槽钢、方钢或矩形管制成。
以下实施例在以本实用新型技术方案为前提下进行实施,给出了详细的实施方式和具体的操作过程,但本实用新型的保护范围不限于下述的实施例。下述实施例中所用方法如无特别说明均为常规方法。
【实施例】
本实施例中,根据待更换变径缸的具体尺寸和重量,确定组合式框架的各部尺寸及结构,通过强度计算,采用100#槽钢制作组合式框架,组合式框架由U形下框及水平上框组成,其中U形下框的2个立边采用单根槽钢制作,一个横边采用2根槽钢上下叠放在一起制成,各连接处均采用满焊,以保证整体强度。
在组合式框架内安装4个滚轮,框架内的上部、下部各安装2个滚轮,其中下部的2滚轮通过滚轮支架固定在U形下框上,上部2个滚轮的安装高度可通过螺栓调节机构进行调节,从而调整滚轮对变径缸的夹紧力,使变径缸与各个滚轮之间既能够充分接触,又能够自由旋转。螺栓调节机构为常规技术,在此不加赘述。
在吊车和更换工具之间利用链式起重机进行高度上的微调,使作业精准率大大提升。
使用时,将在线更换工具固定在变径缸的重心位置,使变径缸在整个拆装过程中始终处于水平状态。在吊车和在线更换工具之间,利用链式起重机对变径缸进行高度上的微调,以提升作业精准率。
以上所述,仅为本实用新型较佳的具体实施方式,但本实用新型的保护范围并不局限于此,任何熟悉本技术领域的技术人员在本实用新型揭露的技术范围内,根据本实用新型的技术方案及其构思加以等同替换或改变,都应涵盖在本实用新型的保护范围之内。
Claims (6)
1.一种轮盘卷取机变径缸在线更换工具,其特征在于,包括组合式框架、滚轮、连接件及吊耳;所述组合式框架通过连接件可拆卸地组合在一起,组合式框架用于套设在变径缸的外侧,组合式框架内沿变径缸周向设有多个滚轮,各滚轮分别与变径缸的外表面接触;组合式框架的顶部设吊耳。
2.根据权利要求1所述的一种轮盘卷取机变径缸在线更换工具,其特征在于,所述组合式框架是由U形下框及水平上框组成的口字形框架结构,U形下框的2个立边顶部通过连接件与水平上框的两端固定连接;U形下框的横边顶部、水平上框的底部分别设有2个滚轮。
3.根据权利要求1或2所述的一种轮盘卷取机变径缸在线更换工具,其特征在于,所述连接件为螺栓连接件,由螺栓、螺母及垫圈组成。
4.根据权利要求2所述的一种轮盘卷取机变径缸在线更换工具,其特征在于,所述滚轮通过滚轮支架与U形下框或水平上框连接,滚轮与滚轮支架通过轮轴连接,滚轮能够绕轮轴转动。
5.根据权利要求4所述的一种轮盘卷取机变径缸在线更换工具,其特征在于,所述水平上框底部的2个滚轮对应的滚轮支架与水平上框之间设有螺栓调节机构,用于调节对应滚轮的安装高度。
6.根据权利要求1所述的一种轮盘卷取机变径缸在线更换工具,其特征在于,所述组合式框架由槽钢、方钢或矩形管制成。
Priority Applications (1)
| Application Number | Priority Date | Filing Date | Title |
|---|---|---|---|
| CN201922308288.XU CN211769714U (zh) | 2019-12-20 | 2019-12-20 | 一种轮盘卷取机变径缸在线更换工具 |
Applications Claiming Priority (1)
| Application Number | Priority Date | Filing Date | Title |
|---|---|---|---|
| CN201922308288.XU CN211769714U (zh) | 2019-12-20 | 2019-12-20 | 一种轮盘卷取机变径缸在线更换工具 |
Publications (1)
| Publication Number | Publication Date |
|---|---|
| CN211769714U true CN211769714U (zh) | 2020-10-27 |
Family
ID=72976836
Family Applications (1)
| Application Number | Title | Priority Date | Filing Date |
|---|---|---|---|
| CN201922308288.XU Active CN211769714U (zh) | 2019-12-20 | 2019-12-20 | 一种轮盘卷取机变径缸在线更换工具 |
Country Status (1)
| Country | Link |
|---|---|
| CN (1) | CN211769714U (zh) |
-
2019
- 2019-12-20 CN CN201922308288.XU patent/CN211769714U/zh active Active
Similar Documents
| Publication | Publication Date | Title |
|---|---|---|
| CN108237503B (zh) | 一种厚板立辊轧机测压丝杆更换装置及方法 | |
| CN211769714U (zh) | 一种轮盘卷取机变径缸在线更换工具 | |
| CN108673434A (zh) | 一种用于机轮拆装的辅助设备 | |
| CN110759232A (zh) | 一种四辊式轧机下支撑辊阶梯板吊装工装及吊装方法 | |
| CN209210234U (zh) | 一种用于冶金大吨位天车可移动的吊装装置 | |
| CN217222968U (zh) | 中厚板轧机万向联轴器的快速安装工具 | |
| CN201817207U (zh) | 中厚板轧机自动厚度控制装置油缸的吊装装置 | |
| CN201313106Y (zh) | 立辊轧机检修专用小车 | |
| CN201455624U (zh) | 一种刷辊支撑架 | |
| CN211591727U (zh) | 一种磁棒式圆网印花机橡毯下托辊拆装装置 | |
| CN208195238U (zh) | 弹簧调整装置 | |
| CN214643273U (zh) | 一种辊道减速机拆卸简易装置 | |
| CN220574334U (zh) | 一种热轧更换衬板用的小车装置 | |
| CN216669914U (zh) | 一种锻件热处理后探伤专用承载机构 | |
| CN221791674U (zh) | 一种可快速更换挤干辊的装置 | |
| CN222758156U (zh) | 一种浮法超薄电子玻璃退火窑辊道轴承在线更换装置 | |
| CN222802717U (zh) | 电机转子拆装辅助装置 | |
| CN206405180U (zh) | 一种易于拆卸安装的炉前辊道架 | |
| CN222607597U (zh) | 一种用于铝箔轧机锥头的拆装装置 | |
| CN106495061A (zh) | 一种钢结构加工用稳定升降装置 | |
| CN206172869U (zh) | 一种板坯辊道电机的更换装置 | |
| CN217227190U (zh) | 一种汽车维修用的车轮毂抓取小车 | |
| CN221537635U (zh) | 一种用于六辊轧机压上缸快速更换的专用车 | |
| CN213970986U (zh) | 大型圆螺母辅助拆装工具 | |
| CN112170540A (zh) | 一种多辊矫直机辊盒翻转装置 |
Legal Events
| Date | Code | Title | Description |
|---|---|---|---|
| GR01 | Patent grant | ||
| GR01 | Patent grant |