CN211661686U - 一种基于膨胀节法兰打磨装置 - Google Patents
一种基于膨胀节法兰打磨装置 Download PDFInfo
- Publication number
- CN211661686U CN211661686U CN202020257564.4U CN202020257564U CN211661686U CN 211661686 U CN211661686 U CN 211661686U CN 202020257564 U CN202020257564 U CN 202020257564U CN 211661686 U CN211661686 U CN 211661686U
- Authority
- CN
- China
- Prior art keywords
- roller frame
- roller
- machine table
- power machine
- grinding
- Prior art date
- Legal status (The legal status is an assumption and is not a legal conclusion. Google has not performed a legal analysis and makes no representation as to the accuracy of the status listed.)
- Expired - Fee Related
Links
- 238000005498 polishing Methods 0.000 title abstract description 35
- 230000001360 synchronised effect Effects 0.000 abstract description 3
- 244000137852 Petrea volubilis Species 0.000 description 1
- 230000009286 beneficial effect Effects 0.000 description 1
- 238000010586 diagram Methods 0.000 description 1
- 238000000034 method Methods 0.000 description 1
- 238000012986 modification Methods 0.000 description 1
- 230000004048 modification Effects 0.000 description 1
Images
Landscapes
- Grinding Of Cylindrical And Plane Surfaces (AREA)
Abstract
本实用新型的目的在于提供一种结构简单,使用方便,能够实现端侧和环侧同步打磨的基于膨胀节法兰打磨装置,包括动力机台、第一打磨辊和第二打磨辊,所述第一打磨辊为两个,所述动力机台上转动安装有用于将管体进行夹紧的夹管盘,所述动力机台上位于所述夹管盘的两侧固定安装有侧板,所述侧板的内侧面通过第一气缸可左右滑移设置有第一辊架,所述第一打磨辊转动安装在所述第一辊架上,所述第一辊架上固定安装有用于驱动所述第一打磨辊转动的电机,所述第一打磨辊的轴线与所述夹管盘的轴线平行,所述动力机台的后方固定安装有L型支架,所述L型支架的下方通过第二气缸可上下滑移设置有第二辊架,所述第二打磨辊转动安装在所述第二辊架上。
Description
技术领域
本实用新型涉及一种打磨装置,具体是一种基于膨胀节法兰打磨装置。
背景技术
膨胀节上的法兰盘与管体大多为一体成型的结构,对其法兰盘的打磨位置包括法兰盘的端侧和环侧,目前,对法兰盘打磨一般采用人工拿砂纸打磨,这样打磨费时费力;或者采用小型电动打磨机打磨,现有的打磨机器只能进行单侧打磨,无法实现法兰盘的端侧和环侧同步打磨,因此,打磨作业效率低下,且在打磨过程中需要对法兰盘及管体进行位置调节,操作不便。
实用新型内容
本实用新型的目的在于提供一种结构简单,使用方便,能够实现端侧和环侧同步打磨的基于膨胀节法兰打磨装置,以解决上述背景技术中提出的问题。
为实现上述目的,本实用新型提供如下技术方案:
一种基于膨胀节法兰打磨装置,包括动力机台、第一打磨辊和第二打磨辊,所述第一打磨辊为两个,所述动力机台上转动安装有用于将管体进行夹紧的夹管盘,所述动力机台上位于所述夹管盘的两侧固定安装有侧板,所述侧板的内侧面通过第一气缸可左右滑移设置有第一辊架,所述第一打磨辊转动安装在所述第一辊架上,所述第一辊架上固定安装有用于驱动所述第一打磨辊转动的电机,所述第一打磨辊的轴线与所述夹管盘的轴线平行,所述动力机台的后方固定安装有L型支架,所述L型支架的下方通过第二气缸可上下滑移设置有第二辊架,所述第二打磨辊转动安装在所述第二辊架上,所述第二辊架上安装有用于驱动所述第二打磨辊转动的电机,所述第二打磨辊的轴线与所述夹管盘的辊线垂直。
作为本实用新型进一步的方案:还包括导向杆,所述导向杆的一端固定安装在所述第一辊架上,所述导向杆的另一端滑动贯穿于所述侧板外。
作为本实用新型再进一步的方案:所述夹管盘上开设有供管体放置的圆槽,所述圆槽的槽壁上沿径向螺纹连接有至少四个锁紧螺栓。
作为本实用新型再进一步的方案:所述第一辊架和第二辊架均为U型架。
与现有技术相比,本实用新型的有益效果是:
本实用结构简单,使用方便,通过将三个打磨辊呈三角形布置,且第一打磨辊与第二打磨辊的轴线垂直,从而能够实现法兰盘顶端和侧端的同步打磨,有效提高工作效率,同时避免法兰盘的二次位置调节,实现一次性打磨作业,提高作业便捷性。
附图说明
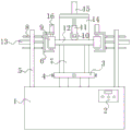
图1为基于膨胀节法兰打磨装置的结构示意图;
图2为基于膨胀节法兰打磨装置中第一打磨辊和第二打磨辊的布局图;
图3为基于膨胀节法兰打磨装置中夹管盘的俯视图;
图中:动力机台1、控制器2、夹管盘3、锁紧螺栓4、侧板5、第一辊架6、管体7、导向杆8、第一打磨辊9、第二打磨辊10、第二辊架11、法兰盘12、第一气缸13、L型支架14、第二气缸15、电机16。
具体实施方式
下面将结合本实用新型实施例中的附图,对本实用新型实施例中的技术方案进行清楚、完整地描述,显然,所描述的实施例仅仅是本实用新型一部分实施例,而不是全部的实施例。基于本实用新型中的实施例,本领域普通技术人员在没有做出创造性劳动前提下所获得的所有其他实施例,都属于本实用新型保护的范围。
请参阅图1~3,本实用新型实施例中,一种基于膨胀节法兰打磨装置,包括动力机台1、第一打磨辊9和第二打磨辊10,所述第一打磨辊9为两个,所述动力机台1上转动安装有用于将管体7进行夹紧的夹管盘3,所述动力机台1上位于所述夹管盘3的两侧固定安装有侧板5,所述侧板5的内侧面通过第一气缸13可左右滑移设置有第一辊架6,所述第一打磨辊9转动安装在所述第一辊架6上,所述第一辊架6上固定安装有用于驱动所述第一打磨辊9转动的电机16,所述第一打磨辊9的轴线与所述夹管盘3的轴线平行,所述动力机台1的后方固定安装有L型支架14,所述L型支架14的下方通过第二气缸15可上下滑移设置有第二辊架11,所述第二打磨辊10转动安装在所述第二辊架11上,所述第二辊架11上安装有用于驱动所述第二打磨辊10转动的电机16,所述动力机台1上安装有用于控制气缸和电机16的控制器2,所述第二打磨辊10的轴线与所述夹管盘3的辊线垂直,还包括导向杆8,所述导向杆8的一端固定安装在所述第一辊架6上,所述导向杆8、的另一端滑动贯穿于所述侧板5外,所述夹管盘3上开设有供管体7放置的圆槽,所述圆槽的槽壁上沿径向螺纹连接有至少四个锁紧螺栓4,所述第一辊架6和第二辊架11均为U型架。
本实用新型的工作原理是:
使用时,将管体7远离法兰盘12的一端插入夹管盘3的圆槽内,通过锁紧螺栓4对管体7的外壁进行夹紧,动力机台1选用皮带轮组驱动夹管盘3均速缓慢转动,同时带动管体7转动,第一气缸13驱动第一打磨辊9向内侧滑移并使其与法兰盘12的环向侧壁压紧,第二气缸15驱动第二打磨辊10向下滑移并使其与法兰盘12的端侧壁压紧,电机16驱动第一打磨辊9和第二打磨辊10转动,从而使管体7的顶端和环侧实现同步打磨。
尽管参照前述实施例对本实用新型进行了详细的说明,对于本领域的技术人员来说,其依然可以对前述各实施例所记载的技术方案进行修改,或者对其中部分技术特征进行等同替换,凡在本实用新型的精神和原则之内,所作的任何修改、等同替换、改进等,均应包含在本实用新型的保护范围之内。
Claims (4)
1.一种基于膨胀节法兰打磨装置,其特征在于:包括动力机台、第一打磨辊和第二打磨辊,所述第一打磨辊为两个,所述动力机台上转动安装有用于将管体进行夹紧的夹管盘,所述动力机台上位于所述夹管盘的两侧固定安装有侧板,所述侧板的内侧面通过第一气缸可左右滑移设置有第一辊架,所述第一打磨辊转动安装在所述第一辊架上,所述第一辊架上固定安装有用于驱动所述第一打磨辊转动的电机,所述第一打磨辊的轴线与所述夹管盘的轴线平行,所述动力机台的后方固定安装有L型支架,所述L型支架的下方通过第二气缸可上下滑移设置有第二辊架,所述第二打磨辊转动安装在所述第二辊架上,所述第二辊架上安装有用于驱动所述第二打磨辊转动的电机,所述第二打磨辊的轴线与所述夹管盘的辊线垂直。
2.根据权利要求1所述的基于膨胀节法兰打磨装置,其特征在于:还包括导向杆,所述导向杆的一端固定安装在所述第一辊架上,所述导向杆的另一端滑动贯穿于所述侧板外。
3.根据权利要求2所述的基于膨胀节法兰打磨装置,其特征在于:所述夹管盘上开设有供管体放置的圆槽,所述圆槽的槽壁上沿径向螺纹连接有至少四个锁紧螺栓。
4.根据权利要求3所述的基于膨胀节法兰打磨装置,其特征在于:所述第一辊架和第二辊架均为U型架。
Priority Applications (1)
| Application Number | Priority Date | Filing Date | Title |
|---|---|---|---|
| CN202020257564.4U CN211661686U (zh) | 2020-03-05 | 2020-03-05 | 一种基于膨胀节法兰打磨装置 |
Applications Claiming Priority (1)
| Application Number | Priority Date | Filing Date | Title |
|---|---|---|---|
| CN202020257564.4U CN211661686U (zh) | 2020-03-05 | 2020-03-05 | 一种基于膨胀节法兰打磨装置 |
Publications (1)
| Publication Number | Publication Date |
|---|---|
| CN211661686U true CN211661686U (zh) | 2020-10-13 |
Family
ID=72741989
Family Applications (1)
| Application Number | Title | Priority Date | Filing Date |
|---|---|---|---|
| CN202020257564.4U Expired - Fee Related CN211661686U (zh) | 2020-03-05 | 2020-03-05 | 一种基于膨胀节法兰打磨装置 |
Country Status (1)
| Country | Link |
|---|---|
| CN (1) | CN211661686U (zh) |
Cited By (4)
| Publication number | Priority date | Publication date | Assignee | Title |
|---|---|---|---|---|
| CN112318295A (zh) * | 2020-10-14 | 2021-02-05 | 湖州奇奇机电科技有限公司 | 一种水平板的侧壁弧形槽打磨机构 |
| CN113084621A (zh) * | 2021-04-19 | 2021-07-09 | 福建泉州市集祥石业有限公司 | 一种自动化打磨抛光石板的加工机及其使用方法 |
| CN114012574A (zh) * | 2022-01-05 | 2022-02-08 | 四川神光石英科技有限公司 | 一种立式磨床 |
| CN114643500A (zh) * | 2022-05-23 | 2022-06-21 | 徐州双裕电子技术有限公司 | 一种便于调节打磨角度的线束打磨装置 |
-
2020
- 2020-03-05 CN CN202020257564.4U patent/CN211661686U/zh not_active Expired - Fee Related
Cited By (4)
| Publication number | Priority date | Publication date | Assignee | Title |
|---|---|---|---|---|
| CN112318295A (zh) * | 2020-10-14 | 2021-02-05 | 湖州奇奇机电科技有限公司 | 一种水平板的侧壁弧形槽打磨机构 |
| CN113084621A (zh) * | 2021-04-19 | 2021-07-09 | 福建泉州市集祥石业有限公司 | 一种自动化打磨抛光石板的加工机及其使用方法 |
| CN114012574A (zh) * | 2022-01-05 | 2022-02-08 | 四川神光石英科技有限公司 | 一种立式磨床 |
| CN114643500A (zh) * | 2022-05-23 | 2022-06-21 | 徐州双裕电子技术有限公司 | 一种便于调节打磨角度的线束打磨装置 |
Similar Documents
| Publication | Publication Date | Title |
|---|---|---|
| CN211661686U (zh) | 一种基于膨胀节法兰打磨装置 | |
| CN111098217A (zh) | 一种四方阅读书架生产用面板抛光装置 | |
| CN211029433U (zh) | 一种具有双工位加工结构的砂带机 | |
| CN206105213U (zh) | 一种电气自动化的圆形工件焊接机 | |
| CN210132699U (zh) | 一种塑料制品修边机 | |
| CN219337117U (zh) | 一种变压器壳架毛刺打磨设备 | |
| CN107253105A (zh) | 一种包装废纸管用表面去皮打磨设备 | |
| CN217453308U (zh) | 一种应用于镀膜玻璃的水洗磨边机 | |
| CN214118403U (zh) | 一种水利工程的环保节能水泵 | |
| CN212859009U (zh) | 一种全自动效率高的板材抛光机 | |
| CN215033812U (zh) | 一种高效数控打孔装置 | |
| CN208897416U (zh) | 一种箱体表面压膜设备 | |
| CN212198365U (zh) | 机械加工用吊运装置 | |
| CN213673378U (zh) | 一种电感骨架生产用打磨装置 | |
| CN219465525U (zh) | 一种汽车轮毂模具制造用铣床 | |
| CN223492967U (zh) | 一种砂轮修整器 | |
| CN216802795U (zh) | 一种不锈钢管件打磨设备 | |
| CN218746681U (zh) | 一种风电发电底座原料板坡口加工装置 | |
| CN206382963U (zh) | 一种便于金属制品换位的抛光机 | |
| CN219852351U (zh) | 一种心盘垫板加工用裁切装置 | |
| CN221211040U (zh) | 一种钢板四角倒棱机 | |
| CN222642463U (zh) | 一种中空玻璃封胶机构 | |
| CN210763703U (zh) | 一种复合机气动式快速下料装置 | |
| CN218657756U (zh) | 一种接地扁铁折弯装置 | |
| CN221583711U (zh) | 一种橡胶密封条生产切割装置 |
Legal Events
| Date | Code | Title | Description |
|---|---|---|---|
| GR01 | Patent grant | ||
| GR01 | Patent grant | ||
| CF01 | Termination of patent right due to non-payment of annual fee |
Granted publication date: 20201013 Termination date: 20210305 |
|
| CF01 | Termination of patent right due to non-payment of annual fee |